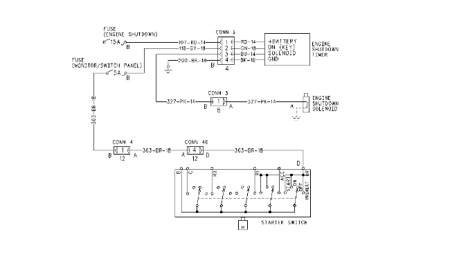
Problem: The starting motor rotates but the engine does not start.
Solution: Check that the following connectors and components are connected properly: “CONN 3”, “CONN 6”, terminals of engine shutdown solenoid and starter switch. If the problem still exists, use the following procedure to troubleshoot the system.
|
|
|
|
|
|
| Illustration 1 | g00864279 |
|
|
|
|
|
|
| Illustration 2 | g00864281 |
|
Schematic for “Starting Motor Rotates But Engine Does Not Start” |
|

