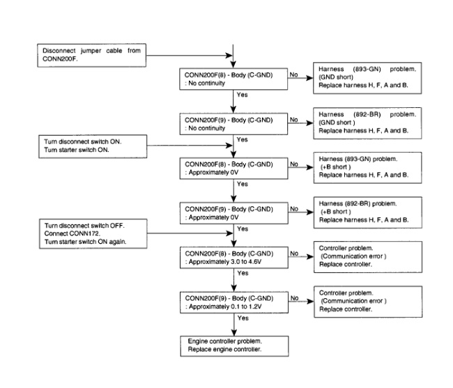
The Engine Controller Is Abnormal
Note: The 590-12 will be set on the engine controller. The code will be set when a fault code exists on the engine ECM.
|
|
|
|
|
|
| Illustration 1 | g01058172 |
|
|
|
|
|
|
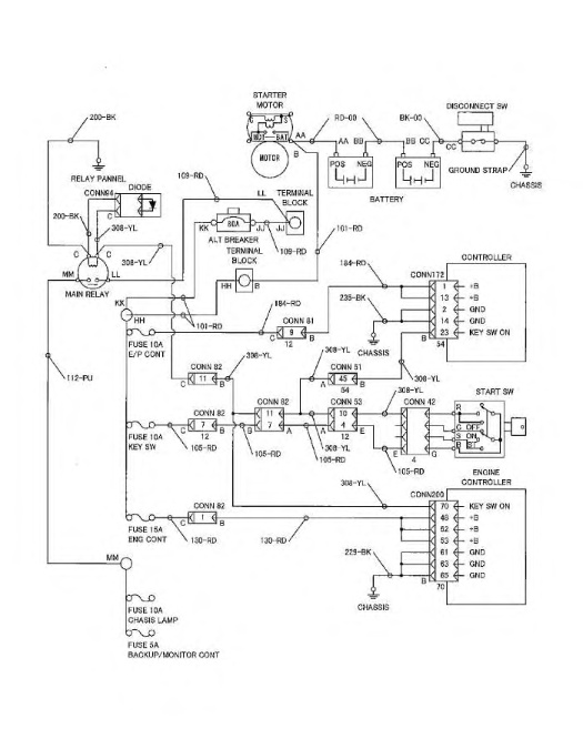
| Illustration 2 | g00825385 |
|
|
|
|
|
|
| Illustration 3 | g01058174 |
|
|
|
|
|
|
| Illustration 4 | g00825392 |



