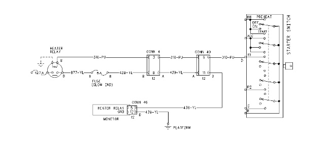
Problem: The glow indicator does not illuminate.
Solution: Check that the following connectors and components are connected properly: starter switch, heater relay, “CONN 4”, “CONN 40” and “CONN 46”. If the problem still exists, use the following procedure to troubleshoot the system.
|
|
|
|
|
|
| Illustration 1 | g00853012 |
|
|
|
|
|
|
| Illustration 2 | g00853013 |
|
|
|
|
|
|
| Illustration 3 | g00862256 |
|
Procedure for “Glow Indicator Does Not Illuminate” |
|


