|
|
|
|
|
|
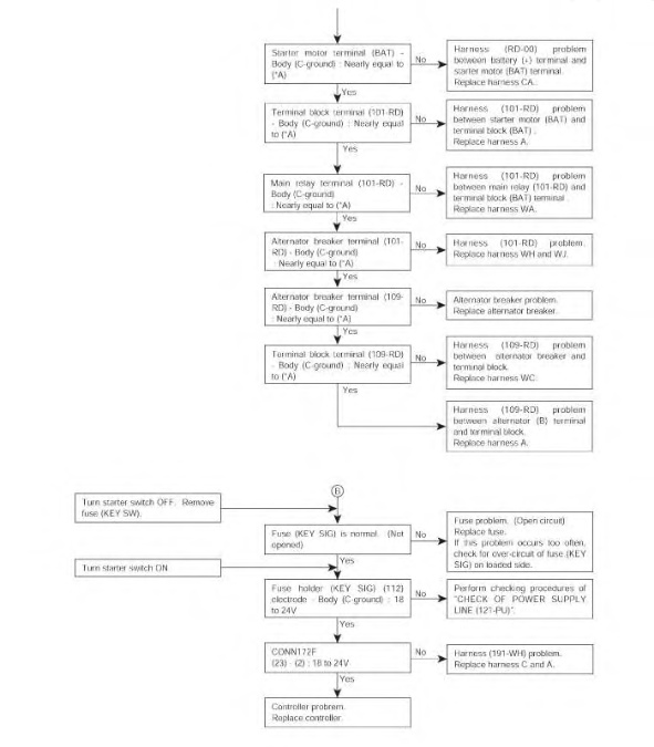
| Illustration 1 | g00880325 |
|
|
|
|
|
|
| Illustration 2 | g01090946 |
Warning “Battery Voltage Is Abnormal” Is Displayed (321C)
|
|
|
|
|
|
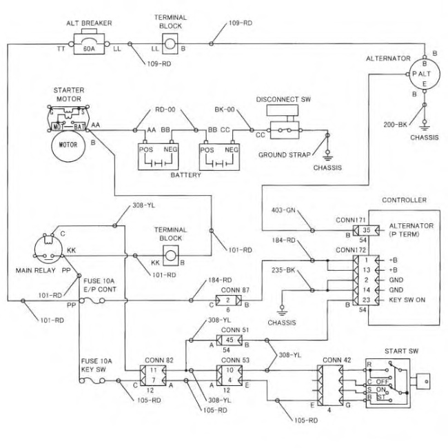
| Illustration 3 | g00988102 |
|
|
|
|
|
|
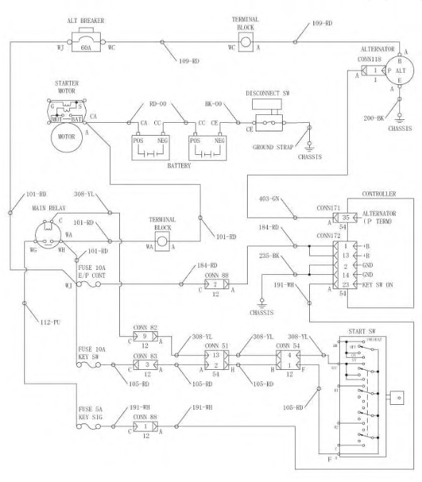
| Illustration 4 | g00988103 |
Schematic Of The Battery Circuit For 312C
|
|
|
|
|
|
| Illustration 5 | g00777122 |
Schematic Of The Battery Circuit For 315C
|
|
|
|
|
|
| Illustration 6 | g00777123 |
Schematic Of The Battery Circuit For 319C and 320C
|
|
|
|
|
|
| Illustration 7 | g00693550 |
Schematic Of The Battery Circuit For 318C
|
|
|
|
|
|
| Illustration 8 | g01009236 |
Schematic Of The Battery Circuit For 321C
|
|
|
|
|
|
| Illustration 9 | g00988104 |
Schematic Of The Battery Circuit For 322C
|
|
|
|
|
|
| Illustration 10 | g00777125 |









