|
|
|
|
|
|
| Illustration 1 | g02144395 |
|
|
|
|
|
|
| Illustration 2 | g02144396 |
Check of Speed Sensor for 321C
|
|
|
|
|
|
| Illustration 3 | g02144398 |
Schematic Of The Speed Sensor For 312C
|
|
|
|
|
|
| Illustration 4 | g00777117 |
Schematic Of The Speed Sensor For 315C
|
|
|
|
|
|
| Illustration 5 | g00777118 |
Schematic Of The Speed Sensor For 318C
|
|
|
|
|
|
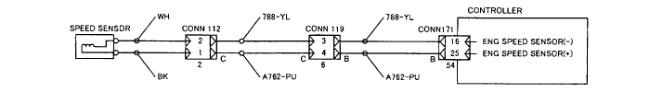
| Illustration 6 | g01009225 |
Schematic Of The Speed Sensor For 321C
|
|
|
|
|
|
| Illustration 7 | g00987733 |
Schematic Of The Speed Sensor For 322C
|
|
|
|
|
|
| Illustration 8 | g00777120 |
Schematic Of The Speed Sensor For 319C, 320C, 320C LRR, 325C, M325C MH, and 330C
|
|
|
|
|
|
| Illustration 9 | g00693508 |








