|
|
|
|
|
|
| Illustration 1 | g01009460 |
|
|
|
|
|
|
| Illustration 2 | g01009461 |
|
|
|
|
|
|
| Illustration 3 | g00988497 |
|
|
|
|
|
|
| Illustration 4 | g00988500 |
Schematic Of The Fault Alarm ( 312C)
|
|
|
|
|
|
| Illustration 5 | g00778597 |
Schematic Of The Fault Alarm ( 315C)
|
|
|
|
|
|
| Illustration 6 | g00778598 |
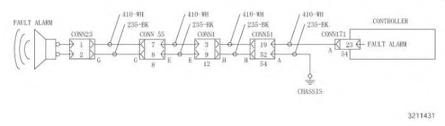
Schematic Of The Fault Alarm ( 319C And 320C)
|
|
|
|
|
|
| Illustration 7 | g00691206 |
Schematic Of The Fault Alarm ( 321C)
|
|
|
|
|
|
| Illustration 8 | g00988503 |
Schematic Of The Fault Alarm ( 322C)
|
|
|
|
|
|
| Illustration 9 | g00778599 |
Schematic Of The Fault Alarm ( 318C)
|
|
|
|
|
|
| Illustration 10 | g01009467 |









