CAT 315 Part Manual Page 77

Part Manual
LUBRICATION SYSTEM
310-9572 FILTER & MTG GP-ENGINE OIL (contd. ) i03097842
GRAPHIC #1 <END> g01576113
SEBP4861-02
2of2 LUBRICATION SYSTEM 47

Contents Summary of CAT 315 Part Manual

  • Page 1SEBP4861-02 September 2008 Parts Manual See “General Information” for New Parts Manual Features. 315D L Excavator CJN1-Up (Machine) JKH1-Up (Engine) Powered By C4.2 Engine SAFETY.CAT.COM
  • Page 2
  • Page 3Product and Dealer Information Note: For product identification plate locations, see the section “Product Identification Information” in the Operation and Maintenance Manual. Delivery Date: Product Information Model: Product Identification Number: Engine Serial Number: Transmission Serial Number: Ge
  • Page 4MEMORANDA MEMORANDA SEBP4861-02
  • Page 5TABLE OF CONTENTS Name Page Name Page GENERAL INFORMATION . . . . . . . . . . . . . . . . . . A5 RADIATOR & HYD OIL COOLER GP . . . . . . . . 58 REPAIR ALTERNATIVES . . . . . . . . . . . . . . . . . . . . A8 AIR INLET AND EXHAUST SYSTEM . . . . . . . . . . 63 AIR CLEANER & MOUNTING GP . . . . . . .
  • Page 6TABLE OF CONTENTS Name Page Name Page PANEL GP-CIRCUIT BREAKER . . . . . . . . . . . . 181 GUARD GP-SWIVEL . . . . . . . . . . . . . . . . . . . . . . 320 PANEL GP-SWITCH . . . . . . . . . . . . . . . . . . . . . . 183 HANDRAIL GP . . . . . . . . . . . . . . . . . . . . . . . . . . . . 321 SENSOR &
  • Page 7TABLE OF CONTENTS Name Page Name Page LINES GP-BOOM . . . . . . . . . . . . . . . . . . . . . . . . . . 469 BOOM GP . . . . . . . . . . . . . . . . . . . . . . . . . . . . . . . . 754 LINES GP-BOOM CYLINDER . . . . . . . . . . . . . . 472 BOOM GP-1 PIECE . . . . . . . . . . . . . . . . . . . . . . .
  • Page 8TABLE OF CONTENTS Name Page Name Page CONTROL GP-HANDLE . . . . . . . . . . . . . . . . . . 905 WIPER & WASHER GP-WINDOW . . . . . . . . . . 1073 CONTROL GP-HEAT & AIR COND . . . . . . . . . . 911 WIPER AR-WINDOW . . . . . . . . . . . . . . . . . . . . . . 1075 CONTROL GP-HYDRAULIC PEDAL . . . . . .
  • Page 9GENERAL INFORMATION 1. MACHINE IDENTIFICATION 2. ORDERING PARTS Caterpillar machines are identified by Product Identification Numbers (PIN). Some components included in a machine may be identified by Serial Numbers (S/N). Typical components that will be serialized include engines, transmissions, bul
  • Page 10GENERAL INFORMATION 6. INDEX 12. ILLUSTRATION REFERENCE LETTERS The index located near the front of the manual is an When necessary, illustrations contain reference letters alphabetical listing of all information elements included (A, B, C etc.) that are intended to track lines and in the manual. Pa
  • Page 11GENERAL INFORMATION SEBP4861-02 GENERAL INFORMATION A7
  • Page 12REPAIR ALTERNATIVES REMANUFACTURED COMPONENTS As an option when making repairs consider Caterpillar Remanufactured Components. Components that are available through the Caterpillar Remanufactured Program are identified three ways in the parts book: • with the letter R in the note field of the parts
  • Page 13SUPPLEMENTAL COOLANT ADDITIVES CUSTOMER BENEFITS: Protects against cavitation, foam, erosion, corrosion, and scale buildup in cooling systems. • Provides measured coolant conditioner. DESCRIPTION: Additives deplete from the coolant with normal operation. For this reason, Supplemental Coolant Additiv
  • Page 14MAINTENANCE PARTS PART DESCRIPTION NUMBER QTY WHERE USED PAGE AIR INLET AND EXHAUST SYSTEM FILTER ELEMENT AS-AIR (PRIMARY) 135-5788 1 AIR CLEANER GP 64 1 AIR CLEANER GP 68 152-7217 1 AIR CLEANER GP 67 1 AIR CLEANER GP 69 FILTER ELEMENT AS-AIR 135-5787 1 AIR CLEANER GP 64 (SECONDARY) 1 AIR CLEANER GP
  • Page 15MAINTENANCE PARTS PART DESCRIPTION NUMBER QTY WHERE USED PAGE ELECTRICAL AND STARTING SYSTEM BATTERY 3T-5760 2 BATTERY & WIRING GP 127 (12-VOLT, MAINTENANCE FREE, WET) 2 BATTERY & WIRING GP 133 9X-3404 2 BATTERY GP 139 CIRCUIT BREAKER AS (60-AMPERE) 171-2208 1 PANEL GP-CIRCUIT BREAKER 181 (ALTERNATO
  • Page 16MAINTENANCE PARTS PART DESCRIPTION NUMBER QTY WHERE USED PAGE HYDRAULIC SYSTEM BREATHER (SWING DRIVE) 4H-6112 1 DRIVE GP-SWING 432 1 DRIVE GP-SWING 433 1 DRIVE GP-SWING 434 BREATHER AS 267-6744 1 DRIVE GP-SWING 432 1 DRIVE GP-SWING 433 1 DRIVE GP-SWING 434 BREATHER GP (HYDRAULIC TANK) 227-0590 1 TAN
  • Page 17INDEX Name Page Name Page A BOOM GP . . . . . . . . . . . . . . . . . . . . . . . . . . . . . . . . . . . . 754 760 ACCUMULATOR GP-HYDRAULIC– BOOM GP–ACCUGRADE READY . . . . . . . . . . . . . . 758 CHARGED . . . . . . . . . . . . . . . . . . . . . . . . . . . . . . . . . 381 BOOM GP-1 PIECE . . . .
  • Page 18INDEX Name Page Name Page BUCKET AS-UTILITY–DITCH CLEANING . . . . . . . 818 CONTROL & MTG GP-COMMUNICATION– BUCKET GP-GENERAL PURPOSE . . . . . . . . . . . . 819 PRODUCT LINK 321SR . . . . . . . . . . . . . . . . . . . . . 146 820 CONTROL & MTG GP-ENGINE ELEK . . . . . . . . . . 149 BUCKET GP-UTILI
  • Page 19INDEX Name Page Name Page 152 407 CONTROL-REFUELING PUMP . . . . . . . . . . . . . . . . 98 CYLINDER BLOCK GP . . . . . . . . . . . . . . . . . . . . . . . . 17 COOLER GP-ENGINE OIL . . . . . . . . . . . . . . . . . . . . . 51 20 COOLING AR-HIGH AMBIENT TEMP . . . . . . . . . . . 52 CYLINDER GP-BOOM
  • Page 20INDEX Name Page Name Page ELECTRONICS GP-COMMUNICATION– FILM-INFORMATION (24-VOLT) . . . . . . . . . . . . . . . . 1095 PRODUCT LINK 300 . . . . . . . . . . . . . . . . . . . . . . . . 153 1099 ELECTRONICS GP-MACHINE . . . . . . . . . . . . . . . . . 154 FILM-INSTRUCTION (COLD WEATHER) . . . . . . .
  • Page 21INDEX Name Page Name Page 851 GASKET FILTER GP-FUEL . . . . . . . . . . . . . . . . . . . . . . . . . . . . . 81 (WATER TEMPERATURE REGULATOR) . . . . . 54 FILTER GP-OIL–HYDRAULIC . . . . . . . . . . . . . . . . . . 443 GAUGE GP-SIGHT–HYDRAULIC OIL LEVEL . . . 448 FILTER GP-OIL–HYDRAULIC, CASE DRAIN
  • Page 22INDEX Name Page Name Page HARNESS AS-CONTROL (PRODUCT LINK) . . . . 230 HARNESS AS-WIRING HARNESS AS-CONTROL (SERVICE CONNECTOR) . . . . . . . . . . . . . . . . . . . 230 (SERVICE CONNECTOR) . . . . . . . . . . . . . . . . . . . 230 232 232 HATCH GP-ROOF . . . . . . . . . . . . . . . . . . . . . . .
  • Page 23INDEX Name Page Name Page INSTALLATION AR-COMMUNICATION– LINES GP-AIR CONDITIONER . . . . . . . . . . . . . . . . . 990 PRODUCT LINK 321SR . . . . . . . . . . . . . . . . . . . . . 160 LINES GP-AUXILIARY HYDRAULIC . . . . . . . . . . . . 466 INSTALLATION AR-ENGINE . . . . . . . . . . . . . . . . . .
  • Page 24INDEX Name Page Name Page LINES GP-FUEL INJECTION . . . . . . . . . . . . . . . . . . . 90 LINES GP-SWING MOTOR . . . . . . . . . . . . . . . . . . . . 630 LINES GP-GREASE . . . . . . . . . . . . . . . . . . . . . . . . . . . 762 LINES GP-TRAVEL MOTOR– LINES GP-HEATER . . . . . . . . . . . . . . . .
  • Page 25INDEX Name Page Name Page P 60 RECEIVER DRYER AS (REFRIGERANT) . . . . . . . 990 PADLOCK GP . . . . . . . . . . . . . . . . . . . . . . . . . . . . . . . . 99 REGULATOR AS-VOLTAGE . . . . . . . . . . . . . . . . . . . 125 102 REGULATOR-TEMPERATURE (COOLANT) . . . . . 54 PAN GP-OIL . . . . . . . . .
  • Page 26INDEX Name Page Name Page SEAT GP–LOW BACK, TILT . . . . . . . . . . . . . . . . . . . 1027 SENSOR GP-POSITION (STICK) . . . . . . . . . . . . . . . 192 1029 SENSOR GP-PRESSURE SEAT GP–LOW BACK, VINYL . . . . . . . . . . . . . . . . . . 1026 (AIR INLET MANIFOLD) . . . . . . . . . . . . . . . . . . .
  • Page 27INDEX Name Page Name Page STICK AR-HOE– SWITCH AS-MAGNETIC (24-VOLT) REACH, ACCUGRADE READY . . . . . . . . . . . . . . 770 (AIR INLET HEATER RELAY) . . . . . . . . . . . . . . . . 251 STICK AR-REACH . . . . . . . . . . . . . . . . . . . . . . . . . . . . 771 SWITCH AS-MAGNETIC (24-VOLT) STICK GP-HO
  • Page 28INDEX Name Page Name Page SWITCH GP-ROTARY 374 (THROTTLE POSITION) . . . . . . . . . . . . . . . . . . . . 183 TRACK ADJUSTER & RECOIL GP–RH . . . . . . . . . 369 185 373 187 TRACK GP–2-REQUIRED . . . . . . . . . . . . . . . . . . . . . 377 189 378 SWITCH GP-ROTARY– 379 THROTTLE POSITION . . . . . .
  • Page 29INDEX Name Page Name Page VALVE GP-LOAD CONTROL– 750 STICK CYLINDER . . . . . . . . . . . . . . . . . . . . . . . . . . 697 VALVE GP-SOLENOID & PRESS REDC VALVE GP-MAIN CONTROL . . . . . . . . . . . . . . . . . . . 699 (BOOM LOWERING CONTROL) . . . . . . . . . . . . . 590 VALVE GP-PILOT VALVE GP-SOL
  • Page 30INDEX Name Page Name Page 603 WIRING GP-CONSOLE–RH . . . . . . . . . . . . . . . . . . . 237 VALVE GP-SOLENOID–FINE SWING . . . . . . . . . . . 742 WIRING GP-CONVERTER . . . . . . . . . . . . . . . . . . . . . 239 744 241 VALVE GP-SOLENOID– WIRING GP-COUPLER . . . . . . . . . . . . . . . . . . . . .
  • Page 31MACHINE ARRANGEMENT 260-6960 CHASSIS AR S/N: CJN1-UP PART OF 260-6952 GENERAL AR SMCS-7000 i03003752 PART NAME SEE NOTE PART NUMBER QTY 1 2 3 4 5 6 (PRODUCT LEVEL) PAGE Y 259-5159 1 BATTERY & WIRING GP 127 Y 244-8039 1 BOX & MOUNTING GP 274 Y 262-2256 1 COUNTERWEIGHT GP 278 Y 244-8041 1 FENDER & COV
  • Page 32MACHINE ARRANGEMENT 301-2479 SPECIAL AR–ACCUGRADE S/N: CJN1-UP AN ATTACHMENT SMCS-7000 i02846252 PART NAME SEE NOTE PART NUMBER QTY 1 2 3 4 5 6 (PRODUCT LEVEL) PAGE Y 303-8845 1 BOOM GP 758 Y 298-2991 1 COUNTERWEIGHT GP 281 Y 259-0837 1 CYLINDER & LINES GP-BOOM (LH) 395 Y 259-0838 1 CYLINDER & LINES
  • Page 33MACHINE ARRANGEMENT 301-2517 SPECIAL AR–ACCUGRADE S/N: CJN1-UP AN ATTACHMENT SMCS-7000 i02846247 PART NAME SEE NOTE PART NUMBER QTY 1 2 3 4 5 6 (PRODUCT LEVEL) PAGE Y 303-8845 1 BOOM GP 758 Y 259-0837 1 CYLINDER & LINES GP-BOOM (LH) 395 Y 259-0838 1 CYLINDER & LINES GP-BOOM (RH) 395 Y 310-1782 1 CYL
  • Page 34MACHINE ARRANGEMENT 301-2566 SPECIAL AR S/N: CJN1-UP CHINA FOR USE WITH 600-MM (23.6-IN) TRACK SHOES AN ATTACHMENT SMCS-7000 i02988426 PART NAME SEE NOTE PART NUMBER QTY 1 2 3 4 5 6 (PRODUCT LEVEL) PAGE Y 298-4281 1 FILM GP 1089 Y 235-7764 2 STEP GP 344 Y-SEPARATE ILLUSTRATION 301-2567 SPECIAL
  • Page 35MACHINE ARRANGEMENT 330-8810 SPECIAL AR S/N: CJN1-UP CHINA MARKET FOR USE WITH 600-MM (23.6-IN) TRACK SHOE AN ATTACHMENT SMCS-7000 i03252862 PART NAME SEE NOTE PART NUMBER QTY 1 2 3 4 5 6 (PRODUCT LEVEL) PAGE Y 314-3848 1 FILM GP 1094 Y 235-7764 2 STEP GP 344 Y-SEPARATE ILLUSTRATION SEBP4861-0
  • Page 36ENGINE ARRANGEMENT 272-4817 ENGINE AR S/N: JKH1-UP PART OF 272-4822, 279-7714, 279-7746 ENGINE AR-COMPLETE ALSO AN ATTACHMENT SMCS-1000 i02975742 PART NAME SEE NOTE PART NUMBER QTY 1 2 3 4 5 6 (PRODUCT LEVEL) PAGE Y 296-4792 1 ADAPTER GP-REMOTE OIL FILTER 41 Y 296-4778 1 BREATHER GP 42 Y 305-4955 1
  • Page 37ENGINE ARRANGEMENT 279-7856 ENGINE AR S/N: CJN1-UP AN ATTACHMENT SMCS-1000 i02686273 PART NAME SEE NOTE PART NUMBER QTY 1 2 3 4 5 6 (PRODUCT LEVEL) PAGE Y 272-4822 1 ENGINE AR-COMPLETE 9 Y-SEPARATE ILLUSTRATION SEBP4861-02 1 of 1 ENGINE ARRANGEMENT 7
  • Page 38ENGINE ARRANGEMENT 279-7857 ENGINE AR S/N: CJN1-UP AN ATTACHMENT SMCS-1000 i02686197 PART NAME SEE NOTE PART NUMBER QTY 1 2 3 4 5 6 (PRODUCT LEVEL) PAGE Y 279-7714 1 ENGINE AR-COMPLETE 10 Y-SEPARATE ILLUSTRATION 8 ENGINE ARRANGEMENT 1 of 1 SEBP4861-02
  • Page 39ENGINE ARRANGEMENT 272-4822 ENGINE AR-COMPLETE S/N: CJN1-UP PART OF 279-7856 ENGINE AR AN ATTACHMENT SMCS-1000 i02794015 PART NAME SEE NOTE PART NUMBER QTY 1 2 3 4 5 6 (PRODUCT LEVEL) PAGE Y 272-4817 1 ENGINE AR 6 Y 272-4819 1 PULLEY GP-FAN & ALT DRIVE 37 Y-SEPARATE ILLUSTRATION SEBP4861-02 1 of 1 E
  • Page 40ENGINE ARRANGEMENT 279-7714 ENGINE AR-COMPLETE S/N: CJN1-UP PART OF 279-7857 ENGINE AR AN ATTACHMENT SMCS-1000 i02793817 PART NAME SEE NOTE PART NUMBER QTY 1 2 3 4 5 6 (PRODUCT LEVEL) PAGE Y 272-4817 1 ENGINE AR 6 Y 272-4819 1 PULLEY GP-FAN & ALT DRIVE 37 Y-SEPARATE ILLUSTRATION 10 ENGINE ARRANGEMEN
  • Page 41ENGINE ARRANGEMENT 279-7746 ENGINE AR-COMPLETE S/N: CJN1-UP PART OF 260-6952 GENERAL AR SMCS-1000 i02766262 PART NAME SEE NOTE PART NUMBER QTY 1 2 3 4 5 6 (PRODUCT LEVEL) PAGE Y 272-4817 1 ENGINE AR 6 Y 272-4819 1 PULLEY GP-FAN & ALT DRIVE 37 Y-SEPARATE ILLUSTRATION SEBP4861-02 1 of 1 ENGINE ARRANGE
  • Page 42ENGINE ARRANGEMENT 279-7748 INSTALLATION AR-ENGINE S/N: CJN1-UP PART OF 260-6952 GENERAL AR SMCS-1000 i02942313 PART NAME SEE NOTE PART NUMBER QTY 1 2 3 4 5 6 (PRODUCT LEVEL) PAGE Y 255-3033 1 AIR CLEANER & MOUNTING GP 63 Y 255-3032 1 COMPRESSOR GP-REFRIGERANT 888 Y 259-7195 1 CONDENSER & MTG GP-REF
  • Page 43BASIC ENGINE 305-4955 CAMSHAFT GP S/N: JKH1-UP PART OF 272-4817 ENGINE AR ALSO AN ATTACHMENT SMCS-1210 i02790536 REF GRAPHIC PART NAME SEE NOTE NO REF PART NUMBER QTY 1 2 3 4 5 6 (PRODUCT LEVEL) PAGE 1 1 305-4758 1 CAMSHAFT 2 1 279-7859 8 TAPPET 3 1 294-1716 8 PUSHROD 4 1 094-4628 1 KEY 5 1 5I-7650
  • Page 44BASIC ENGINE 296-4786 COVER GP-VALVE MECHANISM S/N: JKH1-UP PART OF 272-4817 ENGINE AR ALSO AN ATTACHMENT SMCS-1107 i03021616 REF GRAPHIC PART NAME SEE NOTE NO REF PART NUMBER QTY 1 2 3 4 5 6 (PRODUCT LEVEL) PAGE 1 1 305-4767 1 BASE-ROCKER ARM 2 1 296-4692 1 COVER-ROCKER 3 1 305-4768 1 GASKET 4 1 29
  • Page 45BASIC ENGINE 296-4786 COVER GP-VALVE MECHANISM (contd. ) i03021616 GRAPHIC #1 g01404286 SEBP4861-02 2 of 2 BASIC ENGINE 15
  • Page 46BASIC ENGINE 296-4789 CRANKSHAFT GP S/N: JKH1-UP PART OF 272-4817 ENGINE AR ALSO AN ATTACHMENT SMCS-1202 i02710559 REF GRAPHIC PART NAME SEE NOTE NO REF PART NUMBER QTY 1 2 3 4 5 6 (PRODUCT LEVEL) PAGE 1 1 296-4710 1 CRANKSHAFT AS 1A 1 294-1751 1 GEAR (31-TEETH) 1B 1 130-7596 1 NUT 1C 1 085-9513 2 P
  • Page 47BASIC ENGINE 296-4699 CYLINDER BLOCK GP S/N: JKH1-UP PART OF 296-4787 CYLINDER BLOCK GP ALSO AN ATTACHMENT SMCS-1201 i02975503 REF GRAPHIC PART NAME SEE NOTE NO REF PART NUMBER QTY 1 2 3 4 5 6 (PRODUCT LEVEL) PAGE 1 2 4I-9664 2 PIN 5 2 5I-8009 1 BUSHING 6 1 5I-7528 1 BUSHING 7 1 5I-7529 1 BUSHING 8
  • Page 48BASIC ENGINE 296-4699 CYLINDER BLOCK GP (contd. ) i02975503 GRAPHIC #1 g01504593 18 BASIC ENGINE 2 of 3 SEBP4861-02
  • Page 49BASIC ENGINE 296-4699 CYLINDER BLOCK GP (contd. ) i02975503 GRAPHIC #2 g01378474 SEBP4861-02 3 of 3 BASIC ENGINE 19
  • Page 50BASIC ENGINE 296-4787 CYLINDER BLOCK GP S/N: JKH1-UP PART OF 272-4817 ENGINE AR ALSO AN ATTACHMENT SMCS-1201 i02837568 REF GRAPHIC PART NAME SEE NOTE NO REF PART NUMBER QTY 1 2 3 4 5 6 (PRODUCT LEVEL) PAGE 1 1 294-1723 1 EYE 2 1 294-1724 1 EYE 3 1 5I-5181 4 BOLT 5 1 096-2501 4 LOCKWASHER M 6 1 8T-41
  • Page 51BASIC ENGINE 296-4787 CYLINDER BLOCK GP (contd. ) i02837568 GRAPHIC #1 g01370920 SEBP4861-02 2 of 2 BASIC ENGINE 21
  • Page 52BASIC ENGINE 305-4766 CYLINDER HEAD AS S/N: JKH1-UP PART OF 296-4784 CYLINDER HEAD GP ALSO AN ATTACHMENT SMCS-1100 i02996131 REF GRAPHIC PART NAME SEE NOTE NO REF PART NUMBER QTY 1 2 3 4 5 6 (PRODUCT LEVEL) PAGE 1 1 305-4883 8 SEAT 2 1 305-4884 8 SEAT 3 1 305-4885 16 GUIDE 4 1 103-9011 8 CAP-SEALING
  • Page 53BASIC ENGINE 296-4784 CYLINDER HEAD GP S/N: JKH1-UP PART OF 272-4817 ENGINE AR ALSO AN ATTACHMENT SMCS-1100 i02981660 REF GRAPHIC PART NAME SEE NOTE NO REF PART NUMBER QTY 1 2 3 4 5 6 (PRODUCT LEVEL) PAGE Y 1 1 305-4766 1 CYLINDER HEAD AS 22 2 1 296-4689 1 GASKET 3 1 294-1683 17 BOLT 4 1 4I-9664 2 P
  • Page 54BASIC ENGINE 296-4783 FLYWHEEL GP S/N: JKH1-UP PART OF 272-4817 ENGINE AR ALSO AN ATTACHMENT SMCS-1156 i02710560 REF GRAPHIC PART NAME SEE NOTE NO REF PART NUMBER QTY 1 2 3 4 5 6 (PRODUCT LEVEL) PAGE 1 1 296-4713 1 FLYWHEEL AS 1A 1 205-6788 1 GEAR (127-TEETH) 2 1 5I-5005 6 BOLT (M12X1.25X35-MM) 3 1
  • Page 55BASIC ENGINE 296-4651 GEAR GP-FRONT S/N: JKH1-UP PART OF 272-4817 ENGINE AR ALSO AN ATTACHMENT SMCS-1151, 1162, 1206 i02981450 REF GRAPHIC PART NAME SEE NOTE NO REF PART NUMBER QTY 1 2 3 4 5 6 (PRODUCT LEVEL) PAGE 1 1 294-1753 1 GEAR AS-IDLER (69-TEETH) 1A 1 296-4673 1 BUSHING 2 1 294-1754 1 GEAR (6
  • Page 56BASIC ENGINE 296-4803 HOUSING GP-FLYWHEEL S/N: JKH1-UP PART OF 272-4817 ENGINE AR ALSO AN ATTACHMENT SMCS-1157 i02943494 REF GRAPHIC PART NAME SEE NOTE NO REF PART NUMBER QTY 1 2 3 4 5 6 (PRODUCT LEVEL) PAGE 1 1 296-4701 1 HOUSING 2 1 5I-7660 1 SEAL AS 4 1 5I-4983 2 STUD 6 1 294-1737 8 BOLT (M8X1.25
  • Page 57BASIC ENGINE 296-4788 HOUSING GP-FRONT S/N: JKH1-UP PART OF 272-4817 ENGINE AR ALSO AN ATTACHMENT SMCS-1151, 1162, 1206 i02830615 REF GRAPHIC PART NAME SEE NOTE NO REF PART NUMBER QTY 1 2 3 4 5 6 (PRODUCT LEVEL) PAGE 1 1 222-8292 1 POINTER 2 1 294-1731 1 BOLT (M8X1.25X19.5-MM) 3 1 6V-8236 1 PIN-SPRI
  • Page 58BASIC ENGINE 296-4788 HOUSING GP-FRONT (contd. ) i02830615 GRAPHIC #1 g01413014 28 BASIC ENGINE 2 of 2 SEBP4861-02
  • Page 59BASIC ENGINE 296-4798 MOUNTING GP-ALTERNATOR S/N: JKH1-UP PART OF 272-4817 ENGINE AR ALSO AN ATTACHMENT SMCS-1405 i02944511 REF GRAPHIC PART NAME SEE NOTE NO REF PART NUMBER QTY 1 2 3 4 5 6 (PRODUCT LEVEL) PAGE 1 1 178-6600 1 PULLER 2 1 296-4758 1 PLATE 3 1 5I-7750 2 WASHER (12.5X25X8-MM THK) 4 1 29
  • Page 60BASIC ENGINE 255-3035 MOUNTING GP-ENGINE S/N: CJN1-UP PART OF 279-7748 INSTALLATION AR-ENGINE SMCS-1152 i02600442 REF GRAPHIC PART NAME SEE NOTE NO REF PART NUMBER QTY 1 2 3 4 5 6 (PRODUCT LEVEL) PAGE 1 1 099-4707 4 WASHER (16.5X90X9-MM THK) 2 1 118-9941 4 SUPPORT AS 3 1 266-6203 1 BRACKET-FRONT (RH
  • Page 61BASIC ENGINE 255-3035 MOUNTING GP-ENGINE (contd. ) i02600442 GRAPHIC #1 g01305307 SEBP4861-02 2 of 2 BASIC ENGINE 31
  • Page 62BASIC ENGINE 296-4637 MOUNTING GP-STARTING MOTOR S/N: JKH1-UP PART OF 272-4817 ENGINE AR ALSO AN ATTACHMENT SMCS-1453 i02936172 REF GRAPHIC PART NAME SEE NOTE NO REF PART NUMBER QTY 1 2 3 4 5 6 (PRODUCT LEVEL) PAGE 1 1 5I-7599 1 SEAL-O-RING 2 1 135-2369 1 COVER M 3 1 135-2370 1 BOLT (M5X0.8X25-MM) 4
  • Page 63BASIC ENGINE 296-4780 PAN GP-OIL S/N: JKH1-UP PART OF 272-4817 ENGINE AR ALSO AN ATTACHMENT SMCS-1302 i02710579 REF GRAPHIC PART NAME SEE NOTE NO REF PART NUMBER QTY 1 2 3 4 5 6 (PRODUCT LEVEL) PAGE 1 1 296-4702 1 GUIDE 2 1 296-4703 16 BOLT 3 1 5I-7663 12 BOLT (M8X1.25X16-MM) 4 1 7X-0796 1 LOCKWASHE
  • Page 64BASIC ENGINE 296-4780 PAN GP-OIL (contd. ) i02710579 GRAPHIC #1 g01404257 34 BASIC ENGINE 2 of 2 SEBP4861-02
  • Page 65BASIC ENGINE 296-4796 PISTON & ROD GP S/N: JKH1-UP PART OF 272-4817 ENGINE AR ALSO AN ATTACHMENT SMCS-1225 i02710557 REF GRAPHIC PART NAME SEE NOTE NO REF PART NUMBER QTY 1 2 3 4 5 6 (PRODUCT LEVEL) PAGE 1 1 310-9489 4 PISTON (STANDARD) AB 310-9490 PISTON (0.25-MM OS) AB 310-9491 PISTON (0.5-MM OS)
  • Page 66BASIC ENGINE 296-4738 PULLEY AS-IDLER S/N: CJN1-UP PART OF 272-4819 PULLEY GP-FAN & ALT DRIVE ALSO AN ATTACHMENT SMCS-1358 i02719552 REF GRAPHIC PART NAME SEE NOTE NO REF PART NUMBER QTY 1 2 3 4 5 6 (PRODUCT LEVEL) PAGE 1 1 296-4739 1 BRACKET 2 1 294-1784 1 PULLEY 3 1 294-1785 2 BEARING 4 1 294-1786
  • Page 67BASIC ENGINE 272-4819 PULLEY GP-FAN & ALT DRIVE S/N: CJN1-UP PART OF 272-4822, 279-7714, 279-7746 ENGINE AR-COMPLETE ALSO AN ATTACHMENT SMCS-1359 i02719541 REF GRAPHIC PART NAME SEE NOTE NO REF PART NUMBER QTY 1 2 3 4 5 6 (PRODUCT LEVEL) PAGE 1 1 296-4712 1 PULLEY AS 1 5I-7540 1 SLEEVE 2 1 296-4731
  • Page 68BASIC ENGINE 255-3018 PULLEY GP-IDLER S/N: CJN1-UP PART OF 255-3032 COMPRESSOR GP-REFRIGERANT SMCS-1358 i02674719 REF GRAPHIC PART NAME SEE NOTE NO REF PART NUMBER QTY 1 2 3 4 5 6 (PRODUCT LEVEL) PAGE M 1 1 255-3022 1 NUT (M10X1.25-THD) 2 1 239-6626 1 PULLEY-IDLER M 3 1 239-6627 1 BOLT (M8X1.25X110-
  • Page 69BASIC ENGINE 305-4954 VALVE MECHANISM GP S/N: JKH1-UP PART OF 272-4817 ENGINE AR ALSO AN ATTACHMENT SMCS-1209 i02790534 REF GRAPHIC PART NAME SEE NOTE NO REF PART NUMBER QTY 1 2 3 4 5 6 (PRODUCT LEVEL) PAGE 1 1 294-1684 8 VALVE-INLET 2 1 294-1685 8 VALVE-EXHAUST 3 1 294-1686 4 BASE-ROCKER ARM 4 1 29
  • Page 70BASIC ENGINE 305-4954 VALVE MECHANISM GP (contd. ) i02790534 GRAPHIC #1 g01406102 40 BASIC ENGINE 2 of 2 SEBP4861-02
  • Page 71LUBRICATION SYSTEM 296-4792 ADAPTER GP-REMOTE OIL FILTER–ENGINE S/N: JKH1-UP PART OF 272-4817 ENGINE AR ALSO AN ATTACHMENT SMCS-1308 i03021634 REF GRAPHIC PART NAME SEE NOTE NO REF PART NUMBER QTY 1 2 3 4 5 6 (PRODUCT LEVEL) PAGE 1 1 5I-7864 1 GASKET 2 1 296-4728 1 COVER AS 2A 1 185-2793 2 ELBOW 2B
  • Page 72LUBRICATION SYSTEM 296-4778 BREATHER GP–CRANKCASE S/N: JKH1-UP PART OF 272-4817 ENGINE AR ALSO AN ATTACHMENT SMCS-1317 i02768246 REF GRAPHIC PART NAME SEE NOTE NO REF PART NUMBER QTY 1 2 3 4 5 6 (PRODUCT LEVEL) PAGE 1 1 305-4770 1 HOSE 2 1 294-1774 1 SEAL-O-RING 3 1 5I-7725 1 BREATHER (CRANKCASE) 4
  • Page 73LUBRICATION SYSTEM 279-7744 FILTER & MTG GP-ENGINE OIL S/N: CJN1-161 PART OF 279-7748 INSTALLATION AR-ENGINE SMCS-1306, 1308 i03242690 REF GRAPHIC PART NAME SEE NOTE NO REF PART NUMBER QTY 1 2 3 4 5 6 (PRODUCT LEVEL) PAGE 1 1 6V-5266 3 SEAL-O-RING 2 1 7C-1493 1 VALVE AS-BYPASS (ENGINE OIL COOLER) 3
  • Page 74LUBRICATION SYSTEM 279-7744 FILTER & MTG GP-ENGINE OIL (contd. ) i03242690 GRAPHIC #1 g01306523 44 LUBRICATION SYSTEM 2 of 3 SEBP4861-02
  • Page 75LUBRICATION SYSTEM 279-7744 FILTER & MTG GP-ENGINE OIL (contd. ) i03242690 GRAPHIC #2 g01306524 SEBP4861-02 3 of 3 LUBRICATION SYSTEM 45
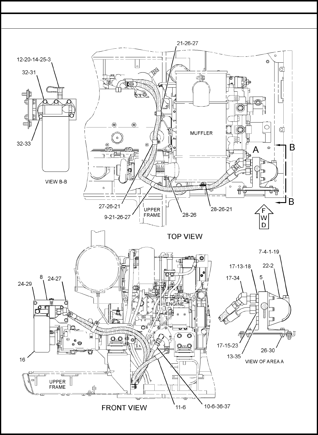
  • Page 76LUBRICATION SYSTEM 310-9572 FILTER & MTG GP-ENGINE OIL S/N: CJN1-UP PART OF 279-7748 INSTALLATION AR-ENGINE SMCS-1306, 1308 i03097842 REF GRAPHIC PART NAME SEE NOTE NO REF PART NUMBER QTY 1 2 3 4 5 6 (PRODUCT LEVEL) PAGE 1 1 7C-1493 1 VALVE AS-BYPASS 2 1 7W-9028 1 BASE AS-OIL FILTER 3 1 8C-3445 1 CA
  • Page 77LUBRICATION SYSTEM 310-9572 FILTER & MTG GP-ENGINE OIL (contd. ) i03097842 GRAPHIC #1 g01576113 SEBP4861-02 2 of 2 LUBRICATION SYSTEM 47
  • Page 78LUBRICATION SYSTEM 296-4781 LINES GP-ENGINE OIL S/N: JKH1-UP PART OF 272-4817 ENGINE AR ALSO AN ATTACHMENT SMCS-1307 i02710578 REF GRAPHIC PART NAME SEE NOTE NO REF PART NUMBER QTY 1 2 3 4 5 6 (PRODUCT LEVEL) PAGE 1 1 294-1767 1 VALVE 2 1 196-8019 1 STRAINER 3 1 5I-7642 1 PLATE M 5 1 195-8351 1 BOLT
  • Page 79LUBRICATION SYSTEM 255-3037 LINES GP-ENGINE OIL DRAIN–OIL PAN S/N: CJN1-162 PART OF 279-7748 INSTALLATION AR-ENGINE SMCS-1307 i02599037 REF GRAPHIC PART NAME SEE NOTE NO REF PART NUMBER QTY 1 2 3 4 5 6 (PRODUCT LEVEL) PAGE 1 1 095-1388 1 CLAMP-HOSE E 2 1 5P-0743 HOSE (7-CM) E-ORDER BY THE CENTIMETER
  • Page 80LUBRICATION SYSTEM 296-4777 LINES GP-TURBOCHARGER OIL S/N: JKH1-UP PART OF 272-4817 ENGINE AR ALSO AN ATTACHMENT SMCS-1052 i03254760 REF GRAPHIC PART NAME SEE NOTE NO REF PART NUMBER QTY 1 2 3 4 5 6 (PRODUCT LEVEL) PAGE 1 1 296-4725 1 PIPE 2 1 296-4726 1 PIPE 3 1 294-1766 1 GASKET 4 1 195-8322 2 BOL
  • Page 81COOLING SYSTEM 296-4782 COOLER GP-ENGINE OIL S/N: JKH1-UP PART OF 272-4817 ENGINE AR ALSO AN ATTACHMENT SMCS-1378 i03021637 REF GRAPHIC PART NAME SEE NOTE NO REF PART NUMBER QTY 1 2 3 4 5 6 (PRODUCT LEVEL) PAGE 1 1 196-8366 3 BOLT M 2 1 8T-4908 9 BOLT (M8X1.25X25-MM) 3 1 296-4727 1 COVER AS 3A 1 178
  • Page 82COOLING SYSTEM 260-7009 COOLING AR-HIGH AMBIENT TEMP S/N: CJN1-UP AN ATTACHMENT SMCS-1350 i02753382 PART NAME SEE NOTE PART NUMBER QTY 1 2 3 4 5 6 (PRODUCT LEVEL) PAGE Y 290-9441 1 ELECTRONICS GP-MACHINE (HIGH AMBIENT) 153 Y 273-8085 1 HOOD & GUARD GP (HIGH AMBIENT) 327 Y-SEPARATE ILLUSTRATION
  • Page 83COOLING SYSTEM 296-4797 FAN GP-SUCTION S/N: JKH1-UP PART OF 272-4817 ENGINE AR ALSO AN ATTACHMENT SMCS-1356 i02958481 REF GRAPHIC PART NAME SEE NOTE NO REF PART NUMBER QTY 1 2 3 4 5 6 (PRODUCT LEVEL) PAGE 1 1 217-5513 1 FAN (7-BLADE) 2 1 297-7830 1 SPACER 3 1 296-4736 4 BOLT 4 1 8T-4121 4 WASHER-HAR
  • Page 84COOLING SYSTEM 296-4795 LINES GP-WATER S/N: JKH1-UP PART OF 272-4817 ENGINE AR ALSO AN ATTACHMENT SMCS-1355, 1380 i02857243 REF GRAPHIC PART NAME SEE NOTE NO REF PART NUMBER QTY 1 2 3 4 5 6 (PRODUCT LEVEL) PAGE 1 1 5I-7867 1 COVER AS 2 1 154-9024 1 VALVE GP-FLUID SAMPLING (ENGINE COOLANT) 3 1 157-06
  • Page 85COOLING SYSTEM 296-4795 LINES GP-WATER (contd. ) i02857243 GRAPHIC #1 g01415123 SEBP4861-02 2 of 2 COOLING SYSTEM 55
  • Page 86COOLING SYSTEM 296-4655 PUMP GP-WATER S/N: JKH1-UP PART OF 272-4817 ENGINE AR ALSO AN ATTACHMENT SMCS-1361 i02618456 REF GRAPHIC PART NAME SEE NOTE NO REF PART NUMBER QTY 1 2 3 4 5 6 (PRODUCT LEVEL) PAGE 1 1 178-6633 1 PUMP GP-WATER 1A 1 5I-7696 1 FLANGE 1B 1 178-6635 1 SHAFT 1C 1 8T-9598 1 RING-RET
  • Page 87COOLING SYSTEM 296-4655 PUMP GP-WATER (contd. ) i02618456 GRAPHIC #1 g01316735 SEBP4861-02 2 of 2 COOLING SYSTEM 57
  • Page 88COOLING SYSTEM 245-9310 RADIATOR & HYD OIL COOLER GP S/N: CJN1-UP PART OF 279-7748 INSTALLATION AR-ENGINE SMCS-1351 i02791364 REF GRAPHIC PART NAME SEE NOTE NO REF PART NUMBER QTY 1 2 3 4 5 6 (PRODUCT LEVEL) PAGE 1 1 3S-2093 5 STRAP-CABLE 2 1 7K-1181 1 STRAP-CABLE 3 1 8T-4984 1 CLAMP-HOSE 4 1 096-40
  • Page 89COOLING SYSTEM 245-9310 RADIATOR & HYD OIL COOLER GP (contd. ) i02791364 GRAPHIC #1 g01368660 SEBP4861-02 2 of 2 COOLING SYSTEM 59
  • Page 90COOLING SYSTEM 245-9311 RADIATOR & HYD OIL COOLER GP S/N: CJN1-UP PART OF 245-9310 RADIATOR & HYD OIL COOLER GP SMCS-1351 i03129822 REF GRAPHIC PART NAME SEE NOTE NO REF PART NUMBER QTY 1 2 3 4 5 6 (PRODUCT LEVEL) PAGE 1 2 5D-8159 4 PIN AS M 2 1 093-5432 1 VALVE AS-DRAIN (COOLANT) 3 2 096-4035 2 CLI
  • Page 91COOLING SYSTEM 245-9311 RADIATOR & HYD OIL COOLER GP (contd. ) i03129822 GRAPHIC #1 g01610594 SEBP4861-02 2 of 3 COOLING SYSTEM 61
  • Page 92COOLING SYSTEM 245-9311 RADIATOR & HYD OIL COOLER GP (contd. ) i03129822 GRAPHIC #2 g01368653 62 COOLING SYSTEM 3 of 3 SEBP4861-02
  • Page 93AIR INLET AND EXHAUST SYSTEM 255-3033 AIR CLEANER & MOUNTING GP S/N: CJN1-UP PART OF 279-7748 INSTALLATION AR-ENGINE SMCS-1051, 1054, 7452 i02600437 REF GRAPHIC PART NAME SEE NOTE NO REF PART NUMBER QTY 1 2 3 4 5 6 (PRODUCT LEVEL) PAGE Y 1 1 212-8642 1 AIR CLEANER GP 64 2 1 8T-4121 4 WASHER-HARD (11
  • Page 94AIR INLET AND EXHAUST SYSTEM 212-8642 AIR CLEANER GP S/N: CJN1-UP PART OF 255-3033 AIR CLEANER & MOUNTING GP FIELD REPLACEMENT ORDER 310-9663–PAGE 68 SMCS-1051, 1054 i02500668 REF GRAPHIC PART NAME SEE NOTE NO REF PART NUMBER QTY 1 2 3 4 5 6 (PRODUCT LEVEL) PAGE 1 1 135-5786 1 SEAL 2 1 135-5787 1 FI
  • Page 95AIR INLET AND EXHAUST SYSTEM 272-4665 AIR CLEANER GP S/N: CJN1-UP PART OF 260-7076 HOOD AR AN ATTACHMENT TYPE 1 SMCS-1051, 1054 i02752976 REF GRAPHIC PART NAME SEE NOTE NO REF PART NUMBER QTY 1 2 3 4 5 6 (PRODUCT LEVEL) PAGE 1 1 122-1162 1 CLAMP 2 1 130-6857 1 PRECLEANER AS 1 1M-7250 1 BOWL 1 9M-943
  • Page 96AIR INLET AND EXHAUST SYSTEM 272-4665 AIR CLEANER GP S/N: CJN1-UP PART OF 260-7076 HOOD AR AN ATTACHMENT TYPE 2 SMCS-1051, 1054 i03026083 REF GRAPHIC PART NAME SEE NOTE NO REF PART NUMBER QTY 1 2 3 4 5 6 (PRODUCT LEVEL) PAGE 1 1 122-1162 1 CLAMP 2 1 130-6857 1 PRECLEANER AS 1 1M-7250 1 BOWL 1 9M-943
  • Page 97AIR INLET AND EXHAUST SYSTEM 272-4667 AIR CLEANER GP S/N: CJN1-UP PART OF 272-4665 AIR CLEANER GP AN ATTACHMENT SMCS-1051, 1054 i02752979 REF GRAPHIC PART NAME SEE NOTE NO REF PART NUMBER QTY 1 2 3 4 5 6 (PRODUCT LEVEL) PAGE 1 1 152-7217 1 FILTER ELEMENT AS-AIR (PRIMARY) 2 1 152-7219 1 FILTER ELEMEN
  • Page 98AIR INLET AND EXHAUST SYSTEM 310-9663 AIR CLEANER GP S/N: CJN1-UP FIELD REPLACEMENT FOR 212-8642–PAGE 64 SMCS-1051, 1054 i02897538 REF GRAPHIC PART NAME SEE NOTE NO REF PART NUMBER QTY 1 2 3 4 5 6 (PRODUCT LEVEL) PAGE 1 1 135-5787 1 FILTER ELEMENT AS-AIR (SECONDARY) 2 1 135-5788 1 FILTER ELEMENT AS-
  • Page 99AIR INLET AND EXHAUST SYSTEM 310-9675 AIR CLEANER GP S/N: CJN1-UP PART OF 272-4665 AIR CLEANER GP AN ATTACHMENT SMCS-1051, 1054 i03026084 REF GRAPHIC PART NAME SEE NOTE NO REF PART NUMBER QTY 1 2 3 4 5 6 (PRODUCT LEVEL) PAGE 1 1 5L-3233 1 FITTING 2 1 7I-2673 1 STRAP-CABLE 3 1 152-7217 1 FILTER ELEME
  • Page 100AIR INLET AND EXHAUST SYSTEM 245-9312 LINES GP-AIR S/N: CJN1-UP PART OF 279-7748 INSTALLATION AR-ENGINE SMCS-1071 i03097923 REF GRAPHIC PART NAME SEE NOTE NO REF PART NUMBER QTY 1 2 3 4 5 6 (PRODUCT LEVEL) PAGE 1 1 8T-4984 3 CLAMP-HOSE 2 1 8T-6703 1 CLAMP-HOSE 3 1 144-0367 2 CLAMP-HOSE 4 1 265-3494
  • Page 101AIR INLET AND EXHAUST SYSTEM 245-9312 LINES GP-AIR (contd. ) i03097923 GRAPHIC #1 g01454275 SEBP4861-02 2 of 2 AIR INLET AND EXHAUST SYSTEM 71
  • Page 102AIR INLET AND EXHAUST SYSTEM 255-3031 LINES GP-AIR S/N: CJN1-UP PART OF 279-7748 INSTALLATION AR-ENGINE SMCS-1071 i02791363 REF GRAPHIC PART NAME SEE NOTE NO REF PART NUMBER QTY 1 2 3 4 5 6 (PRODUCT LEVEL) PAGE 1 1 144-0367 1 CLAMP-HOSE 2 1 8T-4986 1 CLAMP-HOSE 3 1 305-4961 1 HOSE-AIR 4 1 305-4960 1
  • Page 103AIR INLET AND EXHAUST SYSTEM 255-3036 LINES GP-MUFFLER DRAIN S/N: CJN1-UP PART OF 279-7748 INSTALLATION AR-ENGINE SMCS-1062 i03129908 REF GRAPHIC PART NAME SEE NOTE NO REF PART NUMBER QTY 1 2 3 4 5 6 (PRODUCT LEVEL) PAGE 1 1 279-7784 1 TUBE AS 2 1 171-9073 1 CLIP 3 1 5P-4961 1 CLAMP-HOSE 4 1 8T-4121
  • Page 104AIR INLET AND EXHAUST SYSTEM 296-4791 MANIFOLD GP-EXHAUST S/N: JKH1-UP PART OF 272-4817 ENGINE AR ALSO AN ATTACHMENT SMCS-1059 i02944497 REF GRAPHIC PART NAME SEE NOTE NO REF PART NUMBER QTY 1 2 3 4 5 6 (PRODUCT LEVEL) PAGE 1 1 279-7787 1 MANIFOLD-EXHAUST 2 1 296-4716 2 GASKET M 3 1 178-6554 4 STUD
  • Page 105AIR INLET AND EXHAUST SYSTEM 296-4790 MANIFOLD GP-INLET S/N: JKH1-UP PART OF 272-4817 ENGINE AR ALSO AN ATTACHMENT SMCS-1058, 1090 i03156081 REF GRAPHIC PART NAME SEE NOTE NO REF PART NUMBER QTY 1 2 3 4 5 6 (PRODUCT LEVEL) PAGE 1 1 296-4714 1 GASKET 2 1 096-8490 7 BOLT 3 1 294-1700 11 BOLT (M8X1.25X
  • Page 106AIR INLET AND EXHAUST SYSTEM 305-4926 MUFFLER GP S/N: JKH1-UP PART OF 272-4817 ENGINE AR ALSO AN ATTACHMENT SMCS-1062 i02810372 REF GRAPHIC PART NAME SEE NOTE NO REF PART NUMBER QTY 1 2 3 4 5 6 (PRODUCT LEVEL) PAGE 1 1 305-4925 1 MUFFLER 2 1 212-8583 2 U-BOLT 3 1 296-4718 1 BRACKET 4 1 296-4719 1 BR
  • Page 107AIR INLET AND EXHAUST SYSTEM 305-4926 MUFFLER GP (contd. ) i02810372 GRAPHIC #1 g01402739 SEBP4861-02 2 of 2 AIR INLET AND EXHAUST SYSTEM 77
  • Page 108AIR INLET AND EXHAUST SYSTEM 310-9616 TURBOCHARGER GP S/N: JKH1-UP PART OF 272-4817 ENGINE AR ALSO AN ATTACHMENT SMCS-1052, 1053 i02975850 REF GRAPHIC PART NAME SEE NOTE NO REF PART NUMBER QTY 1 2 3 4 5 6 (PRODUCT LEVEL) PAGE 1 1 5I-7633 8 NUT (M10X1.25-THD) 2 1 5I-7933 1 GASKET Y 3 1 310-9695 1 TUR
  • Page 109AIR INLET AND EXHAUST SYSTEM 310-9695 TURBOCHARGER GP S/N: JKH1-UP PART OF 310-9616 TURBOCHARGER GP ALSO AN ATTACHMENT SMCS-1052, 1053 i02975861 REF GRAPHIC PART NAME SEE NOTE NO REF PART NUMBER QTY 1 2 3 4 5 6 (PRODUCT LEVEL) PAGE 1 1 305-4769 1 CARTRIDGE AS 2 1 5I-7941 1 RING 3 1 5I-8124 1 SEAL 4
  • Page 110FUEL SYSTEM 164-4858 CAP GP-FUEL FILLER–EXTREME SERVICE, LOCKABLE S/N: CJN1-UP PART OF 330-1564, 330-1566, 330-1569, 330-1571 TANK GP-FUEL AN ATTACHMENT SMCS-1273 i02959244 REF GRAPHIC PART NAME SEE NOTE NO REF PART NUMBER QTY 1 2 3 4 5 6 (PRODUCT LEVEL) PAGE 1 1 9X-8600 1 SEAL-O-RING 2 1 190-9775 1
  • Page 111FUEL SYSTEM 296-4794 FILTER GP-FUEL S/N: JKH1-UP PART OF 272-4817 ENGINE AR ALSO AN ATTACHMENT SMCS-1261 i03013641 REF GRAPHIC PART NAME SEE NOTE NO REF PART NUMBER QTY 1 2 3 4 5 6 (PRODUCT LEVEL) PAGE 1 1,2 099-4437 19 GASKET 2 1,2 099-5041 8 BOLT (M14X1.5X27-MM) 3 2 294-1811 2 WASHER 4 1 296-4749
  • Page 112FUEL SYSTEM 296-4794 FILTER GP-FUEL (contd. ) i03013641 GRAPHIC #1 g01433207 82 FUEL SYSTEM 2 of 3 SEBP4861-02
  • Page 113FUEL SYSTEM 296-4794 FILTER GP-FUEL (contd. ) i03013641 GRAPHIC #2 g01433208 SEBP4861-02 3 of 3 FUEL SYSTEM 83
  • Page 114FUEL SYSTEM 174-9570 FILTER GP-WATER SEP & FUEL S/N: CJN1-UP PART OF 262-2261 LINES GP-FUEL SMCS-1261, 1263 i03181950 REF GRAPHIC PART NAME SEE NOTE NO REF PART NUMBER QTY 1 2 3 4 5 6 (PRODUCT LEVEL) PAGE 1 1 326-1644 1 FILTER AS-WATER SEP & FUEL (PRIMARY) 1A 1 220-8678 1 SEAL-RING (FUEL, WATER SEPA
  • Page 115FUEL SYSTEM 295-9140 INJECTOR GP-FUEL S/N: JKH1-UP PART OF 310-9608 INJECTOR GP-FUEL ALSO AN ATTACHMENT SMCS-1251, 1254, 1290, 1713 i02809826 PART NAME SEE NOTE PART NUMBER QTY 1 2 3 4 5 6 (PRODUCT LEVEL) PAGE (NO SERVICED PARTS) SEBP4861-02 FUEL SYSTEM 85
  • Page 116FUEL SYSTEM 310-9608 INJECTOR GP-FUEL S/N: JKH1-UP PART OF 272-4817 ENGINE AR ALSO AN ATTACHMENT SMCS-1251, 1254, 1290, 1713 i02830586 REF GRAPHIC PART NAME SEE NOTE NO REF PART NUMBER QTY 1 2 3 4 5 6 (PRODUCT LEVEL) PAGE Y 1 1 295-9140 4 INJECTOR GP-FUEL 85 2 1 294-1796 4 WASHER-SPECIAL 3 1 294-180
  • Page 117FUEL SYSTEM 262-2261 LINES GP-FUEL S/N: CJN1-UP PART OF 260-6960 CHASSIS AR SMCS-1274 i02791361 REF GRAPHIC PART NAME SEE NOTE NO REF PART NUMBER QTY 1 2 3 4 5 6 (PRODUCT LEVEL) PAGE 1 2 4I-0379 1 VALVE-MANUAL (DRAIN, FUEL TANK) 2 2 5P-7175 1 FITTING-STRAIGHT 3 2 7Y-8167 1 GROMMET 4 2 7Y-8170 1 GROM
  • Page 118FUEL SYSTEM 262-2261 LINES GP-FUEL (contd. ) i02791361 GRAPHIC #1 g01409667 88 FUEL SYSTEM 2 of 3 SEBP4861-02
  • Page 119FUEL SYSTEM 262-2261 LINES GP-FUEL (contd. ) i02791361 GRAPHIC #2 g01409670 SEBP4861-02 3 of 3 FUEL SYSTEM 89
  • Page 120FUEL SYSTEM 296-4793 LINES GP-FUEL INJECTION S/N: JKH1-UP PART OF 272-4817 ENGINE AR ALSO AN ATTACHMENT SMCS-1252, 1254 i02944413 REF GRAPHIC PART NAME SEE NOTE NO REF PART NUMBER QTY 1 2 3 4 5 6 (PRODUCT LEVEL) PAGE 1 1 294-1788 4 SEAL 2 1 096-9260 4 BOLT AS 3 1 296-4740 1 PIPE 4 1 311-6631 1 RAIL
  • Page 121FUEL SYSTEM 296-4793 LINES GP-FUEL INJECTION (contd. ) i02944413 GRAPHIC #1 g01414737 SEBP4861-02 2 of 2 FUEL SYSTEM 91
  • Page 122FUEL SYSTEM 305-4680 PUMP & MTG GP-FUEL TRANSFER S/N: JKH1-UP PART OF 272-4817 ENGINE AR ALSO AN ATTACHMENT SMCS-1256 i02879720 REF GRAPHIC PART NAME SEE NOTE NO REF PART NUMBER QTY 1 2 3 4 5 6 (PRODUCT LEVEL) PAGE R 1 1 295-9127 1 PUMP GP-FUEL INJECTION (INCLUDES TRANSFER PUMP) 1A 1 238-0120 1 SENS
  • Page 123FUEL SYSTEM 260-7007 PUMP AR-FUEL TRANSFER S/N: CJN1-UP AN ATTACHMENT SMCS-1256 i03134069 PART NAME SEE NOTE PART NUMBER QTY 1 2 3 4 5 6 (PRODUCT LEVEL) PAGE Y 301-2573 1 FILM GP (FUEL TRANSFER PUMP) 1090 Y 260-7094 1 PUMP GP-FUEL TRANSFER 94 Y 262-2269 1 TANK & MTG GP-FUEL 100 Y 259-5175 1 WIRING G
  • Page 124FUEL SYSTEM 260-7094 PUMP GP-FUEL TRANSFER S/N: CJN1-UP PART OF 260-7007 PUMP AR-FUEL TRANSFER AN ATTACHMENT TYPE 1 SMCS-1256 i02767950 REF GRAPHIC PART NAME SEE NOTE NO REF PART NUMBER QTY 1 2 3 4 5 6 (PRODUCT LEVEL) PAGE 1 1 2S-3440 4 CLAMP-HOSE Y 2 1 5C-6108 1 SWITCH GP-REFUELING (FUEL TANK SHUTO
  • Page 125FUEL SYSTEM 260-7094 PUMP GP-FUEL TRANSFER (contd. ) i02767950 GRAPHIC #1 g01387889 SEBP4861-02 2 of 2 FUEL SYSTEM 95
  • Page 126FUEL SYSTEM 260-7094 PUMP GP-FUEL TRANSFER S/N: CJN1-UP PART OF 260-7007, 330-8780 PUMP AR-FUEL TRANSFER AN ATTACHMENT TYPE 2 SMCS-1256 i03134144 REF GRAPHIC PART NAME SEE NOTE NO REF PART NUMBER QTY 1 2 3 4 5 6 (PRODUCT LEVEL) PAGE 1 1 2S-3440 4 CLAMP-HOSE C 2 1 312-2645 1 SWITCH AS-LIQUID LEVEL (F
  • Page 127FUEL SYSTEM 260-7094 PUMP GP-FUEL TRANSFER (contd. ) i03134144 GRAPHIC #1 g01620072 SEBP4861-02 2 of 2 FUEL SYSTEM 97
  • Page 128FUEL SYSTEM 271-2158 PUMP GP-FUEL TRANSFER S/N: CJN1-UP PART OF 260-7094 PUMP GP-FUEL TRANSFER AN ATTACHMENT SMCS-1256 i02767955 REF GRAPHIC PART NAME SEE NOTE NO REF PART NUMBER QTY 1 2 3 4 5 6 (PRODUCT LEVEL) PAGE 1 1 9W-0852 3 PIN-CONNECTOR (14-GA) 2 1 243-4506 1 RECEPTACLE AS-CONNECTOR (3-PIN) 3
  • Page 129FUEL SYSTEM 262-2259 TANK & MTG GP-FUEL S/N: CJN1-UP PART OF 260-6960 CHASSIS AR SMCS-1273 i02599546 REF GRAPHIC PART NAME SEE NOTE NO REF PART NUMBER QTY 1 2 3 4 5 6 (PRODUCT LEVEL) PAGE 1 1 246-2641 1 PADLOCK GP 1 5P-8500 1 KEY Y 2 1 262-2260 1 TANK GP-FUEL 103 3 1 085-9310 4 SPACER (16.6X32X26-MM
  • Page 130FUEL SYSTEM 262-2269 TANK & MTG GP-FUEL S/N: CJN1-UP PART OF 260-7007 PUMP AR-FUEL TRANSFER AN ATTACHMENT SMCS-1273 i02767963 REF GRAPHIC PART NAME SEE NOTE NO REF PART NUMBER QTY 1 2 3 4 5 6 (PRODUCT LEVEL) PAGE Y 1 1 262-2270 1 TANK GP-FUEL 103 Y-SEPARATE ILLUSTRATION GRAPHIC #1 g01408976 10
  • Page 131FUEL SYSTEM 330-1562 TANK & MTG GP-FUEL S/N: CJN1-UP PART OF 330-8780 PUMP AR-FUEL TRANSFER AN ATTACHMENT SMCS-1273 i03146889 REF GRAPHIC PART NAME SEE NOTE NO REF PART NUMBER QTY 1 2 3 4 5 6 (PRODUCT LEVEL) PAGE Y 1 1 330-1568 1 TANK GP-FUEL 117 Y-SEPARATE ILLUSTRATION GRAPHIC #1 g01620194 SE
  • Page 132FUEL SYSTEM 333-5084 TANK & MTG GP-FUEL S/N: CJN1-UP PART OF 330-1324 MIRROR GP AN ATTACHMENT SMCS-1273 i03148160 REF GRAPHIC PART NAME SEE NOTE NO REF PART NUMBER QTY 1 2 3 4 5 6 (PRODUCT LEVEL) PAGE 1 1 246-2641 1 PADLOCK GP 1 5P-8500 1 KEY Y 2 1 330-1563 1 TANK GP-FUEL 112 3 1 085-9310 4 SPACER (
  • Page 133FUEL SYSTEM 262-2260 TANK GP-FUEL S/N: CJN1-UP 300-L (79.3-US GAL) PART OF 262-2259 TANK & MTG GP-FUEL SMCS-1273 i02599548 PART NAME SEE NOTE PART NUMBER QTY 1 2 3 4 5 6 (PRODUCT LEVEL) PAGE Y 278-3711 1 TANK GP-FUEL 104 –OR– Y 278-3712 1 TANK GP-FUEL 106 Y-SEPARATE ILLUSTRATION 262-2270 TANK
  • Page 134FUEL SYSTEM 278-3711 TANK GP-FUEL S/N: CJN1-UP 300-L (79.3-US GAL) PART OF 262-2260 TANK GP-FUEL SMCS-1273 i02868803 REF GRAPHIC PART NAME SEE NOTE NO REF PART NUMBER QTY 1 2 3 4 5 6 (PRODUCT LEVEL) PAGE 1 1 4I-0378 1 GASKET-RUBBER 2 1 5P-4924 1 ELBOW 3 1 164-4858 1 CAP GP-FUEL FILLER (EXTREME SERVI
  • Page 135FUEL SYSTEM 278-3711 TANK GP-FUEL (contd. ) i02868803 GRAPHIC #1 g01447134 SEBP4861-02 2 of 2 FUEL SYSTEM 105
  • Page 136FUEL SYSTEM 278-3712 TANK GP-FUEL S/N: CJN1-UP 300-L (79.3-US GAL) PART OF 262-2260 TANK GP-FUEL SMCS-1273 i02868832 REF GRAPHIC PART NAME SEE NOTE NO REF PART NUMBER QTY 1 2 3 4 5 6 (PRODUCT LEVEL) PAGE 1 1 4I-0378 1 GASKET-RUBBER 2 1 5P-4924 1 ELBOW 3 1 164-4858 1 CAP GP-FUEL FILLER (EXTREME SERVI
  • Page 137FUEL SYSTEM 278-3712 TANK GP-FUEL (contd. ) i02868832 GRAPHIC #1 g01447136 SEBP4861-02 2 of 2 FUEL SYSTEM 107
  • Page 138FUEL SYSTEM 278-3715 TANK GP-FUEL S/N: CJN1-UP 300-L (79.3-US GAL) PART OF 262-2270 TANK GP-FUEL AN ATTACHMENT SMCS-1273 i02862846 REF GRAPHIC PART NAME SEE NOTE NO REF PART NUMBER QTY 1 2 3 4 5 6 (PRODUCT LEVEL) PAGE 1 1 4I-0378 1 GASKET-RUBBER 2 1 5P-4924 1 ELBOW 3 1 164-4858 1 CAP GP-FUEL FILLER
  • Page 139FUEL SYSTEM 278-3715 TANK GP-FUEL (contd. ) i02862846 GRAPHIC #1 g01426805 SEBP4861-02 2 of 2 FUEL SYSTEM 109
  • Page 140FUEL SYSTEM 278-3720 TANK GP-FUEL S/N: CJN1-UP 300-L (79.3-US GAL) PART OF 262-2270 TANK GP-FUEL AN ATTACHMENT SMCS-1273 i02864403 REF GRAPHIC PART NAME SEE NOTE NO REF PART NUMBER QTY 1 2 3 4 5 6 (PRODUCT LEVEL) PAGE 1 1 4I-0378 1 GASKET-RUBBER 2 1 5P-4924 1 ELBOW 3 1 164-4858 1 CAP GP-FUEL FILLER
  • Page 141FUEL SYSTEM 278-3720 TANK GP-FUEL (contd. ) i02864403 GRAPHIC #1 g01426706 SEBP4861-02 2 of 2 FUEL SYSTEM 111
  • Page 142FUEL SYSTEM 330-1563 TANK GP-FUEL S/N: CJN1-UP 300-L (79.3-US GAL) PART OF 333-5084 TANK & MTG GP-FUEL AN ATTACHMENT SMCS-1273 i03148240 PART NAME SEE NOTE PART NUMBER QTY 1 2 3 4 5 6 (PRODUCT LEVEL) PAGE Y 330-1564 1 TANK GP-FUEL 113 –OR– Y 330-1566 1 TANK GP-FUEL 115 Y-SEPARATE ILLUSTRATION
  • Page 143FUEL SYSTEM 330-1564 TANK GP-FUEL S/N: CJN1-UP 300-L (79.3-US GAL) PART OF 330-1563 TANK GP-FUEL AN ATTACHMENT SMCS-1273 i03243260 REF GRAPHIC PART NAME SEE NOTE NO REF PART NUMBER QTY 1 2 3 4 5 6 (PRODUCT LEVEL) PAGE 1 1 4I-0378 1 GASKET-RUBBER 2 1 5P-4924 1 ELBOW 3 1 003-7764 1 END-HOSE 4 1 128-44
  • Page 144FUEL SYSTEM 330-1564 TANK GP-FUEL (contd. ) i03243260 GRAPHIC #1 g01622025 114 FUEL SYSTEM 2 of 2 SEBP4861-02
  • Page 145FUEL SYSTEM 330-1566 TANK GP-FUEL S/N: CJN1-UP 300-L (79.3-US GAL) PART OF 330-1563 TANK GP-FUEL AN ATTACHMENT SMCS-1273 i03243257 REF GRAPHIC PART NAME SEE NOTE NO REF PART NUMBER QTY 1 2 3 4 5 6 (PRODUCT LEVEL) PAGE 1 1 4I-0378 1 GASKET-RUBBER 2 1 5P-4924 1 ELBOW 3 1 003-7764 1 END-HOSE 4 1 128-44
  • Page 146FUEL SYSTEM 330-1566 TANK GP-FUEL (contd. ) i03243257 GRAPHIC #1 g01622034 116 FUEL SYSTEM 2 of 2 SEBP4861-02
  • Page 147FUEL SYSTEM 330-1568 TANK GP-FUEL S/N: CJN1-UP 300-L (79.3-US GAL) PART OF 330-1562 TANK & MTG GP-FUEL AN ATTACHMENT SMCS-1273 i03146915 PART NAME SEE NOTE PART NUMBER QTY 1 2 3 4 5 6 (PRODUCT LEVEL) PAGE Y 330-1569 1 TANK GP-FUEL 118 –OR– Y 330-1571 1 TANK GP-FUEL 120 Y-SEPARATE ILLUSTRATION
  • Page 148FUEL SYSTEM 330-1569 TANK GP-FUEL S/N: CJN1-UP 300-L (79.3-US GAL) PART OF 330-1568 TANK GP-FUEL AN ATTACHMENT SMCS-1273 i03243255 REF GRAPHIC PART NAME SEE NOTE NO REF PART NUMBER QTY 1 2 3 4 5 6 (PRODUCT LEVEL) PAGE 1 1 4I-0378 1 GASKET-RUBBER 2 1 5P-4924 1 ELBOW 3 1 003-7764 1 END-HOSE 4 1 128-44
  • Page 149FUEL SYSTEM 330-1569 TANK GP-FUEL (contd. ) i03243255 GRAPHIC #1 g01622038 SEBP4861-02 2 of 2 FUEL SYSTEM 119
  • Page 150FUEL SYSTEM 330-1571 TANK GP-FUEL S/N: CJN1-UP 300-L (79.3-US GAL) PART OF 330-1568 TANK GP-FUEL AN ATTACHMENT SMCS-1273 i03243253 REF GRAPHIC PART NAME SEE NOTE NO REF PART NUMBER QTY 1 2 3 4 5 6 (PRODUCT LEVEL) PAGE 1 1 4I-0378 1 GASKET-RUBBER 2 1 5P-4924 1 ELBOW 3 1 003-7764 1 END-HOSE 4 1 128-44
  • Page 151FUEL SYSTEM 330-1571 TANK GP-FUEL (contd. ) i03243253 GRAPHIC #1 g01622037 SEBP4861-02 2 of 2 FUEL SYSTEM 121
  • Page 152FUEL SYSTEM 298-3147 VALVE GP-FUEL SHUTOFF S/N: CJN1-UP PART OF 262-2261 LINES GP-FUEL SMCS-1273 i02750485 REF GRAPHIC PART NAME SEE NOTE NO REF PART NUMBER QTY 1 2 3 4 5 6 (PRODUCT LEVEL) PAGE 1 1 298-3257 1 STOP 2 1 298-3258 1 LEVER M 3 1 260-6692 1 NUT (M5X0.8-THD) 4 1 3J-1907 1 SEAL-O-RING 5 1 8
  • Page 153ELECTRICAL AND STARTING SYSTEM 132-1829 ALARM GP S/N: CJN1-UP 24-VOLT PART OF 259-5161 WIRING GP-CAB SMCS-7400, 7402, 7407 i03254766 REF GRAPHIC PART NAME SEE NOTE NO REF PART NUMBER QTY 1 2 3 4 5 6 (PRODUCT LEVEL) PAGE 1 1 102-8802 1 KIT-RECEPTACLE (2-PIN) (INCLUDES RECEPTACLE AS & WEDGE) 2 1 186-3
  • Page 154ELECTRICAL AND STARTING SYSTEM 231-1771 ALARM GP-TRAVEL S/N: CJN1-UP AN ATTACHMENT SMCS-7429 i02693231 REF GRAPHIC PART NAME SEE NOTE NO REF PART NUMBER QTY 1 2 3 4 5 6 (PRODUCT LEVEL) PAGE 1 1 213-9100 1 ALARM GP BD 1 5P-5623 WIRE-ELECTRICAL (16-GA, BLACK) 1 102-8802 1 KIT-RECEPTACLE (2-PIN) (INCLU
  • Page 155ELECTRICAL AND STARTING SYSTEM 125-2994 ALTERNATOR GP-CHARGING S/N: JKH1-UP PART OF 296-4798 MOUNTING GP-ALTERNATOR ALSO AN ATTACHMENT SMCS-1405 i02182383 REF GRAPHIC PART NAME SEE NOTE NO REF PART NUMBER QTY 1 2 3 4 5 6 (PRODUCT LEVEL) PAGE 1 1 135-2382 1 NUT SET 2 1 125-2995 1 PULLEY AS 3 1 5I-798
  • Page 156ELECTRICAL AND STARTING SYSTEM 125-2994 ALTERNATOR GP-CHARGING (contd. ) i02182383 GRAPHIC #1 g00287948 126 ELECTRICAL AND STARTING SYSTEM 2 of 2 SEBP4861-02
  • Page 157ELECTRICAL AND STARTING SYSTEM 259-5159 BATTERY & WIRING GP S/N: CJN1-161 PART OF 260-6960 CHASSIS AR SMCS-1401, 1402, 1408 i02599528 REF GRAPHIC PART NAME SEE NOTE NO REF PART NUMBER QTY 1 2 3 4 5 6 (PRODUCT LEVEL) PAGE 1 1,2,3,4 3S-2093 44 STRAP-CABLE 2 2 3T-5760 2 BATTERY (12-VOLT, MAINTENANCE FR
  • Page 158ELECTRICAL AND STARTING SYSTEM 259-5159 BATTERY & WIRING GP (contd. ) i02599528 REF GRAPHIC PART NAME SEE NOTE NO REF PART NUMBER QTY 1 2 3 4 5 6 (PRODUCT LEVEL) PAGE 35 2,3,4 4P-7581 11 CLIP M 36 2,3 5C-7261 2 NUT (M8X1.25-THD) M 37 2 5C-7883 4 BOLT-SOCKET HEAD (M6X1X16-MM) 38 2,3 6D-4246 5 CLIP 39
  • Page 159ELECTRICAL AND STARTING SYSTEM 259-5159 BATTERY & WIRING GP (contd. ) i02599528 GRAPHIC #1 g01387325 SEBP4861-02 3 of 6 ELECTRICAL AND STARTING SYSTEM 129
  • Page 160ELECTRICAL AND STARTING SYSTEM 259-5159 BATTERY & WIRING GP (contd. ) i02599528 GRAPHIC #2 g01387326 130 ELECTRICAL AND STARTING SYSTEM 4 of 6 SEBP4861-02
  • Page 161ELECTRICAL AND STARTING SYSTEM 259-5159 BATTERY & WIRING GP (contd. ) i02599528 GRAPHIC #3 g01387327 SEBP4861-02 5 of 6 ELECTRICAL AND STARTING SYSTEM 131
  • Page 162ELECTRICAL AND STARTING SYSTEM 259-5159 BATTERY & WIRING GP (contd. ) i02599528 GRAPHIC #4 g01391535 132 ELECTRICAL AND STARTING SYSTEM 6 of 6 SEBP4861-02
  • Page 163ELECTRICAL AND STARTING SYSTEM 259-5159 BATTERY & WIRING GP S/N: CJN162-UP PART OF 260-6960 CHASSIS AR SMCS-1401, 1402, 1408 i03022065 REF GRAPHIC PART NAME SEE NOTE NO REF PART NUMBER QTY 1 2 3 4 5 6 (PRODUCT LEVEL) PAGE C 1 1,2,3,4 3S-2093 40 STRAP-CABLE 2 2 3T-5760 2 BATTERY (12-VOLT, MAINTENANCE
  • Page 164ELECTRICAL AND STARTING SYSTEM 259-5159 BATTERY & WIRING GP (contd. ) i03022065 REF GRAPHIC PART NAME SEE NOTE NO REF PART NUMBER QTY 1 2 3 4 5 6 (PRODUCT LEVEL) PAGE 35 2,3,4 4P-7581 11 CLIP CM 36 2 5C-7261 1 NUT (M8X1.25-THD) M 37 2 5C-7883 4 BOLT-SOCKET HEAD (M6X1X16-MM) 38 2,3 6D-4246 5 CLIP 39
  • Page 165ELECTRICAL AND STARTING SYSTEM 259-5159 BATTERY & WIRING GP (contd. ) i03022065 GRAPHIC #1 g01494413 SEBP4861-02 3 of 6 ELECTRICAL AND STARTING SYSTEM 135
  • Page 166ELECTRICAL AND STARTING SYSTEM 259-5159 BATTERY & WIRING GP (contd. ) i03022065 GRAPHIC #2 g01387326 136 ELECTRICAL AND STARTING SYSTEM 4 of 6 SEBP4861-02
  • Page 167ELECTRICAL AND STARTING SYSTEM 259-5159 BATTERY & WIRING GP (contd. ) i03022065 GRAPHIC #3 g01494433 SEBP4861-02 5 of 6 ELECTRICAL AND STARTING SYSTEM 137
  • Page 168ELECTRICAL AND STARTING SYSTEM 259-5159 BATTERY & WIRING GP (contd. ) i03022065 GRAPHIC #4 g01494453 138 ELECTRICAL AND STARTING SYSTEM 6 of 6 SEBP4861-02
  • Page 169ELECTRICAL AND STARTING SYSTEM 259-5050 BATTERY GP–COLD WEATHER S/N: CJN1-UP AN ATTACHMENT SMCS-1401 i02419977 REF GRAPHIC PART NAME SEE NOTE NO REF PART NUMBER QTY 1 2 3 4 5 6 (PRODUCT LEVEL) PAGE 1 1 102-5420 1 FILM-INSTRUCTION (COLD WEATHER) 2 1 9X-3404 2 BATTERY (12-VOLT, MAINTENANCE FREE, WET)
  • Page 170ELECTRICAL AND STARTING SYSTEM 124-5814 BLOCK GP-JUNCTION S/N: CJN1-UP PART OF 259-5166 WIRING GP-AUX START RECEPTACLE AN ATTACHMENT SMCS-7426 i02760068 REF GRAPHIC PART NAME SEE NOTE NO REF PART NUMBER QTY 1 2 3 4 5 6 (PRODUCT LEVEL) PAGE 1 1 8C-6358 1 BLOCK GP-JUNCTION (BATTERY) 1 1D-5117 3 NUT-JA
  • Page 171ELECTRICAL AND STARTING SYSTEM 327-3329 CAMERA & MOUNTING GP S/N: CJN1-UP PART OF 330-8753 INSTALLATION AR AN ATTACHMENT SMCS-7348 i03114041 REF GRAPHIC PART NAME SEE NOTE NO REF PART NUMBER QTY 1 2 3 4 5 6 (PRODUCT LEVEL) PAGE Y 1 1 313-7833 1 CAMERA GP (WITH MOUNTING) 143 2 1 320-5396 1 COVER 3 1
  • Page 172ELECTRICAL AND STARTING SYSTEM 286-4271 CAMERA GP S/N: CJN1-UP PART OF 313-7833 CAMERA GP AN ATTACHMENT SMCS-7348 i02957535 REF GRAPHIC PART NAME SEE NOTE NO REF PART NUMBER QTY 1 2 3 4 5 6 (PRODUCT LEVEL) PAGE AVAILABLE REPAIR KIT(S): 251-4162 1 KIT-BRACKET (CAMERA) (KIT INCLUDES BRACKET, BOLTS, LO
  • Page 173ELECTRICAL AND STARTING SYSTEM 313-7833 CAMERA GP S/N: CJN1-UP PART OF 327-3329 CAMERA & MOUNTING GP AN ATTACHMENT SMCS-7348 i03045209 REF GRAPHIC PART NAME SEE NOTE NO REF PART NUMBER QTY 1 2 3 4 5 6 (PRODUCT LEVEL) PAGE 1 1 096-0061 1 STRAP-CABLE Y 2 1 286-4271 1 CAMERA GP 142 3 1 320-5392 1 BRACK
  • Page 174ELECTRICAL AND STARTING SYSTEM 313-7833 CAMERA GP (contd. ) i03045209 GRAPHIC #1 g01515863 144 ELECTRICAL AND STARTING SYSTEM 2 of 2 SEBP4861-02
  • Page 175ELECTRICAL AND STARTING SYSTEM 247-5284 CONTROL & MTG GP-COMMUNICATION–PRODUCT LINK S/N: CJN1-UP PART OF 260-7072 INSTALLATION AR-COMMUNICATION AN ATTACHMENT SMCS-7606 i02518472 REF GRAPHIC PART NAME SEE NOTE NO REF PART NUMBER QTY 1 2 3 4 5 6 (PRODUCT LEVEL) PAGE 1 1 8C-5608 4 SPACER (6.5X9.5X25.4-
  • Page 176ELECTRICAL AND STARTING SYSTEM 309-5842 CONTROL & MTG GP-COMMUNICATION– PRODUCT LINK 321SR S/N: CJN1-UP PART OF 301-2590 INSTALLATION AR-COMMUNICATION AN ATTACHMENT SMCS-7606 i02898031 REF GRAPHIC PART NAME SEE NOTE NO REF PART NUMBER QTY 1 2 3 4 5 6 (PRODUCT LEVEL) PAGE 1 1 8C-5608 4 SPACER (6.5X9.
  • Page 177ELECTRICAL AND STARTING SYSTEM 319-4258 CONTROL & MTG GP-COMMUNICATION– PRODUCT LINK 121SR S/N: CJN1-UP PART OF 301-2586, 301-2590 INSTALLATION AR-COMMUNICATION AN ATTACHMENT SMCS-7606 i02942604 REF GRAPHIC PART NAME SEE NOTE NO REF PART NUMBER QTY 1 2 3 4 5 6 (PRODUCT LEVEL) PAGE 1 1 3S-2093 4 STRA
  • Page 178ELECTRICAL AND STARTING SYSTEM 319-4258 CONTROL & MTG GP-COMMUNICATION (contd. ) i02942604 GRAPHIC #1 g01457050 148 ELECTRICAL AND STARTING SYSTEM 2 of 2 SEBP4861-02
  • Page 179ELECTRICAL AND STARTING SYSTEM 296-4800 CONTROL & MTG GP-ENGINE ELEK S/N: JKH1-UP PART OF 272-4817 ENGINE AR ALSO AN ATTACHMENT SMCS-1901 i02710566 REF GRAPHIC PART NAME SEE NOTE NO REF PART NUMBER QTY 1 2 3 4 5 6 (PRODUCT LEVEL) PAGE 1 1 296-4761 1 BRACKET 2 1 296-4762 3 BOLT 3 1 294-1775 2 BOLT (M
  • Page 180ELECTRICAL AND STARTING SYSTEM 221-8872 CONTROL & MTG GP-MACHINE S/N: CJN1-UP PART OF 259-7193 OPERATOR AR SMCS-1931, 7600 i02348301 REF GRAPHIC PART NAME SEE NOTE NO REF PART NUMBER QTY 1 2 3 4 5 6 (PRODUCT LEVEL) PAGE 1 1 221-8874 1 CONTROL GP-UNPROGRAMMED M 2 1 9X-2480 4 BOLT (M6X1X45-MM) 3 1 9X-
  • Page 181ELECTRICAL AND STARTING SYSTEM 263-9088 CONTROL GP-COMMUNICATION–PRODUCT LINK 121SR S/N: CJN1-UP PART OF 319-4258 CONTROL & MTG GP-COMMUNICATION, 270-5604 MOUNTING GP-CONTROL AN ATTACHMENT SMCS-7606, 7610, 7620 i03135906 PART NAME SEE NOTE PART NUMBER QTY 1 2 3 4 5 6 (PRODUCT LEVEL) PAGE 330-3408 1
  • Page 182ELECTRICAL AND STARTING SYSTEM 239-9954 CONTROL GP-UNPROGRAMMED S/N: CJN1-UP COMMUNICATION PART OF 247-5284 CONTROL & MTG GP-COMMUNICATION AN ATTACHMENT SMCS-7610 i02418848 REF GRAPHIC PART NAME SEE NOTE NO REF PART NUMBER QTY 1 2 3 4 5 6 (PRODUCT LEVEL) PAGE 1 1 7X-6315 1 STRAP AS-GROUND 2 1 126-75
  • Page 183ELECTRICAL AND STARTING SYSTEM 262-1421 ELECTRONICS GP-COMMUNICATION– PRODUCT LINK 300 S/N: CJN1-UP PART OF 309-5842 CONTROL & MTG GP-COMMUNICATION AN ATTACHMENT SMCS-7606, 7610, 7620 i03136107 PART NAME SEE NOTE PART NUMBER QTY 1 2 3 4 5 6 (PRODUCT LEVEL) PAGE 330-3409 1 SOFTWARE GP-COMMUNICATION (
  • Page 184ELECTRICAL AND STARTING SYSTEM 290-9444 ELECTRONICS GP-MACHINE S/N: CJN1-UP PART OF 260-6952 GENERAL AR SMCS-7610, 7620 i02942677 PART NAME SEE NOTE PART NUMBER QTY 1 2 3 4 5 6 (PRODUCT LEVEL) PAGE 319-4306 1 SOFTWARE GP-MACHINE –OR– 319-4307 1 SERVICE GP-MACHINE (OPTIONAL SERVICE REPLACEMENT) (INCL
  • Page 185ELECTRICAL AND STARTING SYSTEM 259-5173 FASTENER GP-WIRING HARNESS– CONTROL PATTERN CHANGE, 2-WAY S/N: CJN1-UP PART OF 259-7577 VALVE AR-ALT PATTERN CONTROL AN ATTACHMENT SMCS-1408, 7553 i02724691 REF GRAPHIC PART NAME SEE NOTE NO REF PART NUMBER QTY 1 2 3 4 5 6 (PRODUCT LEVEL) PAGE 1 1 3S-2093 2 ST
  • Page 186ELECTRICAL AND STARTING SYSTEM 259-5293 FASTENER GP-WIRING HARNESS–PEDAL CONTROL S/N: CJN1-UP PART OF 255-5845 PEDAL AR-AUXILIARY AN ATTACHMENT SMCS-1408, 7553 i02527277 REF GRAPHIC PART NAME SEE NOTE NO REF PART NUMBER QTY 1 2 3 4 5 6 (PRODUCT LEVEL) PAGE 1 1 116-0118 1 CLIP M 2 1 7X-2621 1 BOLT (M
  • Page 187ELECTRICAL AND STARTING SYSTEM 259-5294 FASTENER GP-WIRING HARNESS–FOOT SWITCH S/N: CJN1-UP PART OF 270-6106 CONTROL AR-AUXILIARY AN ATTACHMENT SMCS-1408, 7553 i02430270 REF GRAPHIC PART NAME SEE NOTE NO REF PART NUMBER QTY 1 2 3 4 5 6 (PRODUCT LEVEL) PAGE 1 1 116-0118 1 CLIP M 2 1 7X-2621 1 BOLT (M
  • Page 188ELECTRICAL AND STARTING SYSTEM 259-5295 FASTENER GP-WIRING HARNESS–JOYSTICK S/N: CJN1-UP PART OF 255-5843, 255-5844 CONTROL AR-AUXILIARY AN ATTACHMENT SMCS-1408, 7553 i02425705 REF GRAPHIC PART NAME SEE NOTE NO REF PART NUMBER QTY 1 2 3 4 5 6 (PRODUCT LEVEL) PAGE 1 1 3S-2093 2 STRAP-CABLE GRAPHIC #1
  • Page 189ELECTRICAL AND STARTING SYSTEM 328-0078 FASTENER GP-WIRING HARNESS– WORK AREA VISUAL SYSTEM, REAR S/N: CJN1-UP PART OF 330-8753 INSTALLATION AR AN ATTACHMENT SMCS-1408, 7553 i03146562 REF GRAPHIC PART NAME SEE NOTE NO REF PART NUMBER QTY 1 2 3 4 5 6 (PRODUCT LEVEL) PAGE 1 1 3S-2093 16 STRAP-CABLE 2
  • Page 190ELECTRICAL AND STARTING SYSTEM 260-7072 INSTALLATION AR-COMMUNICATION– PRODUCT LINK 321SR S/N: CJN1-UP AN ATTACHMENT SMCS-7606 i02753028 PART NAME SEE NOTE PART NUMBER QTY 1 2 3 4 5 6 (PRODUCT LEVEL) PAGE Y 247-5284 1 CONTROL & MTG GP-COMMUNICATION 145 (PRODUCT LINK 300) Y 262-2043 1 ELECTRONICS GP-
  • Page 191ELECTRICAL AND STARTING SYSTEM 227-7581 INSTALLATION GP-SECURITY S/N: CJN1-UP AN ATTACHMENT SMCS-7631 i02397785 REF GRAPHIC PART NAME SEE NOTE NO REF PART NUMBER QTY 1 2 3 4 5 6 (PRODUCT LEVEL) PAGE 1 1 8C-5607 4 MOUNT-ISOLATION 2 1 8C-5608 2 SPACER (6.5X9.5X25.4-MM THK) 3 1 206-5162 2 KEY AS-ELECTR
  • Page 192ELECTRICAL AND STARTING SYSTEM 227-7581 INSTALLATION GP-SECURITY (contd. ) i02397785 GRAPHIC #1 g01196691 162 ELECTRICAL AND STARTING SYSTEM 2 of 2 SEBP4861-02
  • Page 193ELECTRICAL AND STARTING SYSTEM 291-7701 KIT-BRACKET–PRODUCT LINK 121SR, 321SR S/N: CJN1-UP PROVIDES MOUNTING PARTS FOR PRODUCT LINK SYSTEM FIELD INSTALLATION SMCS-0635, 7606 i02595811 PART NAME SEE NOTE PART NUMBER QTY 1 2 3 4 5 6 (PRODUCT LEVEL) PAGE M 8T-4171 1 BOLT (M6X1X12-MM) M 8T-4190 1 BOLT (
  • Page 194ELECTRICAL AND STARTING SYSTEM 153-2521 LAMP GP-FLOOD S/N: CJN1-UP 24-VOLT PART OF 259-5163, 291-7730 LIGHTING GP-FLOOD AN ATTACHMENT SMCS-1434 i02743410 REF GRAPHIC PART NAME SEE NOTE NO REF PART NUMBER QTY 1 2 3 4 5 6 (PRODUCT LEVEL) PAGE M 1 1 6V-5210 2 SCREW-MACHINE (M4X0.7X10-MM) 2 1 3B-4501 2
  • Page 195ELECTRICAL AND STARTING SYSTEM 153-2523 LAMP GP-FLOOD S/N: CJN1-UP 24-VOLT PART OF 4I-5409 LIGHTING GP-CHASSIS SMCS-1434 i02724687 REF GRAPHIC PART NAME SEE NOTE NO REF PART NUMBER QTY 1 2 3 4 5 6 (PRODUCT LEVEL) PAGE M 1 1 6V-5210 2 SCREW-MACHINE (M4X0.7X10-MM) 2 1 3B-4501 2 LOCKWASHER 3 1 9X-3463
  • Page 196ELECTRICAL AND STARTING SYSTEM 167-3441 LAMP GP-FLOOD S/N: CJN1-UP PART OF 163-6772, 238-1627 LIGHTING GP-FLOOD AN ATTACHMENT SMCS-1434 i01823005 REF GRAPHIC PART NAME SEE NOTE NO REF PART NUMBER QTY 1 2 3 4 5 6 (PRODUCT LEVEL) PAGE 1 1 9X-3463 1 LAMP-HALOGEN (24-VOLT, 65-WATT) GRAPHIC #1 g006
  • Page 197ELECTRICAL AND STARTING SYSTEM 4I-5409 LIGHTING GP-CHASSIS–FRONT, RH S/N: CJN1-UP PART OF 260-6960 CHASSIS AR SMCS-1429 i01097714 REF GRAPHIC PART NAME SEE NOTE NO REF PART NUMBER QTY 1 2 3 4 5 6 (PRODUCT LEVEL) PAGE Y 1 1 153-2523 1 LAMP GP-FLOOD 165 Y-SEPARATE ILLUSTRATION GRAPHIC #1 g005885
  • Page 198ELECTRICAL AND STARTING SYSTEM 163-6772 LIGHTING GP-FLOOD–CAB S/N: CJN1-UP AN ATTACHMENT SMCS-1434 i02075362 REF GRAPHIC PART NAME SEE NOTE NO REF PART NUMBER QTY 1 2 3 4 5 6 (PRODUCT LEVEL) PAGE 1 1 163-6814 1 COVER (RH) 2 1 163-6813 1 COVER (LH) M 3 1 8T-4970 4 BOLT (M6X1X14-MM) 4 1 9X-8256 12 WAS
  • Page 199ELECTRICAL AND STARTING SYSTEM 163-6772 LIGHTING GP-FLOOD (contd. ) i02075362 GRAPHIC #1 g01062205 SEBP4861-02 2 of 2 ELECTRICAL AND STARTING SYSTEM 169
  • Page 200ELECTRICAL AND STARTING SYSTEM 170-9294 LIGHTING GP-FLOOD–CAB GUARD S/N: CJN1-UP AN ATTACHMENT SMCS-1434 i02259861 REF GRAPHIC PART NAME SEE NOTE NO REF PART NUMBER QTY 1 2 3 4 5 6 (PRODUCT LEVEL) PAGE 1 1 183-1035 2 LAMP GP-FLOOD (EACH INCLUDES) 1 9X-3463 1 LAMP-HALOGEN (24-VOLT, 65-WATT) 2 1 163-6
  • Page 201ELECTRICAL AND STARTING SYSTEM 238-1627 LIGHTING GP-FLOOD–CAB S/N: CJN1-UP AN ATTACHMENT SMCS-1434 i02602026 REF GRAPHIC PART NAME SEE NOTE NO REF PART NUMBER QTY 1 2 3 4 5 6 (PRODUCT LEVEL) PAGE 1 1 3S-2093 1 STRAP-CABLE 2 1 163-6704 1 TIMER AS (TIME DELAY LIGHTING) 1 102-8802 1 KIT-RECEPTACLE (2-P
  • Page 202ELECTRICAL AND STARTING SYSTEM 238-1627 LIGHTING GP-FLOOD (contd. ) i02602026 GRAPHIC #1 g01310977 172 ELECTRICAL AND STARTING SYSTEM 2 of 2 SEBP4861-02
  • Page 203ELECTRICAL AND STARTING SYSTEM 238-1628 LIGHTING GP-FLOOD–CAB GUARD S/N: CJN1-UP AN ATTACHMENT SMCS-1434 i03130082 REF GRAPHIC PART NAME SEE NOTE NO REF PART NUMBER QTY 1 2 3 4 5 6 (PRODUCT LEVEL) PAGE 1 1 3S-2093 1 STRAP-CABLE 2 1 163-6704 1 TIMER AS (TIME DELAY LIGHTING) 1 186-3735 5 PIN-CONNECTOR
  • Page 204ELECTRICAL AND STARTING SYSTEM 238-1628 LIGHTING GP-FLOOD (contd. ) i03130082 GRAPHIC #1 g01620741 174 ELECTRICAL AND STARTING SYSTEM 2 of 2 SEBP4861-02
  • Page 205ELECTRICAL AND STARTING SYSTEM 259-5163 LIGHTING GP-FLOOD–BOOM, LH S/N: CJN1-UP PART OF 330-8777 BOOM AR, 260-6979, 283-9001, 301-2575 BOOM AR-1 PIECE LONG, 301-2479, 301-2517 SPECIAL AR AN ATTACHMENT SMCS-1434 i02855090 REF GRAPHIC PART NAME SEE NOTE NO REF PART NUMBER QTY 1 2 3 4 5 6 (PRODUCT LEVE
  • Page 206ELECTRICAL AND STARTING SYSTEM 291-7730 LIGHTING GP-FLOOD–BOOM, RH S/N: CJN1-UP AN ATTACHMENT SMCS-1434 i02855091 REF GRAPHIC PART NAME SEE NOTE NO REF PART NUMBER QTY 1 2 3 4 5 6 (PRODUCT LEVEL) PAGE 1 1 7I-2673 2 STRAP-CABLE 2 1 111-4836 2 CLIP 3 1 134-3284 1 BRACKET Y 4 1 153-2521 1 LAMP GP-FLOOD
  • Page 207ELECTRICAL AND STARTING SYSTEM 270-5604 MOUNTING GP-CONTROL–PRODUCT LINK 121SR S/N: CJN1-UP PART OF 260-7072 INSTALLATION AR-COMMUNICATION AN ATTACHMENT SMCS-1901 i02753053 REF GRAPHIC PART NAME SEE NOTE NO REF PART NUMBER QTY 1 2 3 4 5 6 (PRODUCT LEVEL) PAGE 1 1 3S-2093 4 STRAP-CABLE 2 1 7K-1181 4
  • Page 208ELECTRICAL AND STARTING SYSTEM 270-5604 MOUNTING GP-CONTROL (contd. ) i02753053 GRAPHIC #1 g01386479 178 ELECTRICAL AND STARTING SYSTEM 2 of 2 SEBP4861-02
  • Page 209ELECTRICAL AND STARTING SYSTEM 297-4468 MOUNTING GP-SENSOR– BODY TILT SENSOR, GPS RECEIVER S/N: CJN1-UP PART OF 301-2479, 330-8775 SPECIAL AR AN ATTACHMENT SMCS-1439, 1923, 1924 i02840333 REF GRAPHIC PART NAME SEE NOTE NO REF PART NUMBER QTY 1 2 3 4 5 6 (PRODUCT LEVEL) PAGE 1 1 297-4478 1 PLATE M 2
  • Page 210ELECTRICAL AND STARTING SYSTEM 275-6926 PANEL & MTG GP-CIRCUIT BREAKER S/N: CJN1-307 PART OF 259-7193 OPERATOR AR SMCS-1417, 1420 i02599644 REF GRAPHIC PART NAME SEE NOTE NO REF PART NUMBER QTY 1 2 3 4 5 6 (PRODUCT LEVEL) PAGE Y 1 1 275-6927 1 PANEL GP-CIRCUIT BREAKER 181 2 1 8T-4121 4 WASHER-HARD (
  • Page 211ELECTRICAL AND STARTING SYSTEM 275-6927 PANEL GP-CIRCUIT BREAKER S/N: CJN1-307 PART OF 275-6926 PANEL & MTG GP-CIRCUIT BREAKER SMCS-1417 i02854822 REF GRAPHIC PART NAME SEE NOTE NO REF PART NUMBER QTY 1 2 3 4 5 6 (PRODUCT LEVEL) PAGE 1 1 3E-8320 1 PLATE-INSTRUCTION (BATTERY) Y 2 1 7N-0718 1 SWITCH G
  • Page 212ELECTRICAL AND STARTING SYSTEM 275-6927 PANEL GP-CIRCUIT BREAKER (contd. ) i02854822 GRAPHIC #1 g01312077 182 ELECTRICAL AND STARTING SYSTEM 2 of 2 SEBP4861-02
  • Page 213ELECTRICAL AND STARTING SYSTEM 251-0542 PANEL GP-SWITCH–ENGINE SPEED, START S/N: CJN1-UP CONSOLE CANNOT BE USED WITH 251-0544–PAGE 187 AN ATTACHMENT TYPE 1 SMCS-1408, 1429, 7332, 7451 i02742287 REF GRAPHIC PART NAME SEE NOTE NO REF PART NUMBER QTY 1 2 3 4 5 6 (PRODUCT LEVEL) PAGE 1 1 3S-2093 4 STRAP
  • Page 214ELECTRICAL AND STARTING SYSTEM 251-0542 PANEL GP-SWITCH (contd. ) i02742287 GRAPHIC #1 g01112022 184 ELECTRICAL AND STARTING SYSTEM 2 of 2 SEBP4861-02
  • Page 215ELECTRICAL AND STARTING SYSTEM 251-0542 PANEL GP-SWITCH–ENGINE SPEED, START S/N: CJN1-UP CONSOLE CANNOT BE USED WITH 251-0544–PAGE 187 AN ATTACHMENT TYPE 2 SMCS-1408, 1429, 7332, 7451 i03098161 REF GRAPHIC PART NAME SEE NOTE NO REF PART NUMBER QTY 1 2 3 4 5 6 (PRODUCT LEVEL) PAGE 1 1 3S-2093 4 STRAP
  • Page 216ELECTRICAL AND STARTING SYSTEM 251-0542 PANEL GP-SWITCH (contd. ) i03098161 GRAPHIC #1 g01112022 186 ELECTRICAL AND STARTING SYSTEM 2 of 2 SEBP4861-02
  • Page 217ELECTRICAL AND STARTING SYSTEM 251-0544 PANEL GP-SWITCH–ENGINE SPEED, START S/N: CJN1-UP PART OF 227-7581 INSTALLATION GP-SECURITY AN ATTACHMENT TYPE 1 SMCS-1408, 1429, 7332, 7451 i02742288 REF GRAPHIC PART NAME SEE NOTE NO REF PART NUMBER QTY 1 2 3 4 5 6 (PRODUCT LEVEL) PAGE 1 1 3S-2093 5 STRAP-CAB
  • Page 218ELECTRICAL AND STARTING SYSTEM 251-0544 PANEL GP-SWITCH (contd. ) i02742288 GRAPHIC #1 g01123869 188 ELECTRICAL AND STARTING SYSTEM 2 of 2 SEBP4861-02
  • Page 219ELECTRICAL AND STARTING SYSTEM 251-0544 PANEL GP-SWITCH–ENGINE SPEED, START S/N: CJN1-UP PART OF 227-7581 INSTALLATION GP-SECURITY AN ATTACHMENT TYPE 2 SMCS-1408, 1429, 7332, 7451 i03115847 REF GRAPHIC PART NAME SEE NOTE NO REF PART NUMBER QTY 1 2 3 4 5 6 (PRODUCT LEVEL) PAGE 1 1 3S-2093 5 STRAP-CAB
  • Page 220ELECTRICAL AND STARTING SYSTEM 251-0544 PANEL GP-SWITCH (contd. ) i03115847 GRAPHIC #1 g01123869 190 ELECTRICAL AND STARTING SYSTEM 2 of 2 SEBP4861-02
  • Page 221ELECTRICAL AND STARTING SYSTEM 297-4469 SENSOR & MTG GP-POSITION–BOOM S/N: CJN1-UP PART OF 301-2479, 301-2517, 330-8775 SPECIAL AR AN ATTACHMENT SMCS-5736 i02840334 REF GRAPHIC PART NAME SEE NOTE NO REF PART NUMBER QTY 1 2 3 4 5 6 (PRODUCT LEVEL) PAGE Y 1 1 169-0417 1 SENSOR GP-POSITION (BOOM) 197 2
  • Page 222ELECTRICAL AND STARTING SYSTEM 297-4470 SENSOR & MTG GP-POSITION–STICK S/N: CJN1-UP PART OF 330-8777 BOOM AR, 301-2479, 301-2517 SPECIAL AR AN ATTACHMENT SMCS-5736 i02840336 REF GRAPHIC PART NAME SEE NOTE NO REF PART NUMBER QTY 1 2 3 4 5 6 (PRODUCT LEVEL) PAGE Y 1 1 169-0417 1 SENSOR GP-POSITION (ST
  • Page 223ELECTRICAL AND STARTING SYSTEM 296-4802 SENSOR GP-ENGINE S/N: JKH1-UP PART OF 272-4817 ENGINE AR ALSO AN ATTACHMENT SMCS-1000, 1906, 1907, 1924, 7422 i02710546 REF GRAPHIC PART NAME SEE NOTE NO REF PART NUMBER QTY 1 2 3 4 5 6 (PRODUCT LEVEL) PAGE 1 1 238-0112 1 SENSOR GP-TEMPERATURE (AIR INLET) 1A 1
  • Page 224ELECTRICAL AND STARTING SYSTEM 296-4802 SENSOR GP-ENGINE (contd. ) i02710546 GRAPHIC #1 g01403837 194 ELECTRICAL AND STARTING SYSTEM 2 of 2 SEBP4861-02
  • Page 225ELECTRICAL AND STARTING SYSTEM 178-2345 SENSOR GP-LIQUID LEVEL–WATER IN FUEL S/N: CJN1-UP PART OF 255-3050 SENSOR GP-LIQUID LEVEL AN ATTACHMENT SMCS-7422 i03195620 REF GRAPHIC PART NAME SEE NOTE NO REF PART NUMBER QTY 1 2 3 4 5 6 (PRODUCT LEVEL) PAGE 1 1 178-2334 1 PROBE AS-LIQUID LEVEL (WATER SEPAR
  • Page 226ELECTRICAL AND STARTING SYSTEM 255-3050 SENSOR GP-LIQUID LEVEL–WATER SEPARATOR S/N: CJN1-UP AN ATTACHMENT SMCS-7422 i02855094 REF GRAPHIC PART NAME SEE NOTE NO REF PART NUMBER QTY 1 2 3 4 5 6 (PRODUCT LEVEL) PAGE 1 1 3S-2093 2 STRAP-CABLE Y 2 1 178-2345 1 SENSOR GP-LIQUID LEVEL (WATER IN FUEL) 195 3
  • Page 227ELECTRICAL AND STARTING SYSTEM 169-0417 SENSOR GP-POSITION S/N: CJN1-UP PART OF 297-4469, 297-4470 SENSOR & MTG GP-POSITION AN ATTACHMENT SMCS-5737 i02846101 REF GRAPHIC PART NAME SEE NOTE NO REF PART NUMBER QTY 1 2 3 4 5 6 (PRODUCT LEVEL) PAGE 2 1 102-8803 1 KIT-RECEPTACLE (3-PIN) (INCLUDES RECEPTA
  • Page 228ELECTRICAL AND STARTING SYSTEM 272-4774 STARTING MOTOR GP-ELECTRIC S/N: JKH1-UP PART OF 296-4637 MOUNTING GP-STARTING MOTOR ALSO AN ATTACHMENT SMCS-1453 i02646437 REF GRAPHIC PART NAME SEE NOTE NO REF PART NUMBER QTY 1 2 3 4 5 6 (PRODUCT LEVEL) PAGE 1 1 127-5947 1 SETSCREW C 2 1 294-1855 1 BRACKET A
  • Page 229ELECTRICAL AND STARTING SYSTEM 272-4774 STARTING MOTOR GP-ELECTRIC (contd. ) i02646437 GRAPHIC #1 g01219448 SEBP4861-02 2 of 2 ELECTRICAL AND STARTING SYSTEM 199
  • Page 230ELECTRICAL AND STARTING SYSTEM 7N-0718 SWITCH GP-DISCONNECT–BATTERY S/N: CJN1-307 PART OF 275-6927 PANEL GP-CIRCUIT BREAKER SMCS-1411 i01213345 REF GRAPHIC PART NAME SEE NOTE NO REF PART NUMBER QTY 1 2 3 4 5 6 (PRODUCT LEVEL) PAGE 1 1 2H-3922 2 LOCKWASHER 2 1 8H-5303 1 NUT (3/4-16-THD) 3 1 9F-5644 2
  • Page 231ELECTRICAL AND STARTING SYSTEM 223-7577 SWITCH GP-MAGNETIC–AIR INLET HEATER RELAY S/N: JKH1-UP 24 VOLT PART OF 296-4801 WIRING GP-ELECTRONIC CONTROL ALSO AN ATTACHMENT SMCS-7499 i02953207 REF GRAPHIC PART NAME SEE NOTE NO REF PART NUMBER QTY 1 2 3 4 5 6 (PRODUCT LEVEL) PAGE 1 1 209-5582 1 SWITCH GP-
  • Page 232ELECTRICAL AND STARTING SYSTEM 259-5274 SWITCH GP-MAGNETIC–START RELAY S/N: CJN1-307 PART OF 275-6927 PANEL GP-CIRCUIT BREAKER SMCS-7499 i02420131 REF GRAPHIC PART NAME SEE NOTE NO REF PART NUMBER QTY 1 2 3 4 5 6 (PRODUCT LEVEL) PAGE 1 1 102-8802 1 KIT-RECEPTACLE (2-PIN) (INCLUDES RECEPTACLE AS & WE
  • Page 233ELECTRICAL AND STARTING SYSTEM 234-6613 SWITCH GP-POSITION–HYDRAULIC LOCKOUT S/N: CJN1-UP PART OF 259-7349 CONSOLE GP-OPERATOR SMCS-1408, 1435 i02175053 REF GRAPHIC PART NAME SEE NOTE NO REF PART NUMBER QTY 1 2 3 4 5 6 (PRODUCT LEVEL) PAGE 1 1 3S-2093 1 STRAP-CABLE 2 1 4I-3038 2 WASHER (3.3X8X0.5-MM
  • Page 234ELECTRICAL AND STARTING SYSTEM 5C-6108 SWITCH GP-REFUELING–FUEL TANK SHUTOFF S/N: CJN1-UP PART OF 260-7094 PUMP GP-FUEL TRANSFER AN ATTACHMENT SMCS-1295 i02742303 REF GRAPHIC PART NAME SEE NOTE NO REF PART NUMBER QTY 1 2 3 4 5 6 (PRODUCT LEVEL) PAGE 1 1 8J-9236 1 SWITCH (LIQUID LEVEL) (FUEL) 2 1 5C-
  • Page 235ELECTRICAL AND STARTING SYSTEM 106-0107 SWITCH GP-ROTARY–THROTTLE POSITION S/N: CJN1-UP PART OF 251-0542, 251-0544 PANEL GP-SWITCH AN ATTACHMENT SMCS-7332 i02164374 REF GRAPHIC PART NAME SEE NOTE NO REF PART NUMBER QTY 1 2 3 4 5 6 (PRODUCT LEVEL) PAGE 1 1 102-8805 1 KIT-RECEPTACLE (6-PIN) (INCLUDES
  • Page 236ELECTRICAL AND STARTING SYSTEM 319-4420 SWITCH GP-ROTARY–THROTTLE POSITION S/N: CJN1-UP PART OF 251-0542, 251-0544 PANEL GP-SWITCH AN ATTACHMENT SMCS-7332 i03105700 REF GRAPHIC PART NAME SEE NOTE NO REF PART NUMBER QTY 1 2 3 4 5 6 (PRODUCT LEVEL) PAGE 1 1 243-4508 1 RECEPTACLE AS-CONNECTOR (6-PIN) 2
  • Page 237ELECTRICAL AND STARTING SYSTEM 9G-7641 SWITCH GP-START–ENGINE, KEY S/N: CJN1-UP PART OF 251-0542, 251-0544 PANEL GP-SWITCH AN ATTACHMENT SMCS-1416 i01101254 REF GRAPHIC PART NAME SEE NOTE NO REF PART NUMBER QTY 1 2 3 4 5 6 (PRODUCT LEVEL) PAGE 1 1 6V-8362 4 SCREW-MACHINE (8-32X0.31-IN) 2 1 9B-7233 4
  • Page 238ELECTRICAL AND STARTING SYSTEM 238-2478 SWITCH GP-TOGGLE–QUICK COUPLER S/N: CJN1-UP PART OF 238-2485 WIRING GP-QUICK COUPLER AN ATTACHMENT SMCS-7332 i02518014 REF GRAPHIC PART NAME SEE NOTE NO REF PART NUMBER QTY 1 2 3 4 5 6 (PRODUCT LEVEL) PAGE 1 1 7N-2353 1 SWITCH AS-TOGGLE (QUICK COUPLER) 2 1 238
  • Page 239ELECTRICAL AND STARTING SYSTEM 238-2208 SWITCH GP-WIPER–LOWER S/N: CJN1-UP PART OF 273-5388 WIPER AR-WINDOW AN ATTACHMENT SMCS-7305 i02971621 REF GRAPHIC PART NAME SEE NOTE NO REF PART NUMBER QTY 1 2 3 4 5 6 (PRODUCT LEVEL) PAGE 1 1 238-2209 1 SWITCH AS-ROCKER (WIPER, LOWER) 1 167-3542 1 CONNECTOR-R
  • Page 240ELECTRICAL AND STARTING SYSTEM 259-5166 WIRING GP-AUX START RECEPTACLE–JUMP START S/N: CJN1-UP AN ATTACHMENT SMCS-1408, 1463 i02752944 REF GRAPHIC PART NAME SEE NOTE NO REF PART NUMBER QTY 1 2 3 4 5 6 (PRODUCT LEVEL) PAGE 1 1 8N-0869 1 COVER-TERMINAL (RED) 2 1 8S-2634 1 COVER AS 3 1 9S-9015 1 RECEPT
  • Page 241ELECTRICAL AND STARTING SYSTEM 259-5166 WIRING GP-AUX START RECEPTACLE (contd. ) i02752944 GRAPHIC #1 g01381918 SEBP4861-02 2 of 2 ELECTRICAL AND STARTING SYSTEM 211
  • Page 242ELECTRICAL AND STARTING SYSTEM 259-5168 WIRING GP-AUXILIARY CONTROL– SYSTEM 23, COMBINED FUNCTION S/N: CJN1-UP PART OF 270-5751 CONTROL AR-AUXILIARY AN ATTACHMENT SMCS-1408 i02995331 REF GRAPHIC PART NAME SEE NOTE NO REF PART NUMBER QTY 1 2 3 4 5 6 (PRODUCT LEVEL) PAGE 1 1 3S-2093 18 STRAP-CABLE M 2
  • Page 243ELECTRICAL AND STARTING SYSTEM 259-5168 WIRING GP-AUXILIARY CONTROL (contd. ) i02995331 GRAPHIC #1 g01560047 SEBP4861-02 2 of 2 ELECTRICAL AND STARTING SYSTEM 213
  • Page 244ELECTRICAL AND STARTING SYSTEM 259-5169 WIRING GP-AUXILIARY CONTROL– SYSTEM 20, WORK TOOL PRIORITY S/N: CJN1-UP PART OF 259-7557 CONTROL AR-AUXILIARY AN ATTACHMENT SMCS-1408 i02995333 REF GRAPHIC PART NAME SEE NOTE NO REF PART NUMBER QTY 1 2 3 4 5 6 (PRODUCT LEVEL) PAGE 1 1 3S-2093 27 STRAP-CABLE 2
  • Page 245ELECTRICAL AND STARTING SYSTEM 259-5169 WIRING GP-AUXILIARY CONTROL (contd. ) i02995333 GRAPHIC #1 g01582195 SEBP4861-02 2 of 2 ELECTRICAL AND STARTING SYSTEM 215
  • Page 246ELECTRICAL AND STARTING SYSTEM 259-5161 WIRING GP-CAB S/N: CJN1-UP PART OF 259-7193 OPERATOR AR SMCS-1408, 7301 i02853579 REF GRAPHIC PART NAME SEE NOTE NO REF PART NUMBER QTY 1 2 3 4 5 6 (PRODUCT LEVEL) PAGE 1 3,4 3S-2093 10 STRAP-CABLE 2 4 7Y-5505 2 SPEAKER AS (EACH INCLUDES) 4 7Y-3951 2 TERMINAL
  • Page 247ELECTRICAL AND STARTING SYSTEM 259-5161 WIRING GP-CAB (contd. ) i02853579 REF GRAPHIC PART NAME SEE NOTE NO REF PART NUMBER QTY 1 2 3 4 5 6 (PRODUCT LEVEL) PAGE 1 121-1168 1 CONNECTOR-RECEPTACLE 1 153-2602 5 CONNECTOR-RECEPTACLE 1 9W-1951 1 RECEPTACLE-CONNECTOR (9-PIN) 1 8C-6354 1 CAP-RECEPTACLE 1 5
  • Page 248ELECTRICAL AND STARTING SYSTEM 259-5161 WIRING GP-CAB (contd. ) i02853579 GRAPHIC #1 g01398279 218 ELECTRICAL AND STARTING SYSTEM 3 of 6 SEBP4861-02
  • Page 249ELECTRICAL AND STARTING SYSTEM 259-5161 WIRING GP-CAB (contd. ) i02853579 GRAPHIC #2 g01398365 SEBP4861-02 4 of 6 ELECTRICAL AND STARTING SYSTEM 219
  • Page 250ELECTRICAL AND STARTING SYSTEM 259-5161 WIRING GP-CAB (contd. ) i02853579 GRAPHIC #3 g01398416 220 ELECTRICAL AND STARTING SYSTEM 5 of 6 SEBP4861-02
  • Page 251ELECTRICAL AND STARTING SYSTEM 259-5161 WIRING GP-CAB (contd. ) i02853579 GRAPHIC #4 g01302137 SEBP4861-02 6 of 6 ELECTRICAL AND STARTING SYSTEM 221
  • Page 252ELECTRICAL AND STARTING SYSTEM 259-5165 WIRING GP-CAB–SYSTEM 20, WORK TOOL PRIORITY S/N: CJN1-UP PART OF 259-7557 CONTROL AR-AUXILIARY AN ATTACHMENT SMCS-1408, 7301 i02747389 REF GRAPHIC PART NAME SEE NOTE NO REF PART NUMBER QTY 1 2 3 4 5 6 (PRODUCT LEVEL) PAGE 1 1 3S-2093 7 STRAP-CABLE 2 1 7K-1181
  • Page 253ELECTRICAL AND STARTING SYSTEM 267-7642 WIRING GP-CAB–COUPLER S/N: CJN1-UP PART OF 268-7253 CONTROL AR-COUPLER AN ATTACHMENT SMCS-1408, 7301 i02706844 REF GRAPHIC PART NAME SEE NOTE NO REF PART NUMBER QTY 1 2 3 4 5 6 (PRODUCT LEVEL) PAGE 1 1 7K-1181 13 STRAP-CABLE 2 1 149-5050 1 RELAY (24-VOLT) (QUI
  • Page 254ELECTRICAL AND STARTING SYSTEM 267-7642 WIRING GP-CAB (contd. ) i02706844 GRAPHIC #1 g01235651 224 ELECTRICAL AND STARTING SYSTEM 2 of 2 SEBP4861-02
  • Page 255ELECTRICAL AND STARTING SYSTEM 299-2697 WIRING GP-CAB–ACCUGRADE READY S/N: CJN1-UP PART OF 301-2479, 301-2517, 330-8775 SPECIAL AR AN ATTACHMENT SMCS-1408, 7301 i02840817 REF GRAPHIC PART NAME SEE NOTE NO REF PART NUMBER QTY 1 2 3 4 5 6 (PRODUCT LEVEL) PAGE 1 2 3S-2093 9 STRAP-CABLE 2 2 7K-1181 22 S
  • Page 256ELECTRICAL AND STARTING SYSTEM 299-2697 WIRING GP-CAB (contd. ) i02840817 GRAPHIC #2 g01421083 226 ELECTRICAL AND STARTING SYSTEM 2 of 2 SEBP4861-02
  • Page 257ELECTRICAL AND STARTING SYSTEM 328-0048 WIRING GP-CAB–REAR VISION CAMERA S/N: CJN1-UP PART OF 330-8753 INSTALLATION AR AN ATTACHMENT SMCS-1408, 7301 i03114038 REF GRAPHIC PART NAME SEE NOTE NO REF PART NUMBER QTY 1 2 3 4 5 6 (PRODUCT LEVEL) PAGE 1 1 3S-2093 13 STRAP-CABLE 2 1 7K-1181 16 STRAP-CABLE
  • Page 258ELECTRICAL AND STARTING SYSTEM 299-2696 WIRING GP-CHASSIS–ACCUGRADE READY S/N: CJN1-UP PART OF 301-2479, 301-2517, 330-8775 SPECIAL AR AN ATTACHMENT SMCS-1408 i03036045 REF GRAPHIC PART NAME SEE NOTE NO REF PART NUMBER QTY 1 2 3 4 5 6 (PRODUCT LEVEL) PAGE 1 2 3S-2093 28 STRAP-CABLE 2 2 7K-1181 41 ST
  • Page 259ELECTRICAL AND STARTING SYSTEM 299-2696 WIRING GP-CHASSIS (contd. ) i03036045 GRAPHIC #2 g01622258 SEBP4861-02 2 of 2 ELECTRICAL AND STARTING SYSTEM 229
  • Page 260ELECTRICAL AND STARTING SYSTEM 275-6880 WIRING GP-COMMUNICATION–PRODUCT LINK 321SR S/N: CJN1-UP PART OF 260-7072, 301-2590 INSTALLATION AR-COMMUNICATION AN ATTACHMENT SMCS-1408 i02753051 REF GRAPHIC PART NAME SEE NOTE NO REF PART NUMBER QTY 1 2 3 4 5 6 (PRODUCT LEVEL) PAGE 1 1 4I-7889 1 SPACER (11X2
  • Page 261ELECTRICAL AND STARTING SYSTEM 275-6880 WIRING GP-COMMUNICATION (contd. ) i02753051 GRAPHIC #1 g01384150 SEBP4861-02 2 of 2 ELECTRICAL AND STARTING SYSTEM 231
  • Page 262ELECTRICAL AND STARTING SYSTEM 275-6881 WIRING GP-COMMUNICATION–PRODUCT LINK 121SR S/N: CJN1-UP PART OF 301-2586 INSTALLATION AR-COMMUNICATION AN ATTACHMENT SMCS-1408 i02765577 REF GRAPHIC PART NAME SEE NOTE NO REF PART NUMBER QTY 1 2 3 4 5 6 (PRODUCT LEVEL) PAGE 1 1 4I-7889 1 SPACER (11X25X45-MM TH
  • Page 263ELECTRICAL AND STARTING SYSTEM 283-2761 WIRING GP-COMMUNICATION S/N: CJN1-UP AN ATTACHMENT SMCS-1408 i03084913 REF GRAPHIC PART NAME SEE NOTE NO REF PART NUMBER QTY 1 2 3 4 5 6 (PRODUCT LEVEL) PAGE 1 1 3S-2093 3 STRAP-CABLE 2 1 4I-7889 1 SPACER (11X25X45-MM THK) 3 1 7K-1181 10 STRAP-CABLE 4 1 116-01
  • Page 264ELECTRICAL AND STARTING SYSTEM 283-2761 WIRING GP-COMMUNICATION (contd. ) i03084913 GRAPHIC #1 g01571474 234 ELECTRICAL AND STARTING SYSTEM 2 of 2 SEBP4861-02
  • Page 265ELECTRICAL AND STARTING SYSTEM 231-1836 WIRING GP-CONSOLE–LH S/N: CJN1-UP PART OF 251-0433 WIRING GP-CONSOLE SMCS-1408 i02348297 REF GRAPHIC PART NAME SEE NOTE NO REF PART NUMBER QTY 1 2 3 4 5 6 (PRODUCT LEVEL) PAGE 1 1 3S-2093 2 STRAP-CABLE 2 1 7K-1181 1 STRAP-CABLE 3 1 163-6795 2 STRAP-CABLE 4 1 2
  • Page 266ELECTRICAL AND STARTING SYSTEM 251-0433 WIRING GP-CONSOLE S/N: CJN1-UP PART OF 259-7193 OPERATOR AR SMCS-1408 i02706845 PART NAME SEE NOTE PART NUMBER QTY 1 2 3 4 5 6 (PRODUCT LEVEL) PAGE Y 231-1836 1 WIRING GP-CONSOLE (LH) 235 Y 251-0435 1 WIRING GP-CONSOLE (RH) 237 Y-SEPARATE ILLUSTRATION 23
  • Page 267ELECTRICAL AND STARTING SYSTEM 251-0435 WIRING GP-CONSOLE–RH S/N: CJN1-UP PART OF 251-0433 WIRING GP-CONSOLE SMCS-1408 i02553916 REF GRAPHIC PART NAME SEE NOTE NO REF PART NUMBER QTY 1 2 3 4 5 6 (PRODUCT LEVEL) PAGE 1 1 3S-2093 3 STRAP-CABLE 2 1 7K-1181 1 STRAP-CABLE 3 1 283-3074 1 SWITCH AS-TOGGLE
  • Page 268ELECTRICAL AND STARTING SYSTEM 251-0435 WIRING GP-CONSOLE (contd. ) i02553916 GRAPHIC #1 g01231684 238 ELECTRICAL AND STARTING SYSTEM 2 of 2 SEBP4861-02
  • Page 269ELECTRICAL AND STARTING SYSTEM 275-6883 WIRING GP-CONVERTER S/N: CJN1-UP 12-VOLT, 7-AMPERE CANNOT BE USED WITH 275-6884–PAGE 241 AN ATTACHMENT SMCS-1421 i02636485 REF GRAPHIC PART NAME SEE NOTE NO REF PART NUMBER QTY 1 2 3 4 5 6 (PRODUCT LEVEL) PAGE 1 1 7K-1181 2 STRAP-CABLE 2 1 121-0987 1 SOCKET (1
  • Page 270ELECTRICAL AND STARTING SYSTEM 275-6883 WIRING GP-CONVERTER (contd. ) i02636485 GRAPHIC #1 g01313257 240 ELECTRICAL AND STARTING SYSTEM 2 of 2 SEBP4861-02
  • Page 271ELECTRICAL AND STARTING SYSTEM 275-6884 WIRING GP-CONVERTER S/N: CJN1-UP 12-VOLT, 7-AMPERE (2X) CANNOT BE USED WITH 275-6883–PAGE 239 AN ATTACHMENT SMCS-1421 i02598627 REF GRAPHIC PART NAME SEE NOTE NO REF PART NUMBER QTY 1 2 3 4 5 6 (PRODUCT LEVEL) PAGE 1 1 121-0987 2 SOCKET (12-VOLT, 7-AMPERE) 2 1
  • Page 272ELECTRICAL AND STARTING SYSTEM 296-4801 WIRING GP-ELECTRONIC CONTROL S/N: JKH1-UP PART OF 272-4817 ENGINE AR ALSO AN ATTACHMENT SMCS-1408 i03021485 REF GRAPHIC PART NAME SEE NOTE NO REF PART NUMBER QTY 1 2 3 4 5 6 (PRODUCT LEVEL) PAGE 1 1 310-9688 1 HARNESS AS-ENGINE 2 1 296-4618 1 SPACER 3 1 296-46
  • Page 273ELECTRICAL AND STARTING SYSTEM 296-4801 WIRING GP-ELECTRONIC CONTROL (contd. ) i03021485 GRAPHIC #1 g01414753 SEBP4861-02 2 of 3 ELECTRICAL AND STARTING SYSTEM 243
  • Page 274ELECTRICAL AND STARTING SYSTEM 296-4801 WIRING GP-ELECTRONIC CONTROL (contd. ) i03021485 GRAPHIC #2 g01414579 244 ELECTRICAL AND STARTING SYSTEM 3 of 3 SEBP4861-02
  • Page 275ELECTRICAL AND STARTING SYSTEM 267-7849 WIRING GP-FINE SWING S/N: CJN1-UP PART OF 260-7075 VALVE AR-SWING AN ATTACHMENT SMCS-1408 i02752928 REF GRAPHIC PART NAME SEE NOTE NO REF PART NUMBER QTY 1 2 3 4 5 6 (PRODUCT LEVEL) PAGE 1 1 3S-2093 1 STRAP-CABLE 2 1 111-4836 3 CLIP 3 1 116-0118 1 CLIP 4 1 238
  • Page 276ELECTRICAL AND STARTING SYSTEM 259-5175 WIRING GP-FUEL PUMP–REFUELING PUMP S/N: CJN1-UP PART OF 260-7007 PUMP AR-FUEL TRANSFER AN ATTACHMENT TYPE 1 SMCS-1256, 1258, 1408 i02767942 REF GRAPHIC PART NAME SEE NOTE NO REF PART NUMBER QTY 1 2 3 4 5 6 (PRODUCT LEVEL) PAGE 1 1 3S-2093 9 STRAP-CABLE 2 1 7K-
  • Page 277ELECTRICAL AND STARTING SYSTEM 259-5175 WIRING GP-FUEL PUMP–REFUELING PUMP S/N: CJN1-UP PART OF 260-7007, 330-8780 PUMP AR-FUEL TRANSFER AN ATTACHMENT TYPE 2 SMCS-1256, 1258, 1408 i03088422 REF GRAPHIC PART NAME SEE NOTE NO REF PART NUMBER QTY 1 2 3 4 5 6 (PRODUCT LEVEL) PAGE 1 1 3S-2093 9 STRAP-CAB
  • Page 278ELECTRICAL AND STARTING SYSTEM 299-2698 WIRING GP-GRADE CONTROL–ACCUGRADE, BOOM S/N: CJN1-UP PART OF 301-2479, 301-2517, 330-8775 SPECIAL AR AN ATTACHMENT SMCS-1408, 7220 i02840819 REF GRAPHIC PART NAME SEE NOTE NO REF PART NUMBER QTY 1 2 3 4 5 6 (PRODUCT LEVEL) PAGE 1 1 3S-2093 17 STRAP-CABLE 2 1 7
  • Page 279ELECTRICAL AND STARTING SYSTEM 299-2698 WIRING GP-GRADE CONTROL (contd. ) i02840819 GRAPHIC #1 g01419765 SEBP4861-02 2 of 2 ELECTRICAL AND STARTING SYSTEM 249
  • Page 280ELECTRICAL AND STARTING SYSTEM 299-2699 WIRING GP-GRADE CONTROL–ACCUGRADE, STICK S/N: CJN1-UP PART OF 301-2479, 301-2517, 330-8775 SPECIAL AR AN ATTACHMENT SMCS-1408, 7220 i02840821 REF GRAPHIC PART NAME SEE NOTE NO REF PART NUMBER QTY 1 2 3 4 5 6 (PRODUCT LEVEL) PAGE 1 1 3S-2093 8 STRAP-CABLE 2 1 7
  • Page 281ELECTRICAL AND STARTING SYSTEM 319-1364 WIRING GP-HEATER S/N: CJN1-UP AN ATTACHMENT SMCS-7304 i03146333 REF GRAPHIC PART NAME SEE NOTE NO REF PART NUMBER QTY 1 2 3 4 5 6 (PRODUCT LEVEL) PAGE 1 1 3S-2093 8 STRAP-CABLE 2 1 7K-1181 18 STRAP-CABLE 3 1 116-0114 1 SWITCH AS-MAGNETIC (24-VOLT) (AIR INLET H
  • Page 282ELECTRICAL AND STARTING SYSTEM 319-1364 WIRING GP-HEATER (contd. ) i03146333 GRAPHIC #1 g01621527 252 ELECTRICAL AND STARTING SYSTEM 2 of 2 SEBP4861-02
  • Page 283ELECTRICAL AND STARTING SYSTEM 319-1398 WIRING GP-HEATER S/N: CJN308-UP PART OF 260-6960 CHASSIS AR SMCS-7304 i02988385 REF GRAPHIC PART NAME SEE NOTE NO REF PART NUMBER QTY 1 2 3 4 5 6 (PRODUCT LEVEL) PAGE 1 1 3S-2093 4 STRAP-CABLE 2 1 7K-1181 20 STRAP-CABLE 3 1 319-1348 1 HARNESS AS-CONTROL (ENGIN
  • Page 284ELECTRICAL AND STARTING SYSTEM 259-5271 WIRING GP-HYDRAULIC CONTROL–RETURN FILTER S/N: CJN1-UP PART OF 260-7018 FILTER AR-HYDRAULIC AN ATTACHMENT SMCS-1408 i02719501 REF GRAPHIC PART NAME SEE NOTE NO REF PART NUMBER QTY 1 2 3 4 5 6 (PRODUCT LEVEL) PAGE 1 1 3S-2093 4 STRAP-CABLE 2 1 7K-1181 6 STRAP-C
  • Page 285ELECTRICAL AND STARTING SYSTEM 259-5171 WIRING GP-MEDIUM PRESSURE S/N: CJN1-UP PART OF 259-7565, 270-5954 CONTROL AR-AUXILIARY AN ATTACHMENT SMCS-1408 i02749973 REF GRAPHIC PART NAME SEE NOTE NO REF PART NUMBER QTY 1 2 3 4 5 6 (PRODUCT LEVEL) PAGE 1 1 3S-2093 5 STRAP-CABLE 2 1 7K-1181 8 STRAP-CABLE
  • Page 286ELECTRICAL AND STARTING SYSTEM 259-5172 WIRING GP-MEDIUM PRESSURE S/N: CJN1-UP PART OF 259-7569 CONTROL AR-AUXILIARY AN ATTACHMENT SMCS-1408 i02750060 REF GRAPHIC PART NAME SEE NOTE NO REF PART NUMBER QTY 1 2 3 4 5 6 (PRODUCT LEVEL) PAGE 1 1 3S-2093 1 STRAP-CABLE 2 1 7I-2673 1 STRAP-CABLE 3 1 7K-118
  • Page 287ELECTRICAL AND STARTING SYSTEM 291-7908 WIRING GP-OVERLOAD WARNING S/N: CJN1-UP PART OF 259-7578 VALVE AR-CHECK & RELIEF AN ATTACHMENT SMCS-1408 i03093894 REF GRAPHIC PART NAME SEE NOTE NO REF PART NUMBER QTY 1 2 3 4 5 6 (PRODUCT LEVEL) PAGE 1 1 3S-2093 7 STRAP-CABLE 2 1 7K-1181 7 STRAP-CABLE 3 1 11
  • Page 288ELECTRICAL AND STARTING SYSTEM 328-0092 WIRING GP-OVERLOAD WARNING S/N: CJN1-UP PART OF 323-7798 VALVE AR-CHECK & RELIEF AN ATTACHMENT SMCS-1408 i03246443 REF GRAPHIC PART NAME SEE NOTE NO REF PART NUMBER QTY 1 2 3 4 5 6 (PRODUCT LEVEL) PAGE 1 1 3S-2093 7 STRAP-CABLE 2 1 7K-1181 7 STRAP-CABLE 3 1 11
  • Page 289ELECTRICAL AND STARTING SYSTEM 328-0092 WIRING GP-OVERLOAD WARNING (contd. ) i03246443 GRAPHIC #1 g01623752 SEBP4861-02 2 of 2 ELECTRICAL AND STARTING SYSTEM 259
  • Page 290ELECTRICAL AND STARTING SYSTEM 259-5160 WIRING GP-PLATFORM S/N: CJN1-UP PART OF 259-7193 OPERATOR AR SMCS-1408 i02599637 REF GRAPHIC PART NAME SEE NOTE NO REF PART NUMBER QTY 1 2 3 4 5 6 (PRODUCT LEVEL) PAGE 1 2 3E-5169 1 GUARD-SWITCH 2 1 3S-2093 3 STRAP-CABLE 3 1 7G-1060 1 STRAP AS-GROUND 4 1,2 7K-
  • Page 291ELECTRICAL AND STARTING SYSTEM 259-5160 WIRING GP-PLATFORM (contd. ) i02599637 GRAPHIC #1 g01311055 SEBP4861-02 2 of 3 ELECTRICAL AND STARTING SYSTEM 261
  • Page 292ELECTRICAL AND STARTING SYSTEM 259-5160 WIRING GP-PLATFORM (contd. ) i02599637 GRAPHIC #2 g01309691 262 ELECTRICAL AND STARTING SYSTEM 3 of 3 SEBP4861-02
  • Page 293ELECTRICAL AND STARTING SYSTEM 306-8398 WIRING GP-PLATFORM–ACCUGRADE READY S/N: CJN1-UP PART OF 301-2479, 301-2517, 330-8775 SPECIAL AR AN ATTACHMENT SMCS-1408 i02840809 REF GRAPHIC PART NAME SEE NOTE NO REF PART NUMBER QTY 1 2 3 4 5 6 (PRODUCT LEVEL) PAGE 1 1 3S-2093 5 STRAP-CABLE 2 1 7K-1181 3 STR
  • Page 294ELECTRICAL AND STARTING SYSTEM 238-2485 WIRING GP-COUPLER S/N: CJN1-UP PART OF 262-3249 CONTROL AR-COUPLER AN ATTACHMENT SMCS-1408, 6129 i02517794 REF GRAPHIC PART NAME SEE NOTE NO REF PART NUMBER QTY 1 2 3 4 5 6 (PRODUCT LEVEL) PAGE Y 1 1 238-2478 1 SWITCH GP-TOGGLE (QUICK COUPLER) 208 2 1 259-4884
  • Page 295ELECTRICAL AND STARTING SYSTEM 259-5167 WIRING GP-QUICK COUPLER S/N: CJN1-UP PART OF 262-3249 CONTROL AR-COUPLER AN ATTACHMENT SMCS-1408, 6129 i02995326 REF GRAPHIC PART NAME SEE NOTE NO REF PART NUMBER QTY 1 2 3 4 5 6 (PRODUCT LEVEL) PAGE 1 1 267-7697 1 HARNESS AS-SOLENOID 1 230-4011 1 PLUG AS-CONN
  • Page 296ELECTRICAL AND STARTING SYSTEM 275-6877 WIRING GP-QUICK COUPLER S/N: CJN1-UP PART OF 268-7253 CONTROL AR-COUPLER AN ATTACHMENT SMCS-1408, 6129 i02790503 REF GRAPHIC PART NAME SEE NOTE NO REF PART NUMBER QTY 1 2 3 4 5 6 (PRODUCT LEVEL) PAGE 1 1 3S-2093 11 STRAP-CABLE 2 1 7I-2673 3 STRAP-CABLE 3 1 7K-
  • Page 297POWER TRAIN 165-5777 FINAL DRIVE GP S/N: CJN1-UP PART OF 267-6738 POWER TRAIN AR SMCS-4050 i02917916 REF GRAPHIC PART NAME SEE NOTE NO REF PART NUMBER QTY 1 2 3 4 5 6 (PRODUCT LEVEL) PAGE Y 1 1 185-6952 1 MOTOR & MTG GP-TRAVEL 638 Y 2 1 210-3529 1 FINAL DRIVE GP 270 Y-SEPARATE ILLUSTRATION GRAPHIC #
  • Page 298POWER TRAIN 197-7178 FINAL DRIVE GP–WITH MOTOR S/N: CJN1-UP PART OF 199-4505 DRIVE GP-FINAL AN ATTACHMENT SMCS-4050 i01879852 REF GRAPHIC PART NAME SEE NOTE NO REF PART NUMBER QTY 1 2 3 4 5 6 (PRODUCT LEVEL) PAGE Y 1 1 210-3529 1 FINAL DRIVE GP 270 Y 2 1 197-7179 1 MOTOR & MTG GP-TRAVEL 639 Y-SEPARA
  • Page 299POWER TRAIN 199-4505 FINAL DRIVE GP–WITH MOTOR S/N: CJN1-UP PART OF 283-8896 DRIVE GP-FINAL AN ATTACHMENT SMCS-4050 i02736229 PART NAME SEE NOTE PART NUMBER QTY 1 2 3 4 5 6 (PRODUCT LEVEL) PAGE Y 197-7178 2 FINAL DRIVE GP 268 Y-SEPARATE ILLUSTRATION SEBP4861-02 POWER TRAIN 269
  • Page 300POWER TRAIN 210-3529 DRIVE GP-FINAL S/N: CJN1-UP PART OF 165-5777, 197-7178 DRIVE GP-FINAL ALSO AN ATTACHMENT SMCS-4050 i02194733 REF GRAPHIC PART NAME SEE NOTE NO REF PART NUMBER QTY 1 2 3 4 5 6 (PRODUCT LEVEL) PAGE 1 1 165-5785 1 SPACER B 2 1 096-1773 1 SHIM (0.15-MM THK) B 1 096-1774 1 SHIM (0.3-
  • Page 301POWER TRAIN 210-3529 DRIVE GP-FINAL (contd. ) i02194733 GRAPHIC #1 g01115670 SEBP4861-02 2 of 2 POWER TRAIN 271
  • Page 302POWER TRAIN 283-8896 DRIVE GP-FINAL–WITH MOTOR, BIODEGRADABLE OIL S/N: CJN1-UP AN ATTACHMENT SMCS-4050 i02598655 PART NAME SEE NOTE PART NUMBER QTY 1 2 3 4 5 6 (PRODUCT LEVEL) PAGE Y 199-4505 1 DRIVE GP-FINAL 269 283-8897 1 PLATE & FILM GP 169-3530 1 FILM-IDENTIFICATION (BIODEGRADABLE HYDRAULIC OIL)
  • Page 303POWER TRAIN 145-3042 SPROCKET GP S/N: CJN1-UP NON-SEGMENTED PART OF 267-6738 POWER TRAIN AR SMCS-4164 i01831999 REF GRAPHIC PART NAME SEE NOTE NO REF PART NUMBER QTY 1 2 3 4 5 6 (PRODUCT LEVEL) PAGE 1 1 8E-9805 1 SPROCKET-TRACK M 2 1 7X-2562 16 BOLT (M20X2.5X45MM) M-METRIC PART GRAPHIC #1 g009
  • Page 304FRAME AND BODY 244-8039 BOX & MOUNTING GP S/N: CJN1-UP PART OF 260-6960 CHASSIS AR SMCS-7268 i02599496 REF GRAPHIC PART NAME SEE NOTE NO REF PART NUMBER QTY 1 2 3 4 5 6 (PRODUCT LEVEL) PAGE Y 1 1 244-8040 1 BOX GP-STORAGE 275 M 2 1 135-8577 4 BOLT AS (M12X1.75X35-MM) M-METRIC PART Y-SEPARATE ILLUSTR
  • Page 305FRAME AND BODY 244-8040 BOX GP-STORAGE S/N: CJN1-UP PART OF 244-8039 BOX & MOUNTING GP SMCS-7268 i02855131 REF GRAPHIC PART NAME SEE NOTE NO REF PART NUMBER QTY 1 2 3 4 5 6 (PRODUCT LEVEL) PAGE 1 1 4I-2187 1 SUPPORT AS J 2 1 236-3669 1 LOCK AS 3 1 236-3670 1 STRIKER AS 4 1 236-3671 1 SEAL 5 1 236-94
  • Page 306FRAME AND BODY 244-8040 BOX GP-STORAGE (contd. ) i02855131 GRAPHIC #1 g01304721 276 FRAME AND BODY 2 of 2 SEBP4861-02
  • Page 307FRAME AND BODY 260-2555 BUMPER GP–SIDE S/N: CJN1-UP AN ATTACHMENT SMCS-7156 i02656789 REF GRAPHIC PART NAME SEE NOTE NO REF PART NUMBER QTY 1 2 3 4 5 6 (PRODUCT LEVEL) PAGE 1 1 284-7077 1 BUMPER AS 2 1 284-7081 1 BUMPER AS GRAPHIC #1 g01345134 SEBP4861-02 1 of 1 FRAME AND BODY 277
  • Page 308FRAME AND BODY 262-2256 COUNTERWEIGHT GP S/N: CJN1-UP 3179-KG (7008-LB) PART OF 260-6960 CHASSIS AR SMCS-7056 i02599576 REF GRAPHIC PART NAME SEE NOTE NO REF PART NUMBER QTY 1 2 3 4 5 6 (PRODUCT LEVEL) PAGE 1 1 244-8194 4 SPACER (32X65X30-MM THK) Y 2 1 262-2257 1 COUNTERWEIGHT GP 279 M 3 1 7X-2583 4
  • Page 309FRAME AND BODY 262-2257 COUNTERWEIGHT GP S/N: CJN1-161 PART OF 262-2256 COUNTERWEIGHT GP SMCS-7056 i02599578 REF GRAPHIC PART NAME SEE NOTE NO REF PART NUMBER QTY 1 2 3 4 5 6 (PRODUCT LEVEL) PAGE 1 1 270-9762 1 COUNTERWEIGHT AS 1 192-3039 6 SCREW-HEX FLANGE (6.3X1.8X19-MM) 2 1 270-9827 1 INSULATION
  • Page 310FRAME AND BODY 262-2257 COUNTERWEIGHT GP S/N: CJN162-UP PART OF 262-2256 COUNTERWEIGHT GP SMCS-7056 i02942231 REF GRAPHIC PART NAME SEE NOTE NO REF PART NUMBER QTY 1 2 3 4 5 6 (PRODUCT LEVEL) PAGE C 1 1 313-8252 1 COUNTERWEIGHT AS M 1 192-3039 6 SCREW-HEX FLANGE (6.3X1.8X19-MM) 1 165-3120 1 SHEET C
  • Page 311FRAME AND BODY 298-2991 COUNTERWEIGHT GP S/N: CJN1-UP PART OF 301-2479, 330-8775 SPECIAL AR AN ATTACHMENT TYPE 1 SMCS-7056 i02840347 REF GRAPHIC PART NAME SEE NOTE NO REF PART NUMBER QTY 1 2 3 4 5 6 (PRODUCT LEVEL) PAGE 1 1 244-8194 4 SPACER (32X65X30-MM THK) Y 2 1 298-2992 1 COUNTERWEIGHT GP 283 M
  • Page 312FRAME AND BODY 298-2991 COUNTERWEIGHT GP S/N: CJN1-UP PART OF 330-8775 SPECIAL AR AN ATTACHMENT TYPE 2 SMCS-7056 i03151047 REF GRAPHIC PART NAME SEE NOTE NO REF PART NUMBER QTY 1 2 3 4 5 6 (PRODUCT LEVEL) PAGE 1 1 244-8194 4 SPACER (32X65X30-MM THK) CY 2 1 330-1335 1 COUNTERWEIGHT GP 286 M 3 1 7X-25
  • Page 313FRAME AND BODY 298-2992 COUNTERWEIGHT GP S/N: CJN1-UP 3173-KG (6981-LBS) PART OF 298-2991 COUNTERWEIGHT GP AN ATTACHMENT TYPE 1 SMCS-7056 i02840348 REF GRAPHIC PART NAME SEE NOTE NO REF PART NUMBER QTY 1 2 3 4 5 6 (PRODUCT LEVEL) PAGE 1 1 270-9827 1 INSULATION 2 1 270-9829 1 INSULATION 3 1 270-9830
  • Page 314FRAME AND BODY 298-2992 COUNTERWEIGHT GP S/N: CJN1-UP 3173-KG (6981-LBS) PART OF 298-2991 COUNTERWEIGHT GP AN ATTACHMENT TYPE 2 SMCS-7056 i02988368 REF GRAPHIC PART NAME SEE NOTE NO REF PART NUMBER QTY 1 2 3 4 5 6 (PRODUCT LEVEL) PAGE C 1 1 313-8251 1 INSULATION 2 1 270-9829 1 INSULATION 3 1 270-983
  • Page 315FRAME AND BODY 298-2992 COUNTERWEIGHT GP (contd. ) i02988368 GRAPHIC #1 g01559873 SEBP4861-02 2 of 2 FRAME AND BODY 285
  • Page 316FRAME AND BODY 330-1335 COUNTERWEIGHT GP S/N: CJN1-UP 3173-KG (6981-LBS) PART OF 298-2991 COUNTERWEIGHT GP AN ATTACHMENT SMCS-7056 i03151062 REF GRAPHIC PART NAME SEE NOTE NO REF PART NUMBER QTY 1 2 3 4 5 6 (PRODUCT LEVEL) PAGE 1 1 270-9829 1 INSULATION 2 1 270-9830 1 LINER 3 1 270-9831 1 LINER 4 1
  • Page 317FRAME AND BODY 268-0660 COVER AS-SOUND SUPPRESSION–AIR CLEANER S/N: CJN1-UP PART OF 268-0645 COVER GP-ACCESS SMCS-7253, 7263, 7276, 795C i02598784 REF GRAPHIC PART NAME SEE NOTE NO REF PART NUMBER QTY 1 2 3 4 5 6 (PRODUCT LEVEL) PAGE Z 1 1 1 SHEET AS 2 1 268-0717 1 LINER 3 1 268-0737 1 LINER D 4 1 1
  • Page 318FRAME AND BODY 268-0663 COVER AS-SOUND SUPPRESSION–HYDRAULIC TANK S/N: CJN1-UP PART OF 268-0644 COVER GP-SIDE SMCS-7253, 7263, 7276, 795C i02598779 REF GRAPHIC PART NAME SEE NOTE NO REF PART NUMBER QTY 1 2 3 4 5 6 (PRODUCT LEVEL) PAGE 1 1 236-9567 2 SHEET-RUBBER Z 2 1 1 SHEET AS 3 1 268-0693 2 LINER
  • Page 319FRAME AND BODY 330-1576 COVER AS-SOUND SUPPRESSION S/N: CJN1-UP PART OF 330-1579 COVER GP-SIDE AN ATTACHMENT SMCS-7253, 7263, 7276, 795C i03147982 REF GRAPHIC PART NAME SEE NOTE NO REF PART NUMBER QTY 1 2 3 4 5 6 (PRODUCT LEVEL) PAGE 1 1 236-9567 2 SHEET-RUBBER 2 1 268-0693 2 LINER 3 1 268-0694 1 LI
  • Page 320FRAME AND BODY 268-0645 COVER GP-ACCESS–UPPER S/N: CJN1-UP PART OF 262-2265 HOOD & GUARD GP SMCS-726A i02696850 REF GRAPHIC PART NAME SEE NOTE NO REF PART NUMBER QTY 1 2 3 4 5 6 (PRODUCT LEVEL) PAGE M 1 1 135-8575 11 BOLT AS-LOCKING (M12X1.75X30-MM) Y 2 1 268-0660 1 COVER AS-SOUND SUPPRESSION (AIR C
  • Page 321FRAME AND BODY 268-0644 COVER GP-SIDE–HYDRAULIC TANK S/N: CJN1-UP PART OF 262-2265 HOOD & GUARD GP SMCS-7263, 7267 i02598785 REF GRAPHIC PART NAME SEE NOTE NO REF PART NUMBER QTY 1 2 3 4 5 6 (PRODUCT LEVEL) PAGE M 1 1 135-8573 4 BOLT AS Y 2 1 268-0663 1 COVER AS-SOUND SUPPRESSION (HYDRAULIC TANK) 28
  • Page 322FRAME AND BODY 330-1579 COVER GP-SIDE–FUEL TANK, HYDRAULIC TANK S/N: CJN1-UP PART OF 330-1324 MIRROR GP, 330-8780 PUMP AR-FUEL TRANSFER AN ATTACHMENT SMCS-7263, 7267 i03147002 REF GRAPHIC PART NAME SEE NOTE NO REF PART NUMBER QTY 1 2 3 4 5 6 (PRODUCT LEVEL) PAGE Y 1 1 330-1576 1 COVER AS-SOUND SUPPR
  • Page 323FRAME AND BODY 268-0642 DOOR GP-ACCESS–RADIATOR, LH S/N: CJN1-UP PART OF 262-2265 HOOD & GUARD GP SMCS-7273 i03001061 REF GRAPHIC PART NAME SEE NOTE NO REF PART NUMBER QTY 1 2 3 4 5 6 (PRODUCT LEVEL) PAGE M 1 1 135-8573 4 BOLT AS (M12X1.75X25-MM) M 2 1 135-8575 8 BOLT AS-LOCKING (M12X1.75X30-MM) Y 3
  • Page 324FRAME AND BODY 268-0643 DOOR GP-ACCESS–PUMP S/N: CJN1-UP PART OF 262-2265 HOOD & GUARD GP SMCS-7273 i02988373 REF GRAPHIC PART NAME SEE NOTE NO REF PART NUMBER QTY 1 2 3 4 5 6 (PRODUCT LEVEL) PAGE M 1 1 135-8575 12 BOLT AS-LOCKING (M12X1.75X30-MM) Y 2 1 268-0669 1 DOOR GP-ACCESS (RADIATOR, RH) 297 M
  • Page 325FRAME AND BODY 268-0665 DOOR GP-ACCESS S/N: CJN1-UP PART OF 268-0669, 303-9888 DOOR GP-ACCESS ALSO AN ATTACHMENT SMCS-7273 i02725922 REF GRAPHIC PART NAME SEE NOTE NO REF PART NUMBER QTY 1 2 3 4 5 6 (PRODUCT LEVEL) PAGE M 1 1 099-6418 4 NUT (M6X1-THD) 2 1 184-8862 1 COVER 3 1 268-0699 1 DOOR AS 3A 1
  • Page 326FRAME AND BODY 268-0667 DOOR GP-ACCESS–RADIATOR, LH S/N: CJN1-UP PART OF 268-0670, 273-8041 DOOR GP-ACCESS ALSO AN ATTACHMENT SMCS-7273 i03148205 REF GRAPHIC PART NAME SEE NOTE NO REF PART NUMBER QTY 1 2 3 4 5 6 (PRODUCT LEVEL) PAGE M 1 1 099-6418 4 NUT (M6X1-THD) 2 1 268-0698 1 DOOR AS-ACCESS (LH)
  • Page 327FRAME AND BODY 268-0669 DOOR GP-ACCESS–RADIATOR, RH S/N: CJN1-UP PART OF 268-0643 DOOR GP-ACCESS SMCS-7273 i03148207 REF GRAPHIC PART NAME SEE NOTE NO REF PART NUMBER QTY 1 2 3 4 5 6 (PRODUCT LEVEL) PAGE 1 1 4I-0232 1 STRIKER B 2 1 087-3908 2 SHIM (1-MM THK) B 3 1 087-3909 2 SHIM (2-MM THK) M 4 1 13
  • Page 328FRAME AND BODY 268-0670 DOOR GP-ACCESS–RADIATOR, LH S/N: CJN1-UP PART OF 268-0642 DOOR GP-ACCESS SMCS-7273 i03148208 REF GRAPHIC PART NAME SEE NOTE NO REF PART NUMBER QTY 1 2 3 4 5 6 (PRODUCT LEVEL) PAGE 1 1 4I-0232 1 STRIKER B 2 1 087-3908 2 SHIM (1-MM THK) B 3 1 087-3909 2 SHIM (2-MM THK) M 4 1 13
  • Page 329FRAME AND BODY 268-0677 DOOR GP-ACCESS–PRECLEANER S/N: CJN1-UP PART OF 260-7076 HOOD AR AN ATTACHMENT SMCS-7273 i02752982 REF GRAPHIC PART NAME SEE NOTE NO REF PART NUMBER QTY 1 2 3 4 5 6 (PRODUCT LEVEL) PAGE Y 1 1 273-8040 1 DOOR GP-ACCESS (PRECLEANER) 302 Y-SEPARATE ILLUSTRATION GRAPHIC #1 g
  • Page 330FRAME AND BODY 268-0679 DOOR GP-ACCESS–PRECLEANER S/N: CJN1-UP AN ATTACHMENT TYPE 1 SMCS-7273 i02988369 REF GRAPHIC PART NAME SEE NOTE NO REF PART NUMBER QTY 1 2 3 4 5 6 (PRODUCT LEVEL) PAGE M 1 1 135-8575 8 BOLT AS-LOCKING (M12X1.75X30-MM) Y 2 1 289-6447 1 DOOR GP-ACCESS 306 M 3 1 135-8573 4 BOLT A
  • Page 331FRAME AND BODY 268-0679 DOOR GP-ACCESS–PRECLEANER S/N: CJN1-UP AN ATTACHMENT TYPE 2 SMCS-7273 i03146161 REF GRAPHIC PART NAME SEE NOTE NO REF PART NUMBER QTY 1 2 3 4 5 6 (PRODUCT LEVEL) PAGE Y 1 1 289-6447 1 DOOR GP-ACCESS 306 Y-SEPARATE ILLUSTRATION GRAPHIC #1 g01620159 SEBP4861-02 1 of 1 FRA
  • Page 332FRAME AND BODY 273-8040 DOOR GP-ACCESS–PRECLEANER S/N: CJN1-UP PART OF 268-0677 DOOR GP-ACCESS AN ATTACHMENT SMCS-7273 i03036022 REF GRAPHIC PART NAME SEE NOTE NO REF PART NUMBER QTY 1 2 3 4 5 6 (PRODUCT LEVEL) PAGE M 1 1 135-8575 8 BOLT AS-LOCKING (M12X1.75X30-MM) Y 2 1 273-8041 1 DOOR GP-ACCESS (P
  • Page 333FRAME AND BODY 273-8041 DOOR GP-ACCESS–PRECLEANER S/N: CJN1-UP PART OF 273-8040 DOOR GP-ACCESS AN ATTACHMENT SMCS-7273 i03160723 REF GRAPHIC PART NAME SEE NOTE NO REF PART NUMBER QTY 1 2 3 4 5 6 (PRODUCT LEVEL) PAGE 1 1 4I-0232 1 STRIKER 2 1 087-3908 2 SHIM (1-MM THK) 3 1 087-3909 2 SHIM (2-MM THK)
  • Page 334FRAME AND BODY 273-8048 DOOR GP-ACCESS–HIGH AMBIENT S/N: CJN1-UP PART OF 273-8085 HOOD & GUARD GP AN ATTACHMENT SMCS-7273 i03148210 REF GRAPHIC PART NAME SEE NOTE NO REF PART NUMBER QTY 1 2 3 4 5 6 (PRODUCT LEVEL) PAGE 1 1 4I-0232 1 STRIKER M 2 1 135-8575 3 BOLT AS-LOCKING (M12X1.75X30-MM) Y 3 1 268
  • Page 335FRAME AND BODY 273-8048 DOOR GP-ACCESS (contd. ) i03148210 GRAPHIC #1 g01623241 SEBP4861-02 2 of 2 FRAME AND BODY 305
  • Page 336FRAME AND BODY 289-6447 DOOR GP-ACCESS–LH S/N: CJN1-UP PART OF 268-0679 DOOR GP-ACCESS AN ATTACHMENT SMCS-7273 i03148785 REF GRAPHIC PART NAME SEE NOTE NO REF PART NUMBER QTY 1 2 3 4 5 6 (PRODUCT LEVEL) PAGE 1 1 4I-0232 1 STRIKER M 2 1 135-8575 3 BOLT AS-LOCKING (M12X1.75X30-MM) 3 1 268-0700 1 TUBE
  • Page 337FRAME AND BODY 303-9888 DOOR GP-ACCESS–MAIN PUMP S/N: CJN1-UP PART OF 303-9791 HOOD GP AN ATTACHMENT SMCS-7273 i03149801 REF GRAPHIC PART NAME SEE NOTE NO REF PART NUMBER QTY 1 2 3 4 5 6 (PRODUCT LEVEL) PAGE 1 1 4I-0232 1 STRIKER M 2 1 135-8575 3 BOLT AS-LOCKING (M12X1.75X30-MM) Y 3 1 268-0665 1 DOO
  • Page 338FRAME AND BODY 303-9964 DOOR GP-ACCESS–RADIATOR S/N: CJN1-UP PART OF 273-8085 HOOD & GUARD GP, 303-9791 HOOD GP AN ATTACHMENT SMCS-7273 i03149800 REF GRAPHIC PART NAME SEE NOTE NO REF PART NUMBER QTY 1 2 3 4 5 6 (PRODUCT LEVEL) PAGE 1 1 4I-0232 1 STRIKER M 2 1 135-8575 3 BOLT AS-LOCKING (M12X1.75X30
  • Page 339FRAME AND BODY 303-9964 DOOR GP-ACCESS (contd. ) i03149800 GRAPHIC #1 g01620213 SEBP4861-02 2 of 2 FRAME AND BODY 309
  • Page 340FRAME AND BODY 244-8041 FENDER & COVER GP S/N: CJN1-UP PART OF 260-6960 CHASSIS AR SMCS-7252 i02902074 REF GRAPHIC PART NAME SEE NOTE NO REF PART NUMBER QTY 1 2 3 4 5 6 (PRODUCT LEVEL) PAGE M 1 1 135-8573 2 BOLT AS (M12X1.75X25-MM) 2 1 236-3698 1 STEP AS 3 1 236-3702 2 SPACER (15X35X11-MM THK) 4 1 2
  • Page 341FRAME AND BODY 330-1163 FENDER & COVER GP S/N: CJN1-UP PART OF 330-1324 MIRROR GP AN ATTACHMENT SMCS-7252 i03132131 REF GRAPHIC PART NAME SEE NOTE NO REF PART NUMBER QTY 1 2 3 4 5 6 (PRODUCT LEVEL) PAGE 1 1 330-1164 1 COVER AS 1 6C-3679 8 RIVET-POP 1 278-3818 1 LINER GRAPHIC #1 g01621025 SEBP4
  • Page 342FRAME AND BODY 260-2458 FRAME GP-UPPER S/N: CJN1-UP PART OF 260-6960 CHASSIS AR SMCS-7051 i02910650 REF GRAPHIC PART NAME SEE NOTE NO REF PART NUMBER QTY 1 2 3 4 5 6 (PRODUCT LEVEL) PAGE B 1 1 308-8776 2 SHIM (1-MM THK) B 2 1 093-0086 4 SHIM (1-MM THK) B 3 1 308-8777 1 SHIM (2-MM THK) B 4 1 093-0118
  • Page 343FRAME AND BODY 297-7558 FRAME GP-UPPER–ACCUGRADE S/N: CJN1-UP PART OF 301-2479, 301-2517, 330-8775 SPECIAL AR AN ATTACHMENT SMCS-7051 i02840342 REF GRAPHIC PART NAME SEE NOTE NO REF PART NUMBER QTY 1 2 3 4 5 6 (PRODUCT LEVEL) PAGE B 1 1 093-0086 4 SHIM (1-MM THK) B 2 1 093-0118 2 SHIM (2-MM THK) 3 1
  • Page 344FRAME AND BODY 297-7558 FRAME GP-UPPER (contd. ) i02840342 GRAPHIC #1 g01418786 314 FRAME AND BODY 2 of 2 SEBP4861-02
  • Page 345FRAME AND BODY 267-6832 GEAR & BEARING GP-SWING S/N: CJN1-UP PART OF 260-6975 FRAME AR-UNDERCARRIAGE SMCS-7063 i02814406 REF GRAPHIC PART NAME SEE NOTE NO REF PART NUMBER QTY 1 2 3 4 5 6 (PRODUCT LEVEL) PAGE 1 1 2Y-5503 1 CORK 2 1 4I-7444 1 BOOT 3 1 4I-7446 1 GASKET 4 1 4I-7511 1 RETAINER 5 1 4I-751
  • Page 346FRAME AND BODY 267-6832 GEAR & BEARING GP-SWING (contd. ) i02814406 GRAPHIC #1 g01404675 316 FRAME AND BODY 2 of 2 SEBP4861-02
  • Page 347FRAME AND BODY 262-2258 GUARD GP-BOTTOM S/N: CJN1-UP PART OF 260-6960 CHASSIS AR SMCS-7153 i02862830 REF GRAPHIC PART NAME SEE NOTE NO REF PART NUMBER QTY 1 2 3 4 5 6 (PRODUCT LEVEL) PAGE M 1 1 135-8576 28 BOLT AS-LOCKING (M12X1.75X30-MM) 2 1 268-0581 1 SHEET 3 1 268-0582 1 SHEET 4 1 268-0583 1 SHEE
  • Page 348FRAME AND BODY 273-7694 GUARD GP-BOTTOM–HEAVY-DUTY S/N: CJN1-UP AN ATTACHMENT SMCS-7153 i02750409 REF GRAPHIC PART NAME SEE NOTE NO REF PART NUMBER QTY 1 2 3 4 5 6 (PRODUCT LEVEL) PAGE M 1 1 135-8576 4 BOLT AS-LOCKING (M12X1.75X30-MM) 2 1 193-9710 1 PLATE AS 3 1 273-7689 1 PLATE AS 4 1 273-7691 1 PL
  • Page 349FRAME AND BODY 210-3821 GUARD GP-FRONT S/N: CJN1-UP PART OF 330-8777 BOOM AR, 301-2479, 301-2517 SPECIAL AR AN ATTACHMENT SMCS-7167, 7182 i02841156 REF GRAPHIC PART NAME SEE NOTE NO REF PART NUMBER QTY 1 2 3 4 5 6 (PRODUCT LEVEL) PAGE 1 1 210-3823 1 GUARD AS 2 1 5P-1076 2 WASHER-HARD (13.5X30X4-MM T
  • Page 350FRAME AND BODY 134-8875 GUARD GP-SWIVEL S/N: CJN1-UP AN ATTACHMENT SMCS-7183 i01721530 REF GRAPHIC PART NAME SEE NOTE NO REF PART NUMBER QTY 1 2 3 4 5 6 (PRODUCT LEVEL) PAGE 1 1 134-8876 1 PLATE AS 2 1 134-8878 1 PLATE AS M 3 1 8C-8992 5 BOLT-LOCKING (M12X1.75X30MM) 4 1 5P-1076 5 WASHER-HARD (13.5X3
  • Page 351FRAME AND BODY 170-2602 HANDRAIL GP–FRONT, RH S/N: CJN1-UP PART OF 260-6960 CHASSIS AR SMCS-7256 i02902073 REF GRAPHIC PART NAME SEE NOTE NO REF PART NUMBER QTY 1 2 3 4 5 6 (PRODUCT LEVEL) PAGE 1 1 8T-4223 2 WASHER-HARD (13.5X25.5X3-MM THK) M 2 1 8T-4192 2 BOLT (M12X1.75X25-MM) 3 1 193-9712 1 HANDRA
  • Page 352FRAME AND BODY 262-2265 HOOD & GUARD GP S/N: CJN1-UP PART OF 260-6960 CHASSIS AR SMCS-7251, 7276 i03152223 REF GRAPHIC PART NAME SEE NOTE NO REF PART NUMBER QTY 1 2 3 4 5 6 (PRODUCT LEVEL) PAGE Y 1 1 268-0641 1 HOOD & GUARD GP 323 Y 2 1 268-0642 1 DOOR GP-ACCESS (RADIATOR, LH) 293 Y 3 1 268-0643 1 D
  • Page 353FRAME AND BODY 268-0641 HOOD & GUARD GP S/N: CJN1-UP PART OF 262-2265 HOOD & GUARD GP SMCS-7251, 7276 i02753500 REF GRAPHIC PART NAME SEE NOTE NO REF PART NUMBER QTY 1 2 3 4 5 6 (PRODUCT LEVEL) PAGE M 1 1 135-8575 4 BOLT AS-LOCKING (M12X1.75X30-MM) Y 2 1 268-0654 1 SHEET AS-SOUND SUPPRESSION 339 Y 3
  • Page 354FRAME AND BODY 268-0646 HOOD & GUARD GP S/N: CJN1-UP PART OF 262-2265 HOOD & GUARD GP SMCS-7251, 7276 i02988372 REF GRAPHIC PART NAME SEE NOTE NO REF PART NUMBER QTY 1 2 3 4 5 6 (PRODUCT LEVEL) PAGE M 1 1 135-8578 6 BOLT AS (M12X1.75X40-MM) Y 2 1 268-0664 1 HOOD GP-ENGINE 332 3 1 1R-9958 1 FASTENER
  • Page 355FRAME AND BODY 273-8044 HOOD & GUARD GP S/N: CJN1-UP PART OF 268-0641 HOOD & GUARD GP SMCS-7251, 7276 i02785155 REF GRAPHIC PART NAME SEE NOTE NO REF PART NUMBER QTY 1 2 3 4 5 6 (PRODUCT LEVEL) PAGE M 1 1 135-8575 31 BOLT AS-LOCKING (M12X1.75X30-MM) 2 1 303-9986 1 SUPPORT AS 1 303-9987 1 LINER Y 3 1
  • Page 356FRAME AND BODY 273-8044 HOOD & GUARD GP (contd. ) i02785155 GRAPHIC #1 g01415905 326 FRAME AND BODY 2 of 2 SEBP4861-02
  • Page 357FRAME AND BODY 273-8085 HOOD & GUARD GP–HIGH AMBIENT S/N: CJN1-UP PART OF 260-7009 COOLING AR-HIGH AMBIENT TEMP AN ATTACHMENT TYPE 1 SMCS-7251, 7276 i03001037 REF GRAPHIC PART NAME SEE NOTE NO REF PART NUMBER QTY 1 2 3 4 5 6 (PRODUCT LEVEL) PAGE Y 1 1 273-8048 1 DOOR GP-ACCESS 304 Y 2 1 313-8128 1 H
  • Page 358FRAME AND BODY 273-8085 HOOD & GUARD GP–HIGH AMBIENT S/N: CJN1-UP PART OF 260-7009 COOLING AR-HIGH AMBIENT TEMP AN ATTACHMENT TYPE 2 SMCS-7251, 7276 i03161020 REF GRAPHIC PART NAME SEE NOTE NO REF PART NUMBER QTY 1 2 3 4 5 6 (PRODUCT LEVEL) PAGE CY 1 1 303-9964 1 DOOR GP-ACCESS (RADIATOR) 308 Y 2 1
  • Page 359FRAME AND BODY 260-7076 HOOD AR–PRECLEANER S/N: CJN1-UP AN ATTACHMENT SMCS-7251 i02752974 PART NAME SEE NOTE PART NUMBER QTY 1 2 3 4 5 6 (PRODUCT LEVEL) PAGE Y 272-4665 1 AIR CLEANER GP 65 Y 268-0677 1 DOOR GP-ACCESS (PRECLEANER) 299 Y-SEPARATE ILLUSTRATION SEBP4861-02 FRAME AND BODY 329
  • Page 360FRAME AND BODY 303-9791 HOOD GP–ACCUGRADE READY S/N: CJN1-UP PART OF 301-2479, 330-8775 SPECIAL AR AN ATTACHMENT SMCS-7251 i03148606 REF GRAPHIC PART NAME SEE NOTE NO REF PART NUMBER QTY 1 2 3 4 5 6 (PRODUCT LEVEL) PAGE Y 1 1 303-9888 1 DOOR GP-ACCESS (MAIN PUMP) 307 2 1 303-9952 1 COVER AS 1 278-38
  • Page 361FRAME AND BODY 303-9985 HOOD GP–ACCUGRADE READY S/N: CJN1-UP PART OF 301-2517 SPECIAL AR AN ATTACHMENT SMCS-7251 i02840807 REF GRAPHIC PART NAME SEE NOTE NO REF PART NUMBER QTY 1 2 3 4 5 6 (PRODUCT LEVEL) PAGE 1 1 303-9952 1 COVER AS 1 278-3818 1 LINER Y 2 1 303-9983 1 SHEET AS-SOUND SUPPRESSION 343
  • Page 362FRAME AND BODY 268-0664 HOOD GP-ENGINE S/N: CJN1-UP PART OF 268-0646 HOOD & GUARD GP SMCS-7251 i02696677 REF GRAPHIC PART NAME SEE NOTE NO REF PART NUMBER QTY 1 2 3 4 5 6 (PRODUCT LEVEL) PAGE 1 1 096-4129 3 CUSHION M 2 1 135-8575 10 BOLT AS-LOCKING (M12X1.75X30-MM) 3 1 268-0697 1 SHEET AS 4 1 268-07
  • Page 363FRAME AND BODY 273-8086 HOOD GP-ENGINE–HIGH AMBIENT S/N: CJN1-UP PART OF 313-8128 HOOD GP-ENGINE AN ATTACHMENT SMCS-7251 i02788203 REF GRAPHIC PART NAME SEE NOTE NO REF PART NUMBER QTY 1 2 3 4 5 6 (PRODUCT LEVEL) PAGE 1 1 096-4129 3 CUSHION M 2 1 135-8575 10 BOLT AS-LOCKING (M12X1.75X30-MM) 3 1 268-
  • Page 364FRAME AND BODY 303-9965 HOOD GP-ENGINE–HIGH AMBIENT S/N: CJN1-UP PART OF 303-9791 HOOD GP AN ATTACHMENT SMCS-7251 i02841095 REF GRAPHIC PART NAME SEE NOTE NO REF PART NUMBER QTY 1 2 3 4 5 6 (PRODUCT LEVEL) PAGE 1 1 096-4129 3 CUSHION M 2 1 135-8575 10 BOLT AS-LOCKING (M12X1.75X30-MM) 3 1 268-0697 1
  • Page 365FRAME AND BODY 313-8128 HOOD GP-ENGINE S/N: CJN1-UP PART OF 273-8085 HOOD & GUARD GP AN ATTACHMENT SMCS-7251 i03001035 PART NAME SEE NOTE PART NUMBER QTY 1 2 3 4 5 6 (PRODUCT LEVEL) PAGE Y 273-8086 1 HOOD GP-ENGINE (HIGH AMBIENT) 333 -OR- Y 313-8129 1 HOOD GP-ENGINE 336 Y-SEPARATE ILLUSTRATION
  • Page 366FRAME AND BODY 313-8129 HOOD GP-ENGINE S/N: CJN1-UP PART OF 313-8128 HOOD GP-ENGINE AN ATTACHMENT SMCS-7251 i03001036 REF GRAPHIC PART NAME SEE NOTE NO REF PART NUMBER QTY 1 2 3 4 5 6 (PRODUCT LEVEL) PAGE 1 1 096-4129 3 CUSHION M 2 1 135-8575 10 BOLT AS-LOCKING (M12X1.75X30-MM) 3 1 268-0697 1 SHEET
  • Page 367FRAME AND BODY 313-8129 HOOD GP-ENGINE (contd. ) i03001036 GRAPHIC #1 g01621245 SEBP4861-02 2 of 2 FRAME AND BODY 337
  • Page 368FRAME AND BODY 301-2545 INSULATION GP-SOUND SUPPR S/N: CJN1-UP PART OF 260-6960 CHASSIS AR SMCS-1801, 7076, 7261 i02862849 REF GRAPHIC PART NAME SEE NOTE NO REF PART NUMBER QTY 1 2 3 4 5 6 (PRODUCT LEVEL) PAGE 1 1 301-2546 1 LINER 2 1 301-2570 1 GROMMET GRAPHIC #1 g01427494 338 FRAME AND BODY
  • Page 369FRAME AND BODY 268-0654 SHEET AS-SOUND SUPPRESSION S/N: CJN1-UP PART OF 268-0641 HOOD & GUARD GP SMCS-1801, 7076, 7251, 7267 i02598776 REF GRAPHIC PART NAME SEE NOTE NO REF PART NUMBER QTY 1 2 3 4 5 6 (PRODUCT LEVEL) PAGE Z 1 1 1 SHEET AS 2 1 268-0714 1 LINER 3 1 268-0715 2 LINER 4 1 268-0716 2 LINE
  • Page 370FRAME AND BODY 268-0655 SHEET AS-SOUND SUPPRESSION S/N: CJN1-UP PART OF 273-8044 HOOD & GUARD GP SMCS-1801, 7076, 7251, 7267 i03001045 REF GRAPHIC PART NAME SEE NOTE NO REF PART NUMBER QTY 1 2 3 4 5 6 (PRODUCT LEVEL) PAGE 1 1 4I-0118 2 HOOK AS M 2 1 135-8573 4 BOLT AS (M12X1.75X25-MM) M 3 1 135-8575
  • Page 371FRAME AND BODY 268-0656 SHEET AS-SOUND SUPPRESSION S/N: CJN1-UP PART OF 268-0655 SHEET AS-SOUND SUPPRESSION SMCS-1801, 7076, 7251, 7267 i02753501 REF GRAPHIC PART NAME SEE NOTE NO REF PART NUMBER QTY 1 2 3 4 5 6 (PRODUCT LEVEL) PAGE 1 1 268-0497 1 LINER 3 1 271-0016 1 LINER GRAPHIC #1 g0137851
  • Page 372FRAME AND BODY 268-0658 SHEET AS-SOUND SUPPRESSION S/N: CJN1-UP PART OF 273-8044 HOOD & GUARD GP SMCS-1801, 7076, 7251, 7267 i02784334 REF GRAPHIC PART NAME SEE NOTE NO REF PART NUMBER QTY 1 2 3 4 5 6 (PRODUCT LEVEL) PAGE 1 1 9M-5732 8 RIVET-POP 2 1 268-0494 1 SHEET-RUBBER 3 1 268-0731 1 LINER 4 1 9
  • Page 373FRAME AND BODY 303-9983 SHEET AS-SOUND SUPPRESSION S/N: CJN1-UP PART OF 303-9791, 303-9985 HOOD GP AN ATTACHMENT SMCS-1801, 7076, 7251, 7267 i02840808 REF GRAPHIC PART NAME SEE NOTE NO REF PART NUMBER QTY 1 2 3 4 5 6 (PRODUCT LEVEL) PAGE 1 1 268-0714 1 LINER 2 1 268-0715 2 LINER 3 1 268-0716 2 LINER
  • Page 374FRAME AND BODY 235-7764 STEP GP S/N: CJN1-UP PART OF 301-2566, 330-8810 SPECIAL AR, 260-6990 TRACK GP FOR USE WITH TRACK SHOES UPT TO 800-MM (31.5-IN) WIDE AN ATTACHMENT SMCS-7254 i03255291 REF GRAPHIC PART NAME SEE NOTE NO REF PART NUMBER QTY 1 2 3 4 5 6 (PRODUCT LEVEL) PAGE 1 1 235-7765 2 STEP M 2
  • Page 375FRAME AND BODY 308-8881 STEP GP S/N: CJN1-UP PART OF 301-2567 SPECIAL AR AN ATTACHMENT SMCS-7254 i02843488 REF GRAPHIC PART NAME SEE NOTE NO REF PART NUMBER QTY 1 2 3 4 5 6 (PRODUCT LEVEL) PAGE 1 1 308-8882 2 STEP AS M 2 1 7X-2553 4 BOLT (M16X2X40-MM) 3 1 9X-8257 4 WASHER (17.5X30X3.5-MM THK) M-METR
  • Page 376FRAME AND BODY 268-0674 STORAGE GP-VANDALISM GUARD S/N: CJN1-UP PART OF 260-7017, 260-7071 GUARD AR-VANDALISM AN ATTACHMENT SMCS-7315 i02954236 REF GRAPHIC PART NAME SEE NOTE NO REF PART NUMBER QTY 1 2 3 4 5 6 (PRODUCT LEVEL) PAGE M 1 1 135-8573 4 BOLT AS (M12X1.75X25-MM) 2 1 241-2311 1 CABLE 3 1 26
  • Page 377FRAME AND BODY 268-0648 SUPPORT AS-ENCLOSURE S/N: CJN1-UP PART OF 273-8044 HOOD & GUARD GP SMCS-0635, 1801, 7076, 7251, 7263, 7267, 7272, 7276 i02598777 REF GRAPHIC PART NAME SEE NOTE NO REF PART NUMBER QTY 1 2 3 4 5 6 (PRODUCT LEVEL) PAGE 1 1 268-0705 1 LINER 2 1 268-0706 1 LINER Z 3 1 1 SUPPORT AS
  • Page 378FRAME AND BODY 268-0668 SUPPORT AS-ENCLOSURE S/N: CJN1-UP PART OF 268-0670, 273-8048 DOOR GP-ACCESS ALSO AN ATTACHMENT SMCS-0635, 1801, 7076, 7251, 7263, 7267, 7272, 7276 i02781268 REF GRAPHIC PART NAME SEE NOTE NO REF PART NUMBER QTY 1 2 3 4 5 6 (PRODUCT LEVEL) PAGE 1 1 268-0733 1 INSULATION 2 1 26
  • Page 379FRAME AND BODY 268-0684 SUPPORT AS-ENCLOSURE S/N: CJN1-UP PART OF 273-8044 HOOD & GUARD GP SMCS-0635, 1801, 7076, 7251, 7263, 7267, 7272, 7276 i02598763 REF GRAPHIC PART NAME SEE NOTE NO REF PART NUMBER QTY 1 2 3 4 5 6 (PRODUCT LEVEL) PAGE Z 1 1 1 SUPPORT AS 2 1 268-0732 1 LINER 3 1 271-0017 1 LINER
  • Page 380FRAME AND BODY 273-8042 SUPPORT AS-ENCLOSURE S/N: CJN1-UP PART OF 273-8041, 289-6447 DOOR GP-ACCESS AN ATTACHMENT SMCS-0635, 1801, 7076, 7251, 7263, 7267, 7272, 7276 i02886128 REF GRAPHIC PART NAME SEE NOTE NO REF PART NUMBER QTY 1 2 3 4 5 6 (PRODUCT LEVEL) PAGE 1 1 268-0733 1 INSULATION 2 1 273-804
  • Page 381FRAME AND BODY 303-9886 SUPPORT AS-ENCLOSURE S/N: CJN1-UP PART OF 303-9964 DOOR GP-ACCESS AN ATTACHMENT SMCS-0635, 1801, 7076, 7251, 7263, 7267, 7272, 7276 i02841094 REF GRAPHIC PART NAME SEE NOTE NO REF PART NUMBER QTY 1 2 3 4 5 6 (PRODUCT LEVEL) PAGE 1 1 268-0733 1 INSULATION 2 1 273-8075 1 LINER
  • Page 382UNDERCARRIAGE 260-6975 FRAME AR-UNDERCARRIAGE S/N: CJN1-UP PART OF 260-6952 GENERAL AR SMCS-4151 i02818500 PART NAME SEE NOTE PART NUMBER QTY 1 2 3 4 5 6 (PRODUCT LEVEL) PAGE Y 254-2979 1 FRAME AS-UNDERCARRIAGE 353 Y 267-6832 1 GEAR & BEARING GP-SWING 315 Y 087-5908 2 GUARD GP-TRACK GUIDE 354 Y 163-
  • Page 383UNDERCARRIAGE 254-2979 FRAME AS-UNDERCARRIAGE S/N: CJN1-UP PART OF 260-6975 FRAME AR-UNDERCARRIAGE SMCS-4150, 7062 i02818842 REF GRAPHIC PART NAME SEE NOTE NO REF PART NUMBER QTY 1 2 3 4 5 6 (PRODUCT LEVEL) PAGE 1 1 254-2981 1 FRAME AS-TRACK ROLLER (RH) 1A 1 117-5540 2 BRACKET 1B 1 264-1581 2 STEP 2
  • Page 384UNDERCARRIAGE 087-5908 GUARD GP-TRACK GUIDE S/N: CJN1-UP PART OF 260-6975 FRAME AR-UNDERCARRIAGE SMCS-4177 i02271129 REF GRAPHIC PART NAME SEE NOTE NO REF PART NUMBER QTY 1 2 3 4 5 6 (PRODUCT LEVEL) PAGE 1 1 240-2988 1 GUARD AS-TRACK GUIDE M 2 1 8T-5460 4 BOLT (M20X2.5X40-MM) 3 1 8T-4123 4 WASHER (2
  • Page 385UNDERCARRIAGE 106-6773 GUARD GP-TRACK GUIDE–SPROCKET S/N: CJN1-UP AN ATTACHMENT SMCS-4177 i02857961 REF GRAPHIC PART NAME SEE NOTE NO REF PART NUMBER QTY 1 2 3 4 5 6 (PRODUCT LEVEL) PAGE 1 1 111-0106 2 GUARD AS-TRACK GUIDE M 2 1 8T-5460 12 BOLT (M20X2.5X40-MM) 3 1 8T-4123 12 WASHER (22X35X3.5-MM THK
  • Page 386UNDERCARRIAGE 106-6775 GUARD GP-TRACK GUIDE–FRONT S/N: CJN1-UP 2-PIECE AN ATTACHMENT SMCS-4177 i02857507 REF GRAPHIC PART NAME SEE NOTE NO REF PART NUMBER QTY 1 2 3 4 5 6 (PRODUCT LEVEL) PAGE 1 1 111-0106 2 GUARD AS-TRACK GUIDE M 2 1 8T-5460 12 BOLT (M20X2.5X40-MM) 3 1 8T-4123 12 WASHER (22X35X3.5-M
  • Page 387UNDERCARRIAGE 163-3754 GUARD GP-TRAVEL MOTOR S/N: CJN1-UP PART OF 260-6975 FRAME AR-UNDERCARRIAGE SMCS-7163 i03040366 REF GRAPHIC PART NAME SEE NOTE NO REF PART NUMBER QTY 1 2 3 4 5 6 (PRODUCT LEVEL) PAGE M 1 1 135-8576 8 BOLT AS-LOCKING (M12X1.75X30-MM) (EACH INCLUDES) 1 5P-1076 1 WASHER-HARD (13.5
  • Page 388UNDERCARRIAGE 248-7132 IDLER GP-FRONT S/N: CJN1-161 PART OF 260-6975 FRAME AR-UNDERCARRIAGE SMCS-4159 i02600452 REF GRAPHIC PART NAME SEE NOTE NO REF PART NUMBER QTY 1 2 3 4 5 6 (PRODUCT LEVEL) PAGE Y 1 1 248-7133 1 IDLER GP-FRONT (RH) 360 Y 2 1 248-7134 1 IDLER GP-FRONT (LH) 361 Y-SEPARATE ILLUSTRA
  • Page 389UNDERCARRIAGE 248-7132 IDLER GP-FRONT S/N: CJN162-UP PART OF 260-6975 FRAME AR-UNDERCARRIAGE SMCS-4159 i02942318 REF GRAPHIC PART NAME SEE NOTE NO REF PART NUMBER QTY 1 2 3 4 5 6 (PRODUCT LEVEL) PAGE Y 1 1 297-9185 1 IDLER GP-FRONT (RH) 363 Y 2 1 297-9186 1 IDLER GP-FRONT (LH) 364 Y-SEPARATE ILLUSTR
  • Page 390UNDERCARRIAGE 248-7133 IDLER GP-FRONT–RH S/N: CJN1-161 PART OF 248-7132 IDLER GP-FRONT SMCS-4159 i02600453 REF GRAPHIC PART NAME SEE NOTE NO REF PART NUMBER QTY 1 2 3 4 5 6 (PRODUCT LEVEL) PAGE Y 1 1 248-7135 1 TRACK ADJUSTER & RECOIL GP (RH) 369 Y 2 1 248-7143 1 IDLER GP-FRONT 362 M 3 1 8T-4140 4 B
  • Page 391UNDERCARRIAGE 248-7134 IDLER GP-FRONT–LH S/N: CJN1-161 PART OF 248-7132 IDLER GP-FRONT SMCS-4159 i02600455 REF GRAPHIC PART NAME SEE NOTE NO REF PART NUMBER QTY 1 2 3 4 5 6 (PRODUCT LEVEL) PAGE Y 1 1 248-7136 1 TRACK ADJUSTER & RECOIL GP (LH) 370 Y 2 1 248-7143 1 IDLER GP-FRONT 362 M 3 1 8T-4140 4 B
  • Page 392UNDERCARRIAGE 248-7143 IDLER GP-FRONT S/N: CJN1-UP PART OF 248-7133, 248-7134, 297-9185, 297-9186 IDLER GP-FRONT SMCS-4159 i02408880 REF GRAPHIC PART NAME SEE NOTE NO REF PART NUMBER QTY 1 2 3 4 5 6 (PRODUCT LEVEL) PAGE 1 1 9W-2201 2 SEAL GP-DUO-CONE (EACH INCLUDES) 1 096-4255 2 RING 2 1 239-4362 2
  • Page 393UNDERCARRIAGE 297-9185 IDLER GP-FRONT–RH S/N: CJN162-UP PART OF 248-7132 IDLER GP-FRONT SMCS-4159 i02942323 REF GRAPHIC PART NAME SEE NOTE NO REF PART NUMBER QTY 1 2 3 4 5 6 (PRODUCT LEVEL) PAGE Y 1 1 248-7143 1 IDLER GP-FRONT 362 Y 2 1 297-9187 1 TRACK ADJUSTER & RECOIL GP 373 M 3 1 8T-4140 4 BOLT
  • Page 394UNDERCARRIAGE 297-9186 IDLER GP-FRONT–LH S/N: CJN162-UP PART OF 248-7132 IDLER GP-FRONT SMCS-4159 i02942327 REF GRAPHIC PART NAME SEE NOTE NO REF PART NUMBER QTY 1 2 3 4 5 6 (PRODUCT LEVEL) PAGE Y 1 1 248-7143 1 IDLER GP-FRONT 362 Y 2 1 297-9188 1 TRACK ADJUSTER & RECOIL GP 374 M 3 1 8T-4140 4 BOLT
  • Page 395UNDERCARRIAGE 194-1134 LINK AS-TRACK S/N: CJN1-UP PART OF 176-4852, 179-3027, 179-3028 TRACK GP AN ATTACHMENT SMCS-4169, 4171 i01476355 REF GRAPHIC PART NAME SEE NOTE NO REF PART NUMBER QTY 1 2 3 4 5 6 (PRODUCT LEVEL) PAGE 1 1 9W-3138 43 LINK-TRACK-LH 2 1 095-0863 1 COTTER 3 1 8E-8586 1 LINK-MASTER-
  • Page 396UNDERCARRIAGE 102-8120 ROLLER AR-TRACK & CARRIER S/N: CJN1-UP PART OF 260-6975 FRAME AR-UNDERCARRIAGE SMCS-4154, 4180 i01435775 REF GRAPHIC PART NAME SEE NOTE NO REF PART NUMBER QTY 1 2 3 4 5 6 (PRODUCT LEVEL) PAGE M 1 1 8T-5878 4 BOLT (M24X3X80-MM) Y 2 1 8E-5600 4 ROLLER GP-TRACK CARRIER 367 YR 3 1
  • Page 397UNDERCARRIAGE 8E-5600 ROLLER GP-TRACK CARRIER S/N: CJN1-UP PART OF 102-8120 ROLLER AR-TRACK & CARRIER SMCS-4154 i02752192 REF GRAPHIC PART NAME SEE NOTE NO REF PART NUMBER QTY 1 2 3 4 5 6 (PRODUCT LEVEL) PAGE 1 1 8E-5601 1 SHAFT AS-TRACK ROLLER 1 8E-5604 1 COLLAR-ROLLER END 1 8E-5607 1 SHAFT-TRACK R
  • Page 398UNDERCARRIAGE 163-4143 ROLLER GP-TRACK-SINGLE FLANGE*R S/N: CJN1-UP PART OF 102-8120 ROLLER AR-TRACK & CARRIER SMCS-4180 i01319077 REF GRAPHIC PART NAME SEE NOTE NO REF PART NUMBER QTY 1 2 3 4 5 6 (PRODUCT LEVEL) PAGE 1 1 8E-5031 2 RING-RETAINING 2 1 7F-8268 2 SEAL-O-RING 3 1 5G-2247 1 STOPPER-RUBBE
  • Page 399UNDERCARRIAGE 248-7135 TRACK ADJUSTER & RECOIL GP–RH S/N: CJN1-161 PART OF 248-7133 IDLER GP-FRONT SMCS-4157, 4158 i02600457 REF GRAPHIC PART NAME SEE NOTE NO REF PART NUMBER QTY 1 2 3 4 5 6 (PRODUCT LEVEL) PAGE 1 1 7Y-1746 1 PLATE 2 1 168-6761 1 PLATE AS 1 4B-4158 4 SCREW-DRIVE (3/16X0.25-IN) 1 253
  • Page 400UNDERCARRIAGE 248-7136 TRACK ADJUSTER & RECOIL GP–LH S/N: CJN1-161 PART OF 248-7134 IDLER GP-FRONT SMCS-4157, 4158 i02600460 REF GRAPHIC PART NAME SEE NOTE NO REF PART NUMBER QTY 1 2 3 4 5 6 (PRODUCT LEVEL) PAGE 1 1 7Y-1746 1 PLATE 2 1 168-6761 1 PLATE AS 1 4B-4158 4 SCREW-DRIVE (3/16X0.25-IN) 1 253
  • Page 401UNDERCARRIAGE 248-7137 TRACK ADJUSTER & RECOIL GP S/N: CJN1-161 PART OF 248-7135, 248-7136 TRACK ADJUSTER & RECOIL GP SMCS-4157, 4158 i02600458 REF GRAPHIC PART NAME SEE NOTE NO REF PART NUMBER QTY 1 2 3 4 5 6 (PRODUCT LEVEL) PAGE 1 1 7Y-1686 1 STRIP 2 1 7Y-1781 1 COVER 3 1 7Y-1883 1 PLATE 4 1 115-3
  • Page 402UNDERCARRIAGE 248-7139 TRACK ADJUSTER & RECOIL GP S/N: CJN1-161 PART OF 248-7137 TRACK ADJUSTER & RECOIL GP SMCS-4157, 4158 i02758277 REF GRAPHIC PART NAME SEE NOTE NO REF PART NUMBER QTY 1 2 3 4 5 6 (PRODUCT LEVEL) PAGE 1 1 2S-5926 1 VALVE-RELIEF 2 1 7Y-1780 1 CYLINDER 3 1 093-1435 1 SEAL-LIP TYPE
  • Page 403UNDERCARRIAGE 297-9187 TRACK ADJUSTER & RECOIL GP–RH S/N: CJN162-UP PART OF 297-9185 IDLER GP-FRONT SMCS-4157, 4158 i02942332 REF GRAPHIC PART NAME SEE NOTE NO REF PART NUMBER QTY 1 2 3 4 5 6 (PRODUCT LEVEL) PAGE 1 1 7Y-1746 1 PLATE 2 1 168-6761 1 PLATE AS 1 4B-4158 4 SCREW-DRIVE (3/16X0.25-IN) 1 25
  • Page 404UNDERCARRIAGE 297-9188 TRACK ADJUSTER & RECOIL GP–LH S/N: CJN162-UP PART OF 297-9186 IDLER GP-FRONT SMCS-4157, 4158 i02942333 REF GRAPHIC PART NAME SEE NOTE NO REF PART NUMBER QTY 1 2 3 4 5 6 (PRODUCT LEVEL) PAGE 1 1 7Y-1746 1 PLATE 2 1 168-6761 1 PLATE AS 1 4B-4158 4 SCREW-DRIVE (3/16X0.25-IN) 1 25
  • Page 405UNDERCARRIAGE 297-9189 TRACK ADJUSTER & RECOIL GP S/N: CJN162-UP PART OF 297-9187, 297-9188 TRACK ADJUSTER & RECOIL GP SMCS-4157, 4158 i02942335 REF GRAPHIC PART NAME SEE NOTE NO REF PART NUMBER QTY 1 2 3 4 5 6 (PRODUCT LEVEL) PAGE 1 1 7I-7733 1 WASHER (44X68X8-MM THK) 2 1 7Y-1781 1 COVER 3 1 7Y-188
  • Page 406UNDERCARRIAGE 297-9191 TRACK ADJUSTER & RECOIL GP S/N: CJN162-UP PART OF 297-9189 TRACK ADJUSTER & RECOIL GP SMCS-4157, 4158 i02942337 REF GRAPHIC PART NAME SEE NOTE NO REF PART NUMBER QTY 1 2 3 4 5 6 (PRODUCT LEVEL) PAGE 1 1 2S-5926 1 VALVE-RELIEF 2 1 7I-7734 1 RING-BACKUP 3 1 093-1435 1 SEAL-LIP T
  • Page 407UNDERCARRIAGE 176-4852 TRACK GP–2-REQUIRED S/N: CJN1-UP 600-MM (23.6-IN) TRIPLE GROUSER SHOE AN ATTACHMENT SMCS-4170 i01476499 REF GRAPHIC PART NAME SEE NOTE NO REF PART NUMBER QTY 1 2 3 4 5 6 (PRODUCT LEVEL) PAGE Y 1 1 194-1134 1 LINK AS-TRACK 365 2 1 126-5062 44 SHOE-TRACK M 3 1 9W-3619 176 BOLT-T
  • Page 408UNDERCARRIAGE 179-3027 TRACK GP–2-REQUIRED S/N: CJN1-UP 500-MM (19.7-IN) TRIPLE GROUSER SHOE AN ATTACHMENT SMCS-4170 i01476488 REF GRAPHIC PART NAME SEE NOTE NO REF PART NUMBER QTY 1 2 3 4 5 6 (PRODUCT LEVEL) PAGE Y 1 1 194-1134 1 LINK AS-TRACK 365 2 1 126-5061 44 SHOE-TRACK (500MM WIDE) M 3 1 9W-36
  • Page 409UNDERCARRIAGE 179-3028 TRACK GP–2-REQUIRED S/N: CJN1-UP 700-MM (27.6-IN) TRIPLE GROUSER SHOE PART OF 260-6990 TRACK GP AN ATTACHMENT SMCS-4170 i01476494 REF GRAPHIC PART NAME SEE NOTE NO REF PART NUMBER QTY 1 2 3 4 5 6 (PRODUCT LEVEL) PAGE Y 1 1 194-1134 1 LINK AS-TRACK 365 2 1 126-5063 44 SHOE-TRAC
  • Page 410UNDERCARRIAGE 260-6990 TRACK GP–WITH STEP S/N: CJN1-UP 700-MM (27.6-IN) TRIPLE GROUSER SHOE AN ATTACHMENT SMCS-4170 i02602016 PART NAME SEE NOTE PART NUMBER QTY 1 2 3 4 5 6 (PRODUCT LEVEL) PAGE Y 235-7764 1 STEP GP 344 Y 179-3028 1 TRACK GP 379 Y-SEPARATE ILLUSTRATION 380 UNDERCARRIAGE SEBP486
  • Page 411HYDRAULIC SYSTEM 4I-1536 ACCUMULATOR GP-HYDRAULIC–CHARGED S/N: CJN1-UP PART OF 087-4456 ACCUMULATOR GP-HYDRAULIC SMCS-5077 i01107876 REF GRAPHIC PART NAME SEE NOTE NO REF PART NUMBER QTY 1 2 3 4 5 6 (PRODUCT LEVEL) PAGE 1 1 4I-5862 1 CAP 2 1 4I-1539 1 CORE 3 1 5P-3779 1 TAG-NOTICE (SHIPPING INSTRUCT
  • Page 412HYDRAULIC SYSTEM 5I-8416 ACCUMULATOR GP-HYDRAULIC–CHARGED S/N: CJN1-UP PART OF 087-4456 ACCUMULATOR GP-HYDRAULIC SMCS-5077 i01548084 REF GRAPHIC PART NAME SEE NOTE NO REF PART NUMBER QTY 1 2 3 4 5 6 (PRODUCT LEVEL) PAGE 1 1 4I-8267 1 CAP-ACCUMULATOR Y 2 1 087-4454 1 ACCUMULATOR GP-HYDRAULIC (CHARGED
  • Page 413HYDRAULIC SYSTEM 087-4454 ACCUMULATOR GP-HYDRAULIC–CHARGED S/N: CJN1-UP PART OF 5I-8416 ACCUMULATOR GP-HYDRAULIC SMCS-5077 i01611978 REF GRAPHIC PART NAME SEE NOTE NO REF PART NUMBER QTY 1 2 3 4 5 6 (PRODUCT LEVEL) PAGE 1 1 087-4577 1 SEAL 2 1 087-4576 1 CAP 3 1 087-4575 1 CORE 4 1 5P-3779 1 TAG-NOT
  • Page 414HYDRAULIC SYSTEM 087-4456 ACCUMULATOR GP-HYDRAULIC–CHARGED S/N: CJN1-UP PART OF 164-6981 ACCUMULATOR GP-HYDRAULIC FIELD REPLACEMENT ORDER 227-8807–PAGE 388, 199-7447–PAGE 387 SMCS-5077 i02290967 PART NAME SEE NOTE PART NUMBER QTY 1 2 3 4 5 6 (PRODUCT LEVEL) PAGE Y 4I-1536 1 ACCUMULATOR GP-HYDRAULIC
  • Page 415HYDRAULIC SYSTEM 145-5106 ACCUMULATOR GP-HYDRAULIC–CHARGED S/N: CJN1-UP PART OF 087-4456 ACCUMULATOR GP-HYDRAULIC FIELD REPLACEMENT ORDER 227-8807–PAGE 388 SMCS-5077 i02464714 REF GRAPHIC PART NAME SEE NOTE NO REF PART NUMBER QTY 1 2 3 4 5 6 (PRODUCT LEVEL) PAGE 1 1 159-4700 1 FILM-WARNING (HIGH PRE
  • Page 416HYDRAULIC SYSTEM 164-6981 ACCUMULATOR GP-HYDRAULIC–CHARGED S/N: CJN1-UP PART OF 302-3195 LINES GP-PILOT SMCS-5077 i01284579 PART NAME SEE NOTE PART NUMBER QTY 1 2 3 4 5 6 (PRODUCT LEVEL) PAGE Y 087-4456 1 ACCUMULATOR GP-HYDRAULIC (CHARGED) 384 3K-0360 1 SEAL-O-RING Y-SEPARATE ILLUSTRATION 386
  • Page 417HYDRAULIC SYSTEM 199-7447 ACCUMULATOR GP-HYDRAULIC–UNCHARGED S/N: CJN1-UP FIELD REPLACEMENT FOR 087-4456–PAGE 384 SMCS-5077 i01592197 REF GRAPHIC PART NAME SEE NOTE NO REF PART NUMBER QTY 1 2 3 4 5 6 (PRODUCT LEVEL) PAGE 1 1 4I-5862 1 CAP 2 1 4I-1539 1 CORE GRAPHIC #1 g00222004 SEBP4861-02 1 o
  • Page 418HYDRAULIC SYSTEM 227-8807 ACCUMULATOR GP-HYDRAULIC–UNCHARGED S/N: CJN1-UP FIELD REPLACEMENT FOR 087-4456–PAGE 384, 145-5106–PAGE 385 SMCS-5077 i02847478 REF GRAPHIC PART NAME SEE NOTE NO REF PART NUMBER QTY 1 2 3 4 5 6 (PRODUCT LEVEL) PAGE (NO SERVICED PARTS) GRAPHIC #1 g01423820 388 HYDRAULIC
  • Page 419HYDRAULIC SYSTEM 255-5843 CONTROL AR-AUXILIARY– JOYSTICK WITH SLIDE CONTROL S/N: CJN1-UP AN ATTACHMENT SMCS-5051 i02431300 PART NAME SEE NOTE PART NUMBER QTY 1 2 3 4 5 6 (PRODUCT LEVEL) PAGE Y 259-7598 1 CONTROL & MTG GP-JOYSTICK (WITH SLIDE CONTROL) 898 Y 259-5295 1 FASTENER GP-WIRING HARNESS (JOYS
  • Page 420HYDRAULIC SYSTEM 259-7565 CONTROL AR-AUXILIARY– AUX PUMP, MEDIUM PRESS VALVE S/N: CJN1-UP AN ATTACHMENT SMCS-5051 i02750103 PART NAME SEE NOTE PART NUMBER QTY 1 2 3 4 5 6 (PRODUCT LEVEL) PAGE Y 260-8233 1 LINES GP-FRONT 516 Y 260-8234 1 LINES GP-PILOT (MEDIUM PRESSURE) 567 Y 260-8235 1 LINES GP-PUMP
  • Page 421HYDRAULIC SYSTEM 270-5751 CONTROL AR-AUXILIARY S/N: CJN1-UP FOR USE WITH 255-5843–PAGE 389, 255-5844–PAGE 389, 255-5845–PAGE 1010, 266-1085–PAGE 578 AN ATTACHMENT SMCS-5051 i02728825 PART NAME SEE NOTE PART NUMBER QTY 1 2 3 4 5 6 (PRODUCT LEVEL) PAGE Y 275-1699 1 LINES GP-FRONT (SYSTEM 23, COMBINED
  • Page 422HYDRAULIC SYSTEM 262-3249 CONTROL AR-COUPLER S/N: CJN1-UP AN ATTACHMENT SMCS-6129 i02776621 PART NAME SEE NOTE PART NUMBER QTY 1 2 3 4 5 6 (PRODUCT LEVEL) PAGE Y 282-5705 1 FILM GP (QUICK COUPLER) 1088 Y 260-8222 1 LINES GP-FRONT (QUICK COUPLER) 493 Y 238-2485 1 WIRING GP-QUICK COUPLER 264 Y 259-516
  • Page 423HYDRAULIC SYSTEM 266-6280 COUPLING GP-FLEXIBLE S/N: CJN1-UP PART OF 255-3027 COUPLING GP-PUMP SMCS-3252 i02747795 REF GRAPHIC PART NAME SEE NOTE NO REF PART NUMBER QTY 1 2 3 4 5 6 (PRODUCT LEVEL) PAGE 1 1 7Y-1900 4 INSERT-COUPLING 2 1 7Y-1901 1 ELEMENT-COUPLING 3 1 7Y-1902 4 INSERT-COUPLING M 4 1 7Y
  • Page 424HYDRAULIC SYSTEM 255-3027 COUPLING GP-PUMP S/N: CJN1-UP PART OF 255-3025 PUMP & MTG GP-MAIN HYDRAULIC SMCS-5062 i02724264 REF GRAPHIC PART NAME SEE NOTE NO REF PART NUMBER QTY 1 2 3 4 5 6 (PRODUCT LEVEL) PAGE M 1 1 8T-6429 4 BOLT-SOCKET HEAD (M16X2X55-MM) Y 2 1 266-6280 1 COUPLING GP-FLEXIBLE 393 3
  • Page 425HYDRAULIC SYSTEM 259-0837 CYLINDER & LINES GP-BOOM–LH S/N: CJN1-UP PART OF 330-8777 BOOM AR, 260-6979, 301-2575 BOOM AR-1 PIECE LONG, 301-2479, 301-2517 SPECIAL AR AN ATTACHMENT SMCS-5456, 7562 i03195680 PART NAME SEE NOTE PART NUMBER QTY 1 2 3 4 5 6 (PRODUCT LEVEL) PAGE Y 259-0839 1 CYLINDER & SEAL
  • Page 426HYDRAULIC SYSTEM 259-0844 CYLINDER & LINES GP-BUCKET S/N: CJN1-UP PART OF 268-7258, 268-7259 COUPLER AR-QUICK, 260-7020 LINKAGE AR-BUCKET AN ATTACHMENT SMCS-5457 i02719480 PART NAME SEE NOTE PART NUMBER QTY 1 2 3 4 5 6 (PRODUCT LEVEL) PAGE Y 259-0845 1 CYLINDER & SEAL GP-BUCKET 400 Y 131-9878 1 LINE
  • Page 427HYDRAULIC SYSTEM 310-1782 CYLINDER & LINES GP-BUCKET S/N: CJN1-UP PART OF 330-8778 LINKAGE AR-BUCKET, 301-2479, 301-2517 SPECIAL AR AN ATTACHMENT SMCS-5457 i02842093 PART NAME SEE NOTE PART NUMBER QTY 1 2 3 4 5 6 (PRODUCT LEVEL) PAGE Y 302-1730 1 CYLINDER & SEAL GP-BUCKET 404 Y 131-9878 1 LINES GP-B
  • Page 428HYDRAULIC SYSTEM 259-0839 CYLINDER & SEAL GP-BOOM S/N: CJN1-UP PART OF 259-0837, 259-0838 CYLINDER & LINES GP-BOOM AN ATTACHMENT SMCS-5456 i02748074 REF GRAPHIC PART NAME SEE NOTE NO REF PART NUMBER QTY 1 2 3 4 5 6 (PRODUCT LEVEL) PAGE 1 1 3B-8489 1 FITTING-GREASE 2 1 235-7679 2 SEAL-LIP TYPE Y 3 1
  • Page 429HYDRAULIC SYSTEM 289-8092 CYLINDER & SEAL GP-BOOM S/N: CJN1-UP PART OF 289-8090, 289-8091 CYLINDER & LINES GP-BOOM AN ATTACHMENT SMCS-5456 i02793517 REF GRAPHIC PART NAME SEE NOTE NO REF PART NUMBER QTY 1 2 3 4 5 6 (PRODUCT LEVEL) PAGE 1 1 3B-8489 1 FITTING-GREASE 2 1 235-7679 2 SEAL-LIP TYPE Y 3 1
  • Page 430HYDRAULIC SYSTEM 259-0845 CYLINDER & SEAL GP-BUCKET S/N: CJN1-UP PART OF 259-0844 CYLINDER & LINES GP-BUCKET AN ATTACHMENT SMCS-5457 i02719482 REF GRAPHIC PART NAME SEE NOTE NO REF PART NUMBER QTY 1 2 3 4 5 6 (PRODUCT LEVEL) PAGE 1 1 3B-8489 2 FITTING-GREASE 2 1 235-7679 2 SEAL-LIP TYPE Y 3 1 259-08
  • Page 431HYDRAULIC SYSTEM 259-0915 CYLINDER & SEAL GP-BUCKET S/N: CJN1-UP PART OF 259-0914 CYLINDER & LINES GP-BUCKET AN ATTACHMENT SMCS-5457 i02719449 REF GRAPHIC PART NAME SEE NOTE NO REF PART NUMBER QTY 1 2 3 4 5 6 (PRODUCT LEVEL) PAGE 1 1 3B-8489 2 FITTING-GREASE 2 1 093-1434 2 SEAL-LIP TYPE 3 1 096-0854
  • Page 432HYDRAULIC SYSTEM 289-8112 CYLINDER & SEAL GP-BUCKET S/N: CJN1-UP PART OF 289-8111 CYLINDER & LINES GP-BUCKET AN ATTACHMENT SMCS-5457 i02765410 REF GRAPHIC PART NAME SEE NOTE NO REF PART NUMBER QTY 1 2 3 4 5 6 (PRODUCT LEVEL) PAGE 1 1 3B-8489 2 FITTING-GREASE 2 1 235-7679 2 SEAL-LIP TYPE Y 3 1 289-81
  • Page 433HYDRAULIC SYSTEM 289-8120 CYLINDER & SEAL GP-BUCKET S/N: CJN1-UP PART OF 289-8119 CYLINDER & LINES GP-BUCKET AN ATTACHMENT SMCS-5457 i02776598 REF GRAPHIC PART NAME SEE NOTE NO REF PART NUMBER QTY 1 2 3 4 5 6 (PRODUCT LEVEL) PAGE 1 1 3B-8489 2 FITTING-GREASE 2 1 093-1434 2 SEAL-LIP TYPE 3 1 096-0854
  • Page 434HYDRAULIC SYSTEM 302-1730 CYLINDER & SEAL GP-BUCKET S/N: CJN1-UP PART OF 310-1782 CYLINDER & LINES GP-BUCKET AN ATTACHMENT SMCS-5457 i02842155 REF GRAPHIC PART NAME SEE NOTE NO REF PART NUMBER QTY 1 2 3 4 5 6 (PRODUCT LEVEL) PAGE 1 1 3B-8489 2 FITTING-GREASE 2 1 235-7679 2 SEAL-LIP TYPE Y 3 1 281-89
  • Page 435HYDRAULIC SYSTEM 259-0842 CYLINDER & SEAL GP-STICK S/N: CJN1-UP PART OF 259-0841 CYLINDER & LINES GP-STICK AN ATTACHMENT SMCS-5458 i02748092 REF GRAPHIC PART NAME SEE NOTE NO REF PART NUMBER QTY 1 2 3 4 5 6 (PRODUCT LEVEL) PAGE 1 1 3B-8489 1 FITTING-GREASE 2 1 235-7679 4 SEAL-LIP TYPE Y 3 1 259-0843
  • Page 436HYDRAULIC SYSTEM 289-8102 CYLINDER & SEAL GP-STICK S/N: CJN1-UP PART OF 289-8101 CYLINDER & LINES GP-STICK AN ATTACHMENT SMCS-5458 i02793521 REF GRAPHIC PART NAME SEE NOTE NO REF PART NUMBER QTY 1 2 3 4 5 6 (PRODUCT LEVEL) PAGE 1 1 3B-8489 1 FITTING-GREASE 2 1 235-7679 4 SEAL-LIP TYPE Y 3 1 289-8103
  • Page 437HYDRAULIC SYSTEM 322-8745 CYLINDER & SEAL GP-STICK S/N: CJN1-UP PART OF 289-8101 CYLINDER & LINES GP-STICK AN ATTACHMENT SMCS-5458 i03087028 REF GRAPHIC PART NAME SEE NOTE NO REF PART NUMBER QTY 1 2 3 4 5 6 (PRODUCT LEVEL) PAGE 1 1 3B-8489 1 FITTING-GREASE 2 1 235-7679 4 SEAL-LIP TYPE Y 3 1 322-8746
  • Page 438HYDRAULIC SYSTEM 259-0840 CYLINDER GP-BOOM S/N: CJN1-UP 110-MM (4.3-IN) BORE X 1193-MM (47-IN) STROKE PART OF 259-0839 CYLINDER & SEAL GP-BOOM AN ATTACHMENT SMCS-5456 i02748079 REF GRAPHIC PART NAME SEE NOTE NO REF PART NUMBER QTY 1 2 3 4 5 6 (PRODUCT LEVEL) PAGE J 1 1 9X-7301 1 SEAL AS J 2 1 143-80
  • Page 439HYDRAULIC SYSTEM 259-0840 CYLINDER GP-BOOM (contd. ) i02748079 GRAPHIC #1 g01379184 SEBP4861-02 2 of 2 HYDRAULIC SYSTEM 409
  • Page 440HYDRAULIC SYSTEM 289-8093 CYLINDER GP-BOOM S/N: CJN1-UP 110-MM (4.3-IN) BORE X 1193-MM (46.9-IN) STROKE PART OF 289-8092 CYLINDER & SEAL GP-BOOM AN ATTACHMENT SMCS-5456 i03245500 REF GRAPHIC PART NAME SEE NOTE NO REF PART NUMBER QTY 1 2 3 4 5 6 (PRODUCT LEVEL) PAGE J 1 1 9X-7301 1 SEAL AS J 2 1 143-
  • Page 441HYDRAULIC SYSTEM 289-8093 CYLINDER GP-BOOM (contd. ) i03245500 GRAPHIC #1 g01397514 SEBP4861-02 2 of 2 HYDRAULIC SYSTEM 411
  • Page 442HYDRAULIC SYSTEM 259-0846 CYLINDER GP-BUCKET S/N: CJN1-UP 100-MM (3.9-IN) BORE X 1048-MM (41.3-IN) STROKE PART OF 259-0845 CYLINDER & SEAL GP-BUCKET AN ATTACHMENT SMCS-5457 i02719490 REF GRAPHIC PART NAME SEE NOTE NO REF PART NUMBER QTY 1 2 3 4 5 6 (PRODUCT LEVEL) PAGE J 1 1 9X-7298 1 SEAL AS J 2 1
  • Page 443HYDRAULIC SYSTEM 259-0846 CYLINDER GP-BUCKET (contd. ) i02719490 GRAPHIC #1 g01372389 SEBP4861-02 2 of 2 HYDRAULIC SYSTEM 413
  • Page 444HYDRAULIC SYSTEM 259-0916 CYLINDER GP-BUCKET S/N: CJN1-UP 110-MM (4.3-IN) BORE X 1048-MM (41.3-IN) STROKE PART OF 259-0915 CYLINDER & SEAL GP-BUCKET AN ATTACHMENT SMCS-5457 i02719453 REF GRAPHIC PART NAME SEE NOTE NO REF PART NUMBER QTY 1 2 3 4 5 6 (PRODUCT LEVEL) PAGE J 1 1 9X-7301 1 SEAL AS J 2 1
  • Page 445HYDRAULIC SYSTEM 259-0916 CYLINDER GP-BUCKET (contd. ) i02719453 GRAPHIC #1 g01372430 SEBP4861-02 2 of 2 HYDRAULIC SYSTEM 415
  • Page 446HYDRAULIC SYSTEM 281-8979 CYLINDER GP-BUCKET S/N: CJN1-UP 100-MM (3.9-IN) BORE X 1048-MM (41.2-IN) STROKE PART OF 302-1730 CYLINDER & SEAL GP-BUCKET AN ATTACHMENT SMCS-5457 i02842163 REF GRAPHIC PART NAME SEE NOTE NO REF PART NUMBER QTY 1 2 3 4 5 6 (PRODUCT LEVEL) PAGE 1 1 3E-3377 1 WEDGE-RECEPTACLE
  • Page 447HYDRAULIC SYSTEM 281-8979 CYLINDER GP-BUCKET (contd. ) i02842163 GRAPHIC #1 g01420053 SEBP4861-02 2 of 2 HYDRAULIC SYSTEM 417
  • Page 448HYDRAULIC SYSTEM 289-8113 CYLINDER GP-BUCKET S/N: CJN1-UP 100-MM (3.9-IN) BORE X 1048-MM (41.3-IN) STROKE PART OF 289-8112 CYLINDER & SEAL GP-BUCKET AN ATTACHMENT SMCS-5457 i02765418 REF GRAPHIC PART NAME SEE NOTE NO REF PART NUMBER QTY 1 2 3 4 5 6 (PRODUCT LEVEL) PAGE J 1 1 9X-7298 1 SEAL AS J 2 1
  • Page 449HYDRAULIC SYSTEM 289-8113 CYLINDER GP-BUCKET (contd. ) i02765418 GRAPHIC #1 g01388393 SEBP4861-02 2 of 2 HYDRAULIC SYSTEM 419
  • Page 450HYDRAULIC SYSTEM 289-8121 CYLINDER GP-BUCKET S/N: CJN1-UP 110-MM (4.3-IN) BORE X 1048-MM (41.3-IN) STROKE PART OF 289-8120 CYLINDER & SEAL GP-BUCKET AN ATTACHMENT SMCS-5457 i02776599 REF GRAPHIC PART NAME SEE NOTE NO REF PART NUMBER QTY 1 2 3 4 5 6 (PRODUCT LEVEL) PAGE J 1 1 9X-7301 1 SEAL AS J 2 1
  • Page 451HYDRAULIC SYSTEM 289-8121 CYLINDER GP-BUCKET (contd. ) i02776599 GRAPHIC #1 g01388981 SEBP4861-02 2 of 2 HYDRAULIC SYSTEM 421
  • Page 452HYDRAULIC SYSTEM 256-9795 CYLINDER GP-COUPLER S/N: CJN1-UP 70-MM (2.7-IN) BORE X 125-MM (4.9-IN) STROKE PART OF 236-4154 COUPLER GP-QUICK AN ATTACHMENT SMCS-5133 i02528891 REF GRAPHIC PART NAME SEE NOTE NO REF PART NUMBER QTY 1 2 3 4 5 6 (PRODUCT LEVEL) PAGE 1 1 3B-8489 2 FITTING-GREASE 2 1 172-8406
  • Page 453HYDRAULIC SYSTEM 259-0843 CYLINDER GP-STICK S/N: CJN1-UP 120-MM (4.7-IN) BORE X 1331-MM (52.4-IN) STROKE PART OF 259-0842 CYLINDER & SEAL GP-STICK AN ATTACHMENT SMCS-5458 i02748097 REF GRAPHIC PART NAME SEE NOTE NO REF PART NUMBER QTY 1 2 3 4 5 6 (PRODUCT LEVEL) PAGE J 1 1 7Y-5116 1 RING 2 1 7Y-5119
  • Page 454HYDRAULIC SYSTEM 259-0843 CYLINDER GP-STICK (contd. ) i02748097 GRAPHIC #1 g01379842 424 HYDRAULIC SYSTEM 2 of 2 SEBP4861-02
  • Page 455HYDRAULIC SYSTEM 289-8103 CYLINDER GP-STICK S/N: CJN1-UP 120-MM (4.7-IN) BORE X 1331-MM (52.4-IN) STROKE PART OF 289-8102 CYLINDER & SEAL GP-STICK AN ATTACHMENT SMCS-5458 i03245624 REF GRAPHIC PART NAME SEE NOTE NO REF PART NUMBER QTY 1 2 3 4 5 6 (PRODUCT LEVEL) PAGE J 1 1 7Y-5116 1 RING 2 1 7Y-5119
  • Page 456HYDRAULIC SYSTEM 289-8103 CYLINDER GP-STICK (contd. ) i03245624 GRAPHIC #1 g01398688 426 HYDRAULIC SYSTEM 2 of 2 SEBP4861-02
  • Page 457HYDRAULIC SYSTEM 322-8746 CYLINDER GP-STICK S/N: CJN1-UP 120-MM (4.7-IN) BORE X 1331-MM (52.4-IN) STROKE PART OF 322-8745 CYLINDER & SEAL GP-STICK AN ATTACHMENT SMCS-5458 i03245630 REF GRAPHIC PART NAME SEE NOTE NO REF PART NUMBER QTY 1 2 3 4 5 6 (PRODUCT LEVEL) PAGE J 1 1 7Y-5116 1 RING 2 1 7Y-5119
  • Page 458HYDRAULIC SYSTEM 322-8746 CYLINDER GP-STICK (contd. ) i03245630 GRAPHIC #1 g01626413 428 HYDRAULIC SYSTEM 2 of 2 SEBP4861-02
  • Page 459HYDRAULIC SYSTEM 199-4600 DRIVE GP-SWING–WITH MOTOR S/N: CJN1-UP PART OF 199-4615 DRIVE GP-SWING SMCS-5459 i01823300 REF GRAPHIC PART NAME SEE NOTE NO REF PART NUMBER QTY 1 2 3 4 5 6 (PRODUCT LEVEL) PAGE Y 1 1 204-2814 1 MOTOR GP-SWING 640 Y 2 1 199-4602 1 DRIVE GP-SWING 430 M 3 1 8T-5041 12 BOLT (M
  • Page 460HYDRAULIC SYSTEM 199-4602 DRIVE GP-SWING–WITHOUT MOTOR S/N: CJN1-UP PART OF 199-4600, 267-6779 DRIVE GP-SWING ALSO AN ATTACHMENT SMCS-5459 i01823301 REF GRAPHIC PART NAME SEE NOTE NO REF PART NUMBER QTY 1 2 3 4 5 6 (PRODUCT LEVEL) PAGE 1 1 191-2600 3 GEAR-PLANETARY 2 1 191-2599 1 CARRIER-PLANETARY 3
  • Page 461HYDRAULIC SYSTEM 199-4602 DRIVE GP-SWING (contd. ) i01823301 GRAPHIC #1 g00938931 SEBP4861-02 2 of 2 HYDRAULIC SYSTEM 431
  • Page 462HYDRAULIC SYSTEM 199-4615 DRIVE GP-SWING–WITH MOTOR S/N: CJN1-UP PART OF 267-6738 POWER TRAIN AR SMCS-5459 i02855151 REF GRAPHIC PART NAME SEE NOTE NO REF PART NUMBER QTY 1 2 3 4 5 6 (PRODUCT LEVEL) PAGE 1 1 191-2656 1 TUBE-GAUGE 2 1 191-2657 1 GAUGE-OIL LEVEL (DIPSTICK, SWING DRIVE) (POWER TRAIN OI
  • Page 463HYDRAULIC SYSTEM 267-6778 DRIVE GP-SWING–WITH MOTOR S/N: CJN1-UP PART OF 260-7075 VALVE AR-SWING AN ATTACHMENT TYPE 1 SMCS-5459 i02752932 REF GRAPHIC PART NAME SEE NOTE NO REF PART NUMBER QTY 1 2 3 4 5 6 (PRODUCT LEVEL) PAGE 1 1 6V-7238 1 VALVE-SHUTOFF 2 1 191-2656 1 TUBE-GAUGE 3 1 191-2657 1 GAUGE-
  • Page 464HYDRAULIC SYSTEM 267-6778 DRIVE GP-SWING–WITH MOTOR S/N: CJN1-UP PART OF 260-7075 VALVE AR-SWING AN ATTACHMENT TYPE 2 SMCS-5459 i03154502 REF GRAPHIC PART NAME SEE NOTE NO REF PART NUMBER QTY 1 2 3 4 5 6 (PRODUCT LEVEL) PAGE 1 1 6V-7238 1 VALVE-SHUTOFF 2 1 191-2656 1 TUBE-GAUGE 3 1 191-2657 1 GAUGE-
  • Page 465HYDRAULIC SYSTEM 267-6779 DRIVE GP-SWING–WITH MOTOR S/N: CJN1-UP PART OF 267-6778 DRIVE GP-SWING AN ATTACHMENT SMCS-5459 i02752934 REF GRAPHIC PART NAME SEE NOTE NO REF PART NUMBER QTY 1 2 3 4 5 6 (PRODUCT LEVEL) PAGE Y 1 1 266-8046 1 MOTOR GP-SWING 642 Y 2 1 199-4602 1 DRIVE GP-SWING 430 3 1 8T-422
  • Page 466HYDRAULIC SYSTEM 227-6229 FASTENER GP-SWING & FINAL DR S/N: CJN1-UP PART OF 267-6738 POWER TRAIN AR SMCS-4050, 5459 i02687963 REF GRAPHIC PART NAME SEE NOTE NO REF PART NUMBER QTY 1 2 3 4 5 6 (PRODUCT LEVEL) PAGE 1 1 2Y-5503 2 CORK 2 1 5D-1026 1 CLAMP-HOSE 3 1 191-2580 1 PIN M 4 1 7X-2563 13 BOLT (M
  • Page 467HYDRAULIC SYSTEM 227-6229 FASTENER GP-SWING & FINAL DR (contd. ) i02687963 GRAPHIC #1 g01304902 SEBP4861-02 2 of 2 HYDRAULIC SYSTEM 437
  • Page 468HYDRAULIC SYSTEM 158-8987 FILTER & VALVE GP-PILOT–HYDRAULIC OIL S/N: CJN1-UP PART OF 260-8205 TANK & FILTER GP-HYDRAULIC TYPE 1 SMCS-5072, 5092 i02699181 PART NAME SEE NOTE PART NUMBER QTY 1 2 3 4 5 6 (PRODUCT LEVEL) PAGE Y 188-2084 1 FILTER & VALVE GP-PILOT (HYDRAULIC OIL) 440 (REQUIRES FILTER AS W
  • Page 469HYDRAULIC SYSTEM 158-8987 FILTER & VALVE GP-PILOT–HYDRAULIC OIL S/N: CJN1-UP PART OF 260-8205 TANK & FILTER GP-HYDRAULIC TYPE 2 SMCS-5072, 5092 i03215762 REF GRAPHIC PART NAME SEE NOTE NO REF PART NUMBER QTY 1 2 3 4 5 6 (PRODUCT LEVEL) PAGE C 1 1 5I-8670 1 FILTER-OIL (ADVANCED EFFICIENCY) (HYDRAULIC
  • Page 470HYDRAULIC SYSTEM 188-2084 FILTER & VALVE GP-PILOT–HYDRAULIC OIL S/N: CJN1-UP PART OF 158-8987 FILTER & VALVE GP-PILOT SMCS-5072, 5092 i02997212 REF GRAPHIC PART NAME SEE NOTE NO REF PART NUMBER QTY 1 2 3 4 5 6 (PRODUCT LEVEL) PAGE 1 1 103-8236 1 RING 2 1 126-1813 1 FILTER-OIL (ULTRA HIGH EFFICIENCY)
  • Page 471HYDRAULIC SYSTEM 289-7836 FILTER & VALVE GP-PILOT–HYDRAULIC OIL S/N: CJN1-UP PART OF 158-8987 FILTER & VALVE GP-PILOT SMCS-5072, 5092 i02997229 REF GRAPHIC PART NAME SEE NOTE NO REF PART NUMBER QTY 1 2 3 4 5 6 (PRODUCT LEVEL) PAGE 1 1 5I-8670 1 FILTER-OIL (ADVANCED EFFICIENCY) (HYDRAULIC, PILOT) 2 1
  • Page 472HYDRAULIC SYSTEM 260-7018 FILTER AR-HYDRAULIC S/N: CJN1-UP CANNOT BE USED WITH SYSTEM 22 AND 24 AN ATTACHMENT SMCS-5068 i02719497 PART NAME SEE NOTE PART NUMBER QTY 1 2 3 4 5 6 (PRODUCT LEVEL) PAGE Y 260-8325 1 LINES GP-FRONT (HAMMER, RETURN) 520 Y 259-5271 1 WIRING GP-HYDRAULIC CONTROL (RETURN FILT
  • Page 473HYDRAULIC SYSTEM 224-1687 FILTER GP-OIL–HYDRAULIC S/N: CJN1-UP PART OF 260-8325 LINES GP-FRONT AN ATTACHMENT SMCS-3004, 4295, 431F, 5068, 5091, 5092 i02855340 REF GRAPHIC PART NAME SEE NOTE NO REF PART NUMBER QTY 1 2 3 4 5 6 (PRODUCT LEVEL) PAGE 1 1 224-1685 1 SWITCH AS (FILTER BYPASS) 2 1 096-6073
  • Page 474HYDRAULIC SYSTEM 259-0869 FILTER GP-OIL–HYDRAULIC, MAIN RETURN S/N: CJN1-UP PART OF 260-8205 TANK & FILTER GP-HYDRAULIC SMCS-3004, 4295, 431F, 5068, 5091, 5092 i02854827 REF GRAPHIC PART NAME SEE NOTE NO REF PART NUMBER QTY 1 2 3 4 5 6 (PRODUCT LEVEL) PAGE 1 1 283-6089 1 SEAL-O-RING 2 1 9S-5282 4 WA
  • Page 475HYDRAULIC SYSTEM 266-7792 FILTER GP-OIL–HYDRAULIC, MAIN RETURN S/N: CJN1-UP PART OF 259-0869 FILTER GP-OIL SMCS-3004, 4295, 431F, 5068, 5091, 5092 i02855379 REF GRAPHIC PART NAME SEE NOTE NO REF PART NUMBER QTY 1 2 3 4 5 6 (PRODUCT LEVEL) PAGE 1 1 266-7797 1 SHELL AS 2 1 266-7796 1 FILTER ELEMENT AS
  • Page 476HYDRAULIC SYSTEM 289-8194 FILTER GP-OIL–HYDRAULIC, CASE DRAIN S/N: CJN1-UP PART OF 260-8205 TANK & FILTER GP-HYDRAULIC SMCS-3004, 4295, 431F, 5068, 5091, 5092 i02997232 REF GRAPHIC PART NAME SEE NOTE NO REF PART NUMBER QTY 1 2 3 4 5 6 (PRODUCT LEVEL) PAGE 1 1 093-7521 1 FILTER-OIL (ADVANCED EFFICIEN
  • Page 477HYDRAULIC SYSTEM 221-5069 FITTING GP-HYDRAULIC S/N: CJN1-UP PART OF 260-8204 LINES GP-HYDRAULIC SMCS-5057, 7553 i03016751 PART NAME SEE NOTE PART NUMBER QTY 1 2 3 4 5 6 (PRODUCT LEVEL) PAGE 221-5070 1 TEE AS (TEE,REDUCER & NUT) 6V-8556 1 NUT (1-3/16-12-THD) 6V-8398 1 SEAL-O-RING 6V-8942 1 REDUCER-O-
  • Page 478HYDRAULIC SYSTEM 227-0620 GAUGE GP-SIGHT–HYDRAULIC OIL LEVEL S/N: CJN1-UP PART OF 260-8205 TANK & FILTER GP-HYDRAULIC SMCS-7479 i02220641 REF GRAPHIC PART NAME SEE NOTE NO REF PART NUMBER QTY 1 2 3 4 5 6 (PRODUCT LEVEL) PAGE 1 1 236-3258 2 BLOCK M 2 1 236-3259 2 BOLT-SPECIAL 3 1 236-3257 1 PIPE 4 1
  • Page 479HYDRAULIC SYSTEM 295-9562 GUARD GP-CYLINDER S/N: CJN1-UP PART OF 330-8778 LINKAGE AR-BUCKET, 301-2479, 301-2517 SPECIAL AR AN ATTACHMENT SMCS-7164 i02793525 REF GRAPHIC PART NAME SEE NOTE NO REF PART NUMBER QTY 1 2 3 4 5 6 (PRODUCT LEVEL) PAGE 1 1 131-9940 2 SUPPORT AS 2 1 295-9563 1 GUARD AS 3 1 29
  • Page 480HYDRAULIC SYSTEM 295-9562 GUARD GP-CYLINDER (contd. ) i02793525 GRAPHIC #1 g01398384 450 HYDRAULIC SYSTEM 2 of 2 SEBP4861-02
  • Page 481HYDRAULIC SYSTEM 267-8088 HEAD GP-PUMP S/N: CJN1-UP PART OF 311-7405 PUMP GP-PISTON SMCS-3222, 5070, 5086 i02791360 REF GRAPHIC PART NAME SEE NOTE NO REF PART NUMBER QTY 1 2 3 4 5 6 (PRODUCT LEVEL) PAGE B 1 1 099-3669 2 SHIM (1-MM THK) B 1 099-6109 2 SHIM (1.05-MM THK) B 1 099-6110 2 SHIM (1.1-MM TH
  • Page 482HYDRAULIC SYSTEM 267-8088 HEAD GP-PUMP (contd. ) i02791360 GRAPHIC #1 g01387711 452 HYDRAULIC SYSTEM 2 of 2 SEBP4861-02
  • Page 483HYDRAULIC SYSTEM 259-7547 HYDRAULIC AR S/N: CJN1-UP PART OF 260-6952 GENERAL AR SMCS-5050 i02753358 PART NAME SEE NOTE PART NUMBER QTY 1 2 3 4 5 6 (PRODUCT LEVEL) PAGE Y 260-8209 1 LINES GP-BOOM CYLINDER 474 Y 260-8208 1 LINES GP-FRONT 489 Y 260-8215 1 LINES GP-HYDRAULIC OIL COOLER 546 Y 260-8210 1
  • Page 484HYDRAULIC SYSTEM 262-3234 LINES GP-AUXILIARY HYDRAULIC– HIGH PRESSURE, REACH BOOM S/N: CJN1-UP AN ATTACHMENT SMCS-5057 i02784896 REF GRAPHIC PART NAME SEE NOTE NO REF PART NUMBER QTY 1 2 3 4 5 6 (PRODUCT LEVEL) PAGE 1 1 7Y-3732 8 CLIP 2 1 7Y-4868 8 CLIP I 3 1 197-2299 1 HOSE AS 4 1 253-6276 2 PLATE
  • Page 485HYDRAULIC SYSTEM 262-3235 LINES GP-AUXILIARY HYDRAULIC–REACH BOOM S/N: CJN1-UP MEDIUM FLOW AN ATTACHMENT SMCS-5057 i02736216 REF GRAPHIC PART NAME SEE NOTE NO REF PART NUMBER QTY 1 2 3 4 5 6 (PRODUCT LEVEL) PAGE 1 1 149-1738 4 CLIP 2 1 153-8867 6 CLIP 3 1 193-6606 2 PLATE 4 1 262-3520 2 SUPPORT AS 5
  • Page 486HYDRAULIC SYSTEM 262-3235 LINES GP-AUXILIARY HYDRAULIC (contd. ) i02736216 GRAPHIC #1 g01374111 456 HYDRAULIC SYSTEM 2 of 2 SEBP4861-02
  • Page 487HYDRAULIC SYSTEM 262-3237 LINES GP-AUXILIARY HYDRAULIC–HIGH PRESSURE S/N: CJN1-UP 3.1-M TO 3.2-M (10.2-FT TO 10.5-FT) STICK AN ATTACHMENT SMCS-5057 i02855347 REF GRAPHIC PART NAME SEE NOTE NO REF PART NUMBER QTY 1 2 3 4 5 6 (PRODUCT LEVEL) PAGE I 1 1 087-6643 1 HOSE AS M 2 1 101-7403 4 BOLT-SOCKET H
  • Page 488HYDRAULIC SYSTEM 262-3238 LINES GP-AUXILIARY HYDRAULIC–MEDIUM PRESSURE S/N: CJN1-UP 3.1-M TO 3.2-M (10.2-FT TO 10.5-FT) STICK AN ATTACHMENT SMCS-5057 i02603427 REF GRAPHIC PART NAME SEE NOTE NO REF PART NUMBER QTY 1 2 3 4 5 6 (PRODUCT LEVEL) PAGE 1 1 6C-6760 2 MANIFOLD 2 1 149-1738 8 CLIP I 3 1 173-
  • Page 489HYDRAULIC SYSTEM 262-3238 LINES GP-AUXILIARY HYDRAULIC (contd. ) i02603427 GRAPHIC #1 g01375090 SEBP4861-02 2 of 2 HYDRAULIC SYSTEM 459
  • Page 490HYDRAULIC SYSTEM 262-3240 LINES GP-AUXILIARY HYDRAULIC–HIGH PRESSURE S/N: CJN1-UP 2.6-M TO 2.7-M (8.5-FT TO 8.9-FT) STICK AN ATTACHMENT SMCS-5057 i02752997 REF GRAPHIC PART NAME SEE NOTE NO REF PART NUMBER QTY 1 2 3 4 5 6 (PRODUCT LEVEL) PAGE M 1 1 101-7403 4 BOLT-SOCKET HEAD (M10X1.5X80-MM) I 2 1 2
  • Page 491HYDRAULIC SYSTEM 262-3241 LINES GP-AUXILIARY HYDRAULIC–MEDIUM PRESSURE S/N: CJN1-UP 2.6-M TO 2.7-M (8.5-FT TO 8.9-FT) STICK AN ATTACHMENT SMCS-5057 i02765776 REF GRAPHIC PART NAME SEE NOTE NO REF PART NUMBER QTY 1 2 3 4 5 6 (PRODUCT LEVEL) PAGE 1 1 6C-6760 2 MANIFOLD 2 1 149-1738 8 CLIP I 3 1 173-78
  • Page 492HYDRAULIC SYSTEM 262-3241 LINES GP-AUXILIARY HYDRAULIC (contd. ) i02765776 GRAPHIC #1 g01388323 462 HYDRAULIC SYSTEM 2 of 2 SEBP4861-02
  • Page 493HYDRAULIC SYSTEM 262-3243 LINES GP-AUXILIARY HYDRAULIC–HIGH PRESSURE S/N: CJN1-UP 2.25-M (7.4-FT) STICK AN ATTACHMENT SMCS-5057 i02752995 REF GRAPHIC PART NAME SEE NOTE NO REF PART NUMBER QTY 1 2 3 4 5 6 (PRODUCT LEVEL) PAGE M 1 1 101-7403 4 BOLT-SOCKET HEAD (M10X1.5X80-MM) I 2 1 237-3227 1 HOSE AS
  • Page 494HYDRAULIC SYSTEM 262-3244 LINES GP-AUXILIARY HYDRAULIC–MEDIUM PRESSURE S/N: CJN1-UP 2.3-M (7.4-FT) STICK AN ATTACHMENT SMCS-5057 i02765828 REF GRAPHIC PART NAME SEE NOTE NO REF PART NUMBER QTY 1 2 3 4 5 6 (PRODUCT LEVEL) PAGE 1 1 6C-6760 2 MANIFOLD 2 1 149-1738 4 CLIP 3 1 187-9978 1 SUPPORT AS 4 1 1
  • Page 495HYDRAULIC SYSTEM 262-3244 LINES GP-AUXILIARY HYDRAULIC (contd. ) i02765828 GRAPHIC #1 g01400998 SEBP4861-02 2 of 2 HYDRAULIC SYSTEM 465
  • Page 496HYDRAULIC SYSTEM 268-7245 LINES GP-AUXILIARY HYDRAULIC S/N: CJN1-UP 2.9-M (9.5-FT) STICK AN ATTACHMENT SMCS-5057 i02636484 REF GRAPHIC PART NAME SEE NOTE NO REF PART NUMBER QTY 1 2 3 4 5 6 (PRODUCT LEVEL) PAGE I 1 1 4I-5556 1 HOSE AS M 2 1 101-7403 4 BOLT-SOCKET HEAD (M10X1.5X80-MM) Y 3 1 282-5894 2
  • Page 497HYDRAULIC SYSTEM 268-7246 LINES GP-AUXILIARY HYDRAULIC–MEDIUM PRESSURE S/N: CJN1-UP 2.9-M (9.5-FT) STICK AN ATTACHMENT SMCS-5057 i02791351 REF GRAPHIC PART NAME SEE NOTE NO REF PART NUMBER QTY 1 2 3 4 5 6 (PRODUCT LEVEL) PAGE 1 1 6C-6760 2 MANIFOLD 2 1 149-1738 8 CLIP I 3 1 173-7865 2 HOSE AS 4 1 18
  • Page 498HYDRAULIC SYSTEM 268-7246 LINES GP-AUXILIARY HYDRAULIC (contd. ) i02791351 GRAPHIC #1 g01400223 468 HYDRAULIC SYSTEM 2 of 2 SEBP4861-02
  • Page 499HYDRAULIC SYSTEM 260-8220 LINES GP-BOOM S/N: CJN1-UP PART OF 330-8777 BOOM AR, 260-6979, 283-9001, 301-2575 BOOM AR-1 PIECE LONG, 301-2479, 301-2517 SPECIAL AR AN ATTACHMENT SMCS-5057 i02748106 REF GRAPHIC PART NAME SEE NOTE NO REF PART NUMBER QTY 1 2 3 4 5 6 (PRODUCT LEVEL) PAGE 1 1 4I-1674 2 CLIP
  • Page 500HYDRAULIC SYSTEM 260-8220 LINES GP-BOOM (contd. ) i02748106 GRAPHIC #1 g01379835 470 HYDRAULIC SYSTEM 2 of 2 SEBP4861-02
  • Page 501HYDRAULIC SYSTEM 262-3251 LINES GP-BOOM–STICK LOWERING CONTROL VALVE S/N: CJN1-UP PART OF 259-7585 VALVE AR-CHECK & RELIEF AN ATTACHMENT SMCS-5057 i02776584 REF GRAPHIC PART NAME SEE NOTE NO REF PART NUMBER QTY 1 2 3 4 5 6 (PRODUCT LEVEL) PAGE 1 1 7K-1181 12 STRAP-CABLE I 2 1 212-5149 2 HOSE AS 3 1
  • Page 502HYDRAULIC SYSTEM 179-7644 LINES GP-BOOM CYLINDER–LH S/N: CJN1-UP PART OF 259-0837, 289-8090 CYLINDER & LINES GP-BOOM AN ATTACHMENT SMCS-5057, 5456 i02528564 REF GRAPHIC PART NAME SEE NOTE NO REF PART NUMBER QTY 1 2 3 4 5 6 (PRODUCT LEVEL) PAGE C 1 1 278-6611 1 TUBE AS C 2 1 199-1859 1 TUBE AS 3 1 1P
  • Page 503HYDRAULIC SYSTEM 179-7645 LINES GP-BOOM CYLINDER–RH S/N: CJN1-UP PART OF 259-0838, 289-8091 CYLINDER & LINES GP-BOOM AN ATTACHMENT SMCS-5057, 5456 i02600482 REF GRAPHIC PART NAME SEE NOTE NO REF PART NUMBER QTY 1 2 3 4 5 6 (PRODUCT LEVEL) PAGE 1 1 132-0002 1 SUPPORT AS C 2 1 135-1179 1 SUPPORT AS C
  • Page 504HYDRAULIC SYSTEM 260-8209 LINES GP-BOOM CYLINDER S/N: CJN1-UP PART OF 259-7547 HYDRAULIC AR SMCS-5057, 5456 i02844917 REF GRAPHIC PART NAME SEE NOTE NO REF PART NUMBER QTY 1 2 3 4 5 6 (PRODUCT LEVEL) PAGE 1 1 093-1296 1 CLAMP 2 1 099-5408 1 CLAMP 3 1 106-8715 2 ELBOW AS (EACH INCLUDES) 1 3D-2824 1 S
  • Page 505HYDRAULIC SYSTEM 260-8209 LINES GP-BOOM CYLINDER (contd. ) i02844917 GRAPHIC #1 g01418555 SEBP4861-02 2 of 2 HYDRAULIC SYSTEM 475
  • Page 506HYDRAULIC SYSTEM 260-8243 LINES GP-BOOM CYLINDER–BOOM LOWERING CONTROL S/N: CJN1-UP PART OF 259-7578, 323-7798 VALVE AR-CHECK & RELIEF AN ATTACHMENT SMCS-5057, 5456 i03180328 REF GRAPHIC PART NAME SEE NOTE NO REF PART NUMBER QTY 1 2 3 4 5 6 (PRODUCT LEVEL) PAGE 1 1 7K-1181 3 STRAP-CABLE I 2 1 196-33
  • Page 507HYDRAULIC SYSTEM 260-8243 LINES GP-BOOM CYLINDER (contd. ) i03180328 GRAPHIC #1 g01621862 SEBP4861-02 2 of 2 HYDRAULIC SYSTEM 477
  • Page 508HYDRAULIC SYSTEM 131-9878 LINES GP-BUCKET CYLINDER S/N: CJN1-UP PART OF 259-0844, 289-8111, 310-1782 CYLINDER & LINES GP-BUCKET AN ATTACHMENT SMCS-5457 i03195684 REF GRAPHIC PART NAME SEE NOTE NO REF PART NUMBER QTY 1 2 3 4 5 6 (PRODUCT LEVEL) PAGE 1 1 131-9938 1 TUBE AS 2 1 1P-3703 1 SEAL-RECTANGUL
  • Page 509HYDRAULIC SYSTEM 131-9879 LINES GP-BUCKET CYLINDER S/N: CJN1-UP PART OF 259-0914, 289-8119 CYLINDER & LINES GP-BUCKET AN ATTACHMENT SMCS-5457 i01471719 REF GRAPHIC PART NAME SEE NOTE NO REF PART NUMBER QTY 1 2 3 4 5 6 (PRODUCT LEVEL) PAGE 1 1 131-9938 1 TUBE AS 2 1 1P-3703 1 SEAL-RECTANGULAR M 3 1 8
  • Page 510HYDRAULIC SYSTEM 262-3236 LINES GP-COUPLER–REACH BOOM S/N: CJN1-UP AN ATTACHMENT SMCS-5057, 5133 i02736212 REF GRAPHIC PART NAME SEE NOTE NO REF PART NUMBER QTY 1 2 3 4 5 6 (PRODUCT LEVEL) PAGE 1 1 5Q-4213 4 CLIP 2 1 193-6606 2 PLATE 3 1 230-0496 1 PLATE 4 1 277-1194 2 SUPPORT AS 5 1 277-1195 1 TUBE
  • Page 511HYDRAULIC SYSTEM 262-3239 LINES GP-COUPLER S/N: CJN1-UP 3.1-M TO 3.2-M (10.2-FT TO 10.5-FT) STICK AN ATTACHMENT SMCS-5057, 5133 i02765743 REF GRAPHIC PART NAME SEE NOTE NO REF PART NUMBER QTY 1 2 3 4 5 6 (PRODUCT LEVEL) PAGE I 1 1 177-8506 2 HOSE AS 2 1 198-0370 2 CLIP 3 1 277-0921 1 TUBE AS 4 1 277
  • Page 512HYDRAULIC SYSTEM 262-3239 LINES GP-COUPLER (contd. ) i02765743 GRAPHIC #1 g01388318 482 HYDRAULIC SYSTEM 2 of 2 SEBP4861-02
  • Page 513HYDRAULIC SYSTEM 262-3242 LINES GP-COUPLER S/N: CJN1-UP 2.6-M TO 2.7-M (8.5-FT TO 8.9-FT) STICK AN ATTACHMENT SMCS-5057, 5133 i02765818 REF GRAPHIC PART NAME SEE NOTE NO REF PART NUMBER QTY 1 2 3 4 5 6 (PRODUCT LEVEL) PAGE I 1 1 177-8407 2 HOSE AS 2 1 198-0370 2 CLIP 3 1 277-1059 1 TUBE AS 4 1 277-1
  • Page 514HYDRAULIC SYSTEM 262-3245 LINES GP-COUPLER S/N: CJN1-UP 2.3-M (7.4-FT) STICK AN ATTACHMENT SMCS-5057, 5133 i02765847 REF GRAPHIC PART NAME SEE NOTE NO REF PART NUMBER QTY 1 2 3 4 5 6 (PRODUCT LEVEL) PAGE 1 1 198-0370 2 CLIP 2 1 210-9888 1 TUBE AS 3 1 210-9892 1 TUBE AS I 4 1 277-1251 2 HOSE AS 5 1 1
  • Page 515HYDRAULIC SYSTEM 262-3245 LINES GP-COUPLER (contd. ) i02765847 GRAPHIC #1 g01388625 SEBP4861-02 2 of 2 HYDRAULIC SYSTEM 485
  • Page 516HYDRAULIC SYSTEM 268-7247 LINES GP-COUPLER S/N: CJN1-UP 2.9-M (9.5-FT) STICK AN ATTACHMENT SMCS-5057, 5133 i02736246 REF GRAPHIC PART NAME SEE NOTE NO REF PART NUMBER QTY 1 2 3 4 5 6 (PRODUCT LEVEL) PAGE 1 1 198-0370 2 CLIP I 2 1 210-9966 2 HOSE AS 3 1 277-0921 1 TUBE AS 4 1 277-0924 1 TUBE AS 5 1 1
  • Page 517HYDRAULIC SYSTEM 277-1212 LINES GP-COUPLER S/N: CJN1-UP PART OF 268-7258, 268-7259, 306-1336, 306-1337 COUPLER AR-QUICK AN ATTACHMENT TYPE 1 SMCS-5057, 5133 i02727884 REF GRAPHIC PART NAME SEE NOTE NO REF PART NUMBER QTY 1 2 3 4 5 6 (PRODUCT LEVEL) PAGE 1 1 8C-6561 1 BOLT (5/16-18X1.375-IN) 2 1 6W-2
  • Page 518HYDRAULIC SYSTEM 277-1212 LINES GP-COUPLER S/N: CJN1-UP PART OF 268-7258, 268-7259, 306-1336, 306-1337 COUPLER AR-QUICK AN ATTACHMENT TYPE 2 SMCS-5057, 5133 i03001032 REF GRAPHIC PART NAME SEE NOTE NO REF PART NUMBER QTY 1 2 3 4 5 6 (PRODUCT LEVEL) PAGE 1 1 8C-6561 1 BOLT (5/16-18X1.375-IN) 2 1 6W-2
  • Page 519HYDRAULIC SYSTEM 260-8208 LINES GP-FRONT S/N: CJN1-945 PART OF 259-7547 HYDRAULIC AR SMCS-5057 i02599667 REF GRAPHIC PART NAME SEE NOTE NO REF PART NUMBER QTY 1 2 3 4 5 6 (PRODUCT LEVEL) PAGE I 1 1 108-7547 1 HOSE AS I 2 1 184-9228 1 HOSE AS I 3 1 184-9508 1 HOSE AS I 4 1 184-9512 1 HOSE AS I 5 1 18
  • Page 520HYDRAULIC SYSTEM 260-8208 LINES GP-FRONT (contd. ) i02599667 I-REFER TO HYDRAULIC INFORMATION SYSTEM M-METRIC PART GRAPHIC #1 g01313348 490 HYDRAULIC SYSTEM 2 of 2 SEBP4861-02
  • Page 521HYDRAULIC SYSTEM 260-8208 LINES GP-FRONT S/N: CJN946-UP PART OF 259-7547 HYDRAULIC AR SMCS-5057 i03249111 REF GRAPHIC PART NAME SEE NOTE NO REF PART NUMBER QTY 1 2 3 4 5 6 (PRODUCT LEVEL) PAGE I 1 1 108-7547 1 HOSE AS I 3 1 184-9508 1 HOSE AS I 4 1 184-9512 1 HOSE AS CI 5 1 184-9516 2 HOSE AS 6 1 26
  • Page 522HYDRAULIC SYSTEM 260-8208 LINES GP-FRONT (contd. ) i03249111 C-CHANGE FROM PREVIOUS TYPE I-REFER TO HYDRAULIC INFORMATION SYSTEM M-METRIC PART GRAPHIC #1 g01656693 492 HYDRAULIC SYSTEM 2 of 2 SEBP4861-02
  • Page 523HYDRAULIC SYSTEM 260-8222 LINES GP-FRONT–QUICK COUPLER S/N: CJN1-UP PART OF 262-3249 CONTROL AR-COUPLER AN ATTACHMENT TYPE 1 SMCS-5057 i02862856 REF GRAPHIC PART NAME SEE NOTE NO REF PART NUMBER QTY 1 2 3 4 5 6 (PRODUCT LEVEL) PAGE 1 1 148-8336 1 CONNECTOR AS 1 3J-1907 1 SEAL-O-RING 1 6V-8397 1 SEAL
  • Page 524HYDRAULIC SYSTEM 260-8222 LINES GP-FRONT (contd. ) i02862856 REF GRAPHIC PART NAME SEE NOTE NO REF PART NUMBER QTY 1 2 3 4 5 6 (PRODUCT LEVEL) PAGE 30 1,2 8T-4121 3 WASHER-HARD (11X21X2.5-MM THK) M 31 1 8T-4178 1 BOLT (M10X1.5X90-MM) I-REFER TO HYDRAULIC INFORMATION SYSTEM M-METRIC PART Y-SEPARATE I
  • Page 525HYDRAULIC SYSTEM 260-8222 LINES GP-FRONT (contd. ) i02862856 GRAPHIC #1 g01427095 SEBP4861-02 3 of 4 HYDRAULIC SYSTEM 495
  • Page 526HYDRAULIC SYSTEM 260-8222 LINES GP-FRONT (contd. ) i02862856 GRAPHIC #2 g01427096 496 HYDRAULIC SYSTEM 4 of 4 SEBP4861-02
  • Page 527HYDRAULIC SYSTEM 260-8222 LINES GP-FRONT–QUICK COUPLER S/N: CJN1-UP PART OF 262-3249 CONTROL AR-COUPLER AN ATTACHMENT TYPE 2 SMCS-5057 i03001048 REF GRAPHIC PART NAME SEE NOTE NO REF PART NUMBER QTY 1 2 3 4 5 6 (PRODUCT LEVEL) PAGE 1 1 148-8336 1 CONNECTOR AS 1 3J-1907 1 SEAL-O-RING 1 6V-8397 1 SEAL
  • Page 528HYDRAULIC SYSTEM 260-8222 LINES GP-FRONT (contd. ) i03001048 C-CHANGE FROM PREVIOUS TYPE I-REFER TO HYDRAULIC INFORMATION SYSTEM M-METRIC PART Y-SEPARATE ILLUSTRATION 498 HYDRAULIC SYSTEM 2 of 4 SEBP4861-02
  • Page 529HYDRAULIC SYSTEM 260-8222 LINES GP-FRONT (contd. ) i03001048 GRAPHIC #1 g01528634 SEBP4861-02 3 of 4 HYDRAULIC SYSTEM 499
  • Page 530HYDRAULIC SYSTEM 260-8222 LINES GP-FRONT (contd. ) i03001048 GRAPHIC #2 g01427096 500 HYDRAULIC SYSTEM 4 of 4 SEBP4861-02
  • Page 531HYDRAULIC SYSTEM 260-8222 LINES GP-FRONT–QUICK COUPLER S/N: CJN1-UP PART OF 262-3249 CONTROL AR-COUPLER AN ATTACHMENT TYPE 3 SMCS-5057 i03026101 REF GRAPHIC PART NAME SEE NOTE NO REF PART NUMBER QTY 1 2 3 4 5 6 (PRODUCT LEVEL) PAGE 1 1 148-8336 1 CONNECTOR AS 1 3J-1907 1 SEAL-O-RING 1 6V-8397 1 SEAL
  • Page 532HYDRAULIC SYSTEM 260-8222 LINES GP-FRONT (contd. ) i03026101 REF GRAPHIC PART NAME SEE NOTE NO REF PART NUMBER QTY 1 2 3 4 5 6 (PRODUCT LEVEL) PAGE M 27 2 8T-4185 2 BOLT (M10X1.5X50-MM) 28 1 7K-1181 12 STRAP-CABLE 29 1 8T-2525 1 GROMMET 30 2 8T-4121 2 WASHER-HARD (11X21X2.5-MM THK) C-CHANGE FROM PRE
  • Page 533HYDRAULIC SYSTEM 260-8222 LINES GP-FRONT (contd. ) i03026101 GRAPHIC #1 g01528634 SEBP4861-02 3 of 4 HYDRAULIC SYSTEM 503
  • Page 534HYDRAULIC SYSTEM 260-8222 LINES GP-FRONT (contd. ) i03026101 GRAPHIC #2 g01427096 504 HYDRAULIC SYSTEM 4 of 4 SEBP4861-02
  • Page 535HYDRAULIC SYSTEM 260-8226 LINES GP-FRONT–SYSTEM 20, WORK TOOL PRIORITY S/N: CJN1-UP PART OF 259-7557 CONTROL AR-AUXILIARY AN ATTACHMENT TYPE 1 SMCS-5057 i02747395 REF GRAPHIC PART NAME SEE NOTE NO REF PART NUMBER QTY 1 2 3 4 5 6 (PRODUCT LEVEL) PAGE 1 1 106-8715 1 ELBOW AS 1 3D-2824 1 SEAL-O-RING 1
  • Page 536HYDRAULIC SYSTEM 260-8226 LINES GP-FRONT (contd. ) i02747395 REF GRAPHIC PART NAME SEE NOTE NO REF PART NUMBER QTY 1 2 3 4 5 6 (PRODUCT LEVEL) PAGE 1 6V-9854 1 ELBOW L 25 1 148-8357 1 ELBOW AS 1 5K-9090 1 SEAL-O-RING 1 6V-9008 1 ELBOW 1 7M-8485 1 SEAL-O-RING 26 2 148-8392 1 ELBOW AS 2 6V-9746 1 SEAL
  • Page 537HYDRAULIC SYSTEM 260-8226 LINES GP-FRONT (contd. ) i02747395 GRAPHIC #1 g01383659 SEBP4861-02 3 of 4 HYDRAULIC SYSTEM 507
  • Page 538HYDRAULIC SYSTEM 260-8226 LINES GP-FRONT (contd. ) i02747395 GRAPHIC #2 g01383306 508 HYDRAULIC SYSTEM 4 of 4 SEBP4861-02
  • Page 539HYDRAULIC SYSTEM 260-8226 LINES GP-FRONT–SYSTEM 20, WORK TOOL PRIORITY S/N: CJN1-UP PART OF 259-7557 CONTROL AR-AUXILIARY AN ATTACHMENT TYPE 2 SMCS-5057 i03001049 REF GRAPHIC PART NAME SEE NOTE NO REF PART NUMBER QTY 1 2 3 4 5 6 (PRODUCT LEVEL) PAGE 1 1 106-8715 1 ELBOW AS 1 3D-2824 1 SEAL-O-RING 1
  • Page 540HYDRAULIC SYSTEM 260-8226 LINES GP-FRONT (contd. ) i03001049 REF GRAPHIC PART NAME SEE NOTE NO REF PART NUMBER QTY 1 2 3 4 5 6 (PRODUCT LEVEL) PAGE 1 6V-9854 1 ELBOW L 25 1 148-8357 1 ELBOW AS 1 5K-9090 1 SEAL-O-RING 1 6V-9008 1 ELBOW 1 7M-8485 1 SEAL-O-RING 26 2 148-8392 1 ELBOW AS 2 6V-9746 1 SEAL
  • Page 541HYDRAULIC SYSTEM 260-8226 LINES GP-FRONT (contd. ) i03001049 GRAPHIC #1 g01622298 SEBP4861-02 3 of 4 HYDRAULIC SYSTEM 511
  • Page 542HYDRAULIC SYSTEM 260-8226 LINES GP-FRONT (contd. ) i03001049 GRAPHIC #2 g01622300 512 HYDRAULIC SYSTEM 4 of 4 SEBP4861-02
  • Page 543HYDRAULIC SYSTEM 260-8226 LINES GP-FRONT–SYSTEM 20, WORK TOOL PRIORITY S/N: CJN1-UP PART OF 259-7557 CONTROL AR-AUXILIARY AN ATTACHMENT TYPE 3 SMCS-5057 i03001231 REF GRAPHIC PART NAME SEE NOTE NO REF PART NUMBER QTY 1 2 3 4 5 6 (PRODUCT LEVEL) PAGE 1 1 106-8715 1 ELBOW AS 1 3D-2824 1 SEAL-O-RING 1
  • Page 544HYDRAULIC SYSTEM 260-8226 LINES GP-FRONT (contd. ) i03001231 REF GRAPHIC PART NAME SEE NOTE NO REF PART NUMBER QTY 1 2 3 4 5 6 (PRODUCT LEVEL) PAGE 1 6V-9854 1 ELBOW L 25 1 148-8357 1 ELBOW AS 1 5K-9090 1 SEAL-O-RING 1 6V-9008 1 ELBOW 1 7M-8485 1 SEAL-O-RING 26 1 148-8392 1 ELBOW AS 1 6V-9746 1 SEAL
  • Page 545HYDRAULIC SYSTEM 260-8226 LINES GP-FRONT (contd. ) i03001231 GRAPHIC #1 g01625278 SEBP4861-02 3 of 3 HYDRAULIC SYSTEM 515
  • Page 546HYDRAULIC SYSTEM 260-8233 LINES GP-FRONT–MEDIUM PRESSURE S/N: CJN1-UP PART OF 259-7565, 270-5954 CONTROL AR-AUXILIARY AN ATTACHMENT SMCS-5057 i02910788 REF GRAPHIC PART NAME SEE NOTE NO REF PART NUMBER QTY 1 2 3 4 5 6 (PRODUCT LEVEL) PAGE 1 1 282-7123 1 SUPPORT AS Y 2 1 259-7545 1 VALVE GP-BANK (MED
  • Page 547HYDRAULIC SYSTEM 260-8233 LINES GP-FRONT (contd. ) i02910788 GRAPHIC #1 g01379342 SEBP4861-02 2 of 2 HYDRAULIC SYSTEM 517
  • Page 548HYDRAULIC SYSTEM 260-8236 LINES GP-FRONT S/N: CJN1-UP PART OF 259-7569 CONTROL AR-AUXILIARY AN ATTACHMENT SMCS-5057 i02911216 REF GRAPHIC PART NAME SEE NOTE NO REF PART NUMBER QTY 1 2 3 4 5 6 (PRODUCT LEVEL) PAGE 1 1 7K-1181 1 STRAP-CABLE I 2 1 115-3796 1 HOSE AS 3 1 153-8867 2 CLIP 4 1 178-5883 1 F
  • Page 549HYDRAULIC SYSTEM 260-8236 LINES GP-FRONT (contd. ) i02911216 GRAPHIC #1 g01380964 SEBP4861-02 2 of 2 HYDRAULIC SYSTEM 519
  • Page 550HYDRAULIC SYSTEM 260-8325 LINES GP-FRONT–HAMMER, RETURN S/N: CJN1-UP PART OF 260-7018 FILTER AR-HYDRAULIC AN ATTACHMENT SMCS-5057 i02719518 REF GRAPHIC PART NAME SEE NOTE NO REF PART NUMBER QTY 1 2 3 4 5 6 (PRODUCT LEVEL) PAGE I 1 1 168-9602 1 HOSE AS 2 1 272-4228 1 SUPPORT AS 3 1 272-4231 1 SUPPORT
  • Page 551HYDRAULIC SYSTEM 260-8325 LINES GP-FRONT (contd. ) i02719518 GRAPHIC #1 g01367446 SEBP4861-02 2 of 2 HYDRAULIC SYSTEM 521
  • Page 552HYDRAULIC SYSTEM 275-1696 LINES GP-FRONT–UNIVERSAL QUICK COUPLER S/N: CJN1-UP PART OF 268-7253 CONTROL AR-COUPLER AN ATTACHMENT TYPE 1 SMCS-5057 i02862834 REF GRAPHIC PART NAME SEE NOTE NO REF PART NUMBER QTY 1 2 3 4 5 6 (PRODUCT LEVEL) PAGE 1 1 4I-9521 6 BAND-MARKER (RED, L1) 2 1,2 4I-9522 6 BAND-M
  • Page 553HYDRAULIC SYSTEM 275-1696 LINES GP-FRONT (contd. ) i02862834 REF GRAPHIC PART NAME SEE NOTE NO REF PART NUMBER QTY 1 2 3 4 5 6 (PRODUCT LEVEL) PAGE 2 6V-8641 1 CONNECTOR 31 1,2 148-8336 2 CONNECTOR AS (EACH INCLUDES) 1,2 3J-1907 1 SEAL-O-RING 1,2 6V-8397 1 SEAL-O-RING 1,2 6V-8636 1 CONNECTOR 32 2 14
  • Page 554HYDRAULIC SYSTEM 275-1696 LINES GP-FRONT (contd. ) i02862834 REF GRAPHIC PART NAME SEE NOTE NO REF PART NUMBER QTY 1 2 3 4 5 6 (PRODUCT LEVEL) PAGE 2 6V-8397 1 SEAL-O-RING 2 6V-9850 1 ELBOW JY 54 2 164-6980 1 VALVE GP-SHUTTLE 731 E-ORDER BY THE CENTIMETER I-REFER TO HYDRAULIC INFORMATION SYSTEM J-RE
  • Page 555HYDRAULIC SYSTEM 275-1696 LINES GP-FRONT (contd. ) i02862834 GRAPHIC #2 g01427380 SEBP4861-02 4 of 4 HYDRAULIC SYSTEM 525
  • Page 556HYDRAULIC SYSTEM 275-1696 LINES GP-FRONT–UNIVERSAL QUICK COUPLER S/N: CJN1-UP PART OF 268-7253 CONTROL AR-COUPLER AN ATTACHMENT TYPE 2 SMCS-5057 i03001047 REF GRAPHIC PART NAME SEE NOTE NO REF PART NUMBER QTY 1 2 3 4 5 6 (PRODUCT LEVEL) PAGE 1 1 4I-9521 6 BAND-MARKER (RED, L1) 2 1,2 4I-9522 6 BAND-M
  • Page 557HYDRAULIC SYSTEM 275-1696 LINES GP-FRONT (contd. ) i03001047 REF GRAPHIC PART NAME SEE NOTE NO REF PART NUMBER QTY 1 2 3 4 5 6 (PRODUCT LEVEL) PAGE 2 6V-8641 1 CONNECTOR C 31 2 148-8336 1 CONNECTOR AS 2 3J-1907 1 SEAL-O-RING 2 6V-8397 1 SEAL-O-RING 2 6V-8636 1 CONNECTOR 32 2 148-8353 2 ELBOW AS (EAC
  • Page 558HYDRAULIC SYSTEM 275-1696 LINES GP-FRONT (contd. ) i03001047 REF GRAPHIC PART NAME SEE NOTE NO REF PART NUMBER QTY 1 2 3 4 5 6 (PRODUCT LEVEL) PAGE 2 6V-8397 1 SEAL-O-RING 2 6V-9850 1 ELBOW JY 54 2 164-6980 1 VALVE GP-SHUTTLE 731 C-CHANGE FROM PREVIOUS TYPE E-ORDER BY THE CENTIMETER I-REFER TO HYDRA
  • Page 559HYDRAULIC SYSTEM 275-1696 LINES GP-FRONT (contd. ) i03001047 GRAPHIC #2 g01619257 SEBP4861-02 4 of 4 HYDRAULIC SYSTEM 529
  • Page 560HYDRAULIC SYSTEM 275-1699 LINES GP-FRONT–SYSTEM 23, COMBINED FUNCTION S/N: CJN1-UP PART OF 270-5751 CONTROL AR-AUXILIARY AN ATTACHMENT TYPE 1 SMCS-5057 i02598678 REF GRAPHIC PART NAME SEE NOTE NO REF PART NUMBER QTY 1 2 3 4 5 6 (PRODUCT LEVEL) PAGE 1 1 106-8715 1 ELBOW AS 1 3D-2824 1 SEAL-O-RING 1 6
  • Page 561HYDRAULIC SYSTEM 275-1699 LINES GP-FRONT (contd. ) i02598678 REF GRAPHIC PART NAME SEE NOTE NO REF PART NUMBER QTY 1 2 3 4 5 6 (PRODUCT LEVEL) PAGE 27 1,2 8T-4121 6 WASHER-HARD (11X21X2.5-MM THK) M 28 2 8T-4136 4 BOLT (M10X1.5X25-MM) M 29 1 8T-4139 2 BOLT (M12X1.75X30-MM) M 30 2 8T-4183 4 BOLT (M12X
  • Page 562HYDRAULIC SYSTEM 275-1699 LINES GP-FRONT (contd. ) i02598678 GRAPHIC #1 g01310534 532 HYDRAULIC SYSTEM 3 of 4 SEBP4861-02
  • Page 563HYDRAULIC SYSTEM 275-1699 LINES GP-FRONT (contd. ) i02598678 GRAPHIC #2 g01310673 SEBP4861-02 4 of 4 HYDRAULIC SYSTEM 533
  • Page 564HYDRAULIC SYSTEM 275-1699 LINES GP-FRONT–SYSTEM 23, COMBINED FUNCTION S/N: CJN1-UP PART OF 270-5751 CONTROL AR-AUXILIARY AN ATTACHMENT TYPE 2 SMCS-5057 i03001033 REF GRAPHIC PART NAME SEE NOTE NO REF PART NUMBER QTY 1 2 3 4 5 6 (PRODUCT LEVEL) PAGE 1 1 106-8715 1 ELBOW AS 1 3D-2824 1 SEAL-O-RING 1 6
  • Page 565HYDRAULIC SYSTEM 275-1699 LINES GP-FRONT (contd. ) i03001033 REF GRAPHIC PART NAME SEE NOTE NO REF PART NUMBER QTY 1 2 3 4 5 6 (PRODUCT LEVEL) PAGE 27 1,2 8T-4121 6 WASHER-HARD (11X21X2.5-MM THK) M 28 2 8T-4136 4 BOLT (M10X1.5X25-MM) M 29 1 8T-4139 2 BOLT (M12X1.75X30-MM) M 30 2 8T-4183 4 BOLT (M12X
  • Page 566HYDRAULIC SYSTEM 275-1699 LINES GP-FRONT (contd. ) i03001033 GRAPHIC #1 g01618857 536 HYDRAULIC SYSTEM 3 of 4 SEBP4861-02
  • Page 567HYDRAULIC SYSTEM 275-1699 LINES GP-FRONT (contd. ) i03001033 GRAPHIC #2 g01618861 SEBP4861-02 4 of 4 HYDRAULIC SYSTEM 537
  • Page 568HYDRAULIC SYSTEM 275-1699 LINES GP-FRONT–SYSTEM 23, COMBINED FUNCTION S/N: CJN1-UP PART OF 270-5751 CONTROL AR-AUXILIARY AN ATTACHMENT TYPE 3 SMCS-5057 i03168880 REF GRAPHIC PART NAME SEE NOTE NO REF PART NUMBER QTY 1 2 3 4 5 6 (PRODUCT LEVEL) PAGE 1 1 106-8715 1 ELBOW AS 1 3D-2824 1 SEAL-O-RING 1 6
  • Page 569HYDRAULIC SYSTEM 275-1699 LINES GP-FRONT (contd. ) i03168880 REF GRAPHIC PART NAME SEE NOTE NO REF PART NUMBER QTY 1 2 3 4 5 6 (PRODUCT LEVEL) PAGE 27 1 8T-4121 6 WASHER-HARD (11X21X2.5-MM THK) M 28 1 8T-4136 4 BOLT (M10X1.5X25-MM) M 29 1 8T-4139 2 BOLT (M12X1.75X30-MM) M 30 1 8T-4183 4 BOLT (M12X1.
  • Page 570HYDRAULIC SYSTEM 275-1699 LINES GP-FRONT (contd. ) i03168880 GRAPHIC #1 g01623700 540 HYDRAULIC SYSTEM 3 of 3 SEBP4861-02
  • Page 571HYDRAULIC SYSTEM 275-1701 LINES GP-FRONT–SYSTEM 23, COMBINED FUNCTION S/N: CJN1-UP PART OF 270-5750 CONTROL AR-AUXILIARY AN ATTACHMENT SMCS-5057 i02598676 REF GRAPHIC PART NAME SEE NOTE NO REF PART NUMBER QTY 1 2 3 4 5 6 (PRODUCT LEVEL) PAGE 1 1 221-8859 1 SENSOR AS-PRESSURE (WORK TOOL) 1 3E-3371 1
  • Page 572HYDRAULIC SYSTEM 260-8204 LINES GP-HYDRAULIC S/N: CJN1-945 PART OF 260-8203 TANK & MTG GP-HYDRAULIC SMCS-5057 i02877611 REF GRAPHIC PART NAME SEE NOTE NO REF PART NUMBER QTY 1 2 3 4 5 6 (PRODUCT LEVEL) PAGE 1 1 4I-9527 2 BAND-MARKER (GREEN, R3) 2 1 7K-1181 4 STRAP-CABLE 3 1 164-6874 1 FITTING AS-ELB
  • Page 573HYDRAULIC SYSTEM 260-8204 LINES GP-HYDRAULIC (contd. ) i02877611 GRAPHIC #1 g01426360 SEBP4861-02 2 of 2 HYDRAULIC SYSTEM 543
  • Page 574HYDRAULIC SYSTEM 260-8204 LINES GP-HYDRAULIC S/N: CJN945-UP PART OF 260-8203 TANK & MTG GP-HYDRAULIC SMCS-5057 i03127420 REF GRAPHIC PART NAME SEE NOTE NO REF PART NUMBER QTY 1 2 3 4 5 6 (PRODUCT LEVEL) PAGE 1 1 4I-9527 2 BAND-MARKER (GREEN, R3) 2 1 7K-1181 4 STRAP-CABLE 3 1 164-6874 1 FITTING AS-EL
  • Page 575HYDRAULIC SYSTEM 260-8204 LINES GP-HYDRAULIC (contd. ) i03127420 GRAPHIC #1 g01620517 SEBP4861-02 2 of 2 HYDRAULIC SYSTEM 545
  • Page 576HYDRAULIC SYSTEM 260-8215 LINES GP-HYDRAULIC OIL COOLER S/N: CJN1-UP PART OF 259-7547 HYDRAULIC AR SMCS-1374 i03093825 REF GRAPHIC PART NAME SEE NOTE NO REF PART NUMBER QTY 1 2 3 4 5 6 (PRODUCT LEVEL) PAGE 1 1 269-9883 1 TUBE AS 2 1 269-9886 1 TUBE AS M 3 1 096-4883 4 LOCKNUT (M10X1.15-THD) 4 1 4J-0
  • Page 577HYDRAULIC SYSTEM 260-7891 LINES GP-PILOT–PUMP CONTROL, SHUTTLE VALVE S/N: CJN1-UP PART OF 259-7557, 270-5751 CONTROL AR-AUXILIARY AN ATTACHMENT SMCS-5057, 5059 i02855390 REF GRAPHIC PART NAME SEE NOTE NO REF PART NUMBER QTY 1 2 3 4 5 6 (PRODUCT LEVEL) PAGE 1 1 309-5769 1 SWITCH AS-PRESSURE (IMPLEMEN
  • Page 578HYDRAULIC SYSTEM 260-7891 LINES GP-PILOT (contd. ) i02855390 GRAPHIC #1 g01151832 548 HYDRAULIC SYSTEM 2 of 2 SEBP4861-02
  • Page 579HYDRAULIC SYSTEM 260-8047 LINES GP-PILOT–THIRD PEDAL, STRAIGHT TRAVEL S/N: CJN1-UP PART OF 259-7196 PEDAL AR-THIRD AN ATTACHMENT SMCS-5057, 5059 i03134843 REF GRAPHIC PART NAME SEE NOTE NO REF PART NUMBER QTY 1 2 3 4 5 6 (PRODUCT LEVEL) PAGE I 1 1 4I-1704 1 HOSE AS I 2 1 087-4402 1 HOSE AS I 3 1 087
  • Page 580HYDRAULIC SYSTEM 260-8047 LINES GP-PILOT (contd. ) i03134843 GRAPHIC #1 g01436139 550 HYDRAULIC SYSTEM 2 of 2 SEBP4861-02
  • Page 581HYDRAULIC SYSTEM 260-8217 LINES GP-PILOT–MAIN CONTROL VALVE S/N: CJN1-527 PART OF 259-7547 HYDRAULIC AR SMCS-5057, 5059 i03153880 REF GRAPHIC PART NAME SEE NOTE NO REF PART NUMBER QTY 1 2 3 4 5 6 (PRODUCT LEVEL) PAGE I 1 2 4I-0836 1 HOSE AS 2 2 4I-3941 2 FITTING AS 3 1 4I-3953 2 GROMMET I 4 2 4I-398
  • Page 582HYDRAULIC SYSTEM 260-8217 LINES GP-PILOT (contd. ) i03153880 REF GRAPHIC PART NAME SEE NOTE NO REF PART NUMBER QTY 1 2 3 4 5 6 (PRODUCT LEVEL) PAGE 32 2 150-3036 3 ELBOW AS (EACH INCLUDES) 2 3J-1907 1 SEAL-O-RING 2 6V-8397 1 SEAL-O-RING 2 8T-1905 1 ELBOW 33 2 148-8338 1 CONNECTOR AS 2 3J-1907 1 SEAL
  • Page 583HYDRAULIC SYSTEM 260-8217 LINES GP-PILOT (contd. ) i03153880 GRAPHIC #1 g01620918 SEBP4861-02 3 of 4 HYDRAULIC SYSTEM 553
  • Page 584HYDRAULIC SYSTEM 260-8217 LINES GP-PILOT (contd. ) i03153880 GRAPHIC #2 g01620919 554 HYDRAULIC SYSTEM 4 of 4 SEBP4861-02
  • Page 585HYDRAULIC SYSTEM 260-8217 LINES GP-PILOT–MAIN CONTROL VALVE S/N: CJN528-UP PART OF 259-7547 HYDRAULIC AR SMCS-5057, 5059 i03183296 REF GRAPHIC PART NAME SEE NOTE NO REF PART NUMBER QTY 1 2 3 4 5 6 (PRODUCT LEVEL) PAGE I 1 2 4I-0836 1 HOSE AS 2 2 4I-3941 2 FITTING AS 3 1 4I-3953 2 GROMMET I 4 2 4I-39
  • Page 586HYDRAULIC SYSTEM 260-8217 LINES GP-PILOT (contd. ) i03183296 REF GRAPHIC PART NAME SEE NOTE NO REF PART NUMBER QTY 1 2 3 4 5 6 (PRODUCT LEVEL) PAGE 33 2 148-8338 1 CONNECTOR AS 2 3J-1907 1 SEAL-O-RING 2 6V-8397 1 SEAL-O-RING 2 8T-0075 1 CONNECTOR C-CHANGE FROM PREVIOUS TYPE I-REFER TO HYDRAULIC INFO
  • Page 587HYDRAULIC SYSTEM 260-8217 LINES GP-PILOT (contd. ) i03183296 GRAPHIC #1 g01578693 SEBP4861-02 3 of 4 HYDRAULIC SYSTEM 557
  • Page 588HYDRAULIC SYSTEM 260-8217 LINES GP-PILOT (contd. ) i03183296 GRAPHIC #2 g01588013 558 HYDRAULIC SYSTEM 4 of 4 SEBP4861-02
  • Page 589HYDRAULIC SYSTEM 260-8219 LINES GP-PILOT–FILTER, PILOT PUMP S/N: CJN1-UP PART OF 259-7547 HYDRAULIC AR SMCS-5057, 5059 i02855401 REF GRAPHIC PART NAME SEE NOTE NO REF PART NUMBER QTY 1 2 3 4 5 6 (PRODUCT LEVEL) PAGE 1 1 6V-0852 4 CAP-DUST I 2 1 7I-1377 1 HOSE AS 3 1 7K-1181 4 STRAP-CABLE I 4 1 131-9
  • Page 590HYDRAULIC SYSTEM 260-8219 LINES GP-PILOT (contd. ) i02855401 GRAPHIC #1 g01389082 560 HYDRAULIC SYSTEM 2 of 2 SEBP4861-02
  • Page 591HYDRAULIC SYSTEM 260-8225 LINES GP-PILOT–SYSTEM 23, COMBINED FUNCTION S/N: CJN1-UP PART OF 270-5751 CONTROL AR-AUXILIARY AN ATTACHMENT TYPE 1 SMCS-5057, 5059 i02866153 REF GRAPHIC PART NAME SEE NOTE NO REF PART NUMBER QTY 1 2 3 4 5 6 (PRODUCT LEVEL) PAGE I 1 1 192-6775 1 HOSE AS 2 1 4I-3941 1 FITTIN
  • Page 592HYDRAULIC SYSTEM 260-8225 LINES GP-PILOT (contd. ) i02866153 REF GRAPHIC PART NAME SEE NOTE NO REF PART NUMBER QTY 1 2 3 4 5 6 (PRODUCT LEVEL) PAGE 1 6V-8397 1 SEAL-O-RING 1 6V-8724 1 ELBOW 36 1 148-8433 2 TEE AS (EACH INCLUDES) 1 6V-8397 2 SEAL-O-RING 1 6V-9836 1 TEE-SWIVEL 37 1 150-3036 4 ELBOW AS
  • Page 593HYDRAULIC SYSTEM 260-8225 LINES GP-PILOT (contd. ) i02866153 GRAPHIC #1 g01376776 SEBP4861-02 3 of 3 HYDRAULIC SYSTEM 563
  • Page 594HYDRAULIC SYSTEM 260-8225 LINES GP-PILOT–SYSTEM 23, COMBINED FUNCTION S/N: CJN1-UP PART OF 270-5751 CONTROL AR-AUXILIARY AN ATTACHMENT TYPE 2 SMCS-5057, 5059 i03063022 REF GRAPHIC PART NAME SEE NOTE NO REF PART NUMBER QTY 1 2 3 4 5 6 (PRODUCT LEVEL) PAGE CI 1 1 4I-1037 1 HOSE AS 2 1 4I-3941 1 FITTIN
  • Page 595HYDRAULIC SYSTEM 260-8225 LINES GP-PILOT (contd. ) i03063022 REF GRAPHIC PART NAME SEE NOTE NO REF PART NUMBER QTY 1 2 3 4 5 6 (PRODUCT LEVEL) PAGE 1 6V-8636 1 CONNECTOR 38 1 148-8367 2 ELBOW AS (EACH INCLUDES) 1 6V-8397 1 SEAL-O-RING 1 6V-9850 1 ELBOW 39 1 148-8374 1 ELBOW AS 1 3K-0360 1 SEAL-O-RIN
  • Page 596HYDRAULIC SYSTEM 260-8225 LINES GP-PILOT (contd. ) i03063022 GRAPHIC #1 g01623771 566 HYDRAULIC SYSTEM 3 of 3 SEBP4861-02
  • Page 597HYDRAULIC SYSTEM 260-8234 LINES GP-PILOT S/N: CJN1-UP PART OF 259-7565, 270-5954 CONTROL AR-AUXILIARY AN ATTACHMENT SMCS-5057, 5059 i02750020 REF GRAPHIC PART NAME SEE NOTE NO REF PART NUMBER QTY 1 2 3 4 5 6 (PRODUCT LEVEL) PAGE 1 1 4I-9526 2 BAND-MARKER (WHITE, R2) 2 1 4I-9527 2 BAND-MARKER (GREEN,
  • Page 598HYDRAULIC SYSTEM 260-8234 LINES GP-PILOT (contd. ) i02750020 GRAPHIC #1 g01382436 568 HYDRAULIC SYSTEM 2 of 2 SEBP4861-02
  • Page 599HYDRAULIC SYSTEM 260-8238 LINES GP-PILOT–MEDIUM PRESSURE S/N: CJN1-UP PART OF 259-7569 CONTROL AR-AUXILIARY AN ATTACHMENT SMCS-5057, 5059 i02750094 REF GRAPHIC PART NAME SEE NOTE NO REF PART NUMBER QTY 1 2 3 4 5 6 (PRODUCT LEVEL) PAGE 1 1 4I-9523 2 BAND-MARKER (BLUE, L3) 2 1 4I-9526 2 BAND-MARKER (W
  • Page 600HYDRAULIC SYSTEM 260-8238 LINES GP-PILOT (contd. ) i02750094 GRAPHIC #1 g01381741 570 HYDRAULIC SYSTEM 2 of 2 SEBP4861-02
  • Page 601HYDRAULIC SYSTEM 260-8240 LINES GP-PILOT–THIRD PEDAL, MAIN CTL VALVE S/N: CJN1-UP PART OF 259-7196 PEDAL AR-THIRD AN ATTACHMENT SMCS-5057, 5059 i02748205 REF GRAPHIC PART NAME SEE NOTE NO REF PART NUMBER QTY 1 2 3 4 5 6 (PRODUCT LEVEL) PAGE 1 1 4I-9521 4 BAND-MARKER (RED, L1) 2 1 4I-9522 4 BAND-MARK
  • Page 602HYDRAULIC SYSTEM 260-8241 LINES GP-PILOT–4-WAY S/N: CJN1-UP PART OF 259-7575 VALVE & LINES GP-PILOT AN ATTACHMENT SMCS-5057, 5059 i02765489 REF GRAPHIC PART NAME SEE NOTE NO REF PART NUMBER QTY 1 2 3 4 5 6 (PRODUCT LEVEL) PAGE I 1 1 4I-1037 2 HOSE AS I 2 1 4I-6136 1 HOSE AS 3 1 4I-9521 4 BAND-MARKER
  • Page 603HYDRAULIC SYSTEM 260-8241 LINES GP-PILOT (contd. ) i02765489 GRAPHIC #1 g01388547 SEBP4861-02 2 of 2 HYDRAULIC SYSTEM 573
  • Page 604HYDRAULIC SYSTEM 260-8242 LINES GP-PILOT–CONTROL PATTERN CHANGE, 2-WAY S/N: CJN1-UP PART OF 259-7577 VALVE AR-ALT PATTERN CONTROL AN ATTACHMENT SMCS-5057, 5059 i02911118 REF GRAPHIC PART NAME SEE NOTE NO REF PART NUMBER QTY 1 2 3 4 5 6 (PRODUCT LEVEL) PAGE I 1 1 4I-1037 4 HOSE AS I 2 1 4I-6136 1 HOS
  • Page 605HYDRAULIC SYSTEM 260-8242 LINES GP-PILOT (contd. ) i02911118 GRAPHIC #1 g01377042 SEBP4861-02 2 of 3 HYDRAULIC SYSTEM 575
  • Page 606HYDRAULIC SYSTEM 260-8242 LINES GP-PILOT (contd. ) i02911118 GRAPHIC #2 g01377072 576 HYDRAULIC SYSTEM 3 of 3 SEBP4861-02
  • Page 607HYDRAULIC SYSTEM 260-8246 LINES GP-PILOT–STICK LOWERING CONTROL S/N: CJN1-UP PART OF 259-7585 VALVE AR-CHECK & RELIEF AN ATTACHMENT SMCS-5057, 5059 i02954233 REF GRAPHIC PART NAME SEE NOTE NO REF PART NUMBER QTY 1 2 3 4 5 6 (PRODUCT LEVEL) PAGE 1 1 7K-1181 6 STRAP-CABLE I 2 1 113-6452 1 HOSE AS 3 1
  • Page 608HYDRAULIC SYSTEM 266-1085 LINES GP-PILOT–PRESSURE SUPPLY S/N: CJN1-UP AN ATTACHMENT SMCS-5057, 5059 i02778740 REF GRAPHIC PART NAME SEE NOTE NO REF PART NUMBER QTY 1 2 3 4 5 6 (PRODUCT LEVEL) PAGE 1 1 7K-1181 1 STRAP-CABLE I 2 1 087-5766 1 HOSE AS 3 1 168-9759 1 BLOCK 4 1 272-4172 1 SUPPORT AS 5 1 1
  • Page 609HYDRAULIC SYSTEM 266-1085 LINES GP-PILOT (contd. ) i02778740 GRAPHIC #1 g01407994 SEBP4861-02 2 of 2 HYDRAULIC SYSTEM 579
  • Page 610HYDRAULIC SYSTEM 275-1715 LINES GP-PILOT–PILOT CONTROL S/N: CJN1-992 PART OF 259-7547 HYDRAULIC AR SMCS-5057, 5059 i02696669 REF GRAPHIC PART NAME SEE NOTE NO REF PART NUMBER QTY 1 2 3 4 5 6 (PRODUCT LEVEL) PAGE 1 1 4I-9521 2 BAND-MARKER (RED, L1) 2 1 4I-9522 2 BAND-MARKER (YELLOW, L2) 3 1 4I-9523 2
  • Page 611HYDRAULIC SYSTEM 275-1715 LINES GP-PILOT (contd. ) i02696669 I-REFER TO HYDRAULIC INFORMATION SYSTEM M-METRIC PART Y-SEPARATE ILLUSTRATION GRAPHIC #1 g01307912 SEBP4861-02 2 of 2 HYDRAULIC SYSTEM 581
  • Page 612HYDRAULIC SYSTEM 275-1715 LINES GP-PILOT–PILOT CONTROL S/N: CJN993-UP PART OF 259-7547 HYDRAULIC AR SMCS-5057, 5059 i03127804 REF GRAPHIC PART NAME SEE NOTE NO REF PART NUMBER QTY 1 2 3 4 5 6 (PRODUCT LEVEL) PAGE 1 1 4I-9521 2 BAND-MARKER (RED, L1) 2 1 4I-9522 2 BAND-MARKER (YELLOW, L2) 3 1 4I-9523
  • Page 613HYDRAULIC SYSTEM 275-1715 LINES GP-PILOT (contd. ) i03127804 C-CHANGE FROM PREVIOUS TYPE I-REFER TO HYDRAULIC INFORMATION SYSTEM M-METRIC PART Y-SEPARATE ILLUSTRATION SEBP4861-02 2 of 3 HYDRAULIC SYSTEM 583
  • Page 614HYDRAULIC SYSTEM 275-1715 LINES GP-PILOT (contd. ) i03127804 GRAPHIC #1 g01307912 584 HYDRAULIC SYSTEM 3 of 3 SEBP4861-02
  • Page 615HYDRAULIC SYSTEM 289-5749 LINES GP-PILOT–ACCUGRADE, CAB S/N: CJN1-UP PART OF 301-2479, 301-2517, 330-8775 SPECIAL AR AN ATTACHMENT SMCS-5057, 5059 i02843759 REF GRAPHIC PART NAME SEE NOTE NO REF PART NUMBER QTY 1 2 3 4 5 6 (PRODUCT LEVEL) PAGE I 1 1 4I-0836 1 HOSE AS 2 1 4I-9521 6 BAND-MARKER (RED,
  • Page 616HYDRAULIC SYSTEM 289-5749 LINES GP-PILOT (contd. ) i02843759 GRAPHIC #1 g01419435 586 HYDRAULIC SYSTEM 2 of 2 SEBP4861-02
  • Page 617HYDRAULIC SYSTEM 289-5750 LINES GP-PILOT–ACCUGRADE, CONTROL VALVE S/N: CJN1-UP PART OF 301-2479, 301-2517, 330-8775 SPECIAL AR AN ATTACHMENT SMCS-5057, 5059 i02843750 REF GRAPHIC PART NAME SEE NOTE NO REF PART NUMBER QTY 1 2 3 4 5 6 (PRODUCT LEVEL) PAGE I 1 2 4I-1783 1 HOSE AS I 2 2 4I-3991 2 HOSE A
  • Page 618HYDRAULIC SYSTEM 289-5750 LINES GP-PILOT (contd. ) i02843750 REF GRAPHIC PART NAME SEE NOTE NO REF PART NUMBER QTY 1 2 3 4 5 6 (PRODUCT LEVEL) PAGE 2 6V-8397 1 SEAL-O-RING 2 8T-1905 1 ELBOW 33 2 164-5567 4 COUPLER AS-QUICK DISCONNECT (EACH INCLUDES) 2 3J-1907 1 SEAL-O-RING 2 6V-3965 1 FITTING (QUICK
  • Page 619HYDRAULIC SYSTEM 289-5750 LINES GP-PILOT (contd. ) i02843750 GRAPHIC #2 g01419487 SEBP4861-02 3 of 3 HYDRAULIC SYSTEM 589
  • Page 620HYDRAULIC SYSTEM 302-3195 LINES GP-PILOT–MAIN CONTROL VALVE, MANIFOLD S/N: CJN1-UP PART OF 259-7547 HYDRAULIC AR SMCS-5057, 5059 i03148224 REF GRAPHIC PART NAME SEE NOTE NO REF PART NUMBER QTY 1 2 3 4 5 6 (PRODUCT LEVEL) PAGE I 1 2 4I-0797 1 HOSE AS I 2 2 4I-0800 1 HOSE AS I 3 3 4I-0821 2 HOSE AS I
  • Page 621HYDRAULIC SYSTEM 302-3195 LINES GP-PILOT (contd. ) i03148224 REF GRAPHIC PART NAME SEE NOTE NO REF PART NUMBER QTY 1 2 3 4 5 6 (PRODUCT LEVEL) PAGE 44 2 275-1444 2 GROMMET I 45 1 275-1624 1 HOSE AS 46 1 278-6613 1 SUPPORT AS I 47 1 278-6623 1 HOSE AS 48 3 281-5898 1 TEE AS 3 3J-1907 1 SEAL-O-RING 3
  • Page 622HYDRAULIC SYSTEM 302-3195 LINES GP-PILOT (contd. ) i03148224 REF GRAPHIC PART NAME SEE NOTE NO REF PART NUMBER QTY 1 2 3 4 5 6 (PRODUCT LEVEL) PAGE 2 6V-8397 1 SEAL-O-RING 2 8T-1905 1 ELBOW 65 2 164-8908 1 CONNECTOR AS 2 3K-0360 1 SEAL-O-RING 2 6V-8398 1 SEAL-O-RING 2 8T-0077 1 CONNECTOR 66 3 164-56
  • Page 623HYDRAULIC SYSTEM 302-3195 LINES GP-PILOT (contd. ) i03148224 GRAPHIC #1 g01419830 SEBP4861-02 4 of 7 HYDRAULIC SYSTEM 593
  • Page 624HYDRAULIC SYSTEM 302-3195 LINES GP-PILOT (contd. ) i03148224 GRAPHIC #2 g01435608 594 HYDRAULIC SYSTEM 5 of 7 SEBP4861-02
  • Page 625HYDRAULIC SYSTEM 302-3195 LINES GP-PILOT (contd. ) i03148224 GRAPHIC #3 g01435609 SEBP4861-02 6 of 7 HYDRAULIC SYSTEM 595
  • Page 626HYDRAULIC SYSTEM 302-3195 LINES GP-PILOT (contd. ) i03148224 GRAPHIC #4 g01419834 596 HYDRAULIC SYSTEM 7 of 7 SEBP4861-02
  • Page 627HYDRAULIC SYSTEM 302-3258 LINES GP-PILOT–SYSTEM 20, WORK TOOL PRIORITY S/N: CJN1-UP PART OF 259-7557 CONTROL AR-AUXILIARY AN ATTACHMENT TYPE 1 SMCS-5057, 5059 i02866151 REF GRAPHIC PART NAME SEE NOTE NO REF PART NUMBER QTY 1 2 3 4 5 6 (PRODUCT LEVEL) PAGE I 1 3 4I-0836 1 HOSE AS I 2 3 4I-1780 1 HOSE
  • Page 628HYDRAULIC SYSTEM 302-3258 LINES GP-PILOT (contd. ) i02866151 REF GRAPHIC PART NAME SEE NOTE NO REF PART NUMBER QTY 1 2 3 4 5 6 (PRODUCT LEVEL) PAGE 40 2,3 275-1442 2 CLIP (TAB) 41 2,3 275-1443 2 CLIP (SLOT) 42 2,3 275-1444 2 GROMMET 43 2 278-6418 1 SUPPORT AS 44 3 278-6419 1 PLATE 45 3 278-6905 1 HO
  • Page 629HYDRAULIC SYSTEM 302-3258 LINES GP-PILOT (contd. ) i02866151 REF GRAPHIC PART NAME SEE NOTE NO REF PART NUMBER QTY 1 2 3 4 5 6 (PRODUCT LEVEL) PAGE 65 1,2 148-8433 2 TEE AS (EACH INCLUDES) 1,2 6V-8397 2 SEAL-O-RING 1,2 6V-9836 1 TEE-SWIVEL 66 2,3 148-8435 2 TEE AS (EACH INCLUDES) 2,3 3J-1907 1 SEAL-
  • Page 630HYDRAULIC SYSTEM 302-3258 LINES GP-PILOT (contd. ) i02866151 GRAPHIC #1 g01392937 600 HYDRAULIC SYSTEM 4 of 6 SEBP4861-02
  • Page 631HYDRAULIC SYSTEM 302-3258 LINES GP-PILOT (contd. ) i02866151 GRAPHIC #2 g01392938 SEBP4861-02 5 of 6 HYDRAULIC SYSTEM 601
  • Page 632HYDRAULIC SYSTEM 302-3258 LINES GP-PILOT (contd. ) i02866151 GRAPHIC #3 g01392941 602 HYDRAULIC SYSTEM 6 of 6 SEBP4861-02
  • Page 633HYDRAULIC SYSTEM 302-3258 LINES GP-PILOT–SYSTEM 20, WORK TOOL PRIORITY S/N: CJN1-UP PART OF 259-7557 CONTROL AR-AUXILIARY AN ATTACHMENT TYPE 2 SMCS-5057, 5059 i03146252 REF GRAPHIC PART NAME SEE NOTE NO REF PART NUMBER QTY 1 2 3 4 5 6 (PRODUCT LEVEL) PAGE I 1 3 4I-1780 1 HOSE AS I 2 3 4I-1783 1 HOSE
  • Page 634HYDRAULIC SYSTEM 302-3258 LINES GP-PILOT (contd. ) i03146252 REF GRAPHIC PART NAME SEE NOTE NO REF PART NUMBER QTY 1 2 3 4 5 6 (PRODUCT LEVEL) PAGE 44 2 286-6663 1 HOSE AS E 2 145-8495 GUARD (74-CM) I 45 3 286-6717 1 HOSE AS 46 1 302-3325 1 SUPPORT AS 47 3 307-4847 1 BRACKET CI 48 2 307-5000 1 HOSE
  • Page 635HYDRAULIC SYSTEM 302-3258 LINES GP-PILOT (contd. ) i03146252 REF GRAPHIC PART NAME SEE NOTE NO REF PART NUMBER QTY 1 2 3 4 5 6 (PRODUCT LEVEL) PAGE 2,3 6V-8397 2 SEAL-O-RING 2,3 6V-9836 1 TEE-SWIVEL 66 1,3 148-8435 2 TEE AS (EACH INCLUDES) 1,3 3J-1907 1 SEAL-O-RING 1,3 6V-8397 2 SEAL-O-RING 1,3 6V-8
  • Page 636HYDRAULIC SYSTEM 302-3258 LINES GP-PILOT (contd. ) i03146252 GRAPHIC #1 g01628475 606 HYDRAULIC SYSTEM 4 of 6 SEBP4861-02
  • Page 637HYDRAULIC SYSTEM 302-3258 LINES GP-PILOT (contd. ) i03146252 GRAPHIC #2 g01628476 SEBP4861-02 5 of 6 HYDRAULIC SYSTEM 607
  • Page 638HYDRAULIC SYSTEM 302-3258 LINES GP-PILOT (contd. ) i03146252 GRAPHIC #3 g01628478 608 HYDRAULIC SYSTEM 6 of 6 SEBP4861-02
  • Page 639HYDRAULIC SYSTEM 307-4836 LINES GP-PILOT–BOOM LOWERING CONTROL VALVE S/N: CJN1-UP PART OF 259-7578, 323-7798 VALVE AR-CHECK & RELIEF AN ATTACHMENT SMCS-5057, 5059 i02961340 REF GRAPHIC PART NAME SEE NOTE NO REF PART NUMBER QTY 1 2 3 4 5 6 (PRODUCT LEVEL) PAGE 1 1 7K-1181 14 STRAP-CABLE 2 1 296-7204
  • Page 640HYDRAULIC SYSTEM 307-4836 LINES GP-PILOT (contd. ) i02961340 GRAPHIC #1 g01514953 610 HYDRAULIC SYSTEM 2 of 2 SEBP4861-02
  • Page 641HYDRAULIC SYSTEM 260-8210 LINES GP-PUMP–OUTPUT, HYD OIL CLR BYPASS S/N: CJN1-UP PART OF 259-7547 HYDRAULIC AR SMCS-5057 i02599675 REF GRAPHIC PART NAME SEE NOTE NO REF PART NUMBER QTY 1 2 3 4 5 6 (PRODUCT LEVEL) PAGE 1 1 8T-6703 2 CLAMP-HOSE Y 2 1 171-0002 1 VALVE GP-CHECK (COOLER BYPASS) 679 3 1 22
  • Page 642HYDRAULIC SYSTEM 260-8210 LINES GP-PUMP (contd. ) i02599675 GRAPHIC #1 g01325931 612 HYDRAULIC SYSTEM 2 of 2 SEBP4861-02
  • Page 643HYDRAULIC SYSTEM 260-8216 LINES GP-PUMP–SUPPLY, MAIN PUMP S/N: CJN1-UP PART OF 259-7547 HYDRAULIC AR SMCS-5057 i02599684 REF GRAPHIC PART NAME SEE NOTE NO REF PART NUMBER QTY 1 2 3 4 5 6 (PRODUCT LEVEL) PAGE 1 1 144-0367 4 CLAMP-HOSE 2 1 269-9728 1 TUBE AS 3 1 269-9730 1 TUBE AS 4 1 269-9732 1 HOSE
  • Page 644HYDRAULIC SYSTEM 260-8216 LINES GP-PUMP (contd. ) i02599684 GRAPHIC #1 g01318032 614 HYDRAULIC SYSTEM 2 of 2 SEBP4861-02
  • Page 645HYDRAULIC SYSTEM 260-8235 LINES GP-PUMP S/N: CJN1-UP PART OF 259-7565 CONTROL AR-AUXILIARY AN ATTACHMENT SMCS-5057 i02864301 REF GRAPHIC PART NAME SEE NOTE NO REF PART NUMBER QTY 1 2 3 4 5 6 (PRODUCT LEVEL) PAGE 1 1 7K-1181 7 STRAP-CABLE 2 1 134-6838 1 GUARD I 3 1 193-9994 1 HOSE AS 4 1 199-2046 1 G
  • Page 646HYDRAULIC SYSTEM 260-8235 LINES GP-PUMP (contd. ) i02864301 GRAPHIC #1 g01382448 616 HYDRAULIC SYSTEM 2 of 2 SEBP4861-02
  • Page 647HYDRAULIC SYSTEM 278-6438 LINES GP-PUMP–SYSTEM 20, WORK TOOL PRIORITY S/N: CJN1-UP PART OF 259-7557 CONTROL AR-AUXILIARY AN ATTACHMENT SMCS-5057 i02791350 REF GRAPHIC PART NAME SEE NOTE NO REF PART NUMBER QTY 1 2 3 4 5 6 (PRODUCT LEVEL) PAGE I 1 1 193-9933 1 HOSE AS 2 1 297-0647 1 VALVE GP-PRIORITY
  • Page 648HYDRAULIC SYSTEM 278-6438 LINES GP-PUMP (contd. ) i02791350 GRAPHIC #1 g01383237 618 HYDRAULIC SYSTEM 2 of 2 SEBP4861-02
  • Page 649HYDRAULIC SYSTEM 282-7080 LINES GP-PUMP S/N: CJN1-UP PART OF 270-5954 CONTROL AR-AUXILIARY AN ATTACHMENT SMCS-5057 i02854826 REF GRAPHIC PART NAME SEE NOTE NO REF PART NUMBER QTY 1 2 3 4 5 6 (PRODUCT LEVEL) PAGE 1 1 7K-1181 7 STRAP-CABLE 2 1 134-6838 1 GUARD I 3 1 193-9994 1 HOSE AS 4 1 199-2046 1 G
  • Page 650HYDRAULIC SYSTEM 282-7080 LINES GP-PUMP (contd. ) i02854826 GRAPHIC #1 g01379093 620 HYDRAULIC SYSTEM 2 of 2 SEBP4861-02
  • Page 651HYDRAULIC SYSTEM 131-9961 LINES GP-STICK S/N: CJN1-UP PART OF 260-6981, 283-9002, 301-2461 STICK AR-HOE AN ATTACHMENT SMCS-5057, 5458 i01435784 REF GRAPHIC PART NAME SEE NOTE NO REF PART NUMBER QTY 1 2 3 4 5 6 (PRODUCT LEVEL) PAGE I 1 1 5I-4494 2 HOSE AS 2 1 1P-3702 3 SEAL-RECTANGULAR M 3 1 8T-4182
  • Page 652HYDRAULIC SYSTEM 131-9962 LINES GP-STICK S/N: CJN1-UP PART OF 260-6982, 283-9004, 301-2463, 301-2576 STICK AR-HOE AN ATTACHMENT SMCS-5057, 5458 i01435785 REF GRAPHIC PART NAME SEE NOTE NO REF PART NUMBER QTY 1 2 3 4 5 6 (PRODUCT LEVEL) PAGE I 1 1 4I-8785 2 HOSE AS 2 1 1P-3702 3 SEAL-RECTANGULAR M 3
  • Page 653HYDRAULIC SYSTEM 131-9963 LINES GP-STICK S/N: CJN1-UP PART OF 260-6983, 283-9005 STICK AR-HOE AN ATTACHMENT SMCS-5057, 5458 i01471602 REF GRAPHIC PART NAME SEE NOTE NO REF PART NUMBER QTY 1 2 3 4 5 6 (PRODUCT LEVEL) PAGE I 1 1 4I-8785 2 HOSE AS 2 1 8T-4121 8 WASHER-HARD (11X21X2.5-MM THK) M 3 1 8T-4
  • Page 654HYDRAULIC SYSTEM 131-9964 LINES GP-STICK S/N: CJN1-UP PART OF 260-6984, 283-9006 STICK AR-HOE AN ATTACHMENT SMCS-5057, 5458 i01829413 REF GRAPHIC PART NAME SEE NOTE NO REF PART NUMBER QTY 1 2 3 4 5 6 (PRODUCT LEVEL) PAGE I 1 1 4I-8785 2 HOSE AS 2 1 8T-4121 8 WASHER-HARD (11X21X2.5-MM THK) M 3 1 8T-4
  • Page 655HYDRAULIC SYSTEM 275-1695 LINES GP-STICK S/N: CJN1-UP PART OF 283-9003 STICK AR-HOE, 260-7070 STICK AR-REACH AN ATTACHMENT SMCS-5057, 5458 i02750444 REF GRAPHIC PART NAME SEE NOTE NO REF PART NUMBER QTY 1 2 3 4 5 6 (PRODUCT LEVEL) PAGE I 1 1 5I-4494 2 HOSE AS 2 1 131-9943 1 BLOCK 3 1 1P-3702 3 SEAL-
  • Page 656HYDRAULIC SYSTEM 266-1187 LINES GP-STICK CYLINDER S/N: CJN1-UP PART OF 259-0841, 289-8101 CYLINDER & LINES GP-STICK AN ATTACHMENT SMCS-5458 i02748091 REF GRAPHIC PART NAME SEE NOTE NO REF PART NUMBER QTY 1 2 3 4 5 6 (PRODUCT LEVEL) PAGE 1 1 093-1293 1 CLAMP 2 1 131-9935 1 SUPPORT AS 3 1 179-7855 1 S
  • Page 657HYDRAULIC SYSTEM 294-6486 LINES GP-STICK CYLINDER– STICK LOWERING CONTROL VALVE S/N: CJN1-UP PART OF 259-7585 VALVE AR-CHECK & RELIEF AN ATTACHMENT SMCS-5458 i03195701 REF GRAPHIC PART NAME SEE NOTE NO REF PART NUMBER QTY 1 2 3 4 5 6 (PRODUCT LEVEL) PAGE 1 1 093-1293 1 CLAMP 2 1 093-1294 1 CLAMP 3 1
  • Page 658HYDRAULIC SYSTEM 294-6486 LINES GP-STICK CYLINDER (contd. ) i03195701 GRAPHIC #1 g01392327 628 HYDRAULIC SYSTEM 2 of 2 SEBP4861-02
  • Page 659HYDRAULIC SYSTEM 320-0199 LINES GP-STICK CYLINDER S/N: CJN1-UP PART OF 289-8101 CYLINDER & LINES GP-STICK AN ATTACHMENT SMCS-5458 i03087027 REF GRAPHIC PART NAME SEE NOTE NO REF PART NUMBER QTY 1 2 3 4 5 6 (PRODUCT LEVEL) PAGE 1 1 093-1293 1 CLAMP 2 1 131-9935 1 SUPPORT AS 3 1 179-7855 1 SUPPORT AS
  • Page 660HYDRAULIC SYSTEM 278-6465 LINES GP-SWING MOTOR S/N: CJN1-UP PART OF 260-7075 VALVE AR-SWING AN ATTACHMENT SMCS-5057 i02752930 REF GRAPHIC PART NAME SEE NOTE NO REF PART NUMBER QTY 1 2 3 4 5 6 (PRODUCT LEVEL) PAGE I 1 1 278-6557 1 HOSE AS I 2 1 278-6560 1 HOSE AS I-REFER TO HYDRAULIC INFORMATION SYST
  • Page 661HYDRAULIC SYSTEM 260-8212 LINES GP-TRAVEL MOTOR–LONG CARRIAGE S/N: CJN1-484 PART OF 259-7547 HYDRAULIC AR SMCS-5057, 5058 i02599677 REF GRAPHIC PART NAME SEE NOTE NO REF PART NUMBER QTY 1 2 3 4 5 6 (PRODUCT LEVEL) PAGE 1 1 108-7304 2 GROMMET 2 1 124-0986 2 GROMMET Y 3 1 162-4696 1 SWIVEL GP 664 4 1
  • Page 662HYDRAULIC SYSTEM 260-8212 LINES GP-TRAVEL MOTOR (contd. ) i02599677 GRAPHIC #1 g01326775 632 HYDRAULIC SYSTEM 2 of 2 SEBP4861-02
  • Page 663HYDRAULIC SYSTEM 260-8212 LINES GP-TRAVEL MOTOR–LONG CARRIAGE S/N: CJN485-UP PART OF 259-7547 HYDRAULIC AR SMCS-5057, 5058 i03248906 REF GRAPHIC PART NAME SEE NOTE NO REF PART NUMBER QTY 1 2 3 4 5 6 (PRODUCT LEVEL) PAGE 1 1 108-7304 2 GROMMET 2 1 124-0986 2 GROMMET Y 3 1 162-4696 1 SWIVEL GP 664 4 1
  • Page 664HYDRAULIC SYSTEM 260-8212 LINES GP-TRAVEL MOTOR (contd. ) i03248906 GRAPHIC #1 g01617114 634 HYDRAULIC SYSTEM 2 of 2 SEBP4861-02
  • Page 665HYDRAULIC SYSTEM 215-5037 MANIFOLD GP-CONTROL–PILOT OIL SUPPLY S/N: CJN1-UP PART OF 302-3195 LINES GP-PILOT SMCS-5264 i02092079 PART NAME SEE NOTE PART NUMBER QTY 1 2 3 4 5 6 (PRODUCT LEVEL) PAGE Y 239-8998 1 MANIFOLD GP-CONTROL (PILOT OIL SUPPLY) 637 (STEEL BODY) -OR- Y 239-8697 1 MANIFOLD GP-CONTR
  • Page 666HYDRAULIC SYSTEM 239-8697 MANIFOLD GP-CONTROL–PILOT OIL SUPPLY S/N: CJN1-UP ALUMINUM BODY PART OF 215-5037 MANIFOLD GP-CONTROL SMCS-5264 i02092727 REF GRAPHIC PART NAME SEE NOTE NO REF PART NUMBER QTY 1 2 3 4 5 6 (PRODUCT LEVEL) PAGE Y 1 1 121-1491 1 VALVE GP-SOLENOID (SWING BRAKE RELEASE) 736 Y 2 1
  • Page 667HYDRAULIC SYSTEM 239-8998 MANIFOLD GP-CONTROL–PILOT OIL SUPPLY S/N: CJN1-UP STEEL BODY PART OF 215-5037 MANIFOLD GP-CONTROL SMCS-5264 i02092174 REF GRAPHIC PART NAME SEE NOTE NO REF PART NUMBER QTY 1 2 3 4 5 6 (PRODUCT LEVEL) PAGE Y 1 1 121-1491 1 VALVE GP-SOLENOID (SWING BRAKE RELEASE) 736 Y 2 1 12
  • Page 668HYDRAULIC SYSTEM 185-6952 MOTOR & MTG GP-TRAVEL S/N: CJN1-UP PART OF 165-5777 DRIVE GP-FINAL SMCS-4351 i01884173 REF GRAPHIC PART NAME SEE NOTE NO REF PART NUMBER QTY 1 2 3 4 5 6 (PRODUCT LEVEL) PAGE Y 1 1 185-6953 1 MOTOR GP-TRAVEL 644 Y 2 1 199-0504 1 VALVE GP-TRAVEL COUNTERBALANCE 751 M 3 1 8T-41
  • Page 669HYDRAULIC SYSTEM 197-7179 MOTOR & MTG GP-TRAVEL S/N: CJN1-UP PART OF 197-7178 DRIVE GP-FINAL AN ATTACHMENT SMCS-4351 i02525343 REF GRAPHIC PART NAME SEE NOTE NO REF PART NUMBER QTY 1 2 3 4 5 6 (PRODUCT LEVEL) PAGE Y 1 1 197-7180 1 MOTOR GP-TRAVEL 647 Y 2 1 199-0504 1 VALVE GP-TRAVEL COUNTERBALANCE 7
  • Page 670HYDRAULIC SYSTEM 204-2814 MOTOR GP-SWING S/N: CJN1-UP PART OF 199-4600 DRIVE GP-SWING SMCS-5058 i03245874 REF GRAPHIC PART NAME SEE NOTE NO REF PART NUMBER QTY 1 2 3 4 5 6 (PRODUCT LEVEL) PAGE 1 1 099-0320 1 BUSHING J 2 1 099-0321 1 SEAL-LIP TYPE 3 1 099-0322 1 BEARING-ROLLER 4 1 7I-0057 1 SPRING 5
  • Page 671HYDRAULIC SYSTEM 204-2814 MOTOR GP-SWING (contd. ) i03245874 GRAPHIC #1 g01223330 SEBP4861-02 2 of 2 HYDRAULIC SYSTEM 641
  • Page 672HYDRAULIC SYSTEM 266-8046 MOTOR GP-SWING S/N: CJN1-UP PART OF 267-6779 DRIVE GP-SWING AN ATTACHMENT SMCS-5058 i03245932 REF GRAPHIC PART NAME SEE NOTE NO REF PART NUMBER QTY 1 2 3 4 5 6 (PRODUCT LEVEL) PAGE 1 1 099-0320 1 BUSHING J 2 1 099-0321 1 SEAL-LIP TYPE 3 1 099-0322 1 BEARING-ROLLER 4 1 7I-00
  • Page 673HYDRAULIC SYSTEM 266-8046 MOTOR GP-SWING (contd. ) i03245932 GRAPHIC #1 g01382003 SEBP4861-02 2 of 2 HYDRAULIC SYSTEM 643
  • Page 674HYDRAULIC SYSTEM 185-6953 MOTOR GP-TRAVEL S/N: CJN1-UP PART OF 185-6952 MOTOR & MTG GP-TRAVEL SMCS-4351, 5058 i01832068 REF GRAPHIC PART NAME SEE NOTE NO REF PART NUMBER QTY 1 2 3 4 5 6 (PRODUCT LEVEL) PAGE 1 1 209-5894 1 SHAFT 2 1 087-4743 2 STOP 3 1 094-1399 1 RING-RETAINING 4 1 7Y-4212 1 BEARING
  • Page 675HYDRAULIC SYSTEM 185-6953 MOTOR GP-TRAVEL (contd. ) i01832068 REF GRAPHIC PART NAME SEE NOTE NO REF PART NUMBER QTY 1 2 3 4 5 6 (PRODUCT LEVEL) PAGE 58 1 7Y-4216 1 SPOOL J 59 1 2M-9780 1 SEAL-O-RING 60 1 087-4786 1 ADAPTER AVAILABLE REPAIR KIT(S): J 7Y-4222 1 KIT-SEAL (TRAVEL MOTOR) B-USE AS REQUIRE
  • Page 676HYDRAULIC SYSTEM 185-6953 MOTOR GP-TRAVEL (contd. ) i01832068 GRAPHIC #1 g00935725 646 HYDRAULIC SYSTEM 3 of 3 SEBP4861-02
  • Page 677HYDRAULIC SYSTEM 197-7180 MOTOR GP-TRAVEL S/N: CJN1-UP PART OF 197-7179 MOTOR & MTG GP-TRAVEL AN ATTACHMENT SMCS-4351, 5058 i02194734 REF GRAPHIC PART NAME SEE NOTE NO REF PART NUMBER QTY 1 2 3 4 5 6 (PRODUCT LEVEL) PAGE 1 1 209-5894 1 SHAFT 2 1 087-4743 2 STOP 3 1 094-1399 1 RING-RETAINING 4 1 7Y-4
  • Page 678HYDRAULIC SYSTEM 197-7180 MOTOR GP-TRAVEL (contd. ) i02194734 REF GRAPHIC PART NAME SEE NOTE NO REF PART NUMBER QTY 1 2 3 4 5 6 (PRODUCT LEVEL) PAGE 56 2 7Y-4224 2 ORIFICE 57 2 096-3978 1 SPRING 58 2 7Y-4216 1 SPOOL J 59 2 2M-9780 1 SEAL-O-RING AVAILABLE REPAIR KIT(S): J 107-6988 1 KIT-SEAL (TRAVEL
  • Page 679HYDRAULIC SYSTEM 197-7180 MOTOR GP-TRAVEL (contd. ) i02194734 GRAPHIC #1 g01160497 SEBP4861-02 3 of 4 HYDRAULIC SYSTEM 649
  • Page 680HYDRAULIC SYSTEM 197-7180 MOTOR GP-TRAVEL (contd. ) i02194734 GRAPHIC #2 g01160498 650 HYDRAULIC SYSTEM 4 of 4 SEBP4861-02
  • Page 681HYDRAULIC SYSTEM 302-3225 MOUNTING GP-MAIN CONTROL VALVE S/N: CJN1-UP PART OF 259-7547 HYDRAULIC AR SMCS-5051 i02753359 REF GRAPHIC PART NAME SEE NOTE NO REF PART NUMBER QTY 1 2 3 4 5 6 (PRODUCT LEVEL) PAGE 1 1 178-6450 4 SPACER (17X35X30-MM THK) 2 1 269-9773 1 SUPPORT AS 3 1 302-3226 1 SUPPORT AS M
  • Page 682HYDRAULIC SYSTEM 259-0917 PUMP & MTG GP-AUXILIARY–MEDIUM PRESSURE S/N: CJN1-UP PART OF 259-7565, 270-5954 CONTROL AR-AUXILIARY AN ATTACHMENT SMCS-5070, 5073 i02749965 REF GRAPHIC PART NAME SEE NOTE NO REF PART NUMBER QTY 1 2 3 4 5 6 (PRODUCT LEVEL) PAGE 1 1 170-6738 1 SPACER 2 1 218-0557 1 PUMP GP-G
  • Page 683HYDRAULIC SYSTEM 255-3025 PUMP & MTG GP-MAIN HYDRAULIC S/N: CJN1-UP PART OF 259-7547 HYDRAULIC AR SMCS-5070 i02791366 REF GRAPHIC PART NAME SEE NOTE NO REF PART NUMBER QTY 1 2 3 4 5 6 (PRODUCT LEVEL) PAGE Y 1 1 255-3027 1 COUPLING GP-PUMP 394 Y 2 1 311-7405 1 PUMP GP-PISTON 654 3 1 8T-4121 12 WASHER
  • Page 684HYDRAULIC SYSTEM 311-7405 PUMP GP-PISTON S/N: CJN1-UP PART OF 255-3025 PUMP & MTG GP-MAIN HYDRAULIC SMCS-5070 i02790433 REF GRAPHIC PART NAME SEE NOTE NO REF PART NUMBER QTY 1 2 3 4 5 6 (PRODUCT LEVEL) PAGE Y 1 1 111-9916 1 VALVE GP-SOLENOID (PRESSURE REDUCING) 733 2 2 165-2793 2 RETAINER 3 2 165-28
  • Page 685HYDRAULIC SYSTEM 311-7405 PUMP GP-PISTON (contd. ) i02790433 GRAPHIC #1 g01402429 SEBP4861-02 2 of 3 HYDRAULIC SYSTEM 655
  • Page 686HYDRAULIC SYSTEM 311-7405 PUMP GP-PISTON (contd. ) i02790433 GRAPHIC #2 g01402430 656 HYDRAULIC SYSTEM 3 of 3 SEBP4861-02
  • Page 687HYDRAULIC SYSTEM 259-0920 SCREEN GP-HYDRAULIC–OIL S/N: CJN1-UP PART OF 260-8205 TANK & FILTER GP-HYDRAULIC SMCS-5068 i02600421 REF GRAPHIC PART NAME SEE NOTE NO REF PART NUMBER QTY 1 2 3 4 5 6 (PRODUCT LEVEL) PAGE 1 1 087-5317 1 ROD 2 1 209-6002 1 SCREEN AS (HYDRAULIC TANK) 3 1 259-0918 1 GUIDE 4 1
  • Page 688HYDRAULIC SYSTEM 197-0173 SPOOL GP-CONTROL VALVE–WORK TOOL S/N: CJN1-UP PART OF 259-7798, 259-7804, 297-0374, 310-0157 VALVE GP-CONTROL, 259-7550 VALVE GP-MAIN CONTROL ALSO AN ATTACHMENT SMCS-5051, 5464 i01463920 REF GRAPHIC PART NAME SEE NOTE NO REF PART NUMBER QTY 1 2 3 4 5 6 (PRODUCT LEVEL) PAGE
  • Page 689HYDRAULIC SYSTEM 197-0219 SPOOL GP-CONTROL VALVE S/N: CJN1-UP PART OF 259-7550 VALVE GP-MAIN CONTROL ALSO AN ATTACHMENT SMCS-5051, 5464 i01884898 REF GRAPHIC PART NAME SEE NOTE NO REF PART NUMBER QTY 1 2 3 4 5 6 (PRODUCT LEVEL) PAGE M 1 1 197-0148 1 BOLT-SHOULDER (M8X1.25X56.1-MM) 2 1 7I-7203 2 SEAT
  • Page 690HYDRAULIC SYSTEM 229-1085 SPOOL GP-CONTROL VALVE–SWING S/N: CJN1-UP PART OF 259-7550 VALVE GP-MAIN CONTROL ALSO AN ATTACHMENT SMCS-5051, 5464 i02148149 REF GRAPHIC PART NAME SEE NOTE NO REF PART NUMBER QTY 1 2 3 4 5 6 (PRODUCT LEVEL) PAGE M 1 1 197-0148 1 BOLT-SHOULDER (M8X1.25X56.1-MM) 2 1 7I-7203
  • Page 691HYDRAULIC SYSTEM 259-7868 SPOOL GP-CONTROL VALVE–BUCKET CYLINDER S/N: CJN1-UP PART OF 259-7550 VALVE GP-MAIN CONTROL ALSO AN ATTACHMENT SMCS-5051, 5464 i02496832 REF GRAPHIC PART NAME SEE NOTE NO REF PART NUMBER QTY 1 2 3 4 5 6 (PRODUCT LEVEL) PAGE M 1 1 197-0148 1 BOLT-SHOULDER (M8X1.25X56.1-MM) 2
  • Page 692HYDRAULIC SYSTEM 285-1505 SPOOL GP-CONTROL VALVE–SWING PRIORITY S/N: CJN1-UP PART OF 259-7550 VALVE GP-MAIN CONTROL ALSO AN ATTACHMENT SMCS-5051, 5464 i02776159 REF GRAPHIC PART NAME SEE NOTE NO REF PART NUMBER QTY 1 2 3 4 5 6 (PRODUCT LEVEL) PAGE 1 1 285-1641 1 SPOOL M 2 1 197-0148 1 BOLT-SHOULDER
  • Page 693HYDRAULIC SYSTEM 285-1669 SPOOL GP-CONTROL VALVE–STICK REGENERATION S/N: CJN1-UP PART OF 259-7550 VALVE GP-MAIN CONTROL ALSO AN ATTACHMENT SMCS-5051, 5464 i02866441 REF GRAPHIC PART NAME SEE NOTE NO REF PART NUMBER QTY 1 2 3 4 5 6 (PRODUCT LEVEL) PAGE 1 1 197-0149 1 STOP M 2 1 197-0148 1 BOLT-SHOULD
  • Page 694HYDRAULIC SYSTEM 162-4696 SWIVEL GP S/N: CJN1-UP PART OF 260-8212 LINES GP-TRAVEL MOTOR SMCS-5060 i01108789 REF GRAPHIC PART NAME SEE NOTE NO REF PART NUMBER QTY 1 2 3 4 5 6 (PRODUCT LEVEL) PAGE M 1 1 8T-4136 6 BOLT (M10X1.5X25-MM) 2 1 8T-4121 2 WASHER-HARD (11X21X2.5-MM THK) 3 1 5I-4363 1 COVER 4 1
  • Page 695HYDRAULIC SYSTEM 162-4696 SWIVEL GP (contd. ) i01108789 GRAPHIC #1 g00590219 SEBP4861-02 2 of 2 HYDRAULIC SYSTEM 665
  • Page 696HYDRAULIC SYSTEM 260-8205 TANK & FILTER GP-HYDRAULIC S/N: CJN1-UP 185-L (48.9-US GAL) PART OF 260-8203 TANK & MTG GP-HYDRAULIC SMCS-5056, 5068 i03093849 REF GRAPHIC PART NAME SEE NOTE NO REF PART NUMBER QTY 1 2 3 4 5 6 (PRODUCT LEVEL) PAGE 1 1 4B-7739 2 PLUG-DRAIN (HYDRAULIC TANK) 2 1 4I-5394 1 SEND
  • Page 697HYDRAULIC SYSTEM 260-8205 TANK & FILTER GP-HYDRAULIC (contd. ) i03093849 REF GRAPHIC PART NAME SEE NOTE NO REF PART NUMBER QTY 1 2 3 4 5 6 (PRODUCT LEVEL) PAGE 42 1 8T-4224 4 WASHER-HARD (8.8X16X2-MM THK) M 43 1 8T-4908 4 BOLT (M8X1.25X25-MM) 44 1 9F-1399 1 SEAL-O-RING 45 1 9X-8256 4 WASHER (6.6X12X
  • Page 698HYDRAULIC SYSTEM 260-8205 TANK & FILTER GP-HYDRAULIC (contd. ) i03093849 GRAPHIC #1 g01375338 668 HYDRAULIC SYSTEM 3 of 3 SEBP4861-02
  • Page 699HYDRAULIC SYSTEM 260-8203 TANK & MTG GP-HYDRAULIC S/N: CJN1-UP PART OF 259-7547 HYDRAULIC AR SMCS-5056 i02599656 REF GRAPHIC PART NAME SEE NOTE NO REF PART NUMBER QTY 1 2 3 4 5 6 (PRODUCT LEVEL) PAGE Y 1 1 260-8204 1 LINES GP-HYDRAULIC (HYDRAULIC TANK, FILTER) 542 Y 2 1 260-8205 1 TANK & FILTER GP-H
  • Page 700HYDRAULIC SYSTEM 259-7575 VALVE & LINES GP-PILOT–4-WAY PATTERN S/N: CJN1-UP AN ATTACHMENT SMCS-5057, 5059 i02765485 PART NAME SEE NOTE PART NUMBER QTY 1 2 3 4 5 6 (PRODUCT LEVEL) PAGE Y 247-7492 1 FILM GP (ALT PATTERN CONTROL, WARNING) 1084 Y 260-8241 1 LINES GP-PILOT 572 Y-SEPARATE ILLUSTRATION
  • Page 701HYDRAULIC SYSTEM 285-1736 VALVE & MTG GP-CONTROL–MEDIUM PRESSURE S/N: CJN1-UP PART OF 259-7569 CONTROL AR-AUXILIARY AN ATTACHMENT TYPE 1 SMCS-5051 i02765540 REF GRAPHIC PART NAME SEE NOTE NO REF PART NUMBER QTY 1 2 3 4 5 6 (PRODUCT LEVEL) PAGE Y 1 1 259-7550 1 VALVE GP-MAIN CONTROL 699 Y 2 1 259-779
  • Page 702HYDRAULIC SYSTEM 285-1736 VALVE & MTG GP-CONTROL–MEDIUM PRESSURE S/N: CJN1-UP PART OF 259-7569 CONTROL AR-AUXILIARY AN ATTACHMENT TYPE 2 SMCS-5051 i03084638 REF GRAPHIC PART NAME SEE NOTE NO REF PART NUMBER QTY 1 2 3 4 5 6 (PRODUCT LEVEL) PAGE Y 1 1 259-7550 1 VALVE GP-MAIN CONTROL 699 CY 2 1 297-03
  • Page 703HYDRAULIC SYSTEM 285-1738 VALVE & MTG GP-CONTROL S/N: CJN1-UP PART OF 259-7557 CONTROL AR-AUXILIARY AN ATTACHMENT TYPE 1 SMCS-5051 i02747400 REF GRAPHIC PART NAME SEE NOTE NO REF PART NUMBER QTY 1 2 3 4 5 6 (PRODUCT LEVEL) PAGE Y 1 1 259-7550 1 VALVE GP-MAIN CONTROL 699 Y 2 1 259-7804 1 VALVE GP-CON
  • Page 704HYDRAULIC SYSTEM 285-1738 VALVE & MTG GP-CONTROL S/N: CJN1-UP PART OF 259-7557 CONTROL AR-AUXILIARY AN ATTACHMENT TYPE 2 SMCS-5051 i03035180 REF GRAPHIC PART NAME SEE NOTE NO REF PART NUMBER QTY 1 2 3 4 5 6 (PRODUCT LEVEL) PAGE Y 1 1 259-7550 1 VALVE GP-MAIN CONTROL 699 CY 2 1 310-0157 1 VALVE GP-CO
  • Page 705HYDRAULIC SYSTEM 259-7577 VALVE AR-ALT PATTERN CONTROL– CONTROL PATTERN CHANGE, 2-WAY S/N: CJN1-UP AN ATTACHMENT SMCS-5065 i02724645 PART NAME SEE NOTE PART NUMBER QTY 1 2 3 4 5 6 (PRODUCT LEVEL) PAGE Y 259-5173 1 FASTENER GP-WIRING HARNESS 155 Y 260-7006 1 FILM GP 1086 Y 260-8242 1 LINES GP-PILOT 5
  • Page 706HYDRAULIC SYSTEM 260-7075 VALVE AR-SWING–FINE SWING S/N: CJN1-UP AN ATTACHMENT SMCS-5480 i02752927 PART NAME SEE NOTE PART NUMBER QTY 1 2 3 4 5 6 (PRODUCT LEVEL) PAGE Y 267-6778 1 DRIVE GP-SWING (WITH MOTOR) 433 Y 278-6465 1 LINES GP-SWING MOTOR 630 Y 267-7849 1 WIRING GP-FINE SWING 245 Y-SEPARATE I
  • Page 707HYDRAULIC SYSTEM 282-5894 VALVE AS-MANUAL–AUXILIARY, SHUTOFF S/N: CJN1-UP PART OF 262-3237, 262-3240, 262-3243, 268-7245 LINES GP-AUXILIARY HYDRAULIC AN ATTACHMENT SMCS-1329 i03079367 REF GRAPHIC PART NAME SEE NOTE NO REF PART NUMBER QTY 1 2 3 4 5 6 (PRODUCT LEVEL) PAGE 1 1 302-9466 1 HANDLE GRAPHIC
  • Page 708HYDRAULIC SYSTEM 259-7545 VALVE GP-BANK–MEDIUM PRESSURE S/N: CJN1-UP PART OF 260-8233 LINES GP-FRONT AN ATTACHMENT SMCS-5051 i02749998 REF GRAPHIC PART NAME SEE NOTE NO REF PART NUMBER QTY 1 2 3 4 5 6 (PRODUCT LEVEL) PAGE 1 1 102-8802 2 KIT-RECEPTACLE (2-PIN) (EACH INCLUDES RECEPTACLE AS & WEDGE) 2
  • Page 709HYDRAULIC SYSTEM 171-0002 VALVE GP-CHECK–COOLER BYPASS S/N: CJN1-UP PART OF 260-8210 LINES GP-PUMP SMCS-5067 i01884897 REF GRAPHIC PART NAME SEE NOTE NO REF PART NUMBER QTY 1 2 3 4 5 6 (PRODUCT LEVEL) PAGE Z 1 1 1 BODY 2 1 177-2706 1 VALVE AS 3 1 190-7875 1 VALVE AS 4 1 184-3841 1 RING Z-NOT SERVICE
  • Page 710HYDRAULIC SYSTEM 259-7798 VALVE GP-CONTROL–MEDIUM PRESSURE S/N: CJN1-UP PART OF 285-1736 VALVE & MTG GP-CONTROL AN ATTACHMENT SMCS-5051 i02750086 REF GRAPHIC PART NAME SEE NOTE NO REF PART NUMBER QTY 1 2 3 4 5 6 (PRODUCT LEVEL) PAGE 1 1 7I-7208 1 VALVE-LOAD CHECK 2 1 095-1700 1 SEAL-O-RING 3 1 197-0
  • Page 711HYDRAULIC SYSTEM 259-7798 VALVE GP-CONTROL (contd. ) i02750086 GRAPHIC #1 g01384449 SEBP4861-02 2 of 2 HYDRAULIC SYSTEM 681
  • Page 712HYDRAULIC SYSTEM 259-7804 VALVE GP-CONTROL–2-PUMP, 1-WAY S/N: CJN1-UP PART OF 285-1738 VALVE & MTG GP-CONTROL AN ATTACHMENT SMCS-5051 i02747405 REF GRAPHIC PART NAME SEE NOTE NO REF PART NUMBER QTY 1 2 3 4 5 6 (PRODUCT LEVEL) PAGE M 1 1 5A-3604 2 BOLT-SOCKET HEAD (M8X1.25X25-MM) 2 1 7I-7204 1 SEAL 3
  • Page 713HYDRAULIC SYSTEM 259-7804 VALVE GP-CONTROL (contd. ) i02747405 GRAPHIC #1 g01419189 SEBP4861-02 2 of 2 HYDRAULIC SYSTEM 683
  • Page 714HYDRAULIC SYSTEM 285-1667 VALVE GP-CONTROL–STICK II S/N: CJN1-UP PART OF 259-7550 VALVE GP-MAIN CONTROL ALSO AN ATTACHMENT SMCS-5051 i03013699 REF GRAPHIC PART NAME SEE NOTE NO REF PART NUMBER QTY 1 2 3 4 5 6 (PRODUCT LEVEL) PAGE 1 1 197-0149 1 STOP M 2 1 197-0148 1 BOLT-SHOULDER (M8X1.25X56.1-MM) 3
  • Page 715HYDRAULIC SYSTEM 297-0374 VALVE GP-CONTROL S/N: CJN1-UP PART OF 285-1736 VALVE & MTG GP-CONTROL AN ATTACHMENT SMCS-5051 i03246024 REF GRAPHIC PART NAME SEE NOTE NO REF PART NUMBER QTY 1 2 3 4 5 6 (PRODUCT LEVEL) PAGE M 1 1 5A-3604 2 BOLT-SOCKET HEAD (M8X1.25X25-MM) 2 1 7I-7204 1 SEAL 3 1 7I-7206 1 P
  • Page 716HYDRAULIC SYSTEM 297-0374 VALVE GP-CONTROL (contd. ) i03246024 GRAPHIC #1 g01439086 686 HYDRAULIC SYSTEM 2 of 2 SEBP4861-02
  • Page 717HYDRAULIC SYSTEM 310-0072 VALVE GP-CONTROL–BOOM I S/N: CJN1-UP PART OF 259-7550 VALVE GP-MAIN CONTROL ALSO AN ATTACHMENT SMCS-5051 i02866439 REF GRAPHIC PART NAME SEE NOTE NO REF PART NUMBER QTY 1 2 3 4 5 6 (PRODUCT LEVEL) PAGE 1 1 197-0149 1 STOP M 2 1 197-0148 1 BOLT-SHOULDER (M8X1.25X56.1-MM) 3 1
  • Page 718HYDRAULIC SYSTEM 310-0074 VALVE GP-CONTROL–BOOM II S/N: CJN1-UP PART OF 259-7550 VALVE GP-MAIN CONTROL ALSO AN ATTACHMENT SMCS-5051 i02866436 REF GRAPHIC PART NAME SEE NOTE NO REF PART NUMBER QTY 1 2 3 4 5 6 (PRODUCT LEVEL) PAGE 1 1 197-0149 1 STOP M 2 1 197-0148 1 BOLT-SHOULDER (M8X1.25X56.1-MM) 3
  • Page 719HYDRAULIC SYSTEM 310-0076 VALVE GP-CONTROL–STICK I S/N: CJN1-UP PART OF 259-7550 VALVE GP-MAIN CONTROL ALSO AN ATTACHMENT SMCS-5051 i02866433 REF GRAPHIC PART NAME SEE NOTE NO REF PART NUMBER QTY 1 2 3 4 5 6 (PRODUCT LEVEL) PAGE 1 1 197-0149 1 STOP M 2 1 197-0148 1 BOLT-SHOULDER (M8X1.25X56.1-MM) 3
  • Page 720HYDRAULIC SYSTEM 310-0157 VALVE GP-CONTROL–2-PUMP, 1-WAY S/N: CJN1-UP PART OF 285-1738 VALVE & MTG GP-CONTROL AN ATTACHMENT SMCS-5051 i03022387 REF GRAPHIC PART NAME SEE NOTE NO REF PART NUMBER QTY 1 2 3 4 5 6 (PRODUCT LEVEL) PAGE M 1 1 5A-3604 2 BOLT-SOCKET HEAD (M8X1.25X25-MM) 2 1 7I-7204 1 SEAL 3
  • Page 721HYDRAULIC SYSTEM 254-3080 VALVE GP-COUPLER–QUICK COUPLER S/N: CJN1-UP PART OF 275-1696 LINES GP-FRONT AN ATTACHMENT SMCS-5491 i02997486 REF GRAPHIC PART NAME SEE NOTE NO REF PART NUMBER QTY 1 2 3 4 5 6 (PRODUCT LEVEL) PAGE 1 1 287-2352 1 RETAINER-SPRING 2 1 6E-5438 1 SPRING 3 1 6E-5439 1 SPRING Y 4
  • Page 722HYDRAULIC SYSTEM 254-3080 VALVE GP-COUPLER (contd. ) i02997486 GRAPHIC #1 g01245214 692 HYDRAULIC SYSTEM 2 of 2 SEBP4861-02
  • Page 723HYDRAULIC SYSTEM 285-1685 VALVE GP-LOAD CONTROL–BOOM LOWERING CONTROL, LH S/N: CJN1-UP PART OF 260-8243 LINES GP-BOOM CYLINDER AN ATTACHMENT SMCS-5067, 5117, 5147, 5811 i02841147 REF GRAPHIC PART NAME SEE NOTE NO REF PART NUMBER QTY 1 2 3 4 5 6 (PRODUCT LEVEL) PAGE 1 1 7I-8084 3 PLUG 2 1 215-5023 1
  • Page 724HYDRAULIC SYSTEM 285-1685 VALVE GP-LOAD CONTROL (contd. ) i02841147 GRAPHIC #1 g01390064 694 HYDRAULIC SYSTEM 2 of 2 SEBP4861-02
  • Page 725HYDRAULIC SYSTEM 285-1686 VALVE GP-LOAD CONTROL–BOOM LOWERING CONTROL, RH S/N: CJN1-UP PART OF 260-8243 LINES GP-BOOM CYLINDER AN ATTACHMENT SMCS-5067, 5117, 5147, 5811 i02841149 REF GRAPHIC PART NAME SEE NOTE NO REF PART NUMBER QTY 1 2 3 4 5 6 (PRODUCT LEVEL) PAGE 1 1 7I-8084 3 PLUG 2 1 215-5023 1
  • Page 726HYDRAULIC SYSTEM 285-1686 VALVE GP-LOAD CONTROL (contd. ) i02841149 GRAPHIC #1 g01390504 696 HYDRAULIC SYSTEM 2 of 2 SEBP4861-02
  • Page 727HYDRAULIC SYSTEM 285-1687 VALVE GP-LOAD CONTROL–STICK CYLINDER S/N: CJN1-UP PART OF 294-6486 LINES GP-STICK CYLINDER AN ATTACHMENT SMCS-5067, 5117, 5147, 5811 i02776588 REF GRAPHIC PART NAME SEE NOTE NO REF PART NUMBER QTY 1 2 3 4 5 6 (PRODUCT LEVEL) PAGE 1 1 7J-9108 1 SEAL-O-RING 2 1 7I-8084 3 PLUG
  • Page 728HYDRAULIC SYSTEM 285-1687 VALVE GP-LOAD CONTROL (contd. ) i02776588 GRAPHIC #1 g01390876 698 HYDRAULIC SYSTEM 2 of 2 SEBP4861-02
  • Page 729HYDRAULIC SYSTEM 259-7550 VALVE GP-MAIN CONTROL S/N: CJN1-UP PART OF 259-7547 HYDRAULIC AR, 285-1736, 285-1738 VALVE & MTG GP-CONTROL ALSO AN ATTACHMENT SMCS-5051 i02866456 REF GRAPHIC PART NAME SEE NOTE NO REF PART NUMBER QTY 1 2 3 4 5 6 (PRODUCT LEVEL) PAGE 1 3 285-1507 1 SPRING 2 3 285-1506 1 VAL
  • Page 730HYDRAULIC SYSTEM 259-7550 VALVE GP-MAIN CONTROL (contd. ) i02866456 REF GRAPHIC PART NAME SEE NOTE NO REF PART NUMBER QTY 1 2 3 4 5 6 (PRODUCT LEVEL) PAGE 53 4 095-0965 2 PLUG 54 4 7I-7241 2 ORIFICE Y 55 5 285-1669 1 SPOOL GP-CONTROL VALVE (STICK REGENERATION) 663 Y 56 5 229-1085 1 SPOOL GP-CONTROL
  • Page 731HYDRAULIC SYSTEM 259-7550 VALVE GP-MAIN CONTROL (contd. ) i02866456 GRAPHIC #1 g01420728 SEBP4861-02 3 of 7 HYDRAULIC SYSTEM 701
  • Page 732HYDRAULIC SYSTEM 259-7550 VALVE GP-MAIN CONTROL (contd. ) i02866456 GRAPHIC #2 g01420729 702 HYDRAULIC SYSTEM 4 of 7 SEBP4861-02
  • Page 733HYDRAULIC SYSTEM 259-7550 VALVE GP-MAIN CONTROL (contd. ) i02866456 GRAPHIC #3 g01420730 SEBP4861-02 5 of 7 HYDRAULIC SYSTEM 703
  • Page 734HYDRAULIC SYSTEM 259-7550 VALVE GP-MAIN CONTROL (contd. ) i02866456 GRAPHIC #4 g01421005 704 HYDRAULIC SYSTEM 6 of 7 SEBP4861-02
  • Page 735HYDRAULIC SYSTEM 259-7550 VALVE GP-MAIN CONTROL (contd. ) i02866456 GRAPHIC #5 g01421080 SEBP4861-02 7 of 7 HYDRAULIC SYSTEM 705
  • Page 736HYDRAULIC SYSTEM 206-3305 VALVE GP-PILOT–JOYSTICK S/N: CJN1-UP PART OF 259-7762, 259-7763, 259-7764, 259-7765 CONTROL GP-JOYSTICK FIELD REPLACEMENT ORDER 297-0589–PAGE 713 AN ATTACHMENT SMCS-5059 i02174618 REF GRAPHIC PART NAME SEE NOTE NO REF PART NUMBER QTY 1 2 3 4 5 6 (PRODUCT LEVEL) PAGE 1 1 165
  • Page 737HYDRAULIC SYSTEM 206-3305 VALVE GP-PILOT (contd. ) i02174618 REF GRAPHIC PART NAME SEE NOTE NO REF PART NUMBER QTY 1 2 3 4 5 6 (PRODUCT LEVEL) PAGE L 19C 1 244-8499 2 SPRING (OPTIONAL) (PROVIDES CONTROLLABILITY COMPARABLE TO A AND B-SERIES MACHINES) 20 1 165-9435 2 SEAT 21 1 095-1586 4 SEAL-O-RING 2
  • Page 738HYDRAULIC SYSTEM 206-3305 VALVE GP-PILOT (contd. ) i02174618 GRAPHIC #1 g01102305 708 HYDRAULIC SYSTEM 3 of 3 SEBP4861-02
  • Page 739HYDRAULIC SYSTEM 270-5948 VALVE GP-PILOT–TRAVEL S/N: CJN1-992 PART OF 275-1715 LINES GP-PILOT SMCS-5059 i02696671 REF GRAPHIC PART NAME SEE NOTE NO REF PART NUMBER QTY 1 2 3 4 5 6 (PRODUCT LEVEL) PAGE 1 1 270-5950 4 SPRING 2 1 131-5818 4 SPRING 3 1 095-0936 4 RING-RETAINING 4 1 126-1865 4 SPRING 5 1
  • Page 740HYDRAULIC SYSTEM 270-5948 VALVE GP-PILOT (contd. ) i02696671 GRAPHIC #1 g00857024 710 HYDRAULIC SYSTEM 2 of 2 SEBP4861-02
  • Page 741HYDRAULIC SYSTEM 297-0529 VALVE GP-PILOT–JOYSTICK S/N: CJN1-UP PART OF 297-0532, 297-0533 CONTROL GP-JOYSTICK AN ATTACHMENT SMCS-5059 i03017531 REF GRAPHIC PART NAME SEE NOTE NO REF PART NUMBER QTY 1 2 3 4 5 6 (PRODUCT LEVEL) PAGE 1 1 270-5953 4 SPRING 2 1 095-1586 4 SEAL-O-RING 3 1 4I-6365 1 JOINT
  • Page 742HYDRAULIC SYSTEM 297-0529 VALVE GP-PILOT (contd. ) i03017531 GRAPHIC #1 g01528724 712 HYDRAULIC SYSTEM 2 of 2 SEBP4861-02
  • Page 743HYDRAULIC SYSTEM 297-0589 VALVE GP-PILOT–JOYSTICK S/N: CJN1-UP PART OF 297-0534, 297-0535, 297-0536, 297-0537 CONTROL GP-JOYSTICK FIELD REPLACEMENT FOR 206-3305–PAGE 706 AN ATTACHMENT SMCS-5059 i03135570 REF GRAPHIC PART NAME SEE NOTE NO REF PART NUMBER QTY 1 2 3 4 5 6 (PRODUCT LEVEL) PAGE 1 1 095-1
  • Page 744HYDRAULIC SYSTEM 297-0589 VALVE GP-PILOT (contd. ) i03135570 GRAPHIC #1 g01528741 714 HYDRAULIC SYSTEM 2 of 2 SEBP4861-02
  • Page 745HYDRAULIC SYSTEM 310-0415 VALVE GP-PILOT–WITHOUT SHUTTLE S/N: CJN993-UP PART OF 275-1715 LINES GP-PILOT SMCS-5059 i03127888 REF GRAPHIC PART NAME SEE NOTE NO REF PART NUMBER QTY 1 2 3 4 5 6 (PRODUCT LEVEL) PAGE 1 1 087-5708 2 PEDAL M 2 1 095-0673 2 BOLT-SOCKET HEAD (M12X1.75X60-MM) 3 1 099-6137 4 WA
  • Page 746HYDRAULIC SYSTEM 310-0415 VALVE GP-PILOT (contd. ) i03127888 GRAPHIC #1 g01620929 716 HYDRAULIC SYSTEM 2 of 2 SEBP4861-02
  • Page 747HYDRAULIC SYSTEM 309-9977 VALVE GP-PILOT RELIEF–LINE S/N: CJN1-UP PART OF 260-8226, 275-1699 LINES GP-FRONT, 259-7550 VALVE GP-MAIN CONTROL ALSO AN ATTACHMENT SMCS-5072 i02866443 REF GRAPHIC PART NAME SEE NOTE NO REF PART NUMBER QTY 1 2 3 4 5 6 (PRODUCT LEVEL) PAGE 1 1 095-1514 1 SEAL-O-RING 2 1 095
  • Page 748HYDRAULIC SYSTEM 285-1613 VALVE GP-PRESSURE REDUCING–BOOM PRIORITY S/N: CJN1-UP PART OF 302-3195 LINES GP-PILOT SMCS-5117 i02711164 REF GRAPHIC PART NAME SEE NOTE NO REF PART NUMBER QTY 1 2 3 4 5 6 (PRODUCT LEVEL) PAGE 1 1 171-0123 1 PLUG M 2 1 171-0124 1 SETSCREW (M8X1.25X18-MM) 3 1 185-0423 1 STOP
  • Page 749HYDRAULIC SYSTEM 129-8030 VALVE GP-RELIEF–CROSSOVER S/N: CJN1-UP PART OF 199-0504 VALVE GP-TRAVEL COUNTERBALANCE ALSO AN ATTACHMENT SMCS-5069, 5117 i01109874 REF GRAPHIC PART NAME SEE NOTE NO REF PART NUMBER QTY 1 2 3 4 5 6 (PRODUCT LEVEL) PAGE 1 1 114-0515 1 SEAT 2 1 095-1785 3 RING-BACKUP 3 1 095-
  • Page 750HYDRAULIC SYSTEM 270-5979 VALVE GP-RELIEF–MAIN S/N: CJN1-UP PART OF 259-7550 VALVE GP-MAIN CONTROL ALSO AN ATTACHMENT SMCS-5069, 5117 i02858309 REF GRAPHIC PART NAME SEE NOTE NO REF PART NUMBER QTY 1 2 3 4 5 6 (PRODUCT LEVEL) PAGE 1 1 095-1575 1 SEAL-O-RING 2 1 7I-8096 1 STOP M 3 1 7I-8098 1 SETSCRE
  • Page 751HYDRAULIC SYSTEM 270-5985 VALVE GP-RELIEF S/N: CJN1-UP PART OF 260-8226, 275-1699 LINES GP-FRONT AN ATTACHMENT SMCS-5069, 5117 i02598679 REF GRAPHIC PART NAME SEE NOTE NO REF PART NUMBER QTY 1 2 3 4 5 6 (PRODUCT LEVEL) PAGE 1 1 095-1591 1 SEAL-O-RING 2 1 095-1592 1 SEAL-O-RING 3 1 095-1519 1 SEAL-O-
  • Page 752HYDRAULIC SYSTEM 270-5987 VALVE GP-RELIEF S/N: CJN1-UP PART OF 259-7798 VALVE GP-CONTROL AN ATTACHMENT SMCS-5069, 5117 i02765523 PART NAME SEE NOTE PART NUMBER QTY 1 2 3 4 5 6 (PRODUCT LEVEL) PAGE NO SERVICEABLE BREAKDOWN OF PARTS AVAILABLE AT TIME OF PUBLICATION 722 HYDRAULIC SYSTEM SEBP4861-
  • Page 753HYDRAULIC SYSTEM 309-9976 VALVE GP-RELIEF S/N: CJN1-UP PART OF 259-7804 VALVE GP-CONTROL AN ATTACHMENT SMCS-5069, 5117 i02845984 REF GRAPHIC PART NAME SEE NOTE NO REF PART NUMBER QTY 1 2 3 4 5 6 (PRODUCT LEVEL) PAGE 1 1 095-1514 1 SEAL-O-RING 2 1 095-1519 1 SEAL-O-RING 3 1 095-1575 1 SEAL-O-RING 4 1
  • Page 754HYDRAULIC SYSTEM 310-0062 VALVE GP-RELIEF S/N: CJN1-UP PART OF 259-7804, 310-0157 VALVE GP-CONTROL AN ATTACHMENT SMCS-5069, 5117 i02845986 REF GRAPHIC PART NAME SEE NOTE NO REF PART NUMBER QTY 1 2 3 4 5 6 (PRODUCT LEVEL) PAGE 1 1 095-1514 1 SEAL-O-RING 2 1 095-1519 1 SEAL-O-RING 3 1 095-1575 1 SEAL-
  • Page 755HYDRAULIC SYSTEM 310-0063 VALVE GP-RELIEF S/N: CJN1-UP PART OF 297-0374 VALVE GP-CONTROL AN ATTACHMENT SMCS-5069, 5117 i02862897 REF GRAPHIC PART NAME SEE NOTE NO REF PART NUMBER QTY 1 2 3 4 5 6 (PRODUCT LEVEL) PAGE 1 1 095-1514 1 SEAL-O-RING 2 1 095-1519 1 SEAL-O-RING 3 1 095-1575 1 SEAL-O-RING 4 1
  • Page 756HYDRAULIC SYSTEM 165-9470 VALVE GP-SELECTOR–ALT PATTERN CONTROL, 4-WAY S/N: CJN1-UP PART OF 260-8241 LINES GP-PILOT AN ATTACHMENT SMCS-5065 i01298655 REF GRAPHIC PART NAME SEE NOTE NO REF PART NUMBER QTY 1 2 3 4 5 6 (PRODUCT LEVEL) PAGE M 1 1 6V-8202 6 BOLT-SOCKET HEAD (M8X1.25X16-MM) 2 1 085-7083 1
  • Page 757HYDRAULIC SYSTEM 165-9470 VALVE GP-SELECTOR (contd. ) i01298655 GRAPHIC #1 g00690417 SEBP4861-02 2 of 2 HYDRAULIC SYSTEM 727
  • Page 758HYDRAULIC SYSTEM 112-0083 VALVE GP-SHUTTLE S/N: CJN1-UP PART OF 260-8047 LINES GP-PILOT AN ATTACHMENT SMCS-5079 i03093680 REF GRAPHIC PART NAME SEE NOTE NO REF PART NUMBER QTY 1 2 3 4 5 6 (PRODUCT LEVEL) PAGE Z 1 1 1 BODY 2 1 2D-6642 4 BALL 3 1 112-0085 4 PLUG 4 1 3J-1907 4 SEAL-O-RING Z-NOT SERVICE
  • Page 759HYDRAULIC SYSTEM 123-2430 VALVE GP-SHUTTLE S/N: CJN1-UP PART OF 260-8225, 289-5749, 302-3195, 302-3258 LINES GP-PILOT ALSO AN ATTACHMENT SMCS-5079 i01884911 REF GRAPHIC PART NAME SEE NOTE NO REF PART NUMBER QTY 1 2 3 4 5 6 (PRODUCT LEVEL) PAGE Z 1 1 1 BODY-VALVE 2 1 4B-9783 1 BALL 3 1 3J-1907 2 SEAL
  • Page 760HYDRAULIC SYSTEM 123-2549 VALVE GP-SHUTTLE–1-PUMP/2-PUMP S/N: CJN1-UP PART OF 164-6980 VALVE GP-SHUTTLE AN ATTACHMENT SMCS-5079 i02210148 REF GRAPHIC PART NAME SEE NOTE NO REF PART NUMBER QTY 1 2 3 4 5 6 (PRODUCT LEVEL) PAGE 1 1 123-2511 1 TEE 2 1 4B-9783 1 BALL 3 1 123-2552 2 CONNECTOR 4 1 3J-1907
  • Page 761HYDRAULIC SYSTEM 164-6980 VALVE GP-SHUTTLE S/N: CJN1-UP PART OF 275-1696 LINES GP-FRONT AN ATTACHMENT SMCS-5079 i03254262 PART NAME SEE NOTE PART NUMBER QTY 1 2 3 4 5 6 (PRODUCT LEVEL) PAGE Y 123-2549 1 VALVE GP-SHUTTLE (1-PUMP/2-PUMP) 730 6V-8397 2 SEAL-O-RING Y-SEPARATE ILLUSTRATION 171-0198
  • Page 762HYDRAULIC SYSTEM 185-0462 VALVE GP-SHUTTLE–PILOT S/N: CJN1-UP PART OF 260-7891 LINES GP-PILOT AN ATTACHMENT SMCS-5079 i01612080 REF GRAPHIC PART NAME SEE NOTE NO REF PART NUMBER QTY 1 2 3 4 5 6 (PRODUCT LEVEL) PAGE 1 1 7I-8084 4 PLUG 2 1 185-0463 1 SEAT 3 1 4B-9880 7 BALL 4 1 165-9464 6 SEAT 5 1 095
  • Page 763HYDRAULIC SYSTEM 111-9916 VALVE GP-SOLENOID–PRESSURE REDUCING S/N: CJN1-UP PART OF 311-7405 PUMP GP-PISTON, 171-0188, 259-7430 VALVE GP-SOLENOID, 238-0751, 270-5766, 297-0684, 297-0685 VALVE GP-SOLENOID & PRESS REDC ALSO AN ATTACHMENT SMCS-5479 i02649387 REF GRAPHIC PART NAME SEE NOTE NO REF PART NU
  • Page 764HYDRAULIC SYSTEM 116-3526 VALVE GP-SOLENOID S/N: CJN1-UP 24-VOLT PART OF 266-7932 VALVE GP-SOLENOID AN ATTACHMENT SMCS-5479 i01229341 REF GRAPHIC PART NAME SEE NOTE NO REF PART NUMBER QTY 1 2 3 4 5 6 (PRODUCT LEVEL) PAGE 1 1 126-6514 1 SEAL-O-RING 2 1 126-6515 1 SEAL-O-RING 3 1 126-6516 1 SEAL-O-RIN
  • Page 765HYDRAULIC SYSTEM 121-1490 VALVE GP-SOLENOID S/N: CJN1-UP PART OF 226-3109 VALVE GP-SOLENOID AN ATTACHMENT SMCS-5479 i01897979 REF GRAPHIC PART NAME SEE NOTE NO REF PART NUMBER QTY 1 2 3 4 5 6 (PRODUCT LEVEL) PAGE 1 1 095-1750 1 SEAL-O-RING 2 1 6V-8398 1 SEAL-O-RING 3 1 095-1751 1 SEAL-O-RING 4 1 095
  • Page 766HYDRAULIC SYSTEM 121-1491 VALVE GP-SOLENOID S/N: CJN1-UP PART OF 239-8697, 239-8998 MANIFOLD GP-CONTROL, 254-3080 VALVE GP-COUPLER, 258-6749 VALVE GP-SOLENOID ALSO AN ATTACHMENT SMCS-5479 i02196717 REF GRAPHIC PART NAME SEE NOTE NO REF PART NUMBER QTY 1 2 3 4 5 6 (PRODUCT LEVEL) PAGE 1 1 095-1750 1
  • Page 767HYDRAULIC SYSTEM 121-6303 VALVE GP-SOLENOID S/N: CJN1-UP PART OF 260-8225, 302-3258 LINES GP-PILOT AN ATTACHMENT SMCS-5479 i01272110 REF GRAPHIC PART NAME SEE NOTE NO REF PART NUMBER QTY 1 2 3 4 5 6 (PRODUCT LEVEL) PAGE 1 1 7I-8102 1 VALVE AS 2 1 121-6304 1 COIL GP M 3 1 099-0822 2 BOLT-SOCKET HEAD
  • Page 768HYDRAULIC SYSTEM 171-0188 VALVE GP-SOLENOID S/N: CJN1-UP PART OF 260-8225, 302-3258 LINES GP-PILOT AN ATTACHMENT SMCS-5479 i03255367 REF GRAPHIC PART NAME SEE NOTE NO REF PART NUMBER QTY 1 2 3 4 5 6 (PRODUCT LEVEL) PAGE Y 1 1 111-9916 1 VALVE GP-SOLENOID (PRESSURE REDUCING) 733 M 2 1 8T-0288 2 BOLT
  • Page 769HYDRAULIC SYSTEM 226-3109 VALVE GP-SOLENOID–NEGATIVE FLOW CONTROL S/N: CJN1-UP PART OF 302-3258 LINES GP-PILOT AN ATTACHMENT SMCS-5479 i02747443 REF GRAPHIC PART NAME SEE NOTE NO REF PART NUMBER QTY 1 2 3 4 5 6 (PRODUCT LEVEL) PAGE Y 1 1 121-1490 2 VALVE GP-SOLENOID (NEGATIVE FLOW CONTROL) 735 M 2 1
  • Page 770HYDRAULIC SYSTEM 258-6749 VALVE GP-SOLENOID–QUICK COUPLER S/N: CJN1-UP PART OF 275-1696 LINES GP-FRONT AN ATTACHMENT SMCS-5479 i02490783 REF GRAPHIC PART NAME SEE NOTE NO REF PART NUMBER QTY 1 2 3 4 5 6 (PRODUCT LEVEL) PAGE Y 1 1 121-1491 1 VALVE GP-SOLENOID (QUICK COUPLER PIN) 736 Z 2 1 1 BODY-VALV
  • Page 771HYDRAULIC SYSTEM 259-7430 VALVE GP-SOLENOID–PRESSURE REDUCING S/N: CJN1-UP PART OF 260-8225, 260-8238 LINES GP-PILOT AN ATTACHMENT SMCS-5479 i03196381 REF GRAPHIC PART NAME SEE NOTE NO REF PART NUMBER QTY 1 2 3 4 5 6 (PRODUCT LEVEL) PAGE M 1 1 8T-0288 4 BOLT (M5X0.8X12-MM) Y 2 1 111-9916 2 VALVE GP-
  • Page 772HYDRAULIC SYSTEM 266-7932 VALVE GP-SOLENOID–FINE SWING S/N: CJN1-UP PART OF 267-6778 DRIVE GP-SWING AN ATTACHMENT SMCS-5479 i02752937 REF GRAPHIC PART NAME SEE NOTE NO REF PART NUMBER QTY 1 2 3 4 5 6 (PRODUCT LEVEL) PAGE 1 1 8T-6759 3 PLUG-PIPE Y 2 1 116-3526 1 VALVE GP-SOLENOID (24-VOLT) (FINE SWIN
  • Page 773HYDRAULIC SYSTEM 315-4412 VALVE GP-SOLENOID S/N: CJN1-UP PART OF 322-8717 VALVE GP-SOLENOID AN ATTACHMENT SMCS-5479 i02954227 REF GRAPHIC PART NAME SEE NOTE NO REF PART NUMBER QTY 1 2 3 4 5 6 (PRODUCT LEVEL) PAGE 1 1 126-6514 1 SEAL-O-RING 2 1 126-6515 1 SEAL-O-RING 3 1 126-6516 1 SEAL-O-RING 4 1 09
  • Page 774HYDRAULIC SYSTEM 322-8717 VALVE GP-SOLENOID–FINE SWING S/N: CJN1-UP PART OF 267-6778 DRIVE GP-SWING AN ATTACHMENT SMCS-5479 i03153990 REF GRAPHIC PART NAME SEE NOTE NO REF PART NUMBER QTY 1 2 3 4 5 6 (PRODUCT LEVEL) PAGE 1 1 8T-6759 3 PLUG-PIPE 2 1 190-4896 2 PLUG 3 1 266-8070 1 BLOCK 4 1 283-6099 2
  • Page 775HYDRAULIC SYSTEM 260-3877 VALVE GP-SOLENOID & MANIFOLD S/N: CJN1-UP 24-VOLT PART OF 260-8222 LINES GP-FRONT FIELD REPLACEMENT ORDER 328-2035–PAGE 746 AN ATTACHMENT SMCS-5264, 5479 i03091731 REF GRAPHIC PART NAME SEE NOTE NO REF PART NUMBER QTY 1 2 3 4 5 6 (PRODUCT LEVEL) PAGE 1 1 156-5970 1 NUT (1/2
  • Page 776HYDRAULIC SYSTEM 328-2035 VALVE GP-SOLENOID & MANIFOLD–QUICK COUPLER S/N: CJN1-UP FIELD REPLACEMENT FOR 260-3877–PAGE 745 SMCS-5264, 5479 i03091800 REF GRAPHIC PART NAME SEE NOTE NO REF PART NUMBER QTY 1 2 3 4 5 6 (PRODUCT LEVEL) PAGE 1 1 156-5970 1 NUT (1/2-20-THD) 2 1 260-3883 1 COIL AS-SOLENOID 1
  • Page 777HYDRAULIC SYSTEM 238-0751 VALVE GP-SOLENOID & PRESS REDC– BOOM LOWERING CONTROL S/N: CJN1-UP PART OF 302-3195 LINES GP-PILOT SMCS-5467, 5479 i02753368 REF GRAPHIC PART NAME SEE NOTE NO REF PART NUMBER QTY 1 2 3 4 5 6 (PRODUCT LEVEL) PAGE Y 1 1 111-9916 1 VALVE GP-SOLENOID (AUXILIARY, 1-WAY/2-WAY FLO
  • Page 778HYDRAULIC SYSTEM 270-5766 VALVE GP-SOLENOID & PRESS REDC– WORK TOOL CONTROL S/N: CJN1-UP PART OF 302-3258 LINES GP-PILOT AN ATTACHMENT SMCS-5467, 5479 i02747429 REF GRAPHIC PART NAME SEE NOTE NO REF PART NUMBER QTY 1 2 3 4 5 6 (PRODUCT LEVEL) PAGE M 1 1 8T-0288 6 BOLT (M5X0.8X12-MM) Y 2 1 111-9916 3
  • Page 779HYDRAULIC SYSTEM 297-0684 VALVE GP-SOLENOID & PRESS REDC S/N: CJN1-UP PART OF 289-5749 LINES GP-PILOT AN ATTACHMENT SMCS-5467, 5479 i02843761 REF GRAPHIC PART NAME SEE NOTE NO REF PART NUMBER QTY 1 2 3 4 5 6 (PRODUCT LEVEL) PAGE M 1 1 8T-0288 6 BOLT (M5X0.8X12-MM) Y 2 1 111-9916 3 VALVE GP-SOLENOID
  • Page 780HYDRAULIC SYSTEM 297-0685 VALVE GP-SOLENOID & PRESS REDC S/N: CJN1-UP PART OF 289-5750 LINES GP-PILOT AN ATTACHMENT SMCS-5467, 5479 i02843757 REF GRAPHIC PART NAME SEE NOTE NO REF PART NUMBER QTY 1 2 3 4 5 6 (PRODUCT LEVEL) PAGE M 1 1 8T-0288 8 BOLT (M5X0.8X12-MM) Y 2 1 111-9916 4 VALVE GP-SOLENOID
  • Page 781HYDRAULIC SYSTEM 199-0504 VALVE GP-TRAVEL COUNTERBALANCE S/N: CJN1-UP PART OF 185-6952, 197-7179 MOTOR & MTG GP-TRAVEL ALSO AN ATTACHMENT SMCS-5811 i01884912 REF GRAPHIC PART NAME SEE NOTE NO REF PART NUMBER QTY 1 2 3 4 5 6 (PRODUCT LEVEL) PAGE Z 1 1 1 VALVE GP-CONTROL M 2 1 6V-8200 8 BOLT-SOCKET HE
  • Page 782IMPLEMENTS 330-8777 BOOM AR–ACCUGRADE S/N: CJN1-UP FOR USE WITH 330-8775–PAGE 4 AN ATTACHMENT SMCS-6000 i03146526 PART NAME SEE NOTE PART NUMBER QTY 1 2 3 4 5 6 (PRODUCT LEVEL) PAGE Y 303-8845 1 BOOM GP 758 Y 259-0837 1 CYLINDER & LINES GP-BOOM (LH) 395 Y 259-0838 1 CYLINDER & LINES GP-BOOM (RH) 395
  • Page 783IMPLEMENTS 301-2575 BOOM AR-1 PIECE LONG–HEAVY-DUTY S/N: CJN1-UP AN ATTACHMENT SMCS-6501 i02988355 PART NAME SEE NOTE PART NUMBER QTY 1 2 3 4 5 6 (PRODUCT LEVEL) PAGE Y 315-0943 1 BOOM GP 760 Y 259-0837 1 CYLINDER & LINES GP-BOOM (LH) 395 Y 259-0838 1 CYLINDER & LINES GP-BOOM (RH) 395 Y 259-0841 1 C
  • Page 784IMPLEMENTS 264-1593 BOOM GP S/N: CJN1-UP 5.1-M (16.7-FT) PART OF 260-6979 BOOM AR-1 PIECE LONG AN ATTACHMENT SMCS-6301, 6302, 6460, 6501, 6516, 6521, 6535, 6536 i02748141 REF GRAPHIC PART NAME SEE NOTE NO REF PART NUMBER QTY 1 2 3 4 5 6 (PRODUCT LEVEL) PAGE 1 1 4I-3308 2 PLATE 2 1 4I-3309 2 SPACER (
  • Page 785IMPLEMENTS 264-1593 BOOM GP (contd. ) i02748141 GRAPHIC #1 g01377916 SEBP4861-02 2 of 2 IMPLEMENTS 755
  • Page 786IMPLEMENTS 290-9321 BOOM GP-1 PIECE S/N: CJN1-UP PART OF 283-9001 BOOM AR-1 PIECE LONG AN ATTACHMENT SMCS-6301, 6302, 6460, 6501, 6516, 6521, 6535, 6536 i02793523 REF GRAPHIC PART NAME SEE NOTE NO REF PART NUMBER QTY 1 2 3 4 5 6 (PRODUCT LEVEL) PAGE 1 1 4I-3308 2 PLATE 2 1 4I-3309 2 SPACER (82X110X3
  • Page 787IMPLEMENTS 290-9321 BOOM GP-1 PIECE (contd. ) i02793523 GRAPHIC #1 g01398610 SEBP4861-02 2 of 2 IMPLEMENTS 757
  • Page 788IMPLEMENTS 303-8845 BOOM GP–ACCUGRADE READY S/N: CJN1-UP 5.1-M (16.7-FT) PART OF 330-8777 BOOM AR, 301-2479, 301-2517 SPECIAL AR AN ATTACHMENT SMCS-6301, 6302, 6460, 6501, 6516, 6521, 6535, 6536 i02840810 REF GRAPHIC PART NAME SEE NOTE NO REF PART NUMBER QTY 1 2 3 4 5 6 (PRODUCT LEVEL) PAGE 1 1 4I-3
  • Page 789IMPLEMENTS 303-8845 BOOM GP (contd. ) i02840810 GRAPHIC #1 g01419154 SEBP4861-02 2 of 2 IMPLEMENTS 759
  • Page 790IMPLEMENTS 315-0943 BOOM GP S/N: CJN1-UP 5.1-M (16.7-FT) PART OF 301-2575 BOOM AR-1 PIECE LONG AN ATTACHMENT SMCS-6301, 6302, 6460, 6501, 6516, 6521, 6535, 6536 i02988356 REF GRAPHIC PART NAME SEE NOTE NO REF PART NUMBER QTY 1 2 3 4 5 6 (PRODUCT LEVEL) PAGE 1 1 4I-3308 2 PLATE 2 1 4I-3309 2 SPACER (
  • Page 791IMPLEMENTS 315-0943 BOOM GP (contd. ) i02988356 GRAPHIC #1 g01570853 SEBP4861-02 2 of 2 IMPLEMENTS 761
  • Page 792IMPLEMENTS 174-8529 LINES GP-GREASE S/N: CJN1-UP PART OF 330-8777 BOOM AR, 260-6979, 283-9001, 301-2575 BOOM AR-1 PIECE LONG, 301-2479, 301-2517 SPECIAL AR AN ATTACHMENT SMCS-7510 i01432048 REF GRAPHIC PART NAME SEE NOTE NO REF PART NUMBER QTY 1 2 3 4 5 6 (PRODUCT LEVEL) PAGE 1 1 8M-2772 2 CLIP M 2
  • Page 793IMPLEMENTS 260-7020 LINKAGE AR-BUCKET–WITH LIFTING EYE S/N: CJN1-UP AN ATTACHMENT SMCS-6513 i02719478 PART NAME SEE NOTE PART NUMBER QTY 1 2 3 4 5 6 (PRODUCT LEVEL) PAGE Y 259-0844 1 CYLINDER & LINES GP-BUCKET 396 Y 264-1603 1 LINKAGE GP-BUCKET (WITH LIFTING EYE) 765 Y-SEPARATE ILLUSTRATION 26
  • Page 794IMPLEMENTS 330-8778 LINKAGE AR-BUCKET–ACCUGRADE S/N: CJN1-UP FOR USE WITH 330-8775–PAGE 4 AN ATTACHMENT SMCS-6513 i03146515 PART NAME SEE NOTE PART NUMBER QTY 1 2 3 4 5 6 (PRODUCT LEVEL) PAGE Y 310-1782 1 CYLINDER & LINES GP-BUCKET 397 Y 295-9562 1 GUARD GP-CYLINDER 449 Y 264-1603 1 LINKAGE GP-BUCKE
  • Page 795IMPLEMENTS 264-1603 LINKAGE GP-BUCKET–WITH LIFTING EYE S/N: CJN1-UP PART OF 260-7020, 260-7021, 283-9011, 283-9012, 330-8778 LINKAGE AR-BUCKET, 301-2479, 301-2517 SPECIAL AR AN ATTACHMENT SMCS-6513 i02719413 REF GRAPHIC PART NAME SEE NOTE NO REF PART NUMBER QTY 1 2 3 4 5 6 (PRODUCT LEVEL) PAGE 1 1 3
  • Page 796IMPLEMENTS 264-1603 LINKAGE GP-BUCKET (contd. ) i02719413 GRAPHIC #1 g01367416 766 IMPLEMENTS 2 of 2 SEBP4861-02
  • Page 797IMPLEMENTS 277-1213 LINKAGE GP-BUCKET–COUPLER S/N: CJN1-UP PART OF 268-7258, 268-7259, 306-1336, 306-1337 COUPLER AR-QUICK AN ATTACHMENT SMCS-6513 i02727899 REF GRAPHIC PART NAME SEE NOTE NO REF PART NUMBER QTY 1 2 3 4 5 6 (PRODUCT LEVEL) PAGE M 1 1 236-6365 2 BOLT (M16X2X150-MM) M 2 1 6C-8647 2 BOL
  • Page 798IMPLEMENTS 260-6981 STICK AR-HOE S/N: CJN1-UP 3.1-M (10.2-FT) REACH AN ATTACHMENT SMCS-6502 i02840189 PART NAME SEE NOTE PART NUMBER QTY 1 2 3 4 5 6 (PRODUCT LEVEL) PAGE Y 131-9961 1 LINES GP-STICK 621 Y 308-8867 1 STICK GP-HOE 783 Y-SEPARATE ILLUSTRATION 260-6982 STICK AR-HOE S/N: CJN1-UP 2.6
  • Page 799IMPLEMENTS 283-9002 STICK AR-HOE–REACH S/N: CJN1-UP 3.1-M (10.2-FT) AN ATTACHMENT SMCS-6502 i02840281 PART NAME SEE NOTE PART NUMBER QTY 1 2 3 4 5 6 (PRODUCT LEVEL) PAGE Y 131-9961 1 LINES GP-STICK 621 Y 308-8895 1 STICK GP-HOE 784 Y-SEPARATE ILLUSTRATION 283-9003 STICK AR-HOE–REACH S/N: CJN1-
  • Page 800IMPLEMENTS 283-9006 STICK AR-HOE S/N: CJN1-UP 1.9-M (6.1-FT) AN ATTACHMENT SMCS-6502 i02761919 PART NAME SEE NOTE PART NUMBER QTY 1 2 3 4 5 6 (PRODUCT LEVEL) PAGE Y 131-9964 1 LINES GP-STICK 624 Y 294-1360 1 STICK GP-HOE 779 Y-SEPARATE ILLUSTRATION 301-2461 STICK AR-HOE–REACH, ACCUGRADE READY
  • Page 801IMPLEMENTS 260-7070 STICK AR-REACH S/N: CJN1-UP 2.9-M (9.5-FT) REACH AN ATTACHMENT SMCS-6502 i02750443 PART NAME SEE NOTE PART NUMBER QTY 1 2 3 4 5 6 (PRODUCT LEVEL) PAGE Y 275-1695 1 LINES GP-STICK 625 Y 269-1609 1 STICK GP-HOE 775 Y-SEPARATE ILLUSTRATION SEBP4861-02 IMPLEMENTS 771
  • Page 802IMPLEMENTS 264-1600 STICK GP-HOE S/N: CJN1-UP 2.6-M (8.5-FT) PART OF 260-6982 STICK AR-HOE AN ATTACHMENT SMCS-6502 i02747932 REF GRAPHIC PART NAME SEE NOTE NO REF PART NUMBER QTY 1 2 3 4 5 6 (PRODUCT LEVEL) PAGE 1 1 3B-8489 3 FITTING-GREASE 2 1 4I-4811 1 PIN AS 3 1 093-0349 2 WASHER (22X60X6-MM THK)
  • Page 803IMPLEMENTS 264-1604 STICK GP-HOE S/N: CJN1-UP 2.3-M (7.4-FT) PART OF 260-6983 STICK AR-HOE AN ATTACHMENT SMCS-6502 i02747957 REF GRAPHIC PART NAME SEE NOTE NO REF PART NUMBER QTY 1 2 3 4 5 6 (PRODUCT LEVEL) PAGE 1 1 3B-8489 3 FITTING-GREASE 2 1 4I-4811 1 PIN AS 3 1 093-0349 2 WASHER (22X60X6-MM THK)
  • Page 804IMPLEMENTS 264-1605 STICK GP-HOE S/N: CJN1-UP 1.9-M (6.1-FT) PART OF 260-6984 STICK AR-HOE AN ATTACHMENT SMCS-6502 i02747976 REF GRAPHIC PART NAME SEE NOTE NO REF PART NUMBER QTY 1 2 3 4 5 6 (PRODUCT LEVEL) PAGE 1 1 3B-8489 3 FITTING-GREASE 2 1 4I-4811 2 PIN AS 3 1 093-0349 2 WASHER (22X60X6-MM THK)
  • Page 805IMPLEMENTS 269-1609 STICK GP-HOE S/N: CJN1-UP 2.9-M (9.5-FT) PART OF 260-7070 STICK AR-REACH AN ATTACHMENT SMCS-6502 i02750446 REF GRAPHIC PART NAME SEE NOTE NO REF PART NUMBER QTY 1 2 3 4 5 6 (PRODUCT LEVEL) PAGE 1 1 3B-8489 3 FITTING-GREASE 2 1 4I-4811 1 PIN AS 3 1 093-0349 2 WASHER (22X60X6-MM TH
  • Page 806IMPLEMENTS 290-9327 STICK GP-HOE S/N: CJN1-UP 2.6-M (8.5-FT) PART OF 283-9004 STICK AR-HOE AN ATTACHMENT SMCS-6502 i02761916 REF GRAPHIC PART NAME SEE NOTE NO REF PART NUMBER QTY 1 2 3 4 5 6 (PRODUCT LEVEL) PAGE 1 1 3B-8489 3 FITTING-GREASE 2 1 4I-4811 1 PIN AS 3 1 093-0349 2 WASHER (22X60X6-MM THK)
  • Page 807IMPLEMENTS 290-9330 STICK GP-HOE S/N: CJN1-UP 2.3-M (7.4-FT) PART OF 283-9005 STICK AR-HOE AN ATTACHMENT SMCS-6502 i02761918 REF GRAPHIC PART NAME SEE NOTE NO REF PART NUMBER QTY 1 2 3 4 5 6 (PRODUCT LEVEL) PAGE 1 1 3B-8489 3 FITTING-GREASE 2 1 4I-4811 1 PIN AS 3 1 093-0349 2 WASHER (22X60X6-MM THK)
  • Page 808IMPLEMENTS 290-9333 STICK GP-HOE S/N: CJN1-UP 2.9-M (9.5-FT) PART OF 283-9003 STICK AR-HOE AN ATTACHMENT SMCS-6502 i02765398 REF GRAPHIC PART NAME SEE NOTE NO REF PART NUMBER QTY 1 2 3 4 5 6 (PRODUCT LEVEL) PAGE 1 1 3B-8489 3 FITTING-GREASE 2 1 4I-4811 1 PIN AS 3 1 093-0349 2 WASHER (22X60X6-MM THK)
  • Page 809IMPLEMENTS 294-1360 STICK GP-HOE S/N: CJN1-UP 1.9-M (6.1-FT) PART OF 283-9006 STICK AR-HOE AN ATTACHMENT SMCS-6502 i02761922 REF GRAPHIC PART NAME SEE NOTE NO REF PART NUMBER QTY 1 2 3 4 5 6 (PRODUCT LEVEL) PAGE 1 1 3B-8489 3 FITTING-GREASE 2 1 4I-4811 2 PIN AS 3 1 093-0349 2 WASHER (22X60X6-MM THK)
  • Page 810IMPLEMENTS 303-8848 STICK GP-HOE–ACCUGRADE READY S/N: CJN1-UP 2.6-M (8.5-FT) PART OF 301-2463 STICK AR-HOE AN ATTACHMENT SMCS-6502 i02808300 REF GRAPHIC PART NAME SEE NOTE NO REF PART NUMBER QTY 1 2 3 4 5 6 (PRODUCT LEVEL) PAGE 1 1 3B-8489 3 FITTING-GREASE 2 1 4I-4811 1 PIN AS 3 1 093-0349 2 WASHER
  • Page 811IMPLEMENTS 303-8851 STICK GP-HOE–ACCUGRADE READY S/N: CJN1-UP 3.1-M (10.2-FT) PART OF 301-2461 STICK AR-HOE AN ATTACHMENT SMCS-6502 i02765902 REF GRAPHIC PART NAME SEE NOTE NO REF PART NUMBER QTY 1 2 3 4 5 6 (PRODUCT LEVEL) PAGE 1 1 3B-8489 3 FITTING-GREASE 2 1 4I-4811 1 PIN AS 3 1 093-0349 2 WASHER
  • Page 812IMPLEMENTS 303-8851 STICK GP-HOE (contd. ) i02765902 GRAPHIC #1 g01388241 782 IMPLEMENTS 2 of 2 SEBP4861-02
  • Page 813IMPLEMENTS 308-8867 STICK GP-HOE S/N: CJN1-UP 3.1-M (10.2-FT) PART OF 260-6981 STICK AR-HOE AN ATTACHMENT SMCS-6502 i02840180 REF GRAPHIC PART NAME SEE NOTE NO REF PART NUMBER QTY 1 2 3 4 5 6 (PRODUCT LEVEL) PAGE 1 1 3B-8489 3 FITTING-GREASE 2 1 4I-4811 1 PIN AS 3 1 093-0349 2 WASHER (22X60X6-MM THK
  • Page 814IMPLEMENTS 308-8895 STICK GP-HOE–AUXILIARY, QUICK CPLR, REACH S/N: CJN1-UP 3.1-M (10.2-FT) PART OF 283-9002 STICK AR-HOE AN ATTACHMENT SMCS-6502 i02840284 REF GRAPHIC PART NAME SEE NOTE NO REF PART NUMBER QTY 1 2 3 4 5 6 (PRODUCT LEVEL) PAGE 1 1 3B-8489 3 FITTING-GREASE 2 1 4I-4811 1 PIN AS 3 1 093-
  • Page 815IMPLEMENTS 315-0925 STICK GP-HOE S/N: CJN1-UP 2.6-M (8.5-FT) PART OF 301-2576 STICK AR-HOE AN ATTACHMENT SMCS-6502 i03001026 REF GRAPHIC PART NAME SEE NOTE NO REF PART NUMBER QTY 1 2 3 4 5 6 (PRODUCT LEVEL) PAGE 1 1 3B-8489 3 FITTING-GREASE 2 1 4I-4811 1 PIN AS 3 1 093-0349 2 WASHER (22X60X6-MM THK)
  • Page 816WORK TOOLS 106-6757 ADJUSTER GP-BUCKET S/N: CJN1-UP PART OF 239-2509, 239-2510, 239-2511, 239-2512, 239-2513, 239-2514, 239-2515, 239-2516, 239-2517, 239-2518, 305-1667, 305-1671 BUCKET & ADJUSTER GP AN ATTACHMENT SMCS-6513, 6700 i02210037 REF GRAPHIC PART NAME SEE NOTE NO REF PART NUMBER QTY 1 2 3
  • Page 817WORK TOOLS 239-2509 BUCKET & ADJUSTER GP–GENERAL PURPOSE S/N: CJN1-UP 617-MM (24-IN) WIDE X 0.35-CU M (0.45-CU YD) CAPACITY. K-80 ADAPTERS, (3X) AN ATTACHMENT TYPE 1 SMCS-6503, 6513 i02586880 REF GRAPHIC PART NAME SEE NOTE NO REF PART NUMBER QTY 1 2 3 4 5 6 (PRODUCT LEVEL) PAGE 1 1 239-2810 1 EDGE A
  • Page 818WORK TOOLS 239-2509 BUCKET & ADJUSTER GP–GENERAL PURPOSE S/N: CJN1-UP 617-MM (24-IN) WIDE X 0.35-CU M (0.45-CU YD) CAPACITY. K-80 ADAPTERS, (3X) AN ATTACHMENT TYPE 2 SMCS-6503, 6513 i02895018 PART NAME SEE NOTE PART NUMBER QTY 1 2 3 4 5 6 (PRODUCT LEVEL) PAGE Y 106-6757 1 ADJUSTER GP-BUCKET 786 CY 3
  • Page 819WORK TOOLS 239-2512 BUCKET & ADJUSTER GP–EXCAVATION S/N: CJN1-UP 1074-MM (42-IN) WIDE X 0.7-CU M (1-CU YD) CAPACITY. K-80 ADAPTERS, (5X) AN ATTACHMENT TYPE 1 SMCS-6503, 6513 i02598653 REF GRAPHIC PART NAME SEE NOTE NO REF PART NUMBER QTY 1 2 3 4 5 6 (PRODUCT LEVEL) PAGE 1 1 239-2764 1 EDGE AS 1A 1 2
  • Page 820WORK TOOLS 239-2512 BUCKET & ADJUSTER GP–EXCAVATION S/N: CJN1-UP 1074-MM (42-IN) WIDE X 0.7-CU M (1-CU YD) CAPACITY. K-80 ADAPTERS, (5X) AN ATTACHMENT TYPE 2 SMCS-6503, 6513 i02895034 PART NAME SEE NOTE PART NUMBER QTY 1 2 3 4 5 6 (PRODUCT LEVEL) PAGE Y 106-6757 1 ADJUSTER GP-BUCKET 786 CY 305-1692
  • Page 821WORK TOOLS 239-2514 BUCKET & ADJUSTER GP–HEAVY-DUTY ROCK S/N: CJN1-UP 619-MM (24-IN) WIDE X 0.4-CU M (0.5-CU YD) CAPACITY. K-90 ADAPTERS, (3X) AN ATTACHMENT TYPE 1 SMCS-6503, 6513 i02672931 REF GRAPHIC PART NAME SEE NOTE NO REF PART NUMBER QTY 1 2 3 4 5 6 (PRODUCT LEVEL) PAGE 1 1 239-2819 1 EDGE AS
  • Page 822WORK TOOLS 239-2514 BUCKET & ADJUSTER GP–HEAVY-DUTY ROCK S/N: CJN1-UP 619-MM (24-IN) WIDE X 0.4-CU M (0.5-CU YD) CAPACITY. K-90 ADAPTERS, (3X) AN ATTACHMENT TYPE 2 SMCS-6503, 6513 i02895053 PART NAME SEE NOTE PART NUMBER QTY 1 2 3 4 5 6 (PRODUCT LEVEL) PAGE Y 106-6757 1 ADJUSTER GP-BUCKET 786 CY 305
  • Page 823WORK TOOLS 239-2517 BUCKET & ADJUSTER GP–HEAVY-DUTY ROCK S/N: CJN1-UP 1076-MM (42-IN) WIDE X 0.7-CU M (1-CU YD) CAPACITY. K-90 ADAPTERS, (5X) AN ATTACHMENT SMCS-6503, 6513 i02895089 PART NAME SEE NOTE PART NUMBER QTY 1 2 3 4 5 6 (PRODUCT LEVEL) PAGE Y 106-6757 1 ADJUSTER GP-BUCKET 786 Y 239-2527 1 B
  • Page 824WORK TOOLS 239-2520 BUCKET AS-EXCAVATION S/N: CJN1-UP 770-MM (30-IN) WIDE X 0.5-CU M (0.6-CU YD) CAPACITY. K-80 ADAPTERS, (4X) PART OF 239-2510 BUCKET & ADJUSTER GP AN ATTACHMENT SMCS-6523 i02209995 REF GRAPHIC PART NAME SEE NOTE NO REF PART NUMBER QTY 1 2 3 4 5 6 (PRODUCT LEVEL) PAGE 1 1 239-2771 1
  • Page 825WORK TOOLS 239-2521 BUCKET AS-EXCAVATION S/N: CJN1-UP 922-MM (36-IN) WIDE X 0.6-CU M (0.8-CU YD) CAPACITY. K-80 ADAPTERS, (5X) PART OF 239-2511 BUCKET & ADJUSTER GP AN ATTACHMENT SMCS-6523 i02210000 REF GRAPHIC PART NAME SEE NOTE NO REF PART NUMBER QTY 1 2 3 4 5 6 (PRODUCT LEVEL) PAGE 1 1 239-2619 1
  • Page 826WORK TOOLS 239-2523 BUCKET AS-EXCAVATION S/N: CJN1-UP 1226-MM (48-IN) WIDE X 0.9-CU M (1.2-CU YD) CAPACITY. K-80 ADAPTERS, (6X) PART OF 239-2513 BUCKET & ADJUSTER GP AN ATTACHMENT SMCS-6523 i02210005 REF GRAPHIC PART NAME SEE NOTE NO REF PART NUMBER QTY 1 2 3 4 5 6 (PRODUCT LEVEL) PAGE 1 1 239-2784
  • Page 827WORK TOOLS 305-1689 BUCKET AS-GENERAL PURPOSE S/N: CJN1-UP 617-MM (24-IN) WIDE X 0.4-CU M (0.5-CU YD) CAPACITY. K-80 ADAPTERS, (3X) PART OF 239-2509 BUCKET & ADJUSTER GP AN ATTACHMENT SMCS-6101 i02895021 REF GRAPHIC PART NAME SEE NOTE NO REF PART NUMBER QTY 1 2 3 4 5 6 (PRODUCT LEVEL) PAGE 1 1 239-2
  • Page 828WORK TOOLS 305-1690 BUCKET AS-GENERAL PURPOSE S/N: CJN1-UP 770-MM (30-IN) WIDE X 0.5-CU M (0.6-CU YD) CAPACITY. K-80 ADAPTERS, (4X) PART OF 239-2510 BUCKET & ADJUSTER GP AN ATTACHMENT SMCS-6101 i02895029 REF GRAPHIC PART NAME SEE NOTE NO REF PART NUMBER QTY 1 2 3 4 5 6 (PRODUCT LEVEL) PAGE 1 1 239-2
  • Page 829WORK TOOLS 305-1691 BUCKET AS-GENERAL PURPOSE S/N: CJN1-UP 922-MM (36-IN) WIDE X 0.6-CU M (0.8-CU YD) CAPACITY. K-80 ADAPTERS, (5X) PART OF 239-2511 BUCKET & ADJUSTER GP AN ATTACHMENT SMCS-6101 i02895033 REF GRAPHIC PART NAME SEE NOTE NO REF PART NUMBER QTY 1 2 3 4 5 6 (PRODUCT LEVEL) PAGE 1 1 239-2
  • Page 830WORK TOOLS 305-1692 BUCKET AS-GENERAL PURPOSE S/N: CJN1-UP 1074-MM (42-IN) WIDE X 0.7-CU M (1-CU YD) CAPACITY. K-80 ADAPTERS, (5X) PART OF 239-2512 BUCKET & ADJUSTER GP AN ATTACHMENT SMCS-6101 i02895047 REF GRAPHIC PART NAME SEE NOTE NO REF PART NUMBER QTY 1 2 3 4 5 6 (PRODUCT LEVEL) PAGE 1 1 239-27
  • Page 831WORK TOOLS 305-1693 BUCKET AS-GENERAL PURPOSE S/N: CJN1-UP 1226-MM (48-IN) WIDE X 0.9-CU M (1.2-CU YD) CAPACITY. K-80 ADAPTERS, (6X) PART OF 239-2513 BUCKET & ADJUSTER GP AN ATTACHMENT SMCS-6101 i02895050 REF GRAPHIC PART NAME SEE NOTE NO REF PART NUMBER QTY 1 2 3 4 5 6 (PRODUCT LEVEL) PAGE 1 1 239-
  • Page 832WORK TOOLS 327-3615 BUCKET AS-GENERAL PURPOSE S/N: CJN1-UP 617-MM (24-IN) WIDE X 0.4-CU M (0.5-CU YD) CAPACITY. K-80 ADAPTERS, (3X) PART OF 327-3614 BUCKET GP-GENERAL PURPOSE AN ATTACHMENT SMCS-6101 i03093734 REF GRAPHIC PART NAME SEE NOTE NO REF PART NUMBER QTY 1 2 3 4 5 6 (PRODUCT LEVEL) PAGE 1 1
  • Page 833WORK TOOLS 327-3618 BUCKET AS-GENERAL PURPOSE S/N: CJN1-UP 770-MM (30-IN) WIDE X 0.5-CU M (0.6-CU YD) CAPACITY. K-80 ADAPTERS, (4X) PART OF 327-3617 BUCKET GP-GENERAL PURPOSE AN ATTACHMENT SMCS-6101 i03164868 REF GRAPHIC PART NAME SEE NOTE NO REF PART NUMBER QTY 1 2 3 4 5 6 (PRODUCT LEVEL) PAGE 1 1
  • Page 834WORK TOOLS 327-3621 BUCKET AS-GENERAL PURPOSE S/N: CJN1-UP 922-MM (36-IN) WIDE X 0.6-CU M (0.8-CU YD) CAPACITY. K-80 ADAPTERS, (5X) PART OF 327-3620 BUCKET GP-GENERAL PURPOSE AN ATTACHMENT SMCS-6101 i03095190 REF GRAPHIC PART NAME SEE NOTE NO REF PART NUMBER QTY 1 2 3 4 5 6 (PRODUCT LEVEL) PAGE 1 1
  • Page 835WORK TOOLS 327-3624 BUCKET AS-GENERAL PURPOSE S/N: CJN1-UP 1074-MM (42-IN) WIDE X 0.7-CU M (1-CU YD) CAPACITY. K-80 ADAPTERS, (5X) PART OF 327-3623 BUCKET GP-GENERAL PURPOSE AN ATTACHMENT SMCS-6101 i03095206 REF GRAPHIC PART NAME SEE NOTE NO REF PART NUMBER QTY 1 2 3 4 5 6 (PRODUCT LEVEL) PAGE 1 1 2
  • Page 836WORK TOOLS 327-3627 BUCKET AS-GENERAL PURPOSE S/N: CJN1-UP 1219-MM (48-IN) WIDE X 0.9-CU M (1.2-CU YD) CAPACITY. K-80 ADAPTERS, (6X) PART OF 327-3626 BUCKET GP-GENERAL PURPOSE AN ATTACHMENT SMCS-6101 i03095218 REF GRAPHIC PART NAME SEE NOTE NO REF PART NUMBER QTY 1 2 3 4 5 6 (PRODUCT LEVEL) PAGE 1 1
  • Page 837WORK TOOLS 239-2525 BUCKET AS-HEAVY DUTY ROCK S/N: CJN1-UP 770-MM (30-IN) WIDE X 0.5-CU M (0.6-CU YD) CAPACITY. K-80 ADAPTERS, (4X) PART OF 239-2515 BUCKET & ADJUSTER GP AN ATTACHMENT SMCS-6102 i02210009 REF GRAPHIC PART NAME SEE NOTE NO REF PART NUMBER QTY 1 2 3 4 5 6 (PRODUCT LEVEL) PAGE 1 1 239-2
  • Page 838WORK TOOLS 239-2526 BUCKET AS-HEAVY DUTY ROCK S/N: CJN1-UP 924-MM (36-IN) WIDE X 0.6-CU M (0.8-CU YD) CAPACITY. K-90 ADAPTERS, (5X) PART OF 239-2516 BUCKET & ADJUSTER GP AN ATTACHMENT SMCS-6102 i02210013 REF GRAPHIC PART NAME SEE NOTE NO REF PART NUMBER QTY 1 2 3 4 5 6 (PRODUCT LEVEL) PAGE 1 1 239-2
  • Page 839WORK TOOLS 239-2527 BUCKET AS-HEAVY DUTY ROCK S/N: CJN1-UP 1076-MM (42-IN) WIDE X 0.7-CU M (1-CU YD) CAPACITY. K-90 ADAPTERS, (5X) PART OF 239-2517 BUCKET & ADJUSTER GP AN ATTACHMENT SMCS-6102 i02210015 REF GRAPHIC PART NAME SEE NOTE NO REF PART NUMBER QTY 1 2 3 4 5 6 (PRODUCT LEVEL) PAGE 1 1 239-27
  • Page 840WORK TOOLS 239-2528 BUCKET AS-HEAVY DUTY ROCK S/N: CJN1-UP 1228-MM (48-IN) WIDE X 0.9-CU M (1.2-CU YD) CAPACITY. K-90 ADAPTERS, (6X) PART OF 239-2518 BUCKET & ADJUSTER GP AN ATTACHMENT SMCS-6102 i02210017 REF GRAPHIC PART NAME SEE NOTE NO REF PART NUMBER QTY 1 2 3 4 5 6 (PRODUCT LEVEL) PAGE 1 1 239-
  • Page 841WORK TOOLS 305-1668 BUCKET AS-HEAVY DUTY ROCK S/N: CJN1-UP 927-MM (36-IN) WIDE X 0.6-CU M (0.8-CU YD) CAPACITY. J-350 ADAPTERS, (5X) PART OF 305-1667 BUCKET & ADJUSTER GP AN ATTACHMENT SMCS-6102 i02788581 REF GRAPHIC PART NAME SEE NOTE NO REF PART NUMBER QTY 1 2 3 4 5 6 (PRODUCT LEVEL) PAGE 1 1 177-
  • Page 842WORK TOOLS 305-1672 BUCKET AS-HEAVY DUTY ROCK S/N: CJN1-UP 1079-MM (42-IN) WIDE X 0.7-CU M (0.9-CU YD) CAPASITY. J-350 ADAPTERS, (5X) PART OF 305-1671 BUCKET & ADJUSTER GP AN ATTACHMENT SMCS-6102 i03153806 REF GRAPHIC PART NAME SEE NOTE NO REF PART NUMBER QTY 1 2 3 4 5 6 (PRODUCT LEVEL) PAGE 1 1 177
  • Page 843WORK TOOLS 305-1694 BUCKET AS-HEAVY DUTY ROCK S/N: CJN1-UP 619-MM (24-IN) WIDE X (0.4-CU M (0.5-CU YD) CAPACITY. K-90 ADAPTERS, (3X) PART OF 239-2514 BUCKET & ADJUSTER GP AN ATTACHMENT SMCS-6102 i02895055 REF GRAPHIC PART NAME SEE NOTE NO REF PART NUMBER QTY 1 2 3 4 5 6 (PRODUCT LEVEL) PAGE 1 1 239-
  • Page 844WORK TOOLS 305-1695 BUCKET AS-HEAVY DUTY ROCK–D-FAMILY S/N: CJN1-UP 770-MM (30-IN) WIDE X (0.5-CU M (0.6-CU YD) CAPACITY. K-90 ADAPTERS, (4X) PART OF 239-2515 BUCKET & ADJUSTER GP AN ATTACHMENT SMCS-6102 i02895058 REF GRAPHIC PART NAME SEE NOTE NO REF PART NUMBER QTY 1 2 3 4 5 6 (PRODUCT LEVEL) PAGE
  • Page 845WORK TOOLS 305-1696 BUCKET AS-HEAVY DUTY ROCK S/N: CJN1-UP 924-MM (36-IN) WIDE X 0.6-CU M (0.8-CU YD) CAPACITY. K-90 ADAPTERS, (5X) PART OF 239-2516 BUCKET & ADJUSTER GP AN ATTACHMENT SMCS-6102 i02895064 REF GRAPHIC PART NAME SEE NOTE NO REF PART NUMBER QTY 1 2 3 4 5 6 (PRODUCT LEVEL) PAGE 1 1 239-2
  • Page 846WORK TOOLS 305-1697 BUCKET AS-HEAVY DUTY ROCK S/N: CJN1-UP 1076-MM (42-IN) WIDE X 0.7-CU M (1-CU YD) CAPACITY. K-90 ADAPTERS, (5X) PART OF 239-2517 BUCKET & ADJUSTER GP AN ATTACHMENT SMCS-6102 i02895090 REF GRAPHIC PART NAME SEE NOTE NO REF PART NUMBER QTY 1 2 3 4 5 6 (PRODUCT LEVEL) PAGE 1 1 239-27
  • Page 847WORK TOOLS 305-1698 BUCKET AS-HEAVY DUTY ROCK S/N: CJN1-UP 1228-MM (48-IN) WIDE X 0.8-CU M (1.2-CU YD) CAPACITY. K-90 ADAPTER, (6X) PART OF 239-2518 BUCKET & ADJUSTER GP AN ATTACHMENT SMCS-6102 i03034921 REF GRAPHIC PART NAME SEE NOTE NO REF PART NUMBER QTY 1 2 3 4 5 6 (PRODUCT LEVEL) PAGE 1 1 239-2
  • Page 848WORK TOOLS 167-0278 BUCKET AS-UTILITY–DITCH CLEANING S/N: CJN1-UP 1500-MM (59-IN) WIDE X 0.9-CU M (1.2-CU YD) CAPACITY PART OF 327-3650 BUCKET GP-UTILITY AN ATTACHMENT SMCS-6101 i03095382 REF GRAPHIC PART NAME SEE NOTE NO REF PART NUMBER QTY 1 2 3 4 5 6 (PRODUCT LEVEL) PAGE 1 1 167-0286 1 EDGE 2 1 2
  • Page 849WORK TOOLS 327-3614 BUCKET GP-GENERAL PURPOSE S/N: CJN1-UP 617-MM (24-IN) WIDE X 0.4-CU M (0.5-CU YD) CAPACITY. K-80 ADAPTERS, (3X) AN ATTACHMENT SMCS-6101 i03093721 PART NAME SEE NOTE PART NUMBER QTY 1 2 3 4 5 6 (PRODUCT LEVEL) PAGE Y 327-3615 1 BUCKET AS-GENERAL PURPOSE 802 Y 2C-9589 1 PIN GP-BUCK
  • Page 850WORK TOOLS 327-3623 BUCKET GP-GENERAL PURPOSE S/N: CJN1-UP 1074-MM (42-IN) WIDE X 0.7-CU M (1-CU YD) CAPACITY. K-80 ADAPTERS, (5X) AN ATTACHMENT SMCS-6101 i03095205 PART NAME SEE NOTE PART NUMBER QTY 1 2 3 4 5 6 (PRODUCT LEVEL) PAGE Y 327-3624 1 BUCKET AS-GENERAL PURPOSE 805 Y 2C-9589 1 PIN GP-BUCKE
  • Page 851WORK TOOLS 268-7258 COUPLER AR-QUICK–WITH COUPLER PIN S/N: CJN1-UP CANNOT BE USED WITH SHORT STICK AN ATTACHMENT SMCS-1408, 5057, 6129 i02889023 PART NAME SEE NOTE PART NUMBER QTY 1 2 3 4 5 6 (PRODUCT LEVEL) PAGE Y 259-0844 1 CYLINDER & LINES GP-BUCKET 396 Y 277-1212 1 LINES GP-COUPLER 487 Y 277-121
  • Page 852WORK TOOLS 236-4154 COUPLER GP-QUICK S/N: CJN1-UP PART OF 277-1212 LINES GP-COUPLER AN ATTACHMENT SMCS-1408, 5057, 6129 i02528888 REF GRAPHIC PART NAME SEE NOTE NO REF PART NUMBER QTY 1 2 3 4 5 6 (PRODUCT LEVEL) PAGE Y 1 1 256-9795 1 CYLINDER GP-COUPLER 422 2 1 256-9794 1 HOOK 3 1 256-9797 1 PIN 4 1
  • Page 853WORK TOOLS 167-0316 EDGE GP-CUTTING S/N: CJN1-UP PART OF 327-3650 BUCKET GP-UTILITY AN ATTACHMENT SMCS-6801 i03095383 PART NAME SEE NOTE PART NUMBER QTY 1 2 3 4 5 6 (PRODUCT LEVEL) PAGE 5J-4771 6 BOLT-PLOW (3/4-10X2.75-IN) 4T-3009 1 EDGE-CUTTING 2J-3506 6 NUT-FULL (3/4-10-THD) 2C-9589 PIN GP-B
  • Page 854WORK TOOLS 253-6407 PIN GP-COUPLER S/N: CJN1-UP PART OF 268-7258, 306-1336 COUPLER AR-QUICK AN ATTACHMENT SMCS-6129 i02211016 REF GRAPHIC PART NAME SEE NOTE NO REF PART NUMBER QTY 1 2 3 4 5 6 (PRODUCT LEVEL) PAGE 1 1 106-6878 2 PIN M 2 1 8T-4132 4 NUT (M16X2-THD) M 3 1 8T-6385 2 BOLT (M16X2X180-MM)
  • Page 855WORK TOOLS 7Y-0729 SIDECUTTER GP S/N: CJN1-UP B FAMILY PART OF 327-3614, 327-3617, 327-3620, 327-3623, 327-3626 BUCKET GP-GENERAL PURPOSE AN ATTACHMENT SMCS-6813 i01471591 REF GRAPHIC PART NAME SEE NOTE NO REF PART NUMBER QTY 1 2 3 4 5 6 (PRODUCT LEVEL) PAGE 1 1 096-4748 1 SIDECUTTER-RH 2 1 096-4747
  • Page 856WORK TOOLS 217-4895 TIP GP-DOUBLE SPIKE–K-90 S/N: CJN1-UP AN ATTACHMENT SMCS-6805 i03013718 REF GRAPHIC PART NAME SEE NOTE NO REF PART NUMBER QTY 1 2 3 4 5 6 (PRODUCT LEVEL) PAGE 1 1 220-9090 1 RETAINER-G.E.T. 2 1 309-1098 1 TIP-DOUBLE SPIKE (K-90) GRAPHIC #1 g01506153 826 WORK TOOLS 1 of 1 SE
  • Page 857WORK TOOLS 217-4891 TIP GP-EXTRA-DUTY–K-90 S/N: CJN1-UP AN ATTACHMENT SMCS-6805 i02153726 REF GRAPHIC PART NAME SEE NOTE NO REF PART NUMBER QTY 1 2 3 4 5 6 (PRODUCT LEVEL) PAGE 1 1 220-9090 1 RETAINER-G.E.T. 2 1 220-9091 1 TIP-EXTRA-DUTY (K-90) GRAPHIC #1 g01074500 SEBP4861-02 1 of 1 WORK TOOL
  • Page 858WORK TOOLS 229-6964 TIP GP-EXTRA-DUTY–K-80 S/N: CJN1-UP AN ATTACHMENT SMCS-6805 i02496230 REF GRAPHIC PART NAME SEE NOTE NO REF PART NUMBER QTY 1 2 3 4 5 6 (PRODUCT LEVEL) PAGE 1 1 220-9081 1 TIP-EXTRA-DUTY (K-80) 2 1 220-9090 1 RETAINER-G.E.T. GRAPHIC #1 g01136160 828 WORK TOOLS 1 of 1 SEBP48
  • Page 859WORK TOOLS 217-4896 TIP GP-GENERAL PURPOSE–K-90 S/N: CJN1-UP AN ATTACHMENT SMCS-6805 i02467714 REF GRAPHIC PART NAME SEE NOTE NO REF PART NUMBER QTY 1 2 3 4 5 6 (PRODUCT LEVEL) PAGE 1 1 220-9090 1 RETAINER-G.E.T. 2 1 220-9099 1 TIP-GENERAL PURPOSE (K-90) GRAPHIC #1 g01074500 SEBP4861-02 1 of 1
  • Page 860WORK TOOLS 229-6969 TIP GP-GENERAL PURPOSE–K-80 S/N: CJN1-UP AN ATTACHMENT SMCS-6805 i02496237 REF GRAPHIC PART NAME SEE NOTE NO REF PART NUMBER QTY 1 2 3 4 5 6 (PRODUCT LEVEL) PAGE 1 1 220-9089 1 TIP-GENERAL PURPOSE (K-80) 2 1 220-9090 1 RETAINER-G.E.T. GRAPHIC #1 g01136148 830 WORK TOOLS 1 o
  • Page 861WORK TOOLS 217-4892 TIP GP-PENETRATION–K-90 S/N: CJN1-UP AN ATTACHMENT SMCS-6805 i02100092 REF GRAPHIC PART NAME SEE NOTE NO REF PART NUMBER QTY 1 2 3 4 5 6 (PRODUCT LEVEL) PAGE 1 1 220-9090 1 RETAINER-G.E.T. 2 1 220-9092 1 TIP-PENETRATION (K-90) GRAPHIC #1 g01074482 SEBP4861-02 1 of 1 WORK TO
  • Page 862WORK TOOLS 229-6965 TIP GP-PENETRATION S/N: CJN1-UP AN ATTACHMENT SMCS-6805 i02496231 REF GRAPHIC PART NAME SEE NOTE NO REF PART NUMBER QTY 1 2 3 4 5 6 (PRODUCT LEVEL) PAGE 1 1 220-9090 1 RETAINER-G.E.T. 2 1 220-9082 1 TIP-PENETRATION (K-80) GRAPHIC #1 g01221373 832 WORK TOOLS 1 of 1 SEBP4861-
  • Page 863WORK TOOLS 217-4893 TIP GP-PENETRATION PLUS S/N: CJN1-UP K-90 AN ATTACHMENT SMCS-6805 i02100266 REF GRAPHIC PART NAME SEE NOTE NO REF PART NUMBER QTY 1 2 3 4 5 6 (PRODUCT LEVEL) PAGE 1 1 220-9090 1 RETAINER-G.E.T. 2 1 220-9093 1 TIP-PENETRATION PLUS (K-90) GRAPHIC #1 g01074401 SEBP4861-02 1 of
  • Page 864WORK TOOLS 229-6966 TIP GP-PENETRATION PLUS S/N: CJN1-UP PART OF 327-3614, 327-3617, 327-3620, 327-3623, 327-3626 BUCKET GP-GENERAL PURPOSE AN ATTACHMENT SMCS-6805 i02438228 PART NAME SEE NOTE PART NUMBER QTY 1 2 3 4 5 6 (PRODUCT LEVEL) PAGE 220-9090 1 RETAINER-G.E.T. 220-9083 1 TIP-BUCKET (K-80)
  • Page 865WORK TOOLS 229-6967 TIP GP-SHARP S/N: CJN1-UP AN ATTACHMENT SMCS-6805 i02496232 REF GRAPHIC PART NAME SEE NOTE NO REF PART NUMBER QTY 1 2 3 4 5 6 (PRODUCT LEVEL) PAGE 1 1 220-9090 1 RETAINER-G.E.T. 2 1 220-9087 1 TIP-SPIKE GRAPHIC #1 g01074300 SEBP4861-02 1 of 1 WORK TOOLS 835
  • Page 866WORK TOOLS 217-4894 TIP GP-SPIKE–K-90 S/N: CJN1-UP AN ATTACHMENT SMCS-6805 i03246464 REF GRAPHIC PART NAME SEE NOTE NO REF PART NUMBER QTY 1 2 3 4 5 6 (PRODUCT LEVEL) PAGE 1 1 220-9090 1 RETAINER-G.E.T. 2 1 220-9097 1 TIP-SPIKE GRAPHIC #1 g01074300 836 WORK TOOLS 1 of 1 SEBP4861-02
  • Page 867WORK TOOLS 229-6968 TIP GP-TWIN SHARP S/N: CJN1-UP AN ATTACHMENT SMCS-6805 i02496233 REF GRAPHIC PART NAME SEE NOTE NO REF PART NUMBER QTY 1 2 3 4 5 6 (PRODUCT LEVEL) PAGE 1 1 220-9090 1 RETAINER-G.E.T. 2 1 220-9088 1 TIP-DOUBLE SPIKE GRAPHIC #1 g01074222 SEBP4861-02 1 of 1 WORK TOOLS 837
  • Page 868WORK TOOLS 217-4890 TIP GP-WIDE–K-90 S/N: CJN1-UP AN ATTACHMENT SMCS-6805 i02098260 REF GRAPHIC PART NAME SEE NOTE NO REF PART NUMBER QTY 1 2 3 4 5 6 (PRODUCT LEVEL) PAGE 1 1 220-9090 1 RETAINER-G.E.T. 2 1 222-1090 1 TIP-BUCKET (WIDE) GRAPHIC #1 g01074257 838 WORK TOOLS 1 of 1 SEBP4861-02
  • Page 869WORK TOOLS 229-6963 TIP GP-WIDE S/N: CJN1-UP K-80 AN ATTACHMENT SMCS-6805 i02342645 PART NAME SEE NOTE PART NUMBER QTY 1 2 3 4 5 6 (PRODUCT LEVEL) PAGE 220-9090 1 RETAINER-G.E.T. 222-1080 1 TIP-WIDE SEBP4861-02 WORK TOOLS 839
  • Page 870WORK TOOLS 232-0082 TIP-LEVELING EDGE–K-80 S/N: CJN1-UP FIELD INSTALLATION SMCS-6805 i03215485 REF GRAPHIC PART NAME SEE NOTE NO REF PART NUMBER QTY 1 2 3 4 5 6 (PRODUCT LEVEL) PAGE (NO SERVICED PARTS) GRAPHIC #1 g01230675 840 WORK TOOLS 1 of 1 SEBP4861-02
  • Page 871OPERATOR STATION 245-7889 ADJUSTER GP-SEAT–UPPER SLIDE S/N: CJN1-UP PART OF 240-5063 SUSPENSION GP-SEAT AN ATTACHMENT SMCS-7321 i02407038 REF GRAPHIC PART NAME SEE NOTE NO REF PART NUMBER QTY 1 2 3 4 5 6 (PRODUCT LEVEL) PAGE 1 1 245-7897 4 PLATE M 2 1 245-7899 4 SCREW-BUTTON HEAD (M8X1.25X30-MM) M 3
  • Page 872OPERATOR STATION 245-7896 ADJUSTER GP-SEAT–LOWER SLIDE S/N: CJN1-UP PART OF 229-9077, 240-5063 SUSPENSION GP-SEAT AN ATTACHMENT SMCS-7321 i02178063 REF GRAPHIC PART NAME SEE NOTE NO REF PART NUMBER QTY 1 2 3 4 5 6 (PRODUCT LEVEL) PAGE M 1 1 198-3899 2 SCREW-BUTTON HEAD (M8X1.25X20-MM) 2 1 245-7886 2
  • Page 873OPERATOR STATION 235-9004 AIR CONDITIONER & MOUNTING GP S/N: CJN1-UP PART OF 235-9003 AIR CONDITIONER AR AN ATTACHMENT TYPE 1 SMCS-7320 i02864313 REF GRAPHIC PART NAME SEE NOTE NO REF PART NUMBER QTY 1 2 3 4 5 6 (PRODUCT LEVEL) PAGE 1 1 293-1136 1 PANEL AS-CONTROL 2 1 235-8873 1 HARNESS AS-HEATER &
  • Page 874OPERATOR STATION 235-9004 AIR CONDITIONER & MOUNTING GP (contd. ) i02864313 GRAPHIC #1 g01397723 844 OPERATOR STATION 2 of 2 SEBP4861-02
  • Page 875OPERATOR STATION 235-9004 AIR CONDITIONER & MOUNTING GP S/N: CJN1-UP PART OF 235-9003 AIR CONDITIONER AR AN ATTACHMENT TYPE 2 SMCS-7320 i03033088 REF GRAPHIC PART NAME SEE NOTE NO REF PART NUMBER QTY 1 2 3 4 5 6 (PRODUCT LEVEL) PAGE 1 1 293-1136 1 PANEL AS-CONTROL 2 1 235-8873 1 HARNESS AS-HEATER &
  • Page 876OPERATOR STATION 235-9004 AIR CONDITIONER & MOUNTING GP (contd. ) i03033088 GRAPHIC #1 g01397723 846 OPERATOR STATION 2 of 2 SEBP4861-02
  • Page 877OPERATOR STATION 235-9003 AIR CONDITIONER AR S/N: CJN1-UP AN ATTACHMENT SMCS-7320 i02420514 PART NAME SEE NOTE PART NUMBER QTY 1 2 3 4 5 6 (PRODUCT LEVEL) PAGE Y 235-9004 1 AIR CONDITIONER & MOUNTING GP 843 Y 229-9082 1 DUCT GP-CAB AIR 939 Y-SEPARATE ILLUSTRATION SEBP4861-02 OPERATOR STATION 8
  • Page 878OPERATOR STATION 240-5036 AIR CONDITIONER GP S/N: CJN1-UP PART OF 235-9004 AIR CONDITIONER & MOUNTING GP, 229-9084 HEATER & MTG GP-CAB AN ATTACHMENT SMCS-7320 i03017477 REF GRAPHIC PART NAME SEE NOTE NO REF PART NUMBER QTY 1 2 3 4 5 6 (PRODUCT LEVEL) PAGE 1 1 185-8300 35 SCREW-TAPPING 2 2 185-8302 3
  • Page 879OPERATOR STATION 240-5036 AIR CONDITIONER GP (contd. ) i03017477 GRAPHIC #1 g01530013 SEBP4861-02 2 of 3 OPERATOR STATION 849
  • Page 880OPERATOR STATION 240-5036 AIR CONDITIONER GP (contd. ) i03017477 GRAPHIC #2 g01530054 850 OPERATOR STATION 3 of 3 SEBP4861-02
  • Page 881OPERATOR STATION 316-8811 AIR CONDITIONER GP S/N: CJN1-UP PART OF 235-9004 AIR CONDITIONER & MOUNTING GP, 229-9084 HEATER & MTG GP-CAB AN ATTACHMENT SMCS-7320 i03012140 REF GRAPHIC PART NAME SEE NOTE NO REF PART NUMBER QTY 1 2 3 4 5 6 (PRODUCT LEVEL) PAGE 1 1 185-8300 35 SCREW-TAPPING 2 2 185-8302 3
  • Page 882OPERATOR STATION 316-8811 AIR CONDITIONER GP (contd. ) i03012140 GRAPHIC #1 g01525866 852 OPERATOR STATION 2 of 3 SEBP4861-02
  • Page 883OPERATOR STATION 316-8811 AIR CONDITIONER GP (contd. ) i03012140 GRAPHIC #2 g01526086 SEBP4861-02 3 of 3 OPERATOR STATION 853
  • Page 884OPERATOR STATION 259-7346 ARMREST GP–RH S/N: CJN1-UP PART OF 259-7348 CONSOLE GP-OPERATOR SMCS-7307 i02488350 REF GRAPHIC PART NAME SEE NOTE NO REF PART NUMBER QTY 1 2 3 4 5 6 (PRODUCT LEVEL) PAGE 1 1 171-7325 3 SCREW-TAPPING M 2 1 185-8286 2 SCREW-MACHINE (M4X0.7X8-MM) 3 1 235-8951 1 SUPPORT AS 4 1
  • Page 885OPERATOR STATION 259-7347 ARMREST GP–LH S/N: CJN1-UP PART OF 259-7349 CONSOLE GP-OPERATOR SMCS-7307 i02488397 REF GRAPHIC PART NAME SEE NOTE NO REF PART NUMBER QTY 1 2 3 4 5 6 (PRODUCT LEVEL) PAGE 1 1 171-7325 3 SCREW-TAPPING M 2 1 185-8286 2 SCREW-MACHINE (M4X0.7X8-MM) 3 1 235-8952 1 SUPPORT AS 4 1
  • Page 886OPERATOR STATION 259-7295 BRACKET GP-MIRROR S/N: CJN1-UP PART OF 235-8910 CAB GP AN ATTACHMENT SMCS-7319 i02612533 REF GRAPHIC PART NAME SEE NOTE NO REF PART NUMBER QTY 1 2 3 4 5 6 (PRODUCT LEVEL) PAGE 1 1 2U-2552 5 LOCKWASHER M 2 1 6V-5683 3 BOLT (M6X1X16-MM) M 3 1 9X-6153 2 BOLT (M6X1X10-MM) Z 4 1
  • Page 887OPERATOR STATION 245-7890 BRACKET GP-MOUNTING–SUSPENSION SEAT S/N: CJN1-UP PART OF 240-5063 SUSPENSION GP-SEAT AN ATTACHMENT SMCS-0635 i02407041 REF GRAPHIC PART NAME SEE NOTE NO REF PART NUMBER QTY 1 2 3 4 5 6 (PRODUCT LEVEL) PAGE 1 1 245-7897 4 PLATE M 2 1 245-7899 4 SCREW-BUTTON HEAD (M8X1.25X30-
  • Page 888OPERATOR STATION 229-9096 CAB GP S/N: CJN1-UP AN ATTACHMENT SMCS-7301, 7325 i02485097 REF GRAPHIC PART NAME SEE NOTE NO REF PART NUMBER QTY 1 2 3 4 5 6 (PRODUCT LEVEL) PAGE M 1 1 128-2135 5 SCREW-TRUSS HEAD (M6X1X13-MM) 2 1 164-8474 2 LOUVER AS-VENT Y 3 1 229-9097 1 CAB GP 860 Y 4 1 234-6501 1 COVER
  • Page 889OPERATOR STATION 229-9096 CAB GP (contd. ) i02485097 GRAPHIC #1 g01125071 SEBP4861-02 2 of 2 OPERATOR STATION 859
  • Page 890OPERATOR STATION 229-9097 CAB GP S/N: CJN1-UP PART OF 229-9096 CAB GP AN ATTACHMENT SMCS-7301, 7325 i02857422 REF GRAPHIC PART NAME SEE NOTE NO REF PART NUMBER QTY 1 2 3 4 5 6 (PRODUCT LEVEL) PAGE 1 1 234-6467 1 CAB AS Y 2 1 235-8910 1 CAB GP (EXTERIOR) 872 Y 3 1 235-8908 1 CAB GP (INTERIOR) 870 Y 4
  • Page 891OPERATOR STATION 229-9097 CAB GP (contd. ) i02857422 GRAPHIC #1 g01125083 SEBP4861-02 2 of 2 OPERATOR STATION 861
  • Page 892OPERATOR STATION 229-9098 CAB GP S/N: CJN1-UP AN ATTACHMENT SMCS-7301, 7325 i02401091 REF GRAPHIC PART NAME SEE NOTE NO REF PART NUMBER QTY 1 2 3 4 5 6 (PRODUCT LEVEL) PAGE M 1 1 128-2135 5 SCREW-TRUSS HEAD (M6X1X13-MM) 2 1 164-8474 2 LOUVER AS-VENT Y 3 1 229-9099 1 CAB GP 864 Y 4 1 234-6501 1 COVER
  • Page 893OPERATOR STATION 229-9098 CAB GP (contd. ) i02401091 GRAPHIC #1 g01119695 SEBP4861-02 2 of 2 OPERATOR STATION 863
  • Page 894OPERATOR STATION 229-9099 CAB GP S/N: CJN1-UP PART OF 229-9098 CAB GP AN ATTACHMENT SMCS-7301, 7325 i02888830 REF GRAPHIC PART NAME SEE NOTE NO REF PART NUMBER QTY 1 2 3 4 5 6 (PRODUCT LEVEL) PAGE 1 1 235-8916 1 CAB AS Y 2 1 235-8910 1 CAB GP (EXTERIOR) 872 Y 3 1 235-8908 1 CAB GP (INTERIOR) 870 Y 4
  • Page 895OPERATOR STATION 229-9099 CAB GP (contd. ) i02888830 GRAPHIC #1 g01125083 SEBP4861-02 2 of 2 OPERATOR STATION 865
  • Page 896OPERATOR STATION 229-9100 CAB GP S/N: CJN1-UP AN ATTACHMENT SMCS-7301, 7325 i02401123 REF GRAPHIC PART NAME SEE NOTE NO REF PART NUMBER QTY 1 2 3 4 5 6 (PRODUCT LEVEL) PAGE M 1 1 128-2135 5 SCREW-TRUSS HEAD (M6X1X13-MM) 2 1 164-8474 2 LOUVER AS-VENT Y 3 1 229-9101 1 CAB GP 868 Y 4 1 234-6501 1 COVER
  • Page 897OPERATOR STATION 229-9100 CAB GP (contd. ) i02401123 GRAPHIC #1 g01119695 SEBP4861-02 2 of 2 OPERATOR STATION 867
  • Page 898OPERATOR STATION 229-9101 CAB GP S/N: CJN1-UP PART OF 229-9100 CAB GP AN ATTACHMENT SMCS-7301, 7325 i02857421 REF GRAPHIC PART NAME SEE NOTE NO REF PART NUMBER QTY 1 2 3 4 5 6 (PRODUCT LEVEL) PAGE 1 234-6493 1 CAB AS Y 2 1 235-8910 1 CAB GP (EXTERIOR) 872 Y 3 1 235-8908 1 CAB GP (INTERIOR) 870 Y 4 1
  • Page 899OPERATOR STATION 229-9101 CAB GP (contd. ) i02857421 GRAPHIC #1 g01125083 SEBP4861-02 2 of 2 OPERATOR STATION 869
  • Page 900OPERATOR STATION 235-8908 CAB GP–INTERIOR S/N: CJN1-UP PART OF 229-9097, 229-9099, 229-9101 CAB GP AN ATTACHMENT SMCS-7301, 7325 i03087701 REF GRAPHIC PART NAME SEE NOTE NO REF PART NUMBER QTY 1 2 3 4 5 6 (PRODUCT LEVEL) PAGE 1 1 8Y-6352 1 LOUVER AS 2 1 156-6656 1 RAIL 3 1 156-6657 1 RAIL 4 1 164-06
  • Page 901OPERATOR STATION 235-8908 CAB GP (contd. ) i03087701 GRAPHIC #1 g01097914 SEBP4861-02 2 of 2 OPERATOR STATION 871
  • Page 902OPERATOR STATION 235-8910 CAB GP–EXTERIOR S/N: CJN1-UP PART OF 229-9097, 229-9099, 229-9101, 316-8815 CAB GP AN ATTACHMENT TYPE 1 SMCS-7301, 7325 i02909131 REF GRAPHIC PART NAME SEE NOTE NO REF PART NUMBER QTY 1 2 3 4 5 6 (PRODUCT LEVEL) PAGE 1 2 139-7126 1 HOLDER 2 2 139-7127 1 HOLDER 3 1 156-6599
  • Page 903OPERATOR STATION 235-8910 CAB GP (contd. ) i02909131 REF GRAPHIC PART NAME SEE NOTE NO REF PART NUMBER QTY 1 2 3 4 5 6 (PRODUCT LEVEL) PAGE 49 1 9X-8257 1 WASHER (17.5X30X3.5-MM THK) E 50 2 6I-5470 SEAL (150-CM) 51 1 085-6452 2 WASHER M 52 1 105-2169 2 BOLT AS (M8X1.25X16-MM) M 53 1 189-2864 2 SCREW
  • Page 904OPERATOR STATION 235-8910 CAB GP (contd. ) i02909131 GRAPHIC #1 g01253581 874 OPERATOR STATION 3 of 4 SEBP4861-02
  • Page 905OPERATOR STATION 235-8910 CAB GP (contd. ) i02909131 GRAPHIC #2 g01098017 SEBP4861-02 4 of 4 OPERATOR STATION 875
  • Page 906OPERATOR STATION 235-8910 CAB GP–EXTERIOR S/N: CJN1-UP PART OF 229-9097, 229-9099, 229-9101, 316-8815 CAB GP AN ATTACHMENT TYPE 2 SMCS-7301, 7325 i03087760 REF GRAPHIC PART NAME SEE NOTE NO REF PART NUMBER QTY 1 2 3 4 5 6 (PRODUCT LEVEL) PAGE 1 2 139-7126 1 HOLDER 2 2 139-7127 1 HOLDER 3 1 156-6599
  • Page 907OPERATOR STATION 235-8910 CAB GP (contd. ) i03087760 REF GRAPHIC PART NAME SEE NOTE NO REF PART NUMBER QTY 1 2 3 4 5 6 (PRODUCT LEVEL) PAGE 49 1 9X-8257 1 WASHER (17.5X30X3.5-MM THK) E 50 2 6I-5470 SEAL (150-CM) 51 1 085-6452 2 WASHER M 52 1 105-2169 2 BOLT AS (M8X1.25X16-MM) M 53 1 189-2864 2 SCREW
  • Page 908OPERATOR STATION 235-8910 CAB GP (contd. ) i03087760 GRAPHIC #1 g01253581 878 OPERATOR STATION 3 of 4 SEBP4861-02
  • Page 909OPERATOR STATION 235-8910 CAB GP (contd. ) i03087760 GRAPHIC #2 g01098017 SEBP4861-02 4 of 4 OPERATOR STATION 879
  • Page 910OPERATOR STATION 235-8917 CAB GP–INTERIOR S/N: CJN1-UP PART OF 316-8815 CAB GP AN ATTACHMENT SMCS-7301, 7325 i02783571 REF GRAPHIC PART NAME SEE NOTE NO REF PART NUMBER QTY 1 2 3 4 5 6 (PRODUCT LEVEL) PAGE 1 1 8Y-6352 1 LOUVER AS 2 1 164-0646 1 CUP 3 1 164-0655 1 PANEL-SWITCH (OPERATOR CONSOLE) 4 1
  • Page 911OPERATOR STATION 235-8917 CAB GP (contd. ) i02783571 GRAPHIC #1 g01421499 SEBP4861-02 2 of 2 OPERATOR STATION 881
  • Page 912OPERATOR STATION 316-8814 CAB GP S/N: CJN1-UP AN ATTACHMENT SMCS-7301, 7325 i02884426 REF GRAPHIC PART NAME SEE NOTE NO REF PART NUMBER QTY 1 2 3 4 5 6 (PRODUCT LEVEL) PAGE M 1 1 128-2135 5 SCREW-TRUSS HEAD (M6X1X13-MM) 2 1 164-8474 2 LOUVER AS-VENT Y 3 1 316-8815 1 CAB GP 884 Y 4 1 234-6501 1 COVER
  • Page 913OPERATOR STATION 316-8814 CAB GP (contd. ) i02884426 GRAPHIC #1 g01125071 SEBP4861-02 2 of 2 OPERATOR STATION 883
  • Page 914OPERATOR STATION 316-8815 CAB GP S/N: CJN1-UP PART OF 316-8814 CAB GP AN ATTACHMENT SMCS-7301, 7325 i02884427 REF GRAPHIC PART NAME SEE NOTE NO REF PART NUMBER QTY 1 2 3 4 5 6 (PRODUCT LEVEL) PAGE 1 1 235-8916 1 CAB AS Y 2 1 235-8910 1 CAB GP (EXTERIOR) 872 Y 3 1 235-8917 1 CAB GP (INTERIOR) 880 Y 4
  • Page 915OPERATOR STATION 316-8815 CAB GP (contd. ) i02884427 GRAPHIC #1 g01125083 SEBP4861-02 2 of 2 OPERATOR STATION 885
  • Page 916OPERATOR STATION 245-7836 COIL GP-EVAPORATOR S/N: CJN1-UP PART OF 240-5036, 316-8811 AIR CONDITIONER GP AN ATTACHMENT SMCS-7343 i02218138 REF GRAPHIC PART NAME SEE NOTE NO REF PART NUMBER QTY 1 2 3 4 5 6 (PRODUCT LEVEL) PAGE 1 1 245-7837 1 VALVE AS-EXPANSION 2 1 245-7905 1 INSULATOR M 3 1 8T-0266 2
  • Page 917OPERATOR STATION 245-7836 COIL GP-EVAPORATOR (contd. ) i02218138 GRAPHIC #1 g01134658 SEBP4861-02 2 of 2 OPERATOR STATION 887
  • Page 918OPERATOR STATION 255-3032 COMPRESSOR GP-REFRIGERANT S/N: CJN1-UP PART OF 279-7748 INSTALLATION AR-ENGINE SMCS-1802 i02693365 REF GRAPHIC PART NAME SEE NOTE NO REF PART NUMBER QTY 1 2 3 4 5 6 (PRODUCT LEVEL) PAGE 1 1 255-3016 1 V-BELT (REFRIGERANT COMPRESSOR) Y 2 1 255-3018 1 PULLEY GP-IDLER 38 Y 3 1
  • Page 919OPERATOR STATION 259-7244 COMPRESSOR GP-REFRIGERANT S/N: CJN1-UP PART OF 255-3032 COMPRESSOR GP-REFRIGERANT SMCS-1802 i02974093 REF GRAPHIC PART NAME SEE NOTE NO REF PART NUMBER QTY 1 2 3 4 5 6 (PRODUCT LEVEL) PAGE 1 1 259-7286 1 COIL AS (24-VOLT) 1 8T-8729 2 PIN-CONNECTOR 1 243-4505 1 RECEPTACLE AS
  • Page 920OPERATOR STATION 259-7195 CONDENSER & MTG GP-REFRIGERANT S/N: CJN1-UP PART OF 279-7748 INSTALLATION AR-ENGINE SMCS-1805 i02910648 REF GRAPHIC PART NAME SEE NOTE NO REF PART NUMBER QTY 1 2 3 4 5 6 (PRODUCT LEVEL) PAGE 1 1 7Y-8561 1 BUMPER 2 1 193-2764 1 HANDLE AS Y 3 1 245-7749 1 CONDENSER GP-REFRIGE
  • Page 921OPERATOR STATION 245-7749 CONDENSER GP-REFRIGERANT S/N: CJN1-UP PART OF 259-7195 CONDENSER & MTG GP-REFRIGERANT SMCS-1805 i02416857 REF GRAPHIC PART NAME SEE NOTE NO REF PART NUMBER QTY 1 2 3 4 5 6 (PRODUCT LEVEL) PAGE 1 1 235-8880 1 CONDENSER AS 2 1 245-7750 4 BUSHING-RUBBER 3 1 245-7751 4 BRACKET
  • Page 922OPERATOR STATION 245-7922 CONSOLE GP-OPERATOR S/N: CJN1-UP PART OF 259-7193 OPERATOR AR SMCS-5258 i03088621 REF GRAPHIC PART NAME SEE NOTE NO REF PART NUMBER QTY 1 2 3 4 5 6 (PRODUCT LEVEL) PAGE 1 1 176-1916 2 GROMMET 2 1 178-5422 2 GROMMET 3 1 178-5423 2 GROMMET 4 1 185-8161 2 INSULATOR 5 1 235-889
  • Page 923OPERATOR STATION 245-7922 CONSOLE GP-OPERATOR (contd. ) i03088621 GRAPHIC #1 g01592535 SEBP4861-02 2 of 2 OPERATOR STATION 893
  • Page 924OPERATOR STATION 259-7348 CONSOLE GP-OPERATOR–RH S/N: CJN1-UP PART OF 245-7922 CONSOLE GP-OPERATOR SMCS-5258 i02488237 REF GRAPHIC PART NAME SEE NOTE NO REF PART NUMBER QTY 1 2 3 4 5 6 (PRODUCT LEVEL) PAGE M 1 1 128-2135 4 SCREW-TRUSS HEAD (M6X1X13-MM) 2 1 185-8284 1 COVER 3 1 234-6579 2 NUT-SPEED 4
  • Page 925OPERATOR STATION 259-7348 CONSOLE GP-OPERATOR (contd. ) i02488237 GRAPHIC #1 g01217107 SEBP4861-02 2 of 2 OPERATOR STATION 895
  • Page 926OPERATOR STATION 259-7349 CONSOLE GP-OPERATOR–LH S/N: CJN1-UP PART OF 245-7922 CONSOLE GP-OPERATOR SMCS-5258 i02488329 REF GRAPHIC PART NAME SEE NOTE NO REF PART NUMBER QTY 1 2 3 4 5 6 (PRODUCT LEVEL) PAGE M 1 1 128-2135 5 SCREW-TRUSS HEAD (M6X1X13-MM) 2 1 171-7325 3 SCREW-TAPPING 3 1 234-6579 6 NUT
  • Page 927OPERATOR STATION 259-7349 CONSOLE GP-OPERATOR (contd. ) i02488329 GRAPHIC #1 g01217096 SEBP4861-02 2 of 2 OPERATOR STATION 897
  • Page 928OPERATOR STATION 259-7598 CONTROL & MTG GP-JOYSTICK–WITH SLIDE CONTROL S/N: CJN1-UP PART OF 255-5843 CONTROL AR-AUXILIARY AN ATTACHMENT TYPE 1 SMCS-5063, 5705 i02431334 REF GRAPHIC PART NAME SEE NOTE NO REF PART NUMBER QTY 1 2 3 4 5 6 (PRODUCT LEVEL) PAGE Y 1 1 259-7763 1 CONTROL GP-JOYSTICK (LH) 91
  • Page 929OPERATOR STATION 259-7598 CONTROL & MTG GP-JOYSTICK–WITH SLIDE CONTROL S/N: CJN1-UP PART OF 255-5843 CONTROL AR-AUXILIARY AN ATTACHMENT TYPE 2 SMCS-5063, 5705 i03105561 REF GRAPHIC PART NAME SEE NOTE NO REF PART NUMBER QTY 1 2 3 4 5 6 (PRODUCT LEVEL) PAGE CY 1 1 297-0535 1 CONTROL GP-JOYSTICK (LH) 9
  • Page 930OPERATOR STATION 259-7599 CONTROL & MTG GP-JOYSTICK– 3-BUTTON, TRIGGER SWITCH S/N: CJN1-UP PART OF 255-5844 CONTROL AR-AUXILIARY AN ATTACHMENT TYPE 1 SMCS-5063, 5705 i03040444 REF GRAPHIC PART NAME SEE NOTE NO REF PART NUMBER QTY 1 2 3 4 5 6 (PRODUCT LEVEL) PAGE Y 1 1 259-7765 1 CONTROL GP-JOYSTICK
  • Page 931OPERATOR STATION 259-7599 CONTROL & MTG GP-JOYSTICK– 3-BUTTON, TRIGGER SWITCH S/N: CJN1-UP PART OF 255-5844 CONTROL AR-AUXILIARY AN ATTACHMENT TYPE 2 SMCS-5063, 5705 i03017480 REF GRAPHIC PART NAME SEE NOTE NO REF PART NUMBER QTY 1 2 3 4 5 6 (PRODUCT LEVEL) PAGE CY 1 1 297-0537 1 CONTROL GP-JOYSTICK
  • Page 932OPERATOR STATION 310-0078 CONTROL & MTG GP-JOYSTICK S/N: CJN1-UP AN ATTACHMENT SMCS-5063, 5705 i03031921 REF GRAPHIC PART NAME SEE NOTE NO REF PART NUMBER QTY 1 2 3 4 5 6 (PRODUCT LEVEL) PAGE Y 1 1 297-0532 1 CONTROL GP-JOYSTICK (RH) 918 Y 2 1 297-0533 1 CONTROL GP-JOYSTICK (LH) 919 M 3 1 6V-7357 6
  • Page 933OPERATOR STATION 221-8884 CONTROL & MTG GP-PEDAL–LH S/N: CJN1-UP PART OF 255-5845 PEDAL AR-AUXILIARY AN ATTACHMENT SMCS-5462 i02889901 REF GRAPHIC PART NAME SEE NOTE NO REF PART NUMBER QTY 1 2 3 4 5 6 (PRODUCT LEVEL) PAGE 1 1 5I-7090 1 CHAIN AS 2 1 121-1865 1 PEDAL-RUBBER (LH) 3 1 128-2173 1 PIN 4 1
  • Page 934OPERATOR STATION 270-6107 CONTROL GP-FOOT–LH S/N: CJN1-UP PART OF 270-6106 CONTROL AR-AUXILIARY AN ATTACHMENT SMCS-1435 i02490892 REF GRAPHIC PART NAME SEE NOTE NO REF PART NUMBER QTY 1 2 3 4 5 6 (PRODUCT LEVEL) PAGE 1 1 093-2069 1 GROMMET 2 1 2Q-4703 1 SWITCH AS-FOOT (WORK TOOL) 1 205-1340 1 HARNES
  • Page 935OPERATOR STATION 235-8969 CONTROL GP-HANDLE–JOYSTICK, LH S/N: CJN1-UP PART OF 297-0533 CONTROL GP-JOYSTICK AN ATTACHMENT SMCS-5705 i02923993 REF GRAPHIC PART NAME SEE NOTE NO REF PART NUMBER QTY 1 2 3 4 5 6 (PRODUCT LEVEL) PAGE 1 1 124-4010 1 LEVER 2 1 235-8971 1 BOOT 3 1 245-7842 1 KNOB AS M 1 6I-5
  • Page 936OPERATOR STATION 235-8970 CONTROL GP-HANDLE–JOYSTICK, RH S/N: CJN1-UP PART OF 297-0532 CONTROL GP-JOYSTICK AN ATTACHMENT SMCS-5705 i02924011 REF GRAPHIC PART NAME SEE NOTE NO REF PART NUMBER QTY 1 2 3 4 5 6 (PRODUCT LEVEL) PAGE 1 1 124-4010 1 LEVER 2 1 235-8972 1 BOOT 3 1 245-7844 1 KNOB AS M 1 6I-5
  • Page 937OPERATOR STATION 260-2109 CONTROL GP-HANDLE–JOYSTICK, RH S/N: CJN1-UP 2-BUTTON, SLIDE, TRIGGER SW PART OF 259-7762, 297-0534 CONTROL GP-JOYSTICK AN ATTACHMENT SMCS-5705 i02865889 REF GRAPHIC PART NAME SEE NOTE NO REF PART NUMBER QTY 1 2 3 4 5 6 (PRODUCT LEVEL) PAGE M 1 1 7Y-8463 1 NUT (M14X2-THD) 2
  • Page 938OPERATOR STATION 260-2110 CONTROL GP-HANDLE–JOYSTICK, LH S/N: CJN1-UP PART OF 259-7763, 297-0535 CONTROL GP-JOYSTICK AN ATTACHMENT SMCS-5705 i02865875 REF GRAPHIC PART NAME SEE NOTE NO REF PART NUMBER QTY 1 2 3 4 5 6 (PRODUCT LEVEL) PAGE M 1 1 7Y-8463 1 NUT (M14X2-THD) 2 1 117-8683 1 PIN-SPRING 3 1
  • Page 939OPERATOR STATION 260-2127 CONTROL GP-HANDLE–JOYSTICK, RH S/N: CJN1-UP PART OF 259-7764, 297-0536 CONTROL GP-JOYSTICK AN ATTACHMENT SMCS-5705 i02865870 REF GRAPHIC PART NAME SEE NOTE NO REF PART NUMBER QTY 1 2 3 4 5 6 (PRODUCT LEVEL) PAGE M 1 1 7Y-8463 1 NUT (M14X2-THD) 2 1 117-8683 1 PIN-SPRING 3 1
  • Page 940OPERATOR STATION 260-2128 CONTROL GP-HANDLE–JOYSTICK, LH S/N: CJN1-UP PART OF 259-7765, 297-0537 CONTROL GP-JOYSTICK AN ATTACHMENT SMCS-5705 i02865871 REF GRAPHIC PART NAME SEE NOTE NO REF PART NUMBER QTY 1 2 3 4 5 6 (PRODUCT LEVEL) PAGE M 1 1 7Y-8463 1 NUT (M14X2-THD) 2 1 117-8683 1 PIN-SPRING 3 1
  • Page 941OPERATOR STATION 245-7846 CONTROL GP-HEAT & AIR COND–AIR INLET S/N: CJN1-UP PART OF 240-5036, 316-8811 AIR CONDITIONER GP AN ATTACHMENT SMCS-7309 i02547472 REF GRAPHIC PART NAME SEE NOTE NO REF PART NUMBER QTY 1 2 3 4 5 6 (PRODUCT LEVEL) PAGE 1 1 185-8300 4 SCREW-TAPPING 2 1 196-1666 1 RELAY (COMPRE
  • Page 942OPERATOR STATION 170-9497 CONTROL GP-HYDRAULIC PEDAL–TRAVEL S/N: CJN1-UP PART OF 259-7193 OPERATOR AR SMCS-5059, 5063 i02997569 REF GRAPHIC PART NAME SEE NOTE NO REF PART NUMBER QTY 1 2 3 4 5 6 (PRODUCT LEVEL) PAGE 1 1 096-6166 2 WASHER-HARD (4.5X9X1-MM THK) M 2 1 095-0728 2 SCREW-MACHINE (M4X0.7X12
  • Page 943OPERATOR STATION 225-5730 CONTROL GP-HYDRAULIC PEDAL S/N: CJN1-UP PART OF 259-7196 PEDAL AR-THIRD AN ATTACHMENT SMCS-5059, 5063 i02214468 REF GRAPHIC PART NAME SEE NOTE NO REF PART NUMBER QTY 1 2 3 4 5 6 (PRODUCT LEVEL) PAGE 1 1 5I-7090 1 CHAIN AS 2 1 128-2173 1 PIN 3 1 135-2274 1 PEDAL-RUBBER 4 1 1
  • Page 944OPERATOR STATION 259-7762 CONTROL GP-JOYSTICK–RH S/N: CJN1-UP PART OF 259-7598 CONTROL & MTG GP-JOYSTICK AN ATTACHMENT SMCS-5705 i02922535 REF GRAPHIC PART NAME SEE NOTE NO REF PART NUMBER QTY 1 2 3 4 5 6 (PRODUCT LEVEL) PAGE 1 1 6K-0806 1 STRAP-CABLE Y 2 1 206-3305 1 VALVE GP-PILOT (JOYSTICK) 706 Y
  • Page 945OPERATOR STATION 259-7763 CONTROL GP-JOYSTICK–LH S/N: CJN1-UP PART OF 259-7598 CONTROL & MTG GP-JOYSTICK AN ATTACHMENT SMCS-5705 i02922536 REF GRAPHIC PART NAME SEE NOTE NO REF PART NUMBER QTY 1 2 3 4 5 6 (PRODUCT LEVEL) PAGE 1 1 6K-0806 1 STRAP-CABLE Y 2 1 206-3305 1 VALVE GP-PILOT (JOYSTICK) 706 Y
  • Page 946OPERATOR STATION 259-7764 CONTROL GP-JOYSTICK–RH S/N: CJN1-UP PART OF 259-7599 CONTROL & MTG GP-JOYSTICK AN ATTACHMENT SMCS-5705 i03016372 REF GRAPHIC PART NAME SEE NOTE NO REF PART NUMBER QTY 1 2 3 4 5 6 (PRODUCT LEVEL) PAGE Y 1 1 206-3305 1 VALVE GP-PILOT (JOYSTICK) 706 Y 2 1 260-2127 1 CONTROL GP
  • Page 947OPERATOR STATION 259-7765 CONTROL GP-JOYSTICK–LH S/N: CJN1-UP PART OF 259-7599 CONTROL & MTG GP-JOYSTICK AN ATTACHMENT SMCS-5705 i03016371 REF GRAPHIC PART NAME SEE NOTE NO REF PART NUMBER QTY 1 2 3 4 5 6 (PRODUCT LEVEL) PAGE Y 1 1 206-3305 1 VALVE GP-PILOT (JOYSTICK) 706 Y 2 1 260-2128 1 CONTROL GP
  • Page 948OPERATOR STATION 297-0532 CONTROL GP-JOYSTICK–RH S/N: CJN1-UP PART OF 310-0078 CONTROL & MTG GP-JOYSTICK AN ATTACHMENT SMCS-5705 i03010035 REF GRAPHIC PART NAME SEE NOTE NO REF PART NUMBER QTY 1 2 3 4 5 6 (PRODUCT LEVEL) PAGE M 1 1 7Y-8463 1 NUT (M14X2-THD) Y 2 1 235-8970 1 CONTROL GP-HANDLE (JOYSTI
  • Page 949OPERATOR STATION 297-0533 CONTROL GP-JOYSTICK–LH S/N: CJN1-UP PART OF 310-0078 CONTROL & MTG GP-JOYSTICK AN ATTACHMENT SMCS-5705 i03010036 REF GRAPHIC PART NAME SEE NOTE NO REF PART NUMBER QTY 1 2 3 4 5 6 (PRODUCT LEVEL) PAGE M 1 1 7Y-8463 1 NUT (M14X2-THD) Y 2 1 235-8969 1 CONTROL GP-HANDLE (JOYSTI
  • Page 950OPERATOR STATION 297-0534 CONTROL GP-JOYSTICK–RH S/N: CJN1-UP PART OF 259-7598 CONTROL & MTG GP-JOYSTICK AN ATTACHMENT SMCS-5705 i03108272 REF GRAPHIC PART NAME SEE NOTE NO REF PART NUMBER QTY 1 2 3 4 5 6 (PRODUCT LEVEL) PAGE 1 1 6K-0806 1 STRAP-CABLE Y 2 1 260-2109 1 CONTROL GP-HANDLE (JOYSTICK, RH
  • Page 951OPERATOR STATION 297-0535 CONTROL GP-JOYSTICK–LH S/N: CJN1-UP PART OF 259-7598 CONTROL & MTG GP-JOYSTICK AN ATTACHMENT SMCS-5705 i03108292 REF GRAPHIC PART NAME SEE NOTE NO REF PART NUMBER QTY 1 2 3 4 5 6 (PRODUCT LEVEL) PAGE 1 1 6K-0806 1 STRAP-CABLE Y 2 1 260-2110 1 CONTROL GP-HANDLE (JOYSTICK, LH
  • Page 952OPERATOR STATION 297-0536 CONTROL GP-JOYSTICK–RH S/N: CJN1-UP PART OF 259-7599 CONTROL & MTG GP-JOYSTICK AN ATTACHMENT SMCS-5705 i03045060 REF GRAPHIC PART NAME SEE NOTE NO REF PART NUMBER QTY 1 2 3 4 5 6 (PRODUCT LEVEL) PAGE 1 1 6K-0806 1 STRAP-CABLE Y 2 1 260-2127 1 CONTROL GP-HANDLE (JOYSTICK, RH
  • Page 953OPERATOR STATION 297-0537 CONTROL GP-JOYSTICK–LH S/N: CJN1-UP PART OF 259-7599 CONTROL & MTG GP-JOYSTICK AN ATTACHMENT SMCS-5705 i03040580 REF GRAPHIC PART NAME SEE NOTE NO REF PART NUMBER QTY 1 2 3 4 5 6 (PRODUCT LEVEL) PAGE 1 1 6K-0806 1 STRAP-CABLE Y 2 1 260-2128 1 CONTROL GP-HANDLE (JOYSTICK, LH
  • Page 954OPERATOR STATION 309-5808 CONTROL GP-PEDAL–ELECTRIC S/N: CJN1-UP PART OF 221-8884 CONTROL & MTG GP-PEDAL AN ATTACHMENT SMCS-1435, 5702 i02840265 REF GRAPHIC PART NAME SEE NOTE NO REF PART NUMBER QTY 1 2 3 4 5 6 (PRODUCT LEVEL) PAGE 1 1 8T-8737 1 PLUG-SEAL 2 1 9X-3401 5 PIN-CONNECTOR (16-GA TO 18-GA)
  • Page 955OPERATOR STATION 234-6501 COVER GP-CAB–REAR S/N: CJN1-UP PART OF 229-9096, 229-9098, 229-9100, 316-8814 CAB GP AN ATTACHMENT SMCS-7301, 7308 i03159185 REF GRAPHIC PART NAME SEE NOTE NO REF PART NUMBER QTY 1 2 3 4 5 6 (PRODUCT LEVEL) PAGE 1 1 234-6499 1 COVER AS 2 1 234-6502 1 COVER-ACCESS (FUSE-REAR
  • Page 956OPERATOR STATION 234-6500 COVER GP-STORAGE S/N: CJN1-UP USED ON STORAGE COMPARTMENT INSIDE CAB AN ATTACHMENT SMCS-7268 i02232841 REF GRAPHIC PART NAME SEE NOTE NO REF PART NUMBER QTY 1 2 3 4 5 6 (PRODUCT LEVEL) PAGE (NO SERVICED PARTS) GRAPHIC #1 g01092876 926 OPERATOR STATION 1 of 1 SEBP4861-
  • Page 957OPERATOR STATION 189-2768 DOOR & MTG GP-CAB S/N: CJN1-UP PART OF 229-9097, 229-9099, 316-8815 CAB GP AN ATTACHMENT SMCS-7308 i03013736 REF GRAPHIC PART NAME SEE NOTE NO REF PART NUMBER QTY 1 2 3 4 5 6 (PRODUCT LEVEL) PAGE Y 1 1 139-7100 1 DOOR GP-CAB 928 2 1 151-6767 1 DOOR AS M 1 9X-2041 6 SCREW-TR
  • Page 958OPERATOR STATION 139-7100 DOOR GP-CAB S/N: CJN1-UP PART OF 189-2768 DOOR & MTG GP-CAB AN ATTACHMENT TYPE 1 SMCS-7308 i02583462 REF GRAPHIC PART NAME SEE NOTE NO REF PART NUMBER QTY 1 2 3 4 5 6 (PRODUCT LEVEL) PAGE 1 1 151-6703 1 HANDLE-PULL 2 1 151-6704 2 CAP (HANDLE) Y 3 1 151-6792 1 WINDOW GP-DOOR
  • Page 959OPERATOR STATION 139-7100 DOOR GP-CAB (contd. ) i02583462 GRAPHIC #1 g01304731 SEBP4861-02 2 of 2 OPERATOR STATION 929
  • Page 960OPERATOR STATION 139-7100 DOOR GP-CAB S/N: CJN1-UP PART OF 189-2768 DOOR & MTG GP-CAB AN ATTACHMENT TYPE 2 SMCS-7308 i03172907 REF GRAPHIC PART NAME SEE NOTE NO REF PART NUMBER QTY 1 2 3 4 5 6 (PRODUCT LEVEL) PAGE C 1 1 327-6579 1 HANDLE-PULL Y 3 1 151-6792 1 WINDOW GP-DOOR 1068 4 1 156-6471 1 GLASS
  • Page 961OPERATOR STATION 139-7100 DOOR GP-CAB (contd. ) i03172907 GRAPHIC #1 g01625586 SEBP4861-02 2 of 2 OPERATOR STATION 931
  • Page 962OPERATOR STATION 176-1964 DOOR GP-CAB S/N: CJN1-UP PART OF 229-9101 CAB GP, 189-2793 DOOR GP-CAB AN ATTACHMENT TYPE 1 SMCS-7308 i02583463 REF GRAPHIC PART NAME SEE NOTE NO REF PART NUMBER QTY 1 2 3 4 5 6 (PRODUCT LEVEL) PAGE 1 1 151-6703 1 HANDLE-PULL 2 1 151-6704 2 CAP (HANDLE) Y 3 2 151-6792 1 WIN
  • Page 963OPERATOR STATION 176-1964 DOOR GP-CAB (contd. ) i02583463 GRAPHIC #1 g01294172 SEBP4861-02 2 of 3 OPERATOR STATION 933
  • Page 964OPERATOR STATION 176-1964 DOOR GP-CAB (contd. ) i02583463 GRAPHIC #2 g01120659 934 OPERATOR STATION 3 of 3 SEBP4861-02
  • Page 965OPERATOR STATION 176-1964 DOOR GP-CAB S/N: CJN1-UP PART OF 229-9101 CAB GP, 189-2793 DOOR GP-CAB AN ATTACHMENT TYPE 2 SMCS-7308 i03172900 REF GRAPHIC PART NAME SEE NOTE NO REF PART NUMBER QTY 1 2 3 4 5 6 (PRODUCT LEVEL) PAGE C 1 2 327-6579 1 HANDLE-PULL Y 3 1 151-6792 1 WINDOW GP-DOOR 1068 4 1 156-6
  • Page 966OPERATOR STATION 176-1964 DOOR GP-CAB (contd. ) i03172900 GRAPHIC #1 g01625289 936 OPERATOR STATION 2 of 3 SEBP4861-02
  • Page 967OPERATOR STATION 176-1964 DOOR GP-CAB (contd. ) i03172900 GRAPHIC #2 g01625166 SEBP4861-02 3 of 3 OPERATOR STATION 937
  • Page 968OPERATOR STATION 189-2793 DOOR GP-CAB S/N: CJN1-UP PART OF 229-9101 CAB GP AN ATTACHMENT SMCS-7308 i02841129 REF GRAPHIC PART NAME SEE NOTE NO REF PART NUMBER QTY 1 2 3 4 5 6 (PRODUCT LEVEL) PAGE Y 1 1 176-1964 1 DOOR GP-CAB 932 2 1 189-2796 1 DOOR AS 2A 1 151-6777 2 HINGE M 2B 1 9X-2041 6 SCREW-TRU
  • Page 969OPERATOR STATION 229-9082 DUCT GP-CAB AIR S/N: CJN1-UP PART OF 235-9003 AIR CONDITIONER AR, 259-7197 HEATER AR-CAB AN ATTACHMENT SMCS-734D i03040445 REF GRAPHIC PART NAME SEE NOTE NO REF PART NUMBER QTY 1 2 3 4 5 6 (PRODUCT LEVEL) PAGE 1 1 305-0329 1 FILTER ELEMENT AS-CAB AIR 1 293-1184 1 FILTER ELE
  • Page 970OPERATOR STATION 284-4376 FLOOR MAT S/N: CJN1-UP FIELD REPLACEMENT FOR 284-4380–PAGE 944: FOR 284-4379–PAGE 943: FOR 284-4378–PAGE 942: FOR 284-4377–PAGE 941: FOR 293-1222–PAGE 946 SMCS-726M i02849540 REF GRAPHIC PART NAME SEE NOTE NO REF PART NUMBER QTY 1 2 3 4 5 6 (PRODUCT LEVEL) PAGE (NO SERVICED
  • Page 971OPERATOR STATION 284-4377 FLOOR MAT S/N: CJN1-UP FIELD REPLACEMENT ORDER 284-4376–PAGE 940 AN ATTACHMENT SMCS-726M i02849538 REF GRAPHIC PART NAME SEE NOTE NO REF PART NUMBER QTY 1 2 3 4 5 6 (PRODUCT LEVEL) PAGE (NO SERVICED PARTS) GRAPHIC #1 g01420840 SEBP4861-02 1 of 1 OPERATOR STATION 941
  • Page 972OPERATOR STATION 284-4378 FLOOR MAT S/N: CJN1-UP FIELD REPLACEMENT ORDER 284-4376–PAGE 940 AN ATTACHMENT SMCS-726M i02849239 REF GRAPHIC PART NAME SEE NOTE NO REF PART NUMBER QTY 1 2 3 4 5 6 (PRODUCT LEVEL) PAGE (NO SERVICED PARTS) GRAPHIC #1 g01420875 942 OPERATOR STATION 1 of 1 SEBP4861-02
  • Page 973OPERATOR STATION 284-4379 FLOOR MAT S/N: CJN1-UP FIELD REPLACEMENT ORDER 284-4376–PAGE 940 AN ATTACHMENT SMCS-726M i02849223 REF GRAPHIC PART NAME SEE NOTE NO REF PART NUMBER QTY 1 2 3 4 5 6 (PRODUCT LEVEL) PAGE (NO SERVICED PARTS) GRAPHIC #1 g01421222 SEBP4861-02 1 of 1 OPERATOR STATION 943
  • Page 974OPERATOR STATION 284-4380 FLOOR MAT S/N: CJN1-UP FIELD REPLACEMENT ORDER 284-4376–PAGE 940 AN ATTACHMENT SMCS-726M i02849207 REF GRAPHIC PART NAME SEE NOTE NO REF PART NUMBER QTY 1 2 3 4 5 6 (PRODUCT LEVEL) PAGE (NO SERVICED PARTS) GRAPHIC #1 g01421229 944 OPERATOR STATION 1 of 1 SEBP4861-02
  • Page 975OPERATOR STATION 293-1168 FLOOR MAT S/N: CJN1-UP FIELD REPLACEMENT ORDER 240-5071–PAGE 948 AN ATTACHMENT SMCS-726M i02594540 REF GRAPHIC PART NAME SEE NOTE NO REF PART NUMBER QTY 1 2 3 4 5 6 (PRODUCT LEVEL) PAGE (NO SERVICED PARTS) GRAPHIC #1 g01305140 SEBP4861-02 1 of 1 OPERATOR STATION 945
  • Page 976OPERATOR STATION 293-1222 FLOOR MAT S/N: CJN1-UP FIELD REPLACEMENT ORDER 284-4376–PAGE 940 AN ATTACHMENT SMCS-726M i02849545 REF GRAPHIC PART NAME SEE NOTE NO REF PART NUMBER QTY 1 2 3 4 5 6 (PRODUCT LEVEL) PAGE (NO SERVICED PARTS) GRAPHIC #1 g01421278 946 OPERATOR STATION 1 of 1 SEBP4861-02
  • Page 977OPERATOR STATION 305-0326 FLOOR MAT S/N: CJN1-UP FIELD REPLACEMENT ORDER 240-5071–PAGE 948 AN ATTACHMENT SMCS-726M i02737365 REF GRAPHIC PART NAME SEE NOTE NO REF PART NUMBER QTY 1 2 3 4 5 6 (PRODUCT LEVEL) PAGE (NO SERVICED PARTS) GRAPHIC #1 g01374693 SEBP4861-02 1 of 1 OPERATOR STATION 947
  • Page 978OPERATOR STATION 240-5071 FLOOR MAT GP S/N: CJN1-UP FIELD REPLACEMENT FOR 293-1168–PAGE 945: FOR 240-5073–PAGE 949: FOR 245-7796–PAGE 951: FOR 305-0326–PAGE 947: FOR 245-7794–PAGE 950 AN ATTACHMENT SMCS-7265, 726M i02605555 REF GRAPHIC PART NAME SEE NOTE NO REF PART NUMBER QTY 1 2 3 4 5 6 (PRODUCT L
  • Page 979OPERATOR STATION 240-5073 FLOOR MAT GP S/N: CJN1-UP FIELD REPLACEMENT ORDER 240-5071–PAGE 948 AN ATTACHMENT SMCS-7265, 726M i02963424 REF GRAPHIC PART NAME SEE NOTE NO REF PART NUMBER QTY 1 2 3 4 5 6 (PRODUCT LEVEL) PAGE (NO SERVICED PARTS) GRAPHIC #1 g01124624 SEBP4861-02 1 of 1 OPERATOR STAT
  • Page 980OPERATOR STATION 245-7794 FLOOR MAT GP S/N: CJN1-UP FIELD REPLACEMENT ORDER 240-5071–PAGE 948 AN ATTACHMENT SMCS-7265, 726M i02963460 REF GRAPHIC PART NAME SEE NOTE NO REF PART NUMBER QTY 1 2 3 4 5 6 (PRODUCT LEVEL) PAGE (NO SERVICED PARTS) GRAPHIC #1 g01125036 950 OPERATOR STATION 1 of 1 SEBP
  • Page 981OPERATOR STATION 245-7796 FLOOR MAT GP S/N: CJN1-UP FIELD REPLACEMENT ORDER 240-5071–PAGE 948 AN ATTACHMENT SMCS-7265, 726M i02963491 REF GRAPHIC PART NAME SEE NOTE NO REF PART NUMBER QTY 1 2 3 4 5 6 (PRODUCT LEVEL) PAGE (NO SERVICED PARTS) GRAPHIC #1 g01123305 SEBP4861-02 1 of 1 OPERATOR STAT
  • Page 982OPERATOR STATION 273-5358 FLOOR MAT GP S/N: CJN1-UP PART OF 330-8779 FLOOR MAT GP, 301-2479 SPECIAL AR AN ATTACHMENT SMCS-7265, 726M i02851816 REF GRAPHIC PART NAME SEE NOTE NO REF PART NUMBER QTY 1 2 3 4 5 6 (PRODUCT LEVEL) PAGE 1 1 273-5333 1 FLOOR MAT 2 1 273-5359 1 PLATE-RUBBER 3 1 273-5360 1 PL
  • Page 983OPERATOR STATION 330-8779 FLOOR MAT GP–ACCUGRADE S/N: CJN1-UP FOR USE WITH 330-8775–PAGE 4 AN ATTACHMENT SMCS-7265, 726M i03146513 PART NAME SEE NOTE PART NUMBER QTY 1 2 3 4 5 6 (PRODUCT LEVEL) PAGE Y 273-5358 1 FLOOR MAT GP 952 Y-SEPARATE ILLUSTRATION SEBP4861-02 OPERATOR STATION 953
  • Page 984OPERATOR STATION 171-7503 FRAME GP-UPPER FRONT WINDOW S/N: CJN1-UP PART OF 229-9097, 229-9099, 229-9101, 316-8815 CAB GP FIELD REPLACEMENT FOR 139-7101 WINDOW GP-CAB AN ATTACHMENT SMCS-7340 i03013743 REF GRAPHIC PART NAME SEE NOTE NO REF PART NUMBER QTY 1 2 3 4 5 6 (PRODUCT LEVEL) PAGE 1 1 161-3698
  • Page 985OPERATOR STATION 171-7503 FRAME GP-UPPER FRONT WINDOW (contd. ) i03013743 GRAPHIC #1 g00852375 SEBP4861-02 2 of 2 OPERATOR STATION 955
  • Page 986OPERATOR STATION 178-5549 GUARD AR-OVERHEAD–FOG S/N: CJN1-UP CANNOT BE USED WITH VANDALISM GUARD, WINDOW GUARD AN ATTACHMENT SMCS-7159 i01485889 PART NAME SEE NOTE PART NUMBER QTY 1 2 3 4 5 6 (PRODUCT LEVEL) PAGE Y 171-7485 1 GUARD GP-FRONT WINDOW 962 Y 164-0497 1 GUARD GP-OVERHEAD 964 Y-SEPARATE IL
  • Page 987OPERATOR STATION 164-0534 GUARD GP-FRONT WINDOW–FULL S/N: CJN1-UP CANNOT BE USED WITH 164-0535–PAGE 961, 171-7485–PAGE 962 AN ATTACHMENT TYPE 1 SMCS-7182, 7315 i02247106 REF GRAPHIC PART NAME SEE NOTE NO REF PART NUMBER QTY 1 2 3 4 5 6 (PRODUCT LEVEL) PAGE 1 1 2Y-5685 4 RING-RETAINING 2 1 6C-8382 2
  • Page 988OPERATOR STATION 164-0534 GUARD GP-FRONT WINDOW (contd. ) i02247106 GRAPHIC #1 g00909397 958 OPERATOR STATION 2 of 2 SEBP4861-02
  • Page 989OPERATOR STATION 164-0534 GUARD GP-FRONT WINDOW–FULL S/N: CJN1-UP CANNOT BE USED WITH 164-0535–PAGE 961, 171-7485–PAGE 962 AN ATTACHMENT TYPE 2 SMCS-7182, 7315 i03142180 REF GRAPHIC PART NAME SEE NOTE NO REF PART NUMBER QTY 1 2 3 4 5 6 (PRODUCT LEVEL) PAGE 1 1 2Y-5685 4 RING-RETAINING 2 1 6C-8382 2
  • Page 990OPERATOR STATION 164-0534 GUARD GP-FRONT WINDOW (contd. ) i03142180 GRAPHIC #1 g01619617 960 OPERATOR STATION 2 of 2 SEBP4861-02
  • Page 991OPERATOR STATION 164-0535 GUARD GP-FRONT WINDOW–LOWER S/N: CJN1-UP AN ATTACHMENT SMCS-7182, 7315 i02909135 REF GRAPHIC PART NAME SEE NOTE NO REF PART NUMBER QTY 1 2 3 4 5 6 (PRODUCT LEVEL) PAGE M 1 1 8T-4192 4 BOLT (M12X1.75X25-MM) 2 1 8T-4223 4 WASHER-HARD (13.5X25.5X3-MM THK) 3 1 167-7055 1 FRAME
  • Page 992OPERATOR STATION 171-7485 GUARD GP-FRONT WINDOW S/N: CJN1-UP PART OF 178-5549 GUARD AR-OVERHEAD CANNOT BE USED WITH 164-0534–PAGE 957, 164-0535–PAGE 961, 161-3750–PAGE 1054 AN ATTACHMENT SMCS-7182, 7315 i03139021 REF GRAPHIC PART NAME SEE NOTE NO REF PART NUMBER QTY 1 2 3 4 5 6 (PRODUCT LEVEL) PAGE
  • Page 993OPERATOR STATION 171-7485 GUARD GP-FRONT WINDOW (contd. ) i03139021 GRAPHIC #1 g01620958 SEBP4861-02 2 of 2 OPERATOR STATION 963
  • Page 994OPERATOR STATION 164-0497 GUARD GP-OVERHEAD S/N: CJN1-UP PART OF 178-5549 GUARD AR-OVERHEAD AN ATTACHMENT SMCS-7159 i03253683 REF GRAPHIC PART NAME SEE NOTE NO REF PART NUMBER QTY 1 2 3 4 5 6 (PRODUCT LEVEL) PAGE 1 1 8V-1715 2 SPACER (20.5X35X12-MM THK) 2 1 167-7141 1 GUARD AS 3 1 219-0305 1 FILM-WA
  • Page 995OPERATOR STATION 164-0497 GUARD GP-OVERHEAD (contd. ) i03253683 GRAPHIC #1 g01654213 SEBP4861-02 2 of 2 OPERATOR STATION 965
  • Page 996OPERATOR STATION 207-0159 GUARD GP-VANDALISM–CAB S/N: CJN1-UP PART OF 260-7017 GUARD AR-VANDALISM AN ATTACHMENT SMCS-7315 i02110739 REF GRAPHIC PART NAME SEE NOTE NO REF PART NUMBER QTY 1 2 3 4 5 6 (PRODUCT LEVEL) PAGE 1 1 7Y-8621 6 PIN 2 1 7Y-8622 1 PIN 3 1 207-0161 1 GUARD AS 1 8H-2282 2 HINGE 4 1
  • Page 997OPERATOR STATION 207-0160 GUARD GP-VANDALISM–CAB S/N: CJN1-UP PART OF 260-7071 GUARD AR-VANDALISM AN ATTACHMENT SMCS-7315 i01707116 REF GRAPHIC PART NAME SEE NOTE NO REF PART NUMBER QTY 1 2 3 4 5 6 (PRODUCT LEVEL) PAGE 1 1 7Y-8621 4 PIN 2 1 7Y-8622 1 PIN 3 1 164-0643 1 BRACKET AS 4 1 207-0164 1 GUAR
  • Page 998OPERATOR STATION 139-7099 HATCH GP-ROOF S/N: CJN1-UP PART OF 229-9097, 229-9099, 229-9101, 316-8815 CAB GP AN ATTACHMENT SMCS-7303 i02757434 REF GRAPHIC PART NAME SEE NOTE NO REF PART NUMBER QTY 1 2 3 4 5 6 (PRODUCT LEVEL) PAGE 1 1 2Y-5685 4 RING-RETAINING 2 1 099-3506 2 SPRING AS-GAS M 3 1 105-2169
  • Page 999OPERATOR STATION 189-2849 HATCH GP-ROOF S/N: CJN1-UP PART OF 139-7099 HATCH GP-ROOF AN ATTACHMENT SMCS-7303 i01895765 REF GRAPHIC PART NAME SEE NOTE NO REF PART NUMBER QTY 1 2 3 4 5 6 (PRODUCT LEVEL) PAGE 1 1 161-3694 1 CATCH 2 1 189-2693 1 BRACKET AS (RH) 3 1 189-2694 1 BRACKET AS (LH) 4 1 189-2716
  • Page 1000OPERATOR STATION 229-9094 HEADREST AS-SEAT–CLOTH S/N: CJN1-UP AN ATTACHMENT SMCS-7312 i02232852 REF GRAPHIC PART NAME SEE NOTE NO REF PART NUMBER QTY 1 2 3 4 5 6 (PRODUCT LEVEL) PAGE (NO SERVICED PARTS) GRAPHIC #1 g01126613 970 OPERATOR STATION 1 of 1 SEBP4861-02
  • Page 1001OPERATOR STATION 327-6514 HEADREST AS-SEAT S/N: CJN1-UP AN ATTACHMENT SMCS-7312 i03213631 REF GRAPHIC PART NAME SEE NOTE NO REF PART NUMBER QTY 1 2 3 4 5 6 (PRODUCT LEVEL) PAGE (NO SERVICED PARTS) GRAPHIC #1 g00242379 SEBP4861-02 1 of 1 OPERATOR STATION 971
  • Page 1002OPERATOR STATION 327-6515 HEADREST AS-SEAT S/N: CJN1-UP PART OF 327-6512, 327-6513 SEAT GP AN ATTACHMENT SMCS-7312 i03090223 REF GRAPHIC PART NAME SEE NOTE NO REF PART NUMBER QTY 1 2 3 4 5 6 (PRODUCT LEVEL) PAGE (NO SERVICED PARTS) GRAPHIC #1 g01126613 972 OPERATOR STATION 1 of 1 SEBP4861-02
  • Page 1003OPERATOR STATION 229-9084 HEATER & MTG GP-CAB S/N: CJN1-UP PART OF 259-7197 HEATER AR-CAB AN ATTACHMENT TYPE 1 SMCS-7304 i02780696 REF GRAPHIC PART NAME SEE NOTE NO REF PART NUMBER QTY 1 2 3 4 5 6 (PRODUCT LEVEL) PAGE 1 1 235-8873 1 HARNESS AS-HEATER & AIR COND (CONTROL PANEL SWITCHES) 2 1 235-8874
  • Page 1004OPERATOR STATION 229-9084 HEATER & MTG GP-CAB (contd. ) i02780696 GRAPHIC #1 g01405002 974 OPERATOR STATION 2 of 2 SEBP4861-02
  • Page 1005OPERATOR STATION 229-9084 HEATER & MTG GP-CAB S/N: CJN1-UP PART OF 259-7197 HEATER AR-CAB AN ATTACHMENT TYPE 2 SMCS-7304 i02911100 REF GRAPHIC PART NAME SEE NOTE NO REF PART NUMBER QTY 1 2 3 4 5 6 (PRODUCT LEVEL) PAGE 1 1 235-8873 1 HARNESS AS-HEATER & AIR COND (CONTROL PANEL SWITCHES) 2 1 235-8874
  • Page 1006OPERATOR STATION 229-9084 HEATER & MTG GP-CAB (contd. ) i02911100 GRAPHIC #1 g01405002 976 OPERATOR STATION 2 of 2 SEBP4861-02
  • Page 1007OPERATOR STATION 259-7197 HEATER AR-CAB S/N: CJN1-UP AN ATTACHMENT SMCS-7304 i02765440 PART NAME SEE NOTE PART NUMBER QTY 1 2 3 4 5 6 (PRODUCT LEVEL) PAGE Y 229-9082 1 DUCT GP-CAB AIR 939 Y 229-9084 1 HEATER & MTG GP-CAB 973 Y 259-7198 1 LINES GP-HEATER 993 Y-SEPARATE ILLUSTRATION SEBP4861-02
  • Page 1008OPERATOR STATION 275-6874 HORN GP-ELECTRIC S/N: CJN1-UP PART OF 260-6960 CHASSIS AR SMCS-7402 i02599628 REF GRAPHIC PART NAME SEE NOTE NO REF PART NUMBER QTY 1 2 3 4 5 6 (PRODUCT LEVEL) PAGE Y 1 1 275-6875 1 HORN GP-ELECTRIC 979 2 1 8T-4121 2 WASHER-HARD (11X21X2.5-MM THK) M 3 1 8T-4137 2 BOLT (M10X
  • Page 1009OPERATOR STATION 275-6875 HORN GP-ELECTRIC S/N: CJN1-UP PART OF 275-6874 HORN GP-ELECTRIC SMCS-7402 i02856005 REF GRAPHIC PART NAME SEE NOTE NO REF PART NUMBER QTY 1 2 3 4 5 6 (PRODUCT LEVEL) PAGE 1 1 3S-2093 1 STRAP-CABLE 2 1 7Y-3919 1 HORN AS (24-VOLT) 1 095-0826 2 LOCKWASHER M 1 095-7930 2 SCREW-
  • Page 1010OPERATOR STATION 330-8752 INSTALLATION AR S/N: CJN1-UP FOR USE WITH 327-6552 MIRROR GP-REAR VIEW, 327-6553 MIRROR GP-REAR VIEW AN ATTACHMENT SMCS-1405, 1802, 1805, 1808, 7174, 7304, 7319, 7320, 7348, 734D i03144660 PART NAME SEE NOTE PART NUMBER QTY 1 2 3 4 5 6 (PRODUCT LEVEL) PAGE Y 330-8753 1 INST
  • Page 1011OPERATOR STATION 251-0538 INSTALLATION GP-RADIO S/N: CJN1-UP PART OF 259-7193 OPERATOR AR SMCS-7338 i02996046 REF GRAPHIC PART NAME SEE NOTE NO REF PART NUMBER QTY 1 2 3 4 5 6 (PRODUCT LEVEL) PAGE 1 1 3S-2093 2 STRAP-CABLE 2 1 7K-1181 2 STRAP-CABLE M 3 1 095-0736 2 SCREW-MACHINE (M5X0.8X10-MM) 4 1 2
  • Page 1012OPERATOR STATION 259-5253 INSTALLATION GP-RADIO S/N: CJN1-UP AN ATTACHMENT SMCS-7338 i02742923 REF GRAPHIC PART NAME SEE NOTE NO REF PART NUMBER QTY 1 2 3 4 5 6 (PRODUCT LEVEL) PAGE 1 1 3S-2093 14 STRAP-CABLE 2 1 7K-1181 5 STRAP-CABLE 3 1 141-2759 1 FUSE (5-AMPERE) (RADIO) 4 1 283-2783 1 CONVERTER-P
  • Page 1013OPERATOR STATION 259-5253 INSTALLATION GP-RADIO (contd. ) i02742923 GRAPHIC #1 g01235540 SEBP4861-02 2 of 2 OPERATOR STATION 983
  • Page 1014OPERATOR STATION 275-6879 INSTALLATION GP-RADIO S/N: CJN1-UP FOR USE WITH CAB OUTSIDE JAPAN AN ATTACHMENT SMCS-7338 i02598635 REF GRAPHIC PART NAME SEE NOTE NO REF PART NUMBER QTY 1 2 3 4 5 6 (PRODUCT LEVEL) PAGE 1 1 3S-2093 9 STRAP-CABLE 2 1 7K-1181 8 STRAP-CABLE 3 1 185-8284 1 COVER 4 1 234-1124 1
  • Page 1015OPERATOR STATION 316-8872 KIT-CONSOLE ADJUSTMENT S/N: CJN1-UP FIELD INSTALLATION SMCS-5258 i02911066 REF GRAPHIC PART NAME SEE NOTE NO REF PART NUMBER QTY 1 2 3 4 5 6 (PRODUCT LEVEL) PAGE INDIVIDUAL PARTS NOT SERVICED SEPARATELY GRAPHIC #1 g01451227 SEBP4861-02 1 of 1 OPERATOR STATION 985
  • Page 1016OPERATOR STATION 327-6645 KIT-SEAT SUSPENSION–SEAT HEIGHT S/N: CJN1-UP PART OF 327-6520 SUSPENSION GP-SEAT AN ATTACHMENT SMCS-7312 i03207841 REF GRAPHIC PART NAME SEE NOTE NO REF PART NUMBER QTY 1 2 3 4 5 6 (PRODUCT LEVEL) PAGE 1 1 327-6646 1 KIT-CYLINDER (DAMPENER) J 2 1 327-6647 1 KIT-COVER (SUSPE
  • Page 1017OPERATOR STATION 333-4157 KIT-SEAT SUSPENSION S/N: CJN1-UP PART OF 327-6521 SUSPENSION GP-SEAT AN ATTACHMENT SMCS-7312 i03207839 REF GRAPHIC PART NAME SEE NOTE NO REF PART NUMBER QTY 1 2 3 4 5 6 (PRODUCT LEVEL) PAGE 1 1 327-6646 1 KIT-CYLINDER (DAMPENER) J 2 1 333-4158 1 KIT-COVER (AIR SEAT) (INCLUD
  • Page 1018OPERATOR STATION 333-4173 KIT-SEAT SUSPENSION S/N: CJN1-UP PART OF 327-6517 SUSPENSION GP-SEAT AN ATTACHMENT SMCS-7312 i03213417 REF GRAPHIC PART NAME SEE NOTE NO REF PART NUMBER QTY 1 2 3 4 5 6 (PRODUCT LEVEL) PAGE J 1 1 333-4174 1 KIT-COVER (SUSPENSION SEAT) 2 1 333-4180 6 SCREW-BUTTON HEAD 3 1 33
  • Page 1019OPERATOR STATION 164-0528 LEVER GP-AIR & TEMP CONTROL S/N: CJN1-UP PART OF 235-8910 CAB GP AN ATTACHMENT SMCS-7309, 7337 i02504626 REF GRAPHIC PART NAME SEE NOTE NO REF PART NUMBER QTY 1 2 3 4 5 6 (PRODUCT LEVEL) PAGE 1 1 156-6642 1 LEVER AS 2 1 164-0664 1 BRACKET 3 1 176-1941 1 PIN 4 1 185-8280 1 W
  • Page 1020OPERATOR STATION 259-7194 LINES GP-AIR CONDITIONER S/N: CJN1-UP PART OF 260-6960 CHASSIS AR SMCS-1808 i02910647 REF GRAPHIC PART NAME SEE NOTE NO REF PART NUMBER QTY 1 2 3 4 5 6 (PRODUCT LEVEL) PAGE 1 2 4I-4580 1 FITTING 2 2 122-9605 2 TUBE –OR– 6P-8855 2 TUBE (OPTIONAL DESIGN) 3 1 7I-0375 1 ELBOW 4
  • Page 1021OPERATOR STATION 259-7194 LINES GP-AIR CONDITIONER (contd. ) i02910647 REF GRAPHIC PART NAME SEE NOTE NO REF PART NUMBER QTY 1 2 3 4 5 6 (PRODUCT LEVEL) PAGE M 38 1,2 8T-4137 14 BOLT (M10X1.5X20-MM) M 39 2 8T-4191 2 BOLT (M10X1.5X16-MM) M 40 2 8T-4200 2 BOLT (M8X1.25X16-MM) 41 1,2 8T-4224 3 WASHER-H
  • Page 1022OPERATOR STATION 259-7194 LINES GP-AIR CONDITIONER (contd. ) i02910647 GRAPHIC #2 g01523902 992 OPERATOR STATION 3 of 3 SEBP4861-02
  • Page 1023OPERATOR STATION 259-7198 LINES GP-HEATER S/N: CJN1-UP PART OF 259-7197 HEATER AR-CAB AN ATTACHMENT SMCS-1812, 7304 i02910649 REF GRAPHIC PART NAME SEE NOTE NO REF PART NUMBER QTY 1 2 3 4 5 6 (PRODUCT LEVEL) PAGE 1 1 4I-4580 1 FITTING 2 1 7I-0375 1 ELBOW 3 1 7K-1181 1 STRAP-CABLE 4 1 122-9605 2 TUBE
  • Page 1024OPERATOR STATION 259-7198 LINES GP-HEATER (contd. ) i02910649 GRAPHIC #1 g01418101 994 OPERATOR STATION 2 of 2 SEBP4861-02
  • Page 1025OPERATOR STATION 7Y-0059 LITERATURE GP S/N: CJN1-UP PART OF 260-6960 CHASSIS AR SMCS-7300 i01809351 PART NAME SEE NOTE PART NUMBER QTY 1 2 3 4 5 6 (PRODUCT LEVEL) PAGE 099-3645 1 CABLE-LANYARD 5P-8500 2 KEY 5P-7958 2 SLEEVE-CABLE SPLICE SEBP4861-02 OPERATOR STATION 995
  • Page 1026OPERATOR STATION 330-1162 MIRROR GP S/N: CJN1-UP PART OF 330-1324 MIRROR GP AN ATTACHMENT SMCS-7319 i03117525 REF GRAPHIC PART NAME SEE NOTE NO REF PART NUMBER QTY 1 2 3 4 5 6 (PRODUCT LEVEL) PAGE M 1 1 135-8575 3 BOLT AS-LOCKING (M12X1.75X30-MM) 2 1 320-5525 1 TUBE AS 3 1 327-3062 1 MIRROR GP-REAR
  • Page 1027OPERATOR STATION 330-1324 MIRROR GP S/N: CJN1-UP PART OF 330-8752 INSTALLATION AR AN ATTACHMENT SMCS-7319 i03148122 PART NAME SEE NOTE PART NUMBER QTY 1 2 3 4 5 6 (PRODUCT LEVEL) PAGE Y 330-1579 1 COVER GP-SIDE (FUEL TANK, HYDRAULIC TANK) 292 Y 330-1163 1 FENDER & COVER GP 311 Y 330-1162 1 MIRROR GP
  • Page 1028OPERATOR STATION 142-3836 MIRROR GP-REAR VIEW–FRONT, RH S/N: CJN1-UP PART OF 260-6960 CHASSIS AR SMCS-7319 i01584884 REF GRAPHIC PART NAME SEE NOTE NO REF PART NUMBER QTY 1 2 3 4 5 6 (PRODUCT LEVEL) PAGE 1 1 2M-0849 4 WASHER-HARD (13.5X25.5X5-MM THK) 2 1 137-2270 1 MIRROR 3 1 165-3065 1 BRACKET-MIRR
  • Page 1029OPERATOR STATION 327-6550 MIRROR GP-REAR VIEW S/N: CJN1-UP PART OF 235-8910 CAB GP, 327-6552, 327-6553 MIRROR GP-REAR VIEW AN ATTACHMENT SMCS-7319 i03185260 REF GRAPHIC PART NAME SEE NOTE NO REF PART NUMBER QTY 1 2 3 4 5 6 (PRODUCT LEVEL) PAGE M 1 1 8T-0269 2 BOLT-SOCKET HEAD (M6X1X20-MM) 2 1 9X-825
  • Page 1030OPERATOR STATION 327-6552 MIRROR GP-REAR VIEW S/N: CJN1-UP CANNOT BE USED WITH GAURD AN ATTACHMENT SMCS-7319 i03250686 REF GRAPHIC PART NAME SEE NOTE NO REF PART NUMBER QTY 1 2 3 4 5 6 (PRODUCT LEVEL) PAGE Y 1 1 327-6550 1 MIRROR GP-REAR VIEW 999 2 1 327-6576 1 SUPPORT AS M 3 1 8T-4175 1 BOLT (M16X2
  • Page 1031OPERATOR STATION 327-6553 MIRROR GP-REAR VIEW S/N: CJN1-UP FOR USE WITH GUARD AN ATTACHMENT SMCS-7319 i03082146 REF GRAPHIC PART NAME SEE NOTE NO REF PART NUMBER QTY 1 2 3 4 5 6 (PRODUCT LEVEL) PAGE 1 1 316-8989 1 SUPPORT AS Y 2 1 327-6550 1 MIRROR GP-REAR VIEW 999 M 3 1 8T-4193 1 BOLT (M16X2X50-MM)
  • Page 1032OPERATOR STATION 221-8813 MONITOR & MTG GP-OPERATOR S/N: CJN1-UP PART OF 259-7193 OPERATOR AR SMCS-7490 i03017455 REF GRAPHIC PART NAME SEE NOTE NO REF PART NUMBER QTY 1 2 3 4 5 6 (PRODUCT LEVEL) PAGE Y 1 1 319-4353 1 MONITOR GP-OPERATOR 1003 M 2 1 9X-2046 3 SCREW-TRUSS HEAD (M6X1X35-MM) M-METRIC PA
  • Page 1033OPERATOR STATION 319-4353 MONITOR GP-OPERATOR S/N: CJN1-UP PART OF 221-8813 MONITOR & MTG GP-OPERATOR SMCS-7490 i03022205 REF GRAPHIC PART NAME SEE NOTE NO REF PART NUMBER QTY 1 2 3 4 5 6 (PRODUCT LEVEL) PAGE 1 1 247-2694 1 RECEPTACLE AS-CONNECTOR (12-PIN) 2 1 247-2695 1 RECEPTACLE AS-CONNECTOR (12-
  • Page 1034OPERATOR STATION 270-5603 MOUNTING GP-ANTENNA S/N: CJN1-UP PART OF 301-2479, 330-8775 SPECIAL AR AN ATTACHMENT SMCS-7338, 7606 i02862871 REF GRAPHIC PART NAME SEE NOTE NO REF PART NUMBER QTY 1 2 3 4 5 6 (PRODUCT LEVEL) PAGE 1 1 309-5849 1 BRACKET AS M 2 1 7X-2552 2 BOLT (M16X2X30-MM) 3 1 9X-8257 2 W
  • Page 1035OPERATOR STATION 270-5603 MOUNTING GP-ANTENNA (contd. ) i02862871 GRAPHIC #1 g01435822 SEBP4861-02 2 of 2 OPERATOR STATION 1005
  • Page 1036OPERATOR STATION 290-9464 MOUNTING GP-ANTENNA S/N: CJN1-UP PART OF 260-7072 INSTALLATION AR-COMMUNICATION AN ATTACHMENT SMCS-7338, 7606 i02753038 REF GRAPHIC PART NAME SEE NOTE NO REF PART NUMBER QTY 1 2 3 4 5 6 (PRODUCT LEVEL) PAGE 1 1 266-2861 1 ANTENNA AS (PRODUCT LINK) 1 223-4296 1 ANTENNA (WHIP
  • Page 1037OPERATOR STATION 319-4255 MOUNTING GP-ANTENNA–PRODUCT LINK S/N: CJN1-UP PART OF 301-2586, 301-2590 INSTALLATION AR-COMMUNICATION AN ATTACHMENT SMCS-7338, 7606 i03036048 REF GRAPHIC PART NAME SEE NOTE NO REF PART NUMBER QTY 1 2 3 4 5 6 (PRODUCT LEVEL) PAGE 1 1 284-8532 1 ANTENNA AS 1 301-0589 1 ANTEN
  • Page 1038OPERATOR STATION 245-7811 MOUNTING GP-PLATFORM S/N: CJN1-UP PART OF 260-6960 CHASSIS AR SMCS-7253 i02217210 REF GRAPHIC PART NAME SEE NOTE NO REF PART NUMBER QTY 1 2 3 4 5 6 (PRODUCT LEVEL) PAGE 1 1 235-8862 4 MOUNT AS 2 1 8T-4121 16 WASHER-HARD (11X21X2.5-MM THK) M 3 1 8T-4195 16 BOLT (M10X1.5X30-M
  • Page 1039OPERATOR STATION 245-7811 MOUNTING GP-PLATFORM (contd. ) i02217210 GRAPHIC #1 g01101486 SEBP4861-02 2 of 2 OPERATOR STATION 1009
  • Page 1040OPERATOR STATION 259-7193 OPERATOR AR S/N: CJN1-UP PART OF 260-6960 CHASSIS AR SMCS-7301 i02600553 PART NAME SEE NOTE PART NUMBER QTY 1 2 3 4 5 6 (PRODUCT LEVEL) PAGE Y 245-7922 1 CONSOLE GP-OPERATOR 892 Y 221-8872 1 CONTROL & MTG GP-MACHINE 150 Y 170-9497 1 CONTROL GP-HYDRAULIC PEDAL (TRAVEL) 912 Y
  • Page 1041OPERATOR STATION 229-9078 PLATFORM GP-OPERATOR S/N: CJN1-UP PART OF 259-7193 OPERATOR AR SMCS-7253 i02348241 REF GRAPHIC PART NAME SEE NOTE NO REF PART NUMBER QTY 1 2 3 4 5 6 (PRODUCT LEVEL) PAGE 1 1 135-8965 1 GROMMET 2 1 135-8966 1 GROMMET 3 1 245-7916 1 PLATFORM AS 4 1 161-3717 1 STRIP 5 1 4I-326
  • Page 1042OPERATOR STATION 245-7881 SCREEN GP-SUN S/N: CJN1-UP AN ATTACHMENT SMCS-7165 i02440979 REF GRAPHIC PART NAME SEE NOTE NO REF PART NUMBER QTY 1 2 3 4 5 6 (PRODUCT LEVEL) PAGE 1 1 255-4410 1 SCREEN AS (CAB) 2 1 259-7214 3 HOOK-RETAINER 3 1 259-7215 3 HOOK-RETAINER M 4 1 099-0822 6 BOLT-SOCKET HEAD (M5
  • Page 1043OPERATOR STATION 240-4999 SEAT & MOUNTING GP–LOW BACK WITH TILT S/N: CJN1-UP AN ATTACHMENT SMCS-7312 i02212239 REF GRAPHIC PART NAME SEE NOTE NO REF PART NUMBER QTY 1 2 3 4 5 6 (PRODUCT LEVEL) PAGE Y 1 1 229-9075 1 SEAT GP-SUSPENSION (LOW BACK, TILT) 1034 M 2 1 6V-8202 4 BOLT-SOCKET HEAD (M8X1.25X16
  • Page 1044OPERATOR STATION 240-5003 SEAT & MOUNTING GP–HIGH BACK, TILT S/N: CJN1-UP AN ATTACHMENT SMCS-7312 i02707796 REF GRAPHIC PART NAME SEE NOTE NO REF PART NUMBER QTY 1 2 3 4 5 6 (PRODUCT LEVEL) PAGE Y 1 1 229-9089 1 SEAT GP-SUSPENSION (HIGH BACK, TILT) 1035 M 2 1 6V-8202 4 BOLT-SOCKET HEAD (M8X1.25X16-M
  • Page 1045OPERATOR STATION 327-6501 SEAT & MOUNTING GP–HIGH BACK, TILT S/N: CJN1-UP AN ATTACHMENT SMCS-7312 i03196559 REF GRAPHIC PART NAME SEE NOTE NO REF PART NUMBER QTY 1 2 3 4 5 6 (PRODUCT LEVEL) PAGE 1 1 316-8987 2 BRACKET Y 2 1 327-6507 1 SEAT GP-SUSPENSION (HIGH BACK, TILT) 1042 M 3 1 5A-3604 2 BOLT-SO
  • Page 1046OPERATOR STATION 327-6502 SEAT & MOUNTING GP–HIGH BACK, TILT S/N: CJN1-UP AN ATTACHMENT SMCS-7312 i03147963 REF GRAPHIC PART NAME SEE NOTE NO REF PART NUMBER QTY 1 2 3 4 5 6 (PRODUCT LEVEL) PAGE 1 1 316-8987 2 BRACKET Y 2 1 327-6508 1 SEAT GP-SUSPENSION 1043 M 3 1 5A-3604 2 BOLT-SOCKET HEAD (M8X1.25
  • Page 1047OPERATOR STATION 235-9020 SEAT BELT GP–RETRACTABLE S/N: CJN1-UP PART OF 240-5039 SEAT BELT GP AN ATTACHMENT SMCS-7327 i02212218 REF GRAPHIC PART NAME SEE NOTE NO REF PART NUMBER QTY 1 2 3 4 5 6 (PRODUCT LEVEL) PAGE 1 1 8S-4724 1 BOLT (7/16-20X2.25-IN) 2 1 8S-4723 1 BOLT (7/16-20X1.5-IN) 3 1 8S-0934
  • Page 1048OPERATOR STATION 240-5037 SEAT BELT GP–RETRACTABLE, 46-MM S/N: CJN1-UP AN ATTACHMENT SMCS-7327 i02578051 REF GRAPHIC PART NAME SEE NOTE NO REF PART NUMBER QTY 1 2 3 4 5 6 (PRODUCT LEVEL) PAGE Y 1 1 273-5446 1 SEAT BELT GP (RETRACTABLE, 46-MM) 1020 Y-SEPARATE ILLUSTRATION GRAPHIC #1 g01071615 1
  • Page 1049OPERATOR STATION 240-5039 SEAT BELT GP–RETRACTABLE, 3-IN S/N: CJN1-UP AN ATTACHMENT SMCS-7327 i02497564 REF GRAPHIC PART NAME SEE NOTE NO REF PART NUMBER QTY 1 2 3 4 5 6 (PRODUCT LEVEL) PAGE Y 1 1 235-9020 1 SEAT BELT GP (RETRACTABLE, 3-IN) 1017 Y-SEPARATE ILLUSTRATION GRAPHIC #1 g01071676 SEB
  • Page 1050OPERATOR STATION 273-5446 SEAT BELT GP–RETRACTABLE, 46-MM S/N: CJN1-UP PART OF 240-5037 SEAT BELT GP AN ATTACHMENT SMCS-7327 i02578052 REF GRAPHIC PART NAME SEE NOTE NO REF PART NUMBER QTY 1 2 3 4 5 6 (PRODUCT LEVEL) PAGE 1 1 8S-4724 1 BOLT (7/16-20X2.25-IN) 2 1 8S-4723 1 BOLT (7/16-20X1.5-IN) 3 1 8
  • Page 1051OPERATOR STATION 305-0466 SEAT BELT GP–RETRACTABLE S/N: CJN1-UP AN ATTACHMENT SMCS-7327 i03090282 REF GRAPHIC PART NAME SEE NOTE NO REF PART NUMBER QTY 1 2 3 4 5 6 (PRODUCT LEVEL) PAGE 1 1 327-6540 1 SEAT BELT GP GRAPHIC #1 g01576875 SEBP4861-02 1 of 1 OPERATOR STATION 1021
  • Page 1052OPERATOR STATION 305-0467 SEAT BELT GP–RETRACTABLE S/N: CJN1-UP AN ATTACHMENT SMCS-7327 i03090307 REF GRAPHIC PART NAME SEE NOTE NO REF PART NUMBER QTY 1 2 3 4 5 6 (PRODUCT LEVEL) PAGE 1 1 327-6541 1 SEAT BELT GP GRAPHIC #1 g01576478 1022 OPERATOR STATION 1 of 1 SEBP4861-02
  • Page 1053OPERATOR STATION 229-9076 SEAT GP–LOW BACK WITH TILT S/N: CJN1-UP PART OF 229-9075 SEAT GP-SUSPENSION AN ATTACHMENT SMCS-7312 i02526961 REF GRAPHIC PART NAME SEE NOTE NO REF PART NUMBER QTY 1 2 3 4 5 6 (PRODUCT LEVEL) PAGE 1 1 245-7883 1 KIT-SEAT (CONTROL HANDLE) 1A 1 8T-4224 4 WASHER-HARD (8.8X16X2
  • Page 1054OPERATOR STATION 229-9090 SEAT GP–HIGH BACK, TILT S/N: CJN1-UP PART OF 229-9089 SEAT GP-SUSPENSION AN ATTACHMENT SMCS-7312 i02212463 REF GRAPHIC PART NAME SEE NOTE NO REF PART NUMBER QTY 1 2 3 4 5 6 (PRODUCT LEVEL) PAGE 1 1 245-7884 1 KIT-SEAT M 1A 1 245-7898 4 SCREW-BUTTON HEAD (M8X1.25X25-MM) 1B 1
  • Page 1055OPERATOR STATION 229-9093 SEAT GP–HIGH BACK, WITH HEATER S/N: CJN1-UP PART OF 240-5065 SEAT GP-SUSPENSION AN ATTACHMENT SMCS-7312 i02212370 REF GRAPHIC PART NAME SEE NOTE NO REF PART NUMBER QTY 1 2 3 4 5 6 (PRODUCT LEVEL) PAGE 1 1 245-7885 1 SEAT GP 1 8T-4224 4 WASHER-HARD (8.8X16X2-MM THK) 1 178-56
  • Page 1056OPERATOR STATION 327-6498 SEAT GP–LOW BACK, VINYL S/N: CJN1-UP AN ATTACHMENT SMCS-7312 i03213397 REF GRAPHIC PART NAME SEE NOTE NO REF PART NUMBER QTY 1 2 3 4 5 6 (PRODUCT LEVEL) PAGE 1 1 316-8987 2 BRACKET Y 2 1 327-6504 1 SEAT GP 1028 M 3 1 5A-3604 2 BOLT-SOCKET HEAD (M8X1.25X25-MM) M 4 1 6V-8202
  • Page 1057OPERATOR STATION 327-6499 SEAT GP–LOW BACK, TILT S/N: CJN1-UP AN ATTACHMENT SMCS-7312 i03213460 REF GRAPHIC PART NAME SEE NOTE NO REF PART NUMBER QTY 1 2 3 4 5 6 (PRODUCT LEVEL) PAGE 1 1 316-8987 2 BRACKET Y 2 1 327-6505 1 SEAT GP 1029 M 3 1 5A-3604 2 BOLT-SOCKET HEAD (M8X1.25X25-MM) M 4 1 6V-8202 2
  • Page 1058OPERATOR STATION 327-6504 SEAT GP–LOW BACK, VINYL S/N: CJN1-UP PART OF 327-6498 SEAT GP AN ATTACHMENT SMCS-7312 i03213408 REF GRAPHIC PART NAME SEE NOTE NO REF PART NUMBER QTY 1 2 3 4 5 6 (PRODUCT LEVEL) PAGE 1 1 316-8987 2 BRACKET Y 2 1 327-6510 1 SEAT GP 1030 Y 3 1 327-6517 1 SUSPENSION GP-SEAT 10
  • Page 1059OPERATOR STATION 327-6505 SEAT GP–LOW BACK, TILT S/N: CJN1-UP PART OF 327-6499 SEAT GP AN ATTACHMENT SMCS-7312 i03213463 REF GRAPHIC PART NAME SEE NOTE NO REF PART NUMBER QTY 1 2 3 4 5 6 (PRODUCT LEVEL) PAGE 1 1 316-8987 2 BRACKET Y 2 1 327-6511 1 SEAT GP 1031 Y 3 1 327-6517 1 SUSPENSION GP-SEAT 105
  • Page 1060OPERATOR STATION 327-6510 SEAT GP–LOW BACK, VINYL S/N: CJN1-UP PART OF 327-6504 SEAT GP AN ATTACHMENT SMCS-7312 i03213421 REF GRAPHIC PART NAME SEE NOTE NO REF PART NUMBER QTY 1 2 3 4 5 6 (PRODUCT LEVEL) PAGE 1 1 327-6642 1 KIT-ADJUSTER (SEAT TILT) M 1 9X-2616 4 SCREW-SOCKET (M8X1.25X16-MM) 1 333-41
  • Page 1061OPERATOR STATION 327-6511 SEAT GP S/N: CJN1-UP PART OF 327-6505 SEAT GP, 327-6506 SEAT GP-SUSPENSION AN ATTACHMENT SMCS-7312 i03207831 REF GRAPHIC PART NAME SEE NOTE NO REF PART NUMBER QTY 1 2 3 4 5 6 (PRODUCT LEVEL) PAGE J 1 1 327-6639 1 KIT-SEAT (CLOTH, LOW BACK) 1 333-4179 2 BOLT 2 1 327-6642 1 K
  • Page 1062OPERATOR STATION 327-6512 SEAT GP–HIGH BACK, TILT S/N: CJN1-UP PART OF 327-6507, 327-6508 SEAT GP-SUSPENSION AN ATTACHMENT SMCS-7312 i03213644 REF GRAPHIC PART NAME SEE NOTE NO REF PART NUMBER QTY 1 2 3 4 5 6 (PRODUCT LEVEL) PAGE Y 1 1 327-6515 1 HEADREST AS-SEAT 972 2 1 327-6642 1 KIT-ADJUSTER (SEA
  • Page 1063OPERATOR STATION 327-6513 SEAT GP–HIGH BACK, WITH HEATER S/N: CJN1-UP PART OF 327-6509 SEAT GP-SUSPENSION AN ATTACHMENT SMCS-7312 i03213502 REF GRAPHIC PART NAME SEE NOTE NO REF PART NUMBER QTY 1 2 3 4 5 6 (PRODUCT LEVEL) PAGE Y 1 1 327-6515 1 HEADREST AS-SEAT 972 2 1 327-6642 1 KIT-ADJUSTER (SEAT T
  • Page 1064OPERATOR STATION 229-9075 SEAT GP-SUSPENSION–LOW BACK, TILT S/N: CJN1-UP PART OF 240-4999 SEAT & MOUNTING GP AN ATTACHMENT SMCS-7324, 7336 i02212271 REF GRAPHIC PART NAME SEE NOTE NO REF PART NUMBER QTY 1 2 3 4 5 6 (PRODUCT LEVEL) PAGE Y 1 1 229-9076 1 SEAT GP (LOW BACK, TILT) 1023 Y 2 1 229-9077 1
  • Page 1065OPERATOR STATION 229-9089 SEAT GP-SUSPENSION–HIGH BACK, TILT S/N: CJN1-UP PART OF 240-5003 SEAT & MOUNTING GP AN ATTACHMENT SMCS-7324, 7336 i03016833 REF GRAPHIC PART NAME SEE NOTE NO REF PART NUMBER QTY 1 2 3 4 5 6 (PRODUCT LEVEL) PAGE Y 1 1 229-9077 1 SUSPENSION GP-SEAT 1046 Y 2 1 229-9090 1 SEAT
  • Page 1066OPERATOR STATION 240-5064 SEAT GP-SUSPENSION–AIR SUSP, HIGH BACK, WITH HTR S/N: CJN1-UP AN ATTACHMENT SMCS-7324, 7336 i02476000 REF GRAPHIC PART NAME SEE NOTE NO REF PART NUMBER QTY 1 2 3 4 5 6 (PRODUCT LEVEL) PAGE 1 1 3S-2093 2 STRAP-CABLE 2 1 238-2211 1 SWITCH AS-ROCKER (HEATED SEAT) 1 167-3542 1
  • Page 1067OPERATOR STATION 240-5064 SEAT GP-SUSPENSION (contd. ) i02476000 GRAPHIC #1 g01122377 SEBP4861-02 2 of 2 OPERATOR STATION 1037
  • Page 1068OPERATOR STATION 240-5065 SEAT GP-SUSPENSION–AIR SUSP, HIGH BACK, WITH HTR S/N: CJN1-UP PART OF 240-5064 SEAT GP-SUSPENSION AN ATTACHMENT SMCS-7324, 7336 i02510753 REF GRAPHIC PART NAME SEE NOTE NO REF PART NUMBER QTY 1 2 3 4 5 6 (PRODUCT LEVEL) PAGE Y 1 1 229-9093 1 SEAT GP (HIGH BACK, WITH HEATER)
  • Page 1069OPERATOR STATION 327-6500 SEAT GP-SUSPENSION–LOW BACK, TILT S/N: CJN1-UP AN ATTACHMENT SMCS-7324, 7336 i03196573 REF GRAPHIC PART NAME SEE NOTE NO REF PART NUMBER QTY 1 2 3 4 5 6 (PRODUCT LEVEL) PAGE 1 1 316-8987 2 BRACKET Y 2 1 327-6506 1 SEAT GP-SUSPENSION (LOW BACK, TILT) 1041 M 3 1 5A-3604 4 BOL
  • Page 1070OPERATOR STATION 327-6503 SEAT GP-SUSPENSION–HIGH BACK, WITH HEATER S/N: CJN1-UP AN ATTACHMENT SMCS-7324, 7336 i03213686 REF GRAPHIC PART NAME SEE NOTE NO REF PART NUMBER QTY 1 2 3 4 5 6 (PRODUCT LEVEL) PAGE 1 1 316-8987 2 BRACKET Y 2 1 327-6509 1 SEAT GP-SUSPENSION (HIGH BACK, WITH HEATER) 1044 M 3
  • Page 1071OPERATOR STATION 327-6506 SEAT GP-SUSPENSION–LOW BACK, TILT S/N: CJN1-UP PART OF 327-6500 SEAT GP-SUSPENSION AN ATTACHMENT SMCS-7324, 7336 i03213928 REF GRAPHIC PART NAME SEE NOTE NO REF PART NUMBER QTY 1 2 3 4 5 6 (PRODUCT LEVEL) PAGE 1 1 316-8987 2 BRACKET Y 2 1 327-6511 1 SEAT GP 1031 Y 3 1 327-6
  • Page 1072OPERATOR STATION 327-6507 SEAT GP-SUSPENSION–HIGH BACK, TILT S/N: CJN1-UP PART OF 327-6501 SEAT & MOUNTING GP AN ATTACHMENT SMCS-7324, 7336 i03213641 REF GRAPHIC PART NAME SEE NOTE NO REF PART NUMBER QTY 1 2 3 4 5 6 (PRODUCT LEVEL) PAGE 1 1 316-8987 2 BRACKET Y 2 1 327-6512 1 SEAT GP 1032 Y 3 1 327-
  • Page 1073OPERATOR STATION 327-6508 SEAT GP-SUSPENSION–HIGH BACK, TILT S/N: CJN1-UP PART OF 327-6502 SEAT & MOUNTING GP AN ATTACHMENT SMCS-7324, 7336 i03213642 REF GRAPHIC PART NAME SEE NOTE NO REF PART NUMBER QTY 1 2 3 4 5 6 (PRODUCT LEVEL) PAGE 1 1 316-8987 2 BRACKET Y 2 1 327-6512 1 SEAT GP 1032 Y 3 1 327-
  • Page 1074OPERATOR STATION 327-6509 SEAT GP-SUSPENSION–HIGH BACK, WITH HEATER S/N: CJN1-UP PART OF 327-6503 SEAT GP-SUSPENSION AN ATTACHMENT SMCS-7324, 7336 i03213688 REF GRAPHIC PART NAME SEE NOTE NO REF PART NUMBER QTY 1 2 3 4 5 6 (PRODUCT LEVEL) PAGE 1 1 316-8987 2 BRACKET Y 2 1 327-6513 1 SEAT GP 1033 Y 3
  • Page 1075OPERATOR STATION 235-8856 SUPPORT GP-SEAT S/N: CJN1-UP PART OF 259-7193 OPERATOR AR SMCS-7321 i02160706 REF GRAPHIC PART NAME SEE NOTE NO REF PART NUMBER QTY 1 2 3 4 5 6 (PRODUCT LEVEL) PAGE 1 1 235-8857 1 SUPPORT AS 2 1 8T-4121 4 WASHER-HARD (11X21X2.5-MM THK) M 3 1 8T-4191 4 BOLT (M10X1.5X16-MM) M
  • Page 1076OPERATOR STATION 229-9077 SUSPENSION GP-SEAT S/N: CJN1-UP PART OF 229-9075, 229-9089 SEAT GP-SUSPENSION AN ATTACHMENT SMCS-7324 i02177429 REF GRAPHIC PART NAME SEE NOTE NO REF PART NUMBER QTY 1 2 3 4 5 6 (PRODUCT LEVEL) PAGE 1 1 242-8768 1 COVER AS 1 147-4921 1 KIT-CLIP (SEAT) 2 1 245-7889 1 ADJUSTE
  • Page 1077OPERATOR STATION 240-5063 SUSPENSION GP-SEAT–AIR S/N: CJN1-UP PART OF 240-5065 SEAT GP-SUSPENSION AN ATTACHMENT SMCS-7324 i03130945 REF GRAPHIC PART NAME SEE NOTE NO REF PART NUMBER QTY 1 2 3 4 5 6 (PRODUCT LEVEL) PAGE 1 1 7I-2673 1 STRAP-CABLE 2 1 242-8768 1 COVER AS 1 147-4921 1 KIT-CLIP (SEAT) Y
  • Page 1078OPERATOR STATION 245-7892 SUSPENSION GP-SEAT S/N: CJN1-UP PART OF 229-9077 SUSPENSION GP-SEAT AN ATTACHMENT SMCS-7324 i02178065 REF GRAPHIC PART NAME SEE NOTE NO REF PART NUMBER QTY 1 2 3 4 5 6 (PRODUCT LEVEL) PAGE M 1 1 198-3899 2 SCREW-BUTTON HEAD (M8X1.25X20-MM) 2 1 209-4280 1 CYLINDER-DAMPER 3 1
  • Page 1079OPERATOR STATION 273-5384 SUSPENSION GP-SEAT S/N: CJN1-UP PART OF 240-5063 SUSPENSION GP-SEAT AN ATTACHMENT SMCS-7324 i02795410 REF GRAPHIC PART NAME SEE NOTE NO REF PART NUMBER QTY 1 2 3 4 5 6 (PRODUCT LEVEL) PAGE M 1 1 198-3899 2 SCREW-BUTTON HEAD (M8X1.25X20-MM) 2 1 209-0348 1 DAMPER (SUSPENSION)
  • Page 1080OPERATOR STATION 327-6517 SUSPENSION GP-SEAT S/N: CJN1-UP PART OF 327-6504, 327-6505 SEAT GP AN ATTACHMENT SMCS-7324 i03213412 REF GRAPHIC PART NAME SEE NOTE NO REF PART NUMBER QTY 1 2 3 4 5 6 (PRODUCT LEVEL) PAGE 1 1 327-6648 1 KIT-ADJUSTER (SEAT POSITION) 1 316-8987 2 BRACKET 1 333-4180 6 SCREW-BU
  • Page 1081OPERATOR STATION 327-6520 SUSPENSION GP-SEAT S/N: CJN1-UP PART OF 327-6506, 327-6507 SEAT GP-SUSPENSION AN ATTACHMENT SMCS-7324 i03207836 REF GRAPHIC PART NAME SEE NOTE NO REF PART NUMBER QTY 1 2 3 4 5 6 (PRODUCT LEVEL) PAGE 1 1 327-6644 1 KIT-BRACKET (CONSOLE RAISE, LOWER) 1 327-6648 4 KIT-ADJUSTER
  • Page 1082OPERATOR STATION 327-6521 SUSPENSION GP-SEAT S/N: CJN1-UP PART OF 327-6508, 327-6509 SEAT GP-SUSPENSION AN ATTACHMENT SMCS-7324 i03207834 REF GRAPHIC PART NAME SEE NOTE NO REF PART NUMBER QTY 1 2 3 4 5 6 (PRODUCT LEVEL) PAGE 1 1 7I-2673 1 STRAP-CABLE 2 1 327-6644 1 KIT-BRACKET (CONSOLE RAISE, LOWER)
  • Page 1083OPERATOR STATION 161-3751 VISOR GP-CAB S/N: CJN1-UP AN ATTACHMENT SMCS-7301 i02906060 REF GRAPHIC PART NAME SEE NOTE NO REF PART NUMBER QTY 1 2 3 4 5 6 (PRODUCT LEVEL) PAGE 1 1 164-0639 1 BRACKET AS 2 1 210-5827 1 PLATE 3 1 210-5828 1 PLATE 4 1 210-5829 2 BOLT 5 1 210-5834 1 BRACKET AS 6 1 210-5836
  • Page 1084OPERATOR STATION 161-3750 VISOR GP-PROTECTION–RAIN S/N: CJN1-UP AN ATTACHMENT SMCS-7340 i03087900 REF GRAPHIC PART NAME SEE NOTE NO REF PART NUMBER QTY 1 2 3 4 5 6 (PRODUCT LEVEL) PAGE M 1 1 4I-5049 8 NUT-SPACER (M6X1-THD) 2 1 164-0618 2 BRACKET 3 1 164-0619 1 BRACKET 4 1 164-0620 1 BRACKET 5 1 327-
  • Page 1085OPERATOR STATION 229-9070 WASHER GP-WINDOW S/N: CJN1-UP AN ATTACHMENT SMCS-7306 i02593848 REF GRAPHIC PART NAME SEE NOTE NO REF PART NUMBER QTY 1 2 3 4 5 6 (PRODUCT LEVEL) PAGE 1 1 7Y-3474 1 VALVE AS-CHECK (WINDOW WASHER) 2 1 163-6795 2 STRAP-CABLE 3 1 176-1931 1 TANK AS-WINDOW WASHER 1 5C-8138 1 GR
  • Page 1086OPERATOR STATION 229-9088 WASHER GP-WINDOW–LOWER S/N: CJN1-UP PART OF 273-5388 WIPER AR-WINDOW AN ATTACHMENT SMCS-7306 i02703029 REF GRAPHIC PART NAME SEE NOTE NO REF PART NUMBER QTY 1 2 3 4 5 6 (PRODUCT LEVEL) PAGE 1 1 3S-2093 2 STRAP-CABLE 2 1 293-1256 2 VALVE AS-CHECK 3 1 163-6795 2 STRAP-CABLE 4
  • Page 1087OPERATOR STATION 229-9088 WASHER GP-WINDOW (contd. ) i02703029 GRAPHIC #1 g01292034 SEBP4861-02 2 of 2 OPERATOR STATION 1057
  • Page 1088OPERATOR STATION 207-0144 WINDOW AS-FRONT–UPPER S/N: CJN1-UP PART OF 229-9097, 229-9099, 229-9101, 316-8815 CAB GP AN ATTACHMENT SMCS-7340 i02857428 REF GRAPHIC PART NAME SEE NOTE NO REF PART NUMBER QTY 1 2 3 4 5 6 (PRODUCT LEVEL) PAGE 1 1 170-9722 1 CUSHION 2 1 156-6472 1 GLASS 3 1 161-3698 1 SEAL
  • Page 1089OPERATOR STATION 139-7101 WINDOW GP-CAB–FRONT, UPPER S/N: CJN1-UP PART OF 229-9097, 229-9099, 229-9101, 316-8815 CAB GP AN ATTACHMENT SMCS-7310 i02836457 REF GRAPHIC PART NAME SEE NOTE NO REF PART NUMBER QTY 1 2 3 4 5 6 (PRODUCT LEVEL) PAGE 1 2 170-9722 1 CUSHION 2 1 151-6703 1 HANDLE-PULL 3 1 151-6
  • Page 1090OPERATOR STATION 139-7101 WINDOW GP-CAB (contd. ) i02836457 GRAPHIC #1 g01231378 1060 OPERATOR STATION 2 of 3 SEBP4861-02
  • Page 1091OPERATOR STATION 139-7101 WINDOW GP-CAB (contd. ) i02836457 GRAPHIC #2 g01231379 SEBP4861-02 3 of 3 OPERATOR STATION 1061
  • Page 1092OPERATOR STATION 156-6647 WINDOW GP-CAB–FRONT, LOWER S/N: CJN1-UP PART OF 273-5389 WIPER & WASHER GP-WINDOW AN ATTACHMENT SMCS-7310 i02243909 REF GRAPHIC PART NAME SEE NOTE NO REF PART NUMBER QTY 1 2 3 4 5 6 (PRODUCT LEVEL) PAGE 1 1 156-6648 1 GLASS M 2 1 9X-2042 2 SCREW-TRUSS HEAD (M6X1X12-MM) 3 1
  • Page 1093OPERATOR STATION 176-1958 WINDOW GP-CAB–LOWER S/N: CJN1-UP PART OF 229-9097, 229-9099, 229-9101, 316-8815 CAB GP AN ATTACHMENT SMCS-7310 i02793691 REF GRAPHIC PART NAME SEE NOTE NO REF PART NUMBER QTY 1 2 3 4 5 6 (PRODUCT LEVEL) PAGE 1 1 156-6473 1 GLASS (LOWER FRONT) 2 1 156-6631 2 STOP 3 1 305-036
  • Page 1094OPERATOR STATION 176-1958 WINDOW GP-CAB (contd. ) i02793691 GRAPHIC #1 g01398601 1064 OPERATOR STATION 2 of 2 SEBP4861-02
  • Page 1095OPERATOR STATION 189-2778 WINDOW GP-CAB–REAR S/N: CJN1-UP AN ATTACHMENT SMCS-7310 i02742929 PART NAME SEE NOTE PART NUMBER QTY 1 2 3 4 5 6 (PRODUCT LEVEL) PAGE Y 186-1305 1 FILM GP (SECONDARY EXIT) 1078 Y 189-2759 1 WINDOW GP-REAR 1072 Y-SEPARATE ILLUSTRATION SEBP4861-02 OPERATOR STATION 1065
  • Page 1096OPERATOR STATION 235-8909 WINDOW GP-CAB–SIDE, REAR S/N: CJN1-UP PART OF 229-9097, 229-9099, 316-8815 CAB GP AN ATTACHMENT SMCS-7310 i02877557 REF GRAPHIC PART NAME SEE NOTE NO REF PART NUMBER QTY 1 2 3 4 5 6 (PRODUCT LEVEL) PAGE 1 1 151-6790 1 GLASS 2 1 156-6469 1 GLASS 3 1 164-0666 1 SEAL 4 1 178-5
  • Page 1097OPERATOR STATION 235-8915 WINDOW GP-CAB S/N: CJN1-UP PART OF 229-9101 CAB GP AN ATTACHMENT SMCS-7310 i02862883 REF GRAPHIC PART NAME SEE NOTE NO REF PART NUMBER QTY 1 2 3 4 5 6 (PRODUCT LEVEL) PAGE 1 1 164-0666 1 SEAL 2 1 167-7037 1 GLASS (REAR) 3 1 178-5572 4 SPACER 4 1 235-8911 1 GLASS (RH) 5 1 09
  • Page 1098OPERATOR STATION 151-6792 WINDOW GP-DOOR S/N: CJN1-UP PART OF 139-7100, 176-1964 DOOR GP-CAB AN ATTACHMENT SMCS-7308, 7310 i03214888 REF GRAPHIC PART NAME SEE NOTE NO REF PART NUMBER QTY 1 2 3 4 5 6 (PRODUCT LEVEL) PAGE 1 1 085-6444 2 LATCH GP-FRONT WINDOW (EACH INCLUDES) 1 085-6447 1 RETAINER M 1 0
  • Page 1099OPERATOR STATION 151-6792 WINDOW GP-DOOR (contd. ) i03214888 GRAPHIC #1 g00722948 SEBP4861-02 2 of 2 OPERATOR STATION 1069
  • Page 1100OPERATOR STATION 185-8203 WINDOW GP-REAR S/N: CJN1-UP PART OF 189-2759 WINDOW GP-REAR AN ATTACHMENT SMCS-7310, 7340 i01818870 REF GRAPHIC PART NAME SEE NOTE NO REF PART NUMBER QTY 1 2 3 4 5 6 (PRODUCT LEVEL) PAGE 1 1 178-5574 6 SPACER 2 1 184-3971 1 HANDLE 3 1 184-3979 1 PIN 4 1 185-8200 1 GLASS 5 1
  • Page 1101OPERATOR STATION 185-8203 WINDOW GP-REAR (contd. ) i01818870 GRAPHIC #1 g00852376 SEBP4861-02 2 of 2 OPERATOR STATION 1071
  • Page 1102OPERATOR STATION 189-2759 WINDOW GP-REAR S/N: CJN1-UP PART OF 189-2778 WINDOW GP-CAB AN ATTACHMENT SMCS-7310, 7340 i01426307 REF GRAPHIC PART NAME SEE NOTE NO REF PART NUMBER QTY 1 2 3 4 5 6 (PRODUCT LEVEL) PAGE Y 1 1 185-8203 1 WINDOW GP-REAR 1070 2 1 166-3215 1 SEAL 3 1 189-2705 1 BRACKET AS 4 1 1
  • Page 1103OPERATOR STATION 273-5389 WIPER & WASHER GP-WINDOW–LOWER S/N: CJN1-UP PART OF 273-5388 WIPER AR-WINDOW AN ATTACHMENT SMCS-7305, 7306 i02736326 REF GRAPHIC PART NAME SEE NOTE NO REF PART NUMBER QTY 1 2 3 4 5 6 (PRODUCT LEVEL) PAGE 1 1 3S-2093 1 STRAP-CABLE 2 1 4I-1163 1 BRACKET 3 1 129-6466 1 SWITCH
  • Page 1104OPERATOR STATION 273-5389 WIPER & WASHER GP-WINDOW (contd. ) i02736326 GRAPHIC #1 g01374433 1074 OPERATOR STATION 2 of 2 SEBP4861-02
  • Page 1105OPERATOR STATION 273-5388 WIPER AR-WINDOW S/N: CJN1-UP CANNOT BE USED WITH 229-9070–PAGE 1055 AN ATTACHMENT SMCS-7305 i03196576 PART NAME SEE NOTE PART NUMBER QTY 1 2 3 4 5 6 (PRODUCT LEVEL) PAGE Y 238-2208 1 SWITCH GP-WIPER (LOWER) 209 Y 229-9088 1 WASHER GP-WINDOW (LOWER) 1056 Y 273-5389 1 WIPER &
  • Page 1106OPERATOR STATION 234-6594 WIPER GP-WINDOW–FRONT, UPPER S/N: CJN1-UP PART OF 229-9097, 229-9099, 229-9101, 316-8815 CAB GP AN ATTACHMENT SMCS-7305 i02725441 REF GRAPHIC PART NAME SEE NOTE NO REF PART NUMBER QTY 1 2 3 4 5 6 (PRODUCT LEVEL) PAGE 1 1 161-3677 1 HOLDER 2 1 245-7931 1 MOTOR AS (WIPER) M 1
  • Page 1107OPERATOR STATION 234-6594 WIPER GP-WINDOW (contd. ) i02725441 GRAPHIC #1 g01098021 SEBP4861-02 2 of 2 OPERATOR STATION 1077
  • Page 1108SERVICE EQUIPMENT AND SUPPLIES 186-1305 FILM GP–SECONDARY EXIT S/N: CJN1-UP PART OF 189-2778 WINDOW GP-CAB AN ATTACHMENT SMCS-7405, 7557 i02514314 REF GRAPHIC PART NAME SEE NOTE NO REF PART NUMBER QTY 1 2 3 4 5 6 (PRODUCT LEVEL) PAGE 1 1 224-1943 1 FILM-INSTRUCTION (ALTERNATE EXIT, REMOVE WINDOW) GR
  • Page 1109SERVICE EQUIPMENT AND SUPPLIES 247-7410 FILM GP–OPERATOR CONTROLS, NOTICE S/N: CJN1-UP PART OF 255-5843 CONTROL AR-AUXILIARY AN ATTACHMENT SMCS-7405, 7557 i02426165 REF GRAPHIC PART NAME SEE NOTE NO REF PART NUMBER QTY 1 2 3 4 5 6 (PRODUCT LEVEL) PAGE 1 1 250-8054 1 FILM-NOTICE (HAMMER, READ OMM) 2
  • Page 1110SERVICE EQUIPMENT AND SUPPLIES 247-7410 FILM GP (contd. ) i02426165 GRAPHIC #1 g01246655 1080 SERVICE EQUIPMENT AND SUPPLIES 2 of 2 SEBP4861-02
  • Page 1111SERVICE EQUIPMENT AND SUPPLIES 247-7411 FILM GP–OPERATOR CONTROLS, NOTICE S/N: CJN1-UP PART OF 255-5844 CONTROL AR-AUXILIARY AN ATTACHMENT SMCS-7405, 7557 i02433607 REF GRAPHIC PART NAME SEE NOTE NO REF PART NUMBER QTY 1 2 3 4 5 6 (PRODUCT LEVEL) PAGE 1 1 260-6942 1 FILM-INFORMATION (OPERATOR CONTRO
  • Page 1112SERVICE EQUIPMENT AND SUPPLIES 247-7418 FILM GP–PEDAL, LH S/N: CJN1-UP PART OF 255-5845 PEDAL AR-AUXILIARY AN ATTACHMENT SMCS-7405, 7557 i02430392 REF GRAPHIC PART NAME SEE NOTE NO REF PART NUMBER QTY 1 2 3 4 5 6 (PRODUCT LEVEL) PAGE 1 1 250-8054 1 FILM-NOTICE (HAMMER, READ OMM) 2 1 260-6948 1 FILM-
  • Page 1113SERVICE EQUIPMENT AND SUPPLIES 247-7465 FILM GP–HAMMER CONTROL, FOOT SWITCH S/N: CJN1-UP PART OF 270-6106 CONTROL AR-AUXILIARY AN ATTACHMENT SMCS-7405, 7557 i02424961 REF GRAPHIC PART NAME SEE NOTE NO REF PART NUMBER QTY 1 2 3 4 5 6 (PRODUCT LEVEL) PAGE 1 1 176-2815 1 FILM-INSTRUCTION (HAMMER CONTRO
  • Page 1114SERVICE EQUIPMENT AND SUPPLIES 247-7492 FILM GP–CONTROL PATTERN CHANGE, 4-WAY S/N: CJN1-UP PART OF 259-7575 VALVE & LINES GP-PILOT AN ATTACHMENT SMCS-7405, 7557 i02436751 REF GRAPHIC PART NAME SEE NOTE NO REF PART NUMBER QTY 1 2 3 4 5 6 (PRODUCT LEVEL) PAGE 1 1 4I-2885 1 CASE 2 1 176-2688 1 FILM (QU
  • Page 1115SERVICE EQUIPMENT AND SUPPLIES 247-7492 FILM GP (contd. ) i02436751 GRAPHIC #1 g01217306 SEBP4861-02 2 of 2 SERVICE EQUIPMENT AND SUPPLIES 1085
  • Page 1116SERVICE EQUIPMENT AND SUPPLIES 260-7006 FILM GP–CONTROL PATTERN CHANGE, 2-WAY S/N: CJN1-UP PART OF 259-7577 VALVE AR-ALT PATTERN CONTROL AN ATTACHMENT SMCS-7405, 7557 i02724704 REF GRAPHIC PART NAME SEE NOTE NO REF PART NUMBER QTY 1 2 3 4 5 6 (PRODUCT LEVEL) PAGE 1 1 4I-2885 1 CASE 2 1 255-3171 1 PL
  • Page 1117SERVICE EQUIPMENT AND SUPPLIES 268-6816 FILM GP–QUICK COUPLER S/N: CJN1-UP PART OF 268-7253 CONTROL AR-COUPLER AN ATTACHMENT SMCS-7405, 7557 i02490845 REF GRAPHIC PART NAME SEE NOTE NO REF PART NUMBER QTY 1 2 3 4 5 6 (PRODUCT LEVEL) PAGE 1 1 268-6817 1 FILM-IDENTIFICATION (QUICK COUPLER) GRAPHIC #1
  • Page 1118SERVICE EQUIPMENT AND SUPPLIES 282-5705 FILM GP–QUICK COUPLER S/N: CJN1-UP PART OF 262-3249 CONTROL AR-COUPLER AN ATTACHMENT SMCS-7405, 7557 i02817497 REF GRAPHIC PART NAME SEE NOTE NO REF PART NUMBER QTY 1 2 3 4 5 6 (PRODUCT LEVEL) PAGE 1 1 268-4530 1 FILM-WARNING (CRUSH HAZARD, READ OMM, U.S.) –OR
  • Page 1119SERVICE EQUIPMENT AND SUPPLIES 298-4281 FILM GP S/N: CJN1-UP CHINA PART OF 301-2565, 301-2566, 301-2567 SPECIAL AR AN ATTACHMENT SMCS-7405, 7557 i02842428 REF GRAPHIC PART NAME SEE NOTE NO REF PART NUMBER QTY 1 2 3 4 5 6 (PRODUCT LEVEL) PAGE 1 1 158-7864 1 FILM-IDENTIFICATION (HYDRAULIC OIL) 2 1 298
  • Page 1120SERVICE EQUIPMENT AND SUPPLIES 301-2573 FILM GP–FUEL TRANSFER PUMP S/N: CJN1-UP PART OF 260-7007, 330-8780 PUMP AR-FUEL TRANSFER AN ATTACHMENT SMCS-7405, 7557 i02883995 REF GRAPHIC PART NAME SEE NOTE NO REF PART NUMBER QTY 1 2 3 4 5 6 (PRODUCT LEVEL) PAGE B 1 1,2 309-3872 1 FILM-WARNING (EXPLOSION H
  • Page 1121SERVICE EQUIPMENT AND SUPPLIES 301-2573 FILM GP (contd. ) i02883995 GRAPHIC #2 g01441201 SEBP4861-02 2 of 2 SERVICE EQUIPMENT AND SUPPLIES 1091
  • Page 1122SERVICE EQUIPMENT AND SUPPLIES 303-2787 FILM GP–WORK AREA VISUAL SYSTEM, REAR S/N: CJN1-UP PART OF 330-8753 INSTALLATION AR AN ATTACHMENT SMCS-7405, 7557 i03128324 REF GRAPHIC PART NAME SEE NOTE NO REF PART NUMBER QTY 1 2 3 4 5 6 (PRODUCT LEVEL) PAGE 1 1 319-9152 1 FILM-INSTRUCTION (BATTERY LIFE, CA
  • Page 1123SERVICE EQUIPMENT AND SUPPLIES 314-3768 FILM GP–OVERLOAD WARNING DEVICE S/N: CJN1-UP PART OF 323-7798 VALVE AR-CHECK & RELIEF AN ATTACHMENT SMCS-7405, 7557 i03113101 REF GRAPHIC PART NAME SEE NOTE NO REF PART NUMBER QTY 1 2 3 4 5 6 (PRODUCT LEVEL) PAGE 1 1 322-4582 1 FILM-WARNING (TIPPING HAZARD, RE
  • Page 1124SERVICE EQUIPMENT AND SUPPLIES 314-3848 FILM GP S/N: CJN1-UP CHINA MARKET PART OF 330-8810 SPECIAL AR AN ATTACHMENT SMCS-7405, 7557 i03207790 REF GRAPHIC PART NAME SEE NOTE NO REF PART NUMBER QTY 1 2 3 4 5 6 (PRODUCT LEVEL) PAGE 1 1 298-4282 2 FILM-WARNING (CRUSH HAZARD) (ON STICK) 2 1 312-5525 1 FI
  • Page 1125SERVICE EQUIPMENT AND SUPPLIES 260-6968 PLATE & FILM GP S/N: CJN1-UP PART OF 260-6960 CHASSIS AR TYPE 1 SMCS-7405, 7557 i02980596 REF GRAPHIC PART NAME SEE NOTE NO REF PART NUMBER QTY 1 2 3 4 5 6 (PRODUCT LEVEL) PAGE 1 1,3 1P-2807 4 FILM-INFORMATION (LIFT EYE LOCATION) 2 3 4I-8472 1 FILM-INSTRUCTION
  • Page 1126SERVICE EQUIPMENT AND SUPPLIES 260-6968 PLATE & FILM GP (contd. ) i02980596 GRAPHIC #1 g01378164 1096 SERVICE EQUIPMENT AND SUPPLIES 2 of 4 SEBP4861-02
  • Page 1127SERVICE EQUIPMENT AND SUPPLIES 260-6968 PLATE & FILM GP (contd. ) i02980596 GRAPHIC #2 g01378171 SEBP4861-02 3 of 4 SERVICE EQUIPMENT AND SUPPLIES 1097
  • Page 1128SERVICE EQUIPMENT AND SUPPLIES 260-6968 PLATE & FILM GP (contd. ) i02980596 GRAPHIC #3 g01378179 1098 SERVICE EQUIPMENT AND SUPPLIES 4 of 4 SEBP4861-02
  • Page 1129SERVICE EQUIPMENT AND SUPPLIES 260-6968 PLATE & FILM GP S/N: CJN1-UP PART OF 260-6960 CHASSIS AR TYPE 2 SMCS-7405, 7557 i03169083 REF GRAPHIC PART NAME SEE NOTE NO REF PART NUMBER QTY 1 2 3 4 5 6 (PRODUCT LEVEL) PAGE 1 1,3 1P-2807 4 FILM-INFORMATION (LIFT EYE LOCATION) 2 3 4I-8472 1 FILM-INSTRUCTION
  • Page 1130SERVICE EQUIPMENT AND SUPPLIES 260-6968 PLATE & FILM GP (contd. ) i03169083 GRAPHIC #1 g01378164 1100 SERVICE EQUIPMENT AND SUPPLIES 2 of 4 SEBP4861-02
  • Page 1131SERVICE EQUIPMENT AND SUPPLIES 260-6968 PLATE & FILM GP (contd. ) i03169083 GRAPHIC #2 g01378171 SEBP4861-02 3 of 4 SERVICE EQUIPMENT AND SUPPLIES 1101
  • Page 1132SERVICE EQUIPMENT AND SUPPLIES 260-6968 PLATE & FILM GP (contd. ) i03169083 GRAPHIC #3 g01623226 1102 SERVICE EQUIPMENT AND SUPPLIES 4 of 4 SEBP4861-02
  • Page 1133SERVICE EQUIPMENT AND SUPPLIES 298-4305 PLATE & FILM GP S/N: CJN1-UP PART OF 330-8769 PLATE & FILM GP AN ATTACHMENT SMCS-7405, 7557 i02890837 REF GRAPHIC PART NAME SEE NOTE NO REF PART NUMBER QTY 1 2 3 4 5 6 (PRODUCT LEVEL) PAGE 1 2 224-7717 1 FILM-WARNING (SEAT BELT, U.S.) 2 2 224-8945 1 FILM-WARNI
  • Page 1134SERVICE EQUIPMENT AND SUPPLIES 298-4305 PLATE & FILM GP (contd. ) i02890837 GRAPHIC #2 g01448704 1104 SERVICE EQUIPMENT AND SUPPLIES 2 of 2 SEBP4861-02
  • Page 1135SERVICE EQUIPMENT AND SUPPLIES 330-8769 PLATE & FILM GP S/N: CJN1-UP U.S. MARKET AN ATTACHMENT SMCS-7405, 7557 i03144669 REF GRAPHIC PART NAME SEE NOTE NO REF PART NUMBER QTY 1 2 3 4 5 6 (PRODUCT LEVEL) PAGE 1 1 330-8722 1 FILM-LIFTING CAP (LOCATED ON RIGHT SIDE CAB WINDOW) FY 298-4305 1 PLATE & FIL
  • Page 1136MEMORANDA 1106 MEMORANDA SEBP4861-02
  • Page 1137PART NUMBER INDEX Part Page Part Page Part Page Part Page 1 2 2U-2552 . . . . . 46 856 491 505 1D-5117 . . . . . 140 2A-5222 . . . . . 50 2U-5338 . . . . . 422 506 1F-0425 . . . . . 726 2B-0858 . . . . . 666 2Y-5503 . . . . . 315 509 1H-3338 . . . . . 202 2C-9259 . . . . . 787 436 510 1H-7339 . . .
  • Page 1138PART NUMBER INDEX Part Page Part Page Part Page Part Page 122 487 203 373 451 488 208 374 474 613 212 4B-7739 . . . . . 666 476 666 214 4B-9783 . . . . . 729 487 3K-0360 . . . . . 386 216 730 488 432 217 4B-9880 . . . . . 732 493 433 222 4D-1836 . . . . . 260 497 434 223 4H-6112 . . . . . 432 501 45
  • Page 1139PART NUMBER INDEX Part Page Part Page Part Page Part Page 4I-1783 . . . . . 587 781 571 555 590 783 572 567 597 784 574 569 603 785 580 571 4I-2187 . . . . . 275 4I-5020 . . . . . 1073 582 572 4I-2885 . . . . . 1084 4I-5021 . . . . . 1073 585 580 1086 4I-5049 . . . . . 1054 587 582 4I-3038 . . . . .
  • Page 1140PART NUMBER INDEX Part Page Part Page Part Page Part Page 4P-7428 . . . . . 212 1024 5I-7561 . . . . . 50 5I-8095 . . . . . 125 214 1025 5I-7588 . . . . . 20 5I-8097 . . . . . 125 246 1034 5I-7599 . . . . . 32 5I-8098 . . . . . 125 247 1035 5I-7601 . . . . . 74 5I-8110 . . . . . 33 250 1038 5I-7607
  • Page 1141PART NUMBER INDEX Part Page Part Page Part Page Part Page 5P-2369 . . . . . 562 510 6F-4718 . . . . . 640 585 565 514 642 588 592 520 6F-4855 . . . . . 448 592 599 530 6F-7045 . . . . . 200 599 605 534 6F-7556 . . . . . 27 605 5P-3454 . . . . . 251 538 6F-7557 . . . . . 27 615 253 617 6G-2263 . . .
  • Page 1142PART NUMBER INDEX Part Page Part Page Part Page Part Page 6V-7646 . . . . . 904 582 505 476 6V-7658 . . . . . 362 585 509 489 6V-7661 . . . . . 367 587 513 491 6V-8144 . . . . . 654 588 520 6V-8716 . . . . . 489 6V-8186 . . . . . 201 590 530 491 6V-8187 . . . . . 181 591 534 505 6V-8200 . . . . . 75
  • Page 1143PART NUMBER INDEX Part Page Part Page Part Page Part Page 6V-8821 . . . . . 720 582 604 248 6V-8935 . . . . . 481 6V-9182 . . . . . 615 6V-9851 . . . . . 516 256 483 619 6V-9853 . . . . . 506 266 484 6V-9200 . . . . . 474 510 1036 486 6V-9491 . . . . . 183 514 1044 493 185 6V-9854 . . . . . 506 1047
  • Page 1144PART NUMBER INDEX Part Page Part Page Part Page Part Page 7I-8100 . . . . . 720 535 7X-0578 . . . . . 872 72 7I-8102 . . . . . 737 542 876 516 7I-8249 . . . . . 633 544 1059 843 7I-8252 . . . . . 551 551 7X-0613 . . . . . 592 845 571 555 7X-0796 . . . . . 27 973 7J-9108 . . . . . 455 559 32 975 474
  • Page 1145PART NUMBER INDEX Part Page Part Page Part Page Part Page 170 7Y-7364 . . . . . 1076 146 805 173 7Y-7394 . . . . . 986 191 806 237 987 8C-8580 . . . . . 904 807 7Y-3964 . . . . . 98 988 8C-8988 . . . . . 476 808 168 1050 567 809 170 1052 609 810 173 7Y-8167 . . . . . 87 8C-8989 . . . . . 516 811 7Y-
  • Page 1146PART NUMBER INDEX Part Page Part Page Part Page Part Page 750 990 472 913 8T-0328 . . . . . 104 993 473 973 106 8T-4121 . . . . . 43 478 975 108 46 479 978 110 53 481 990 113 56 483 993 115 58 484 1008 118 60 486 1011 120 63 494 1045 122 65 497 1056 128 66 502 1073 134 70 506 8T-4123 . . . . . 354 1
  • Page 1147PART NUMBER INDEX Part Page Part Page Part Page Part Page 715 159 458 283 762 170 460 284 890 173 461 286 8T-4134 . . . . . 1076 180 463 319 8T-4136 . . . . . 43 196 464 371 46 212 466 375 58 214 467 858 70 248 480 862 72 257 481 866 87 258 483 882 128 260 484 890 134 315 486 8T-4182 . . . . . 245 2
  • Page 1148PART NUMBER INDEX Part Page Part Page Part Page Part Page 502 786 275 546 654 1001 444 562 8T-4186 . . . . . 128 8T-4194 . . . . . 489 966 565 134 491 967 572 255 562 979 574 313 565 991 578 627 599 8T-4205 . . . . . 181 588 758 605 8T-4223 . . . . . 29 592 8T-4189 . . . . . 60 8T-4195 . . . . . 43
  • Page 1149PART NUMBER INDEX Part Page Part Page Part Page Part Page 932 340 8T-5878 . . . . . 366 8T-7964 . . . . . 39 935 449 8T-6338 . . . . . 522 8T-8729 . . . . . 666 957 592 574 889 959 667 8T-6385 . . . . . 765 8T-8737 . . . . . 205 962 8T-4910 . . . . . 449 823 206 966 474 824 416 967 478 8T-6411 . . .
  • Page 1150PART NUMBER INDEX Part Page Part Page Part Page Part Page 207 664 9X-2046 . . . . . 892 416 9G-8909 . . . . . 127 9S-9015 . . . . . 210 1002 418 133 9W-0335 . . . . . 216 1053 9X-7301 . . . . . 408 9L-9188 . . . . . 43 9W-0852 . . . . . 98 9X-2065 . . . . . 192 410 46 9W-1951 . . . . . 217 9X-2297 .
  • Page 1151PART NUMBER INDEX Part Page Part Page Part Page Part Page 858 559 087-5759 . . . . . 567 093-1291 . . . . . 455 862 561 087-5761 . . . . . 569 093-1292 . . . . . 449 866 564 087-5762 . . . . . 549 478 873 567 561 479 877 569 564 093-1293 . . . . . 626 882 585 597 627 957 592 603 629 959 597 087-5765
  • Page 1152PART NUMBER INDEX Part Page Part Page Part Page Part Page 639 721 718 427 095-0723 . . . . . 217 723 726 443 095-0728 . . . . . 260 724 095-1591 . . . . . 717 095-1725 . . . . . 666 912 725 721 095-1750 . . . . . 733 095-0735 . . . . . 903 095-1578 . . . . . 680 723 735 913 682 724 736 095-0736 . .
  • Page 1153PART NUMBER INDEX Part Page Part Page Part Page Part Page 096-1628 . . . . . 706 096-5766 . . . . . 472 973 460 711 473 975 463 713 096-5915 . . . . . 644 099-3506 . . . . . 968 466 096-1773 . . . . . 270 647 099-3607 . . . . . 872 101-7404 . . . . . 611 096-1774 . . . . . 270 096-5916 . . . . . 644
  • Page 1154PART NUMBER INDEX Part Page Part Page Part Page Part Page 197 105-9527 . . . . . 1056 778 111-9916 . . . . . 654 203 106-0107 . . . . . 183 780 733 212 187 781 738 217 205 783 741 102-8804 . . . . . 195 106-0210 . . . . . 205 784 747 260 206 785 748 416 106-6757 . . . . . 786 107-9965 . . . . . 786
  • Page 1155PART NUMBER INDEX Part Page Part Page Part Page Part Page 156 119-5362 . . . . . 751 590 907 157 119-5364 . . . . . 751 597 908 175 119-5365 . . . . . 751 603 909 212 119-5388 . . . . . 709 729 910 214 715 123-2511 . . . . . 730 924 228 119-5389 . . . . . 709 123-2549 . . . . . 730 1003 230 715 731
  • Page 1156PART NUMBER INDEX Part Page Part Page Part Page Part Page 530 132-1829 . . . . . 123 135-5700 . . . . . 64 868 534 216 68 884 538 132-5789 . . . . . 155 135-5784 . . . . . 64 1059 129-3400 . . . . . 666 159 68 139-7119 . . . . . 1063 129-6466 . . . . . 1073 212 135-5786 . . . . . 64 139-7126 . . . .
  • Page 1157PART NUMBER INDEX Part Page Part Page Part Page Part Page 604 148-8330 . . . . . 505 542 527 146-6747 . . . . . 1095 509 544 559 1099 513 591 561 147-4131 . . . . . 709 530 631 565 715 534 148-8341 . . . . . 474 591 147-4921 . . . . . 1046 538 476 598 1047 148-8335 . . . . . 489 489 604 147-5818 . .
  • Page 1158PART NUMBER INDEX Part Page Part Page Part Page Part Page 613 555 151-9497 . . . . . 928 235 148-8415 . . . . . 481 559 930 155-2265 . . . . . 237 483 562 932 155-2270 . . . . . 183 484 565 935 187 486 569 151-9557 . . . . . 1059 195 148-8418 . . . . . 518 572 151-9576 . . . . . 954 212 148-8419 . .
  • Page 1159PART NUMBER INDEX Part Page Part Page Part Page Part Page 932 163-3754 . . . . . 352 164-0618 . . . . . 1054 164-6858 . . . . . 506 935 357 164-0619 . . . . . 1054 510 156-6646 . . . . . 1073 163-3755 . . . . . 357 164-0620 . . . . . 1054 514 156-6647 . . . . . 1062 163-4143 . . . . . 366 164-0639 .
  • Page 1160PART NUMBER INDEX Part Page Part Page Part Page Part Page 165-9283 . . . . . 412 785 245 165 416 166-1486 . . . . . 754 257 170-9419 . . . . . 666 418 756 258 170-9492 . . . . . 1056 165-9285 . . . . . 408 758 982 170-9497 . . . . . 912 410 760 984 1010 414 765 1036 170-9498 . . . . . 912 420 767 10
  • Page 1161PART NUMBER INDEX Part Page Part Page Part Page Part Page 510 176-1951 . . . . . 1068 1067 308 514 176-1952 . . . . . 1068 1070 184-9228 . . . . . 489 171-7325 . . . . . 854 176-1953 . . . . . 1068 178-5576 . . . . . 1059 184-9336 . . . . . 580 855 176-1954 . . . . . 1068 178-5659 . . . . . 1024 582
  • Page 1162PART NUMBER INDEX Part Page Part Page Part Page Part Page 185-9208 . . . . . 183 189-2759 . . . . . 1065 280 197-0148 . . . . . 658 185 1072 283 659 187 189-2768 . . . . . 860 284 660 189 864 192-6775 . . . . . 561 661 186-1305 . . . . . 1065 884 587 662 1078 927 193-2764 . . . . . 890 663 186-3735
  • Page 1163PART NUMBER INDEX Part Page Part Page Part Page Part Page 197-0196 . . . . . 636 199-4628 . . . . . 430 695 590 637 199-4629 . . . . . 430 697 208-9277 . . . . . 201 197-0199 . . . . . 636 199-4630 . . . . . 430 202-1771 . . . . . 587 209-0348 . . . . . 1049 637 199-4631 . . . . . 430 202-3631 . . .
  • Page 1164PART NUMBER INDEX Part Page Part Page Part Page Part Page 441 220-9085 . . . . . 787 813 1099 215-5023 . . . . . 693 789 814 225-0224 . . . . . 451 695 794 815 225-0225 . . . . . 451 697 795 816 225-0312 . . . . . 1095 215-5032 . . . . . 749 796 817 1099 750 797 220-9096 . . . . . 791 225-0313 . . .
  • Page 1165PART NUMBER INDEX Part Page Part Page Part Page Part Page 642 229-9089 . . . . . 1014 234-1156 . . . . . 183 896 229-1023 . . . . . 611 1035 185 234-6580 . . . . . 894 229-1081 . . . . . 315 229-9090 . . . . . 1024 187 896 229-1085 . . . . . 660 1035 189 234-6593 . . . . . 925 700 229-9093 . . . . .
  • Page 1166PART NUMBER INDEX Part Page Part Page Part Page Part Page 235-8875 . . . . . 843 862 245 815 845 866 238-2215 . . . . . 257 239-2722 . . . . . 808 973 882 238-2216 . . . . . 982 815 975 235-9003 . . . . . 847 984 239-2723 . . . . . 808 235-8876 . . . . . 939 235-9004 . . . . . 843 238-2260 . . . . .
  • Page 1167PART NUMBER INDEX Part Page Part Page Part Page Part Page 239-2804 . . . . . 810 240-5037 . . . . . 1018 777 245-7826 . . . . . 848 817 240-5039 . . . . . 1019 778 851 239-2805 . . . . . 810 240-5063 . . . . . 1038 779 245-7827 . . . . . 848 817 1047 780 851 239-2810 . . . . . 787 240-5064 . . . . .
  • Page 1168PART NUMBER INDEX Part Page Part Page Part Page Part Page 1046 247-5284 . . . . . 145 1010 255-3050 . . . . . 196 1047 160 251-0542 . . . . . 183 255-3171 . . . . . 1086 245-7896 . . . . . 842 247-6019 . . . . . 92 185 255-3173 . . . . . 1086 1046 247-7410 . . . . . 389 251-0543 . . . . . 183 255-44
  • Page 1169PART NUMBER INDEX Part Page Part Page Part Page Part Page 652 133 901 1095 259-0918 . . . . . 657 259-5303 . . . . . 127 259-7762 . . . . . 898 1099 259-0920 . . . . . 657 133 914 260-6975 . . . . . 1 666 259-7180 . . . . . 264 259-7763 . . . . . 898 352 259-3891 . . . . . 275 259-7193 . . . . . 1 9
  • Page 1170PART NUMBER INDEX Part Page Part Page Part Page Part Page 752 262-3236 . . . . . 480 266-1187 . . . . . 397 760 753 262-3237 . . . . . 457 626 267-0061 . . . . . 312 260-8222 . . . . . 392 262-3238 . . . . . 458 266-1188 . . . . . 469 267-1626 . . . . . 451 493 262-3239 . . . . . 481 266-1189 . . .
  • Page 1171PART NUMBER INDEX Part Page Part Page Part Page Part Page 268-0497 . . . . . 341 268-0693 . . . . . 288 1087 177 268-0581 . . . . . 317 289 268-6817 . . . . . 1087 270-5664 . . . . . 574 268-0582 . . . . . 317 268-0694 . . . . . 288 268-6886 . . . . . 455 270-5672 . . . . . 505 268-0583 . . . . . 31
  • Page 1172PART NUMBER INDEX Part Page Part Page Part Page Part Page 270-9833 . . . . . 279 272-4180 . . . . . 522 273-7702 . . . . . 318 518 280 561 273-7765 . . . . . 87 275-1624 . . . . . 591 283 564 273-7766 . . . . . 317 275-1695 . . . . . 625 284 597 273-7768 . . . . . 318 769 286 603 273-7964 . . . . .
  • Page 1173PART NUMBER INDEX Part Page Part Page Part Page Part Page 277-1212 . . . . . 487 538 461 283-9003 . . . . . 769 488 278-6752 . . . . . 530 464 283-9004 . . . . . 769 821 534 467 283-9005 . . . . . 769 277-1213 . . . . . 767 538 282-5894 . . . . . 457 283-9006 . . . . . 770 821 278-6753 . . . . . 530
  • Page 1174PART NUMBER INDEX Part Page Part Page Part Page Part Page 598 1099 779 294-1796 . . . . . 86 603 290-9321 . . . . . 752 294-1361 . . . . . 779 294-1800 . . . . . 86 286-6663 . . . . . 598 756 294-1683 . . . . . 23 294-1802 . . . . . 90 604 290-9322 . . . . . 756 294-1684 . . . . . 39 294-1803 . . .
  • Page 1175PART NUMBER INDEX Part Page Part Page Part Page Part Page 296-4651 . . . . . 6 296-4781 . . . . . 6 297-0589 . . . . . 713 296 25 48 920 304 296-4655 . . . . . 6 296-4782 . . . . . 6 921 308 56 51 922 298-2991 . . . . . 2 296-4663 . . . . . 35 296-4783 . . . . . 6 923 4 296-4672 . . . . . 17 24 297-
  • Page 1176PART NUMBER INDEX Part Page Part Page Part Page Part Page 338 120 305-1694 . . . . . 792 306-8802 . . . . . 981 301-2546 . . . . . 338 303-9937 . . . . . 104 813 307-4836 . . . . . 609 301-2565 . . . . . 3 106 305-1695 . . . . . 792 675 301-2566 . . . . . 4 108 814 307-4847 . . . . . 598 301-2567 .
  • Page 1177PART NUMBER INDEX Part Page Part Page Part Page Part Page 597 310-9695 . . . . . 78 1030 322-8746 . . . . . 407 604 79 1031 427 309-5808 . . . . . 903 310-9701 . . . . . 79 1032 323-7798 . . . . . 675 924 311-6631 . . . . . 90 1033 324-5753 . . . . . 258 309-5842 . . . . . 146 311-7405 . . . . . 653
  • Page 1178PART NUMBER INDEX Part Page Part Page Part Page Part Page 1029 330-1324 . . . . . 980 1050 997 327-6520 . . . . . 1041 330-1335 . . . . . 282 1042 286 1051 330-1336 . . . . . 286 327-6521 . . . . . 1043 330-1562 . . . . . 93 1044 101 1052 330-1563 . . . . . 102 327-6540 . . . . . 1021 112 327-6541 .
  • Page 1179
  • Page 1180
  • Page 1181SEBP4861-02 315D L Excavator CJN1-U